Next Article in Journal
Narrow Band Frequency Response Analysis of Power Transformers with Deep Learning
Previous Article in Journal
State-of-the-Art Techniques for Fault Diagnosis in Electrical Machines: Advancements and Future Directions
 
 
Font Type:
Arial Georgia Verdana
Font Size:
Aa Aa Aa
Line Spacing:
Column Width:
Background:
Review

Powering the Future: A Comprehensive Review of Battery Energy Storage Systems

by
Sergi Obrador Rey
*,
Juan Alberto Romero
,
Lluis Trilla Romero
,
Àlber Filbà Martínez
,
Xavier Sanchez Roger
,
Muhammad Attique Qamar
,
José Luis Domínguez-García
and
Levon Gevorkov
Power Systems Group, Catalonia Institute for Energy Research (IREC), 08930 Barcelona, Spain
*
Author to whom correspondence should be addressed.
Energies 2023, 16(17), 6344; https://doi.org/10.3390/en16176344
Submission received: 30 July 2023 / Revised: 17 August 2023 / Accepted: 30 August 2023 / Published: 1 September 2023
(This article belongs to the Section D: Energy Storage and Application)

Abstract

:
Global society is significantly speeding up the adoption of renewable energy sources and their integration into the current existing grid in order to counteract growing environmental problems, particularly the increased carbon dioxide emission of the last century. Renewable energy sources have a tremendous potential to reduce carbon dioxide emissions because they practically never produce any carbon dioxide or other pollutants. On the other hand, these energy sources are usually influenced by geographical location, weather, and other factors that are of stochastic nature. The battery energy storage system can be applied to store the energy produced by RESs and then utilized regularly and within limits as necessary to lessen the impact of the intermittent nature of renewable energy sources. The main purpose of the review paper is to present the current state of the art of battery energy storage systems and identify their advantages and disadvantages. At the same time, this helps researchers and engineers in the field to find out the most appropriate configuration for a particular application. This study offers a thorough analysis of the battery energy storage system with regard to battery chemistries, power electronics, and management approaches. This paper also offers a detailed analysis of battery energy storage system applications and investigates the shortcomings of the current best battery energy storage system architectures to pinpoint areas that require further study.

1. Introduction

One of the factors contributing to the exponential rise in socioeconomic issues, including concerns over energy security, is the growing population of the world, particularly in heavily populated urban regions. The key issues are the rise in greenhouse gas emissions, the rapid depletion of traditional fossil fuels, and the worldwide imbalance between rising demand and available resources. To change the current condition, all facets of contemporary society must make major efforts [1]. Growth in the demand for electric energy and power is projected as a result of the broad electrification that has been occurring in a number of industries [2].
The power industry is expected to acquire a higher relevance in the system of future energy supply as a result of increased electrification rates. Finally, the energy system should be completely decarbonized. Due to the distributed nature of power production, the need for self-sufficient microgrids (MG) to ensure reliability, the need to reduce CO2 emissions, and the ability to adapt hybrid energy resources to meet novel and unpredictable demands for providing the steady power supply, the electrical power infrastructures are faced with significant challenges. It is necessary to ensure appropriate installed generation capacitance, transmission and distribution grid infrastructure capacitance, and an energy supply. Large generators with heavy weights make up the majority of electrical generators, giving the plant a lot of inertia [3,4].
In addition, the integration of multiple types of renewable energy sources has significantly changed the grid architecture [5,6,7]. The energy that solar radiation helps to provide to the Earth’s surface is one of the primary energy sources on the planet. Its accessibility, environmental friendliness, and high efficacy are a few benefits. Moreover, it is currently widely used in solar thermal and photovoltaic (PV) energy applications [8,9]. Increased use of renewable energy sources in the conventional electrical power system has been targeted as a way to reduce reliance on fossil fuels. The Kyoto Protocol states that the goal of reducing greenhouse gas emissions through increased use of renewable energy sources should be accomplished in the near future [10], and the majority of countries have adopted that agreement.
Because traditional power systems were not designed to handle such a high level of renewable energy sources’ integration, the integration of renewable energy systems causes problems for them [11,12]. The volatility of power generation, which is brought on by the stochastic nature of solar, wind, or other types of renewable energy sources, is one of the drawbacks of using renewable energy sources (RESs) in connection with distribution grids. For instance, cloudy weather may prevent the proper operation of solar panels, calm weather may prevent the proper operation of wind turbines, and occasionally, too much electricity may be produced by renewable energy sources, overloading the energy distribution network. In addition, the integration of renewable energy sources may affect the voltage characteristics and power flow of the distribution network, which could have other disastrous effects [13,14,15].
Energy storage systems (ESSs) can become a good solution to these issues as well as reduce power output variances, regulate frequency, provide voltage reliability, and enhance the quality of the supply. There are various methods for storing power, including battery energy storage systems, compressed air energy storage, and pumped hydro storage. Energy storage systems are employed to store the energy produced by renewable energy systems when there is an excess of generation capacity and release the stored energy to meet peak load demands [16]. The ability of the electricity distribution system to include additional RESs is another benefit of ESSs [17,18]. Among the other types of ESSs, battery energy storage systems (BESSs) play an important role. For instance, BESSs paired with renewable energy sources can be a cost-competitive solution in microgrid scenarios. The Statista Research Department anticipates that 57 GW of BESSs will be installed only in Europe by 2030 [19].
For battery energy storage systems, lithium-ion batteries have supplanted other technologies, especially for temporary storage. Technology advancements and reductions in costs for lithium-ion cells, which seem to be currently the predominant existing technology used mostly for new installations, are what is driving this growth in battery energy storage systems. Although cell costs have decreased, batteries continue to be the main cost of battery energy storage systems. Household battery energy storage systems are used to boost, for example, the photovoltaic systems’ capacity for self-consumption, also known as energy–time shift. According to trends, many household solar systems in places where they are economically viable include battery energy storage systems. When a battery energy storage system is charged during the day period with extra photovoltaic energy, some of the evening’s electricity needs can be satisfied by discharging the battery. A greater range of uses, including frequency regulation, starts after the blackout, voltage support, as well as an increase in the self-consumption of renewable energy sources, are made possible by the deployment of large-scale BESSs.
Battery systems typically have storage capacities ranging from 1 to 30 kWh for household applications to MWh for industrial battery systems [20]. At the same time, battery degradation occurs during the charging and discharging processes, which limits the battery’s lifetime. Under various operating conditions, the battery degradation process leads to a varied battery lifetime, performance deterioration, and financial losses. As a result, it is necessary to evaluate the health prognostics in order to evaluate the battery performance. A large number of review papers regarding various aspects of battery energy storage systems are currently available.
In [21], the authors focus on the BESS application for electric propulsion drives in the marine industry. This type of vessel propulsion is becoming increasingly prevalent, particularly in the segment of short-range vessels, as there are a rising number of battery/hybrid engine vessels in service and on order. In this research, recent studies on electrification or hybridization, various applications of the marine BESS, and types of hybrid propulsion ships are reviewed. The authors also examine various battery and energy storage technologies employed in hybrid ship propulsion systems. The study also includes the most recent innovations in hybrid/electric propulsion systems made available by top marine industry suppliers.
Energy storage systems are crucial components of microgrids with significant penetration rates of renewable energy sources that provide dependability and stability. In [22], the authors offer a thorough analysis of recent advancements in energy storage system management and control for microgrid applications. An overview of the microgrid topologies and designs described in the recent literature is provided in the opening sections. For each scenario, the primary contributions and intended uses of energy storage systems in microgrid applications are specified. The research analyzes the characteristics and constraints of the solutions offered in the recent literature as several types of energy storage systems are now being integrated for the dependable functioning of the microgrids. According to the authors’ opinion, hybrid energy storage systems outperform applications that use simple battery energy storage systems in terms of microgrid stability and reliability.
In [23], the authors examine a number of energy storage-related topics. They start by outlining the main challenges and objectives related to energy storage systems. Second, they go over several methods utilized for energy storage as well as the standards used to choose the best technology. They then discuss contemporary problems and restrictions of energy storage strategies. They also provide information on battery technologies, which are the most widely applied in a variety of energy storage applications. Batteries’ market shares, social and environmental impacts, as well as their uses and types, are all described. In addition, a summary of current developments in battery state estimation and cell-balancing techniques is provided.
It is essential for the high-efficiency operation of electrical vehicles (EV) and smart grids for the battery management systems (BMSs) to monitor the terminal voltage, current, and temperature in order to assess the condition of the Li-ion batteries and control the operation of the cells in a battery pack. In [24], the primary goal of the research is to give an overview of capacity estimation techniques for BMSs in EVs and RES, as well as useful and workable recommendations for capacity estimation with onboard BMSs. The mechanisms of Li-ion battery capacity deterioration are first examined, and then the most recent methods for capacity estimation in BMSs, such as direct measurement, analysis-based, state-of-charge (SoC)-based, and data-driven methods, are also discussed. Following a thorough analysis and comparison, the authors propose an outlook for onboard capacity estimation.
The rest of this paper will be structured as follows: in Section 2, a description of various battery energy storage systems will be provided taking into account the different chemistries and according to their application. Important improvements in battery storage systems are revealed in this section. Section 3 reviews the known and currently widespread types of power electronic converters that are used in combination with a wide range of battery storage systems and particularly for microgrids and electric vehicle applications. In Section 4, battery management systems are investigated according to the recent findings in that field. Major trends and forecasted key development possibilities are presented along with the identification of high-performance BMS topologies. Conclusions and research gaps in the battery storage systems, as well as future perspectives and research directions, are expressed in Section 5.

2. Batteries

As mentioned, the battery energy storage systems consist mainly of batteries, control electronics, power converter systems, and the rest of the plant. The rest of the plant is designed to provide protection for the other systems.
Batteries are made of stacks of cells where chemical energy is converted to electrical energy. Desired proprieties are chosen through different chemistries and connections of the cells in series and parallel. Currently, a huge amount of investment and research is being carried out in this field [25]. The main types of battery chemistries used in battery energy storage systems are shown in Figure 1.

2.1. Chemistries

The use of specific chemistry in an application is not a trivial decision. Each different chemistry is more prompt to be advantageous in certain areas but has some disadvantages in other areas. This means the selection of the cell is a trade-off between the advantages and disadvantages of the different cell chemistries and morphologies.
The following comparison does not consider the different properties the cell package gives in addition to the chemistry because the shape and morphology can affect ion transportation and cracking. The analysis will be focused on the generalities of the chemistries.

2.1.1. Lithium

Lithium-ion batteries, also known as Li-ion, are the most used batteries nowadays. These batteries are great for commercial use because of their short charge time compared to other batteries normally used. Even though lithium batteries have a reasonably large working window, for ageing purposes, it is recommended not to reach its maximum and minimum charge states. Furthermore, exceeding the Safe Operation Zone can lead to the risk of fires and explosions leading to possible damages in the handler [26]. The research in lithium batteries is focused on big battery packs such as the ones used in automation [27].

NCA

LiNiO2 is a cheaper battery than the Li-ion batteries containing LiCoO2, even though cobalt is still present but not as cheap and desired as nickel is presently, and it is an expensive metal. The presence of aluminum reduces the volumetric change as the metal eliminates the change in the crystalline structure. NCA batteries have a long life which makes them attractive for automation applications. NCA-based batteries perform well in terms of power density, density, and lifetime [28].
There are major concerns about NCA safety as the cathode is extremely unstable and susceptible to thermal runaway leading to big fires and possible explosions. They degrade at high SoC levels and low SoC levels.

NMC

Developed due to the safety concerns of the NCA batteries, NMC batteries formed with LiNixCoyMnzO2 can be personalized to have the favorable characteristics of their predecessors (LCO, LNO, LMO). The presence of Ni improves the cycle life and Mn improves the safety of the cell. NMC-based batteries are likely to have a high capacity, good C-rate capability, and similar performance in energy and power density as NCA batteries.
The safety and cost of this chemistry is still a concern. The use of BMSs is still mandatory with a balancing system.

LFP

LFP is one of the most recently implemented cathode materials and it is the cheapest. LiFePO4 is more stable than NCA and NMC at higher temperatures. Its nominal voltage is lower than other chemistries. It is observed that the performance of the LFP cells is highly related to the temperature, at lower temperatures, the performance is highly reduced. The volumetric energy density is lower than NMC, making it a drawback for EVs. However, its flat SoC function curve makes it ideal for motor supplying even if it makes SoC reading when cell relaxation is carried out more difficult.
Even though LFP batteries are safer than other Li-ion chemistries, safety is still a con-cern and the unbalance between cells is still a problem. The use of a BMS is still manda-tory (Figure 2).

2.1.2. Nickel

Nickel batteries are less energy efficient than Li-ion batteries under the same current conditions. However, in high current rates, tables turn, and nickel batteries are more suitable [29,30]. In addition to the energy efficiency, nickel batteries tend to be safer and more robust against unbalance, so control electronics are far cheaper as there is no need for balancing systems.

Metal Hydride

Ni-MH cells utilize hydrogen alloys as the negative electrode. Nowadays, the research is focused on new intermetallic compounds improving the performance of this chemistry. These are the most produced in the portable device industry. Nickel-metal hydride cells have a reasonably high energy density and high C rates. NiMH-based batteries are heavier and bulkier than Li-ion based batteries leading them to be replaced in application where energy density and power density is important [31].
The main advantage in front of Li-ion batteries is the no appearance of dendrite so overheating and internal short-circuiting risks are minimized. Ni-MH batteries are mainly used to replace lead acid batteries as the cells have better continuous discharge power capability and service life.

Cadmium

Nickel-cadmium batteries consist of positive nickel hydroxide electrode Ni(OH)2, a mixture of Cd and Fe as the negative active material, and the electrolyte consists of OH-. This chemistry is known for its good safety and reliability. NiCd batteries can deliver up to 8 kA, but it has a nominal voltage of 1.2 V.
NiCd batteries are used in sealed and maintenance-free cells with a long cycle life and are stable in front of cell abuse, making it a good alternative to lead batteries [32]. Ni-Cd batteries have less energy density and power density than Li-ion batteries but support calendar ageing better; Ni-Cd batteries tend lose capacity in a reversible way when stored (Figure 3).

2.1.3. Sodium Batteries

One of the biggest flaws of the BESS is the shortage of the active materials, which is why sodium electrode batteries are interesting. As sodium is present in the earth crust water in relatively high concentrations compared to lithium, the extraction of it is cheaper [33]. Solid state electrolytes are used in Na batteries; this is why they are considered next generation batteries expected to replace current technologies [34].

Sodium-Ulfur

Na-S batteries are a cost-effective solution but with a high operation temperature of around 300 °C. This chemistry is prompt to produce violent fires when cathode and anode materials are short circuited at working temperatures. These batteries are expected to be used in load leveling, emergency supplies, and uninterruptible power supplies. There have been significant research efforts in developing sodium–sulfur batteries able to work at room temperatures using a sulfur composite as the cathode and sodium as the anode. This technology is still not researched enough to extract reliable conclusions about its performance compared to commercially used lithium-ion batteries, but Na-S batteries at room temperature are promising against ageing issues [35].

2.1.4. Metal-Air

Reduction batteries, also known as metal-air batteries, generate electricity through a redox reaction happening in the positive anode between oxygen present in the air and metal. The cells are open to the air to facilitate the reaction [36,37]. The structure is like a fuel cell where the fuel is metal. Compared to the other chemistries, the metal–air batteries have more thoracal energy density as the oxygen is not stored in the cell.

2.1.5. Chemistry Discussion

After reviewing the qualitative properties of the most popular and promising chemistries, it can be confirmed that the best options for automotive and general consumption energy storage systems are the lithium-ion batteries but in a not so far future this chemistry should be replaced by solid-state batteries such as sodium anode batteries.
It has to be noted that in any case, the presence of a BMS is necessary as in most of the cases; the cell work outside the safe operation zone can result in dangerous situations which can lead to fires and explosions.
When operating battery energy storage systems irrespective of the type of chemistry of the batteries, it is important to have a battery management system. Among the major reasons are the following:
  • Safety: To prevent overcharging, overheating, and other hazardous conditions that could result in a fire or explosion, the battery management system continuously measures the battery’s temperature, voltage, and current levels.
  • Efficiency: To guarantee that the battery runs as efficiently as possible, the battery management system optimizes the battery’s charging and discharging. This contributes to a longer battery life and lower maintenance costs.
  • Performance: The battery management system makes sure that the battery provides the necessary voltage and power output to fulfill the load’s demands. Additionally, it aids in avoiding voltage drops and power oscillations that could harm equipment.
  • Monitoring: The battery’s performance and health are continuously inspected by the battery management system. As a result, operators can immediately identify and address any problems, avoiding downtime and lowering repair costs.

2.2. Battery Models

Battery life span is hugely influenced by the physical proprieties and the way the energy is drained from it during usage, i.e., the draining patterns, the current levels, and the SoC states in which the battery is stored. Hence, the implementation of a battery management system with an accurate model is important. The use of these strategies must ensure the efficient use of the battery and predict the system behavior through the study of the fundamental parameters collected by the BMS. For stationary storage applications, powertrain electrification requirements, and experimental Li-ion battery quantification, accurate models and results from simulations of improved Li-ion batteries and modules are essential. There are numerous models with various levels of complexity.
These models range from the completely coupled electrochemical thermal model, which uses Partial Differential Equations (PDEs) to describe the dynamics of the battery, to Reduced Order Models (ROMs), which are simplified versions of PDE models, to Equivalent Circuit Models (ECMs), which use phenomenology to describe electrical behavior using ordinary differential equations.
There are three types of battery models and the use of each one is chosen considering the complexity and the necessity of precision for the estimations [38]. The more complex and precise the model, the more resources needed to run the model, and the more money investment is needed to apply it. The more complex a model is at gathering data for the parameter estimation, the more complex and expensive it is.

2.2.1. Electrochemical Models

Electrochemical models, also known as physical models, are focused on the study of the chemical reactions having a place in the electrodes and the electrolyte. The mathematical resources used are Non-Linear Differential Equations, Partial Differential Equations, and ODE. If these equation systems are not simplified, the computational systems needed to run these models are enormous. Normally the computers used are capable of Computational Fluid Dynamics (CFD).
Since there are a lot of electrochemical models, studying the characteristics of the system first to ensure the use of the most accurate model possible is recommended, as well as deciding the profundity of the description of the system.

2.2.2. Mathematical Models

Mathematical models are developed to predict the behavior of the system at a high level. In general, they only evaluate the charge recovery effect and ignores all other factors. The equation count is reduced as well as its precision; the accuracy is around 5% and 20%. Mathematical models are normally used for specific functions.
In [39], the authors extend the general Multiphysics (MP) Li-ion battery model with the help of specialized software COMSOL 3.5a to be able to describe the thermal effects taking place during battery operation. To represent the material balance for the Li-ion batteries in an active solid material, the so-called Fick’s second law in spherical coordinates is applied. The mathematical model of a commercial Li-ion 40 A pouch cell is presented in [40]. The authors have calculated the heat generation data for a large format pouch under both isoperibolic and adiabatic conditions for the first time. These results were compared with total heat data that were computed as the sum of heat that was measured using potentiometric and irreversible current interruption approaches, respectively.

2.2.3. Electric Circuit Equivalent Models

The most cost-effective model in which to study a battery is based on RC groups. The higher the order, the higher the number of RC couples used. Equivalent Circuit Models (ECM) are among the most advanced models for BMSs available today, and can also be utilized to extract experimental data from Li-ion batteries. An ECM model in regard to voltages, currents, resistances, and capacitances describes a battery’s pure electrical behavior. Considering the system parameter varies on temperature T and the state-of-charge SOC, the resulting equations from the concept of passive electrical systems are a low-level structure of regular differential equations that are generally non-linear. The Thevenin model may generally be used to describe the majority of ECMs. Figure 4 depicts a Thevenin ECM’s overall structure.
It has two sources of voltage. The first one talks about the battery’s open-circuit voltage, and the second one talks about parasitic voltages. Additionally, it has numerous parallel capacitors and resistors that reflect polarizations such as concentration or electrochemical polarized mechanisms in the battery. The battery’s ohmic resistance is described by resistor R0. All parameters in this circuit are dependent on SOC and T. As a result, the SOC uses a temperature model in the manner of a standard differential equation. U1 and Un are the voltages corresponding to voltage sources and Voc and Vb are the open-circuit and terminal voltages, respectively.
d U i d t = ( 1 R i C i + ( 1 C Q ( 1 R T C T ( T T a ) + 1 C T Q ) ) ) U i + 1 C L I L ,
d S O C d t = 1 C Q I L ,
U L = U O C I L R 0 i = 1 n U i ,
where i from 1 to n indicates the corresponding capacitors, voltages, currents, and resistors, and RC-branch. T and Ta stand for temperature and ambient temperature. Q stands for the power lost within the cell, SOC for the battery’s state of charge, and CQ for its overall charge. R0 is the battery’s ohmic resistance, IL is the load current, and UL is the terminal voltage. Convection resistance and heat capacity are denoted by RT and CT, respectively.

3. Power Electronic Converters for BESSs

Power electronics converters (PEC) play a crucial role in battery management systems and for battery storage systems in general. They are used to ensure proper power flow. Each BESS is required to control its power flow and a power balance during operation. As it was previously mentioned, the BESS generally provides a power balance between customers connected to an MG and renewable energy sources responsible for energy generation. Another of BESS’s key functions is battery balancing, which is used to make sure all batteries are running at the same state-of-charge level. Balanced batteries can increase the system’s overall useful capacity while also enhancing its dependability. Under discharging operation, the battery with the lowest SoC in a battery pack with series-connected batteries will be entirely discharged first. Therefore, power electronic devices are responsible both for providing proper power flow and balancing options. The power electronic converter is the BESS’s primary means of energy processing. Figure 5 represents typical applications of PECs for battery energy storage systems.
Storage batteries, converters, and a control system make up the battery energy system. Energy can be stored and released using batteries. The real charging and discharging power and response speed can vary depending on the battery’s power, capacity, and changing and discharging characteristics. Battery DC power can be transformed into grid-connected AC power with the use of a converter. Bidirectional AC/DC and DC/AC converters are needed for battery energy storage systems. Battery energy storage system converters often use two-level or three-level topologies in modern applications. For instance, in [41], the authors outline the creation of an inverter that stabilizes the electricity from a wind farm utilizing sodium–sulfur batteries. The authors described the largest energy storage system in the world, which consists of 17 sets of power conversion systems (PCS) and 34 MW NAS batteries for a 51 MW wind power system. Through a voltage source converter (VSC), based on the control system of the fully-controlled power electric device, PCS can achieve four-quadrant and decoupled control of grid-side active and reactive power. According to a power generation planning system that considers the meteorological conditions, charge/discharge power status, etc., this power conditioning system can control the fluctuations in wind power with a power control precision of 2%. Consequently, the wind power plant can provide electricity to the grid without being impacted by variations in wind output. The field tests demonstrated good operating performance.
In [42], the authors describe the construction of utility-scale power conversion systems for BESSs that are 500 kVA and 100 kVA in size. Power conversion systems are reported to be effective across a large operating range because of adequate hardware and software design. The inclusion of some crucial features—such as soft-start, anti-islanding, stand-alone operation is intended to increase stability and dependability under a variety of demanding dynamic operation circumstances. Developed PCSs are particularly adaptable because they may be coupled to work in parallel with other PCS modules, taking into consideration the rising battery storage capacities. Factory tests have shown their good performance in the electrical, control, and thermal areas.
The modular multilevel cascade converter (MMCC) family is discussed in [43]. The MMCC family is based on cascading multiple bidirectional chopper cells or single-phase full-bridge cells. The author provides a classification of MMCCs. The single-star bridge cells (SSBC), single-delta bridge cells (SDBC), double-star chopper cells (DSCC), and double-star bridge cells (DSBC) are the four circuit configurations that make up the MMCC family. Although there is a clear difference in application between the SSBC and DSCC, the SSBC and DSCC are more practical than the other three members of the MMCC family in terms of cost, performance, and market. In addition, the author provides examples of the SSBC’s applications to battery energy storage systems, the SDBC’s applications to static synchronous compensators (STATCOM) for negative-sequence reactive-power regulation, and the DSCC’s applications to motor drives for fans and blowers, together with the results of their experiments.
In [44], the authors briefly discuss a battery energy storage system based on a multilevel cascade pulse-width-modulated (PWM) converter. To enable charging and discharging the battery units at various power levels while generating a three-phase balanced line-to-line voltage, the active-power regulation of individual converter cells is described. Due to this, even when the battery units’ power-handling capacities differ, the battery energy is utilized to the fullest extent possible. The effectiveness of the proposed active-power control is confirmed by experimental data from a 200 V, 10 kW, and 3.6 kWh battery energy storage system.
A technical review of battery energy storage systems is provided in [45]. The others provide an overview of the difficulties in integrating solar power into the electrical grid, and examples of various operational modes for battery energy storage systems in grid-tied solar applications. For the power electronics converters, the ramp rate control, frequency droop response, power factor correction, solar time shifting, and output leveling are some of the real-time control techniques that are covered in the paper. It is shown that energy storage control systems for PECs can be connected with energy markets in addition to these applications that concentrate on system stability to increase the economics of solar energy.
In [46], a multi-input power converter for a hybrid system is proposed. It connects two unidirectional ports for input power sources: a bidirectional port for a storage component, and a port for an output load in a single, integrated structure. The two input ports are used to simultaneously convert two distinct low-voltage input power sources to consistent high-voltage output power. The suggested converter’s operational states can be split into three states based on battery usage depending on various circumstances. The authors offer a power management control strategy that regulates the bidirectional converter running in boost mode in accordance with the operation state of the PV/wind, ensuring that the system functions with high efficiency and enabling the battery to be charged or discharged.
A reliable and adaptable active balancing topology is proposed in [47]. It can help to balance the state-of-charge level of the battery modules in a high-voltage pack, which is a frequently ignored subject, as well as the charge imbalance within a module, or intramodular equalization. When the lithium–ion battery (LIB) was both idle and under load, experimental verification on parallel and series topologies of cells in BESS’s hardware and genuinely sized modules proved the proposed concept. Without the use of additional converters or auxiliary accumulators, the switching converter is capable of performing intramodular architecture at the pack level.
In [48], the authors propose a fuzzy logic control (FLC)-based non-dissipative equalization methodology to reduce the inconsistency of series-connected lithium-ion batteries. To achieve cell-to-cell equalization, a bidirectional equalization circuit with energy-transferring inductors is used. It is suggested to equalize cells on the basis of a state of charge, and a temperature-dependent battery model is created for the state-of-charge estimation. The flyback converter is suggested to cut down on energy usage and equalization time for efficient equalization. To verify the benefits of the proposed program, a comparison of the proposed flyback converter based on mean-difference math is performed.
In [49], the authors suggest a novel architecture for the power electronics converter to shorten the equalization time, and simulation results are used to confirm the system’s viability. The issue with the traditional inductor-based balancing method is that because the energy is transferred cell by cell, it takes a long time to equalize when it moves from the first to the final cell. This issue is resolved by the suggested improved topology which enhances the balancing time when compared to traditional ones. The middle cells will equalize using this strategy just as quickly as the top and bottom ones. In comparison to the standard topology, which equalizes four cells, it equalizes eight cells faster. The simulation results are used to validate the system’s viability.
An established method of next-to-next balancing is described in [50]. Its operational and design restrictions are examined. The following section of this paper introduces a novel method for next-to-next balancing that outperforms the traditional method while being easier to use. According to experimental findings, the magnetic coupler’s size was significantly reduced while retaining an efficiency of more than 90%. The main objective of the research work was to identify a better topology that can best address applications of BESSs such as electric automobiles in terms of integration, performance, and affordability. A real-world application has demonstrated the regularity of the currents. It is successful at reducing the magnetic coil using a flux adjustment strategy. The new equalization converter’s balancing process has been examined.
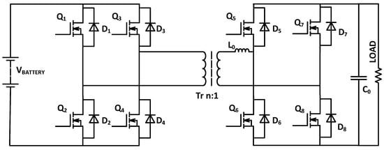
The available literature in some cases is concentrated on isolated topologies for battery energy storage systems, namely dual-active bridges (DAB). The typical topology of a full-bridge FBDAB is shown in Figure 6.
By adjusting the on/off status of the semiconductor switches on the converters’ primary and secondary sides, several control strategies can be applied. Among the control strategies are the so-called single-phase-shift (SPS) strategy which is the most common type of control method now in use is conventional DABs. The second method is the extended-phase-shift (EPS) strategy which is an additional switching technique. The zero-voltage switching (ZVS) range widens with this modulation. In addition, there are dual-phase-shift (DPS) and triple-phase-shift (TPS) control techniques, that can be used for full-bridge DAB circuits [51,52].
Another typical topology for the battery storage systems is neutral point connected (NPC)-based DAB. In [53], a bidirectional DC/DC converter is designed with a dual-active bridge and a single-phase three-level neutral point connected construction on the high-voltage side. This architecture decreases the isolation transformer’s turn ratio and the voltage stress on the switches. Additionally, all switches in full bridge and NPC with bidirectional power flow have zero-voltage switching. The grid side inverter with current hysteresis control is NPC based. The authors show that the whole set-up is appropriate for utility applications thanks to its increased reliability and low maintenance requirements.
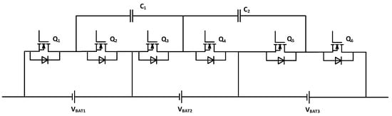
For the balancing of the cells in battery storage systems, various topologies are proposed. Among them are capacitor-based, inductor-based, and transformer-based topologies, as shown in Figure 7.
In [54], the authors proposed to connect capacitors between adjacent cells. The capacitors are constantly changing their charge. The capacitor is charged by one cell and then discharged through the neighboring cell, transferring surplus charge between the two if the charge states of the two cells differ. Since every cell is interconnected, the entire pack finally becomes balanced (Figure 8).
The serious drawback is the poor balancing speed; in the worst case, the first cell in the string will be out of balance compared to the string with the last cell. In this case, the imbalance could only be corrected by passing the extra charge through all of the cells. Scalability becomes a challenge due to this issue being made worse by the battery pack having additional cells as shown in [55].
In [56], the authors propose a novel bidirectional buck–boost + Cuk converter for series-connected battery cells. In the past, either the buck–boost converter or the Cuk converter required (2n − 1) switches to balance a string of n battery cells. The proposed buck–boost + Cuk converter, however, only needs n switches because it skillfully combines the buck–boost converter and the Cuk converter. Unlike many other existing one-switch-per-cell topologies, it reduces the switch count by almost half without sacrificing the modularization benefit or the device voltage stress. The buck–boost battery charge equalizer’s best feature, simple pulse width modulation, with a 50% duty cycle, is still present.
The application of multiport converters plays an important role for BESSs. In [57], the authors describe various types of multiport converters and their characteristics. A comprehensive examination of the key features of multiport converters, including their topologies, types according to different characteristics, advantages, and disadvantages, and areas of application are presented. The presentation includes a thorough analysis of the criteria for choosing multiport converters for various applications. It is shown that three main types of multiport converters have the own advantages for specific power range applications. For instance, non-isolated topologies are more suitable for low-power BESS application, and isolated, partially isolated topologies are more suitable for high-power BESS applications.
Table 1 contains some of the research results regarding the implementation of various cell equalization topologies.
Taking into account employing cutting edge power devices such as GaN semiconductors, and enhanced control algorithms, it is possible to improve current solutions. The charging circuitry can share resources and reduce costs by integrating modern power electronics technologies. At the same time, providing a fully flexible battery pack that can be adjusted for various voltage and current requirements is quite promising from a research point of view.

4. Battery Management System for BESSs

As highlighted in Section 1, the future role of lithium-ion batteries (LIB) in the energy market is clearly defined. LIBs serve as potential allies in supporting distributed renewable resources and facilitating the transition towards zero-carbon emissions in the mobility sector. However, handling LIB products is a challenging task. This is due to the environmentally hazardous raw materials used to build cells [63], capacity losses over the service life, as well as the instability associated with certain electrode composites, which may hinder safe operation. Consequently, three critical challenges for LIB technology to overcome are system sustainability, performance, and safety [64]. To address these challenges, BMS plays a crucial role in the evaluation of these factors.
On one hand, traditional BMS architecture (specifically for high-voltage applications) at its highest level is primarily designed for managing power and energy during battery charging and discharging, using a Battery Control Unit (BCU), which acts as the master controller for the whole battery, measures pack insulation, and sample pack voltage/current values [65]. Additionally, BCU determines battery status, calculating SoX predictions: commonly SoC, state of health (SoH), state of power (SoP), and state of temperature (SoT) are used to determine cell performance and remaining useful life (RUL), and track cell safety status to ensure a reliable operation over the life cycle, in order to determine proper battery end of life (EoL) and define second life possible applications [66,67].
SoH plays an important role because it is essential to maintain the LIBs’ operational safety and enhance their output. A trustworthy BMS can deliver precise state-of-health estimations and guarantee battery safety, which can enable the most effective operation and energy management. There are various methods proposed to estimate SoH. In [68], the authors use the weighted quantile regression (WQR) and light gradient-boosting machine (LightGBM) methods to learn a non-linear mapping between the measurable attributes and the SOH. The model is known as LightGBM-WQR. The suggested LightGBM-WQR model estimates SOH with good accuracy, and the average absolute error (MAE) of all cells is constrained to 1.57%. A thorough analysis of the many techniques used for SOH estimate, including experimental methods, model-based techniques, and machine learning algorithms is carried out and the benefits and drawbacks of each strategy are examined critically and in depth in [69]. To estimate the battery’s SOH and SOC, the well-known Kalman filter (KF) and relatively recent sliding innovation filter (SIF) are used in [70]; the dual-KF-interacting multiple model (IMM) and dual-SIF-IMM are the resulting techniques, respectively. Accurate Li-ion battery SoC and SoH model for online estimation is proposed in [71]. The link between the SoH equation and the modification factor, which is a function of SOC, is discovered to be linear.
On the other hand, each battery incorporates several Battery Management Units (BMU). The primary function of the BMU is to optimize the overall battery module performance, by measuring the voltage of individual cells, balancing, and equalizing module cell branches, as it is shown in Figure 6. Moreover, BMU also samples temperature and other important values such as cell strain, in order to prevent cell malfunctioning, or hazardous situations such as thermal runaway [72].
Subsequently, all the measures gathered by BMU are packaged into different data frames and sent to BCU. Once BCU receives cell measurement information, it can estimate cell SoX and determine the optimal strategy to distribute the energy among the pack depending on the battery pack’s instantaneous input/output current, and consequently predict the next step cell voltage, temperature, and pressure, accordingly, to adapt BMU balancing and protection systems in a closed-control loop. Moreover, BCU-BMU interoperability can find synergies with other auxiliary control systems, such as the Battery Thermal Management System (BTMS), which is responsible for maintaining the cells within allowed temperature ranges.
To perform SoX calculations, BCU uses battery models [73]; nowadays, in LIB industry, ECM is widely adopted in BMSs due to successful results in its practical implementation and its relatively inherent simplicity. However, the ECM working principle is fully based on experimental cell data parameterized with representative electric components. Thus, the ECM lack of physical insight restricts the precision of SoX estimates and their ability to accurately adapt to the electrochemical processes driven by lithium-ion diffusion and transport that govern the real LIB system response. To address this discrepancy, the industry is mainly focused on developing better methods and techniques to enhance ECM capabilities, to update cell states adaptatively according to the stochastic variations that cells experience during a cycle.
Significant advancements have been made in the improvement of adaptive filter-based methodologies for adjusting SoC estimations based on measured voltage, temperature values, as well as noise covariances. However, as the cell approaches its EoL, these models gradually lose precision due to SoC deviations [74]. This precision loss poses challenges to BMS decision making and EoL definition, resulting in the underutilization of battery cell energy and consequently LIB sustainability reduction.
To address this issue, it is crucial to complement filter-based methods with alternative approaches that can adapt model parameters to battery capacity fades. Many studies advocate for the implementation of data-driven techniques as the optimal solution [75]. These approaches use huge experimental datasets and combine them with genetic algorithms, neural networks, or particle swarm optimization techniques, to effectively adapt SoC and ECM parameters to battery nominal capacity changes [76]; these methods contribute to establishing better SoH predictions, and as a result, pack/cell overall SoX estimations are also enhanced [77].
However, these advanced models require significant provisions in terms of computational requirements and data storage to effectively be run. Therefore, considering the rapid progress and the expected future widespread implementation of 5G technologies, research is focused on migrating modeling BCU capabilities and functions to cloud-based BMS architectures. The structure shown in Figure 7 represents how these advancements will change the BMS ecosystem, paving the way for the materialization of the LIB Digital-Twin (DT) concept, all in an effort to provide more efficient and sustainable battery systems [78].
Nevertheless, as can be intuited from Figure 9, DT architectures still require a simplified version of BCU (Battery Control Unit) integrated within the battery pack. These systems are expected to optimize BMU energy distribution and serve as data clusters to connect the entire battery to the cloud. Additionally, aside from the cloud model, BCU also should use an offline model to determine short-term control strategies and act as a backup model in case of cloud loss connection, fails, or crashes.
Therefore, BCU should have implemented a Reduced Order Model (ROM) which should be updated periodically every time the cloud Full Order Model (FOM) performs an iteration to estimate SoX. The values calculated from the cloud can be used for BCU to estimate the error due to ROM parametrization deviances. Consequently, the ROM parameters can be adaptively updated between FOM iterations.
Moreover, with the advancement in computational capabilities, the BMS-DT concept can explore emerging LIB modeling fields, such as the Pseudo-Two-Dimensional (P2D) approach for the macroscopic representation of physics-based models. P2D more complex variants, such as the Doyle–Fuller–Newman (DFN) model, offer a competitive alternative to data-driven approaches. Since they are based on PDE governing electrochemical equations and precise cell constructive and electrochemical parameterization, LIB behavior and degradation mechanisms can be accurately captured, without the need for extensive databases [79]. Furthermore, simplified versions such as the Single Particle Model (SPM) can provide more accurate estimations for pack/cell control systems compared to traditional ECM approaches, enhancing efficiency and overall LIB safety.
Artificial intelligence (AI)-based energy management solutions are advancing the sophistication and intelligence of BMS systems. Real-time battery data analysis and performance forecasting can be carried out using artificial intelligence techniques. This makes it possible to better optimize battery use, extending its life and increasing its effectiveness. Additionally, AI algorithms can be employed to spot irregularities in the battery’s operation and notify the user or maintenance staff of potential problems. This can lower maintenance costs and help prevent safety issues.
Overall, BMS systems are becoming more intelligent, secure, and efficient thanks to energy management solutions utilizing AI. When it comes to sifting through enormous volumes of observational data for patterns and insights, machine learning is quickly becoming a crucial tool. As a result, the future seems promising for the creation of a cloud-based BMS that has been upgraded by AI. By fusing the advantages of physical process models with the adaptability of machine learning approaches, this will significantly increase the predictive and modeling capability for long-range connections across multiple timelines [80].
Predictive AI-based algorithms in BMSs can enhance the accessibility of test datasets and reliable real-time data processing for electrical vehicle applications. According to the analysis provided by the authors in [81], further research utilizing the Kalman filter algorithm is required to enhance the current algorithms by incorporating both SoH and SoC estimators to determine how old the battery is in terms of power management over prolonged use. Additionally, from a theoretical and practical standpoint, machine learning (ML) technologies play a significant role in battery SoH estimation.

5. Discussion

Various types of batteries described in Section 2 have their own advantages and disadvantages depending on application area. Among one of the advantages of Li-ion batteries is that they have one of the lowest energy–density ratios ever and can store quite large amounts of energy. However, one of the drawbacks is undoubtedly lithium’s strong reactivity. They may be directed to low-level stability in the event of excessive temperatures or flames. It is therefore preferable to create a simple cell system that controls the battery while it is not being used during the design phase. The comparatively expensive price of the technology presents another barrier to its widespread adoption. As mentioned before, the materials used to make the cathode and anode, and the solution of electrolyte in this sort of battery might differ, defining various Li-ion battery technologies in this way.
LFP batteries possess effective electrochemical performance. They are safer than some other type of Li-ion batteries and have strong thermal resistance. They can sustain complete charges and discharges and have a decent cycle life. Among the disadvantages is that these type of batteries have a little higher self-discharge compared to other types.
NMCs are the sort of batteries that have a decent life expectancy, high specific energy values, good thermal resistance, and can power electric vehicles effectively. These factors make the NMC battery packs the most popular in the electric vehicle industry. Among the disadvantages are environmental concerns because the batteries contain cobalt and relatively high cost of the technology.
For nickel-based batteries, there are also their fields of application. For instance, NiCad batteries have a high discharge rate, which makes them appropriate for applications requiring high power output. Among the disadvantages of NiCad batteries is that if they are not properly disposed of, the poisonous cadmium they contain could harm the environment. These type of batteries have the potential to experience a memory effect, which over time lowers their capacity and performance. Compared to other battery types, NiCad batteries have a lower energy density, requiring more space to store the same amount of energy. Batteries made of nickel–metal hydride (NiMH) have some advantages over NiCad batteries. NiMH batteries have higher energy density as compared to NiCad batteries. NiMH batteries are safer for the environment than NiCad batteries because they do not contain any poisonous components. NiMH batteries can survive hundreds of charge and discharge cycles and have a long cycle life.
Sodium batteries are potentially more preferable for stationary usage, where battery size and weight are less critical. For sodium-ion batteries to be produced at an industrial scale, more intensive research is required as existing electrodes and electrolytes are still in the early stages of development. On the other hand, the main advantages of the sodium-ion batteries is the cost and availability of sodium, safety, and long lifespan. Among the disadvantages are low-power density, limited charging cycles, and temperature sensitivity.
To ensure the battery pack’s continuous good health and capacity for as long as feasible, the issue of cell balancing is essential. It was shown that when applying the switched capacitor method, it is possible to achieve a relatively simple method of cell balancing. The advantage of this balancing method is that it does not require a complicated control and sensing system. It is easy to expand this architecture to accommodate larger battery packs. The delay in balance rate is the biggest drawback. In the case of inductor-based cell balancing instead of capacitors, inductors are used to store transitory energy and it is possible to achieve good equalization results without a complex controller. Balancing can happen throughout both charging and discharging cycles. Due to the cell-to-cell nature of this approach, equalization speed is still a concern. Traditionally, inductors have cost more and taken up more space than capacitors.
Application of flyback converters for the inductor-based balancing can improve the balancing speed. Depending on bidirectional switching and control, there can be a cell to pack, a pack to cell, and a cell to pack to cell, high efficiency and low current and voltage stresses. The key disadvantages are the high cost, complexity of the control, and the extensive volume. The transformer-based balancing topologies generally have quick equalization speeds and are very effective. Both cell to pack or pack to cell are the basic topologies. However, multi-cell to multi-cell can be achieved with a combination of bidirectional switching and a more sophisticated controller.
At the same time, interfacing the BESS with renewable energy sources and the application load of modern power electronic converters and particularly multiport ones can decrease the overall cost and improve the reliability of the system. To increase the reliability, it is necessary to apply fault-tolerant multiport converters with an advanced digital control system (DCS) based on, for instance, an extended Kalman filter for detecting and generating the reference phase and voltage signals.
As mentioned in Section 4, BMSs are designed for managing power and energy during battery charging and discharging, providing safety, functionality, and performance optimization of battery modules with the help of BCU and BMU. To precisely calculate the SoC and SoH, various model techniques are used. Huge computational resources are usually needed for the data-driven modeling techniques. Therefore, considering the rapid progress and the expected future widespread implementation of fast mobile data technologies, research is focused on migrating modeling BCU capabilities and functions to cloud-based BMS architectures with the help of advanced AI-based algorithms and machine learning approaches.

6. Conclusions

In this review of battery energy storage system technologies, the present state of BESS development, research, and the utilization of conventional and novel approaches are described. In order to help academics, developers, and application engineers better grasp technical characteristics, operational principles, and a selection process for various types of battery storage systems, this review paper includes information about each of the main parts of a BESS including a review of different battery chemistries, power electronic converters, and BMSs.
This study examined more than 80 scientific papers and journal publications that were written about the operation and performance of battery energy storage systems and published between 1997 and 2023. An explanation of the fundamental operating concepts, classification, topologies, and perspective technologies for battery energy systems is given. Battery energy storage systems are being utilized more and more to supply energy storage at home or on the grid and to power electric vehicles. In addition, they are vital elements of a system that helps to stabilize the output of renewable energy sources, thus making it feasible to integrate RES in the industry and use it for household application.
The restrictions and challenges each type of BESS must overcome have been determined. All battery storage technologies have specific disadvantages, but if certain conditions are satisfied, they can be used effectively. For instance, NMC batteries currently are more suitable for electric vehicle application while LFP batteries are more preferable for a stationary applications. Therefore, it is necessary to take into account trade-off properties when choosing a certain BESS for a particular application. It was shown that to improve characteristics of a BESS it is important to apply proper BMSs. Application of Digital Twins, AI, and ML can boost the performance and significantly extend battery life thanks to the high accuracy models for SoC and SoH estimation. At the same time, predictive maintenance provided by these technologies can reduce the downtime of a BESS. In addition, the implementation of inductor or transformer-based cell-balancing strategies and modern fault-tolerant multiport converter technologies can be a good solution for various BESSs in a wide power range.
According to the provided review, the development of a completely versatile battery pack based on the mixed battery chemistry which can be adjusted for various voltage and current needs is among the prospective research directions.

Author Contributions

Conceptualization, S.O.R. and J.A.R.; methodology, J.L.D.-G. and L.T.R.; validation, L.G., M.A.Q. and X.S.R.; writing—original draft preparation, S.O.R. and J.A.R.; writing—review and editing, S.O.R., J.A.R., X.S.R. and L.G.; visualization, À.F.M.; supervision, L.T.R.; project administration, L.T.R. and L.G.; funding acquisition, L.T.R. All authors have read and agreed to the published version of the manuscript.

Funding

This research was funded by MCIN/AEI/10.13039/501100011033 and by the European Union “NextGenerationEU”/PRTR”.

Data Availability Statement

The data presented in this study are openly available in the References Section.

Acknowledgments

This publication is part of the project TED2021-132864A-I00, funded by MCIN/AEI/10.13039/501100011033 and by the European Union “NextGenerationEU”/PRTR”.

Conflicts of Interest

The authors declare no conflict of interest.

References

  1. Albert, O.N.; Amaratunga, D.; Haigh, R.P. Environmental Policies within the Context of Compensation for Oil Spill Disaster Impacts: A Literature Synthesis. Procedia Eng. 2018, 212, 1179–1186. [Google Scholar] [CrossRef]
  2. Chan, L.S. Transition from fossil fuel propelled transport to electrified mass transit railway system—Experience from Hong Kong. Energy Policy 2023, 173, 113372. [Google Scholar]
  3. Autsou, S.; Saroka, V.; Karpovich, D.; Rassõlkin, A.; Gevorkov, L.; Vaimann, T.; Kallaste, A.; Belahcen, A. Comparative study of field-oriented control model in application for induction and synchronous reluctance motors for life-cycle analysis. In Proceedings of the 2018 25th International Workshop on Electric Drives: Optimization in Control of Electric Drives (IWED), Moscow, Russia, 31 January–2 February 2018; pp. 1–5. [Google Scholar] [CrossRef]
  4. Rassõlkin, A.; Kallaste, A.; Orlova, S.; Gevorkov, L.; Vaimann, T.; Belahcen, A. Re-Use and Recycling of Different Electrical Machines. Latv. J. Phys. Tech. Sci. 2018, 56, 13–23. [Google Scholar] [CrossRef]
  5. Gevorkov, L.; Domínguez-García, J.L.; Romero, L.T. Review on Solar Photovoltaic-Powered Pumping Systems. Energies 2023, 16, 94. [Google Scholar] [CrossRef]
  6. Elavarasan, R.M.; Shafiullah, G.M.; Padmanaban, S.; Kumar, N.M.; Annam, A.; Vetrichelvan, A.M.; Mihet-Popa, L.; Holm-Nielsen, J.B. A Comprehensive Review on Renewable Energy Development, Challenges, and Policies of Leading Indian States with an International Perspective. IEEE Access 2020, 8, 74432–74457. [Google Scholar] [CrossRef]
  7. Gevorkov, L.; Kirpichnikova, I. Model of Solar Photovoltaic Water Pumping System for Domestic Application. In Proceedings of the 2021 28th International Workshop on Electric Drives: Improving Reliability of Electric Drives (IWED), Moscow, Russia, 27–29 January 2021; pp. 1–5. [Google Scholar] [CrossRef]
  8. Bedreddine, M.; Yacine, A.; Abdelbaki, N. Exploitation of solar energy for the elaboration of zinc oxide thin films according to a new method of solar spray pyrolysis. In Proceedings of the 2020 6th International Symposium on New and Renewable Energy (SIENR), Ghadaia, Algeria, 13–14 October 2021; pp. 1–5. [Google Scholar] [CrossRef]
  9. Raza, H.M.T.; Rana, A.S. Metamaterial Absorber for Solar Thermophotovoltaic Systems. In Proceedings of the 2022 Third International Conference on Latest Trends in Electrical Engineering and Computing Technologies (INTELLECT), Karachi, Pakistan, 16–17 November 2022; pp. 1–7. [Google Scholar] [CrossRef]
  10. Huang, J.; Nagasaka, K. Allocation of Greenhouse Gas emission allowance for Japanese Electric Utility industry under Kyoto Protocol by Grandfathering/Benchmarking Rule Approach. In Proceedings of the 2012 International Conference on Advanced Mechatronic Systems, Tokyo, Japan, 18–21 September 2012; pp. 357–361. [Google Scholar]
  11. Zani, A.; Migliavacca, G.; Grassi, A. A scenario analysis for an optimal RES integration into the European transmission grid up to 2050. In Proceedings of the 2011 8th International Conference on the European Energy Market (EEM), Zagreb, Croatia, 25–27 May 2011; pp. 401–406. [Google Scholar] [CrossRef]
  12. Boglou, V.; Karavas, C.; Karlis, A.; Arvanitis, K.G.; Palaiologou, I. An Optimal Distributed RES Sizing Strategy in Hybrid Low Voltage Networks Focused on EVs’ Integration. IEEE Access 2023, 11, 16250–16270. [Google Scholar] [CrossRef]
  13. Mufti, G.M.; Basit, A.; Rehman, M.U.; Hassan, S.Z.; Khan, R.A. Comparative analysis of the effects of renewable energy integration on the utility grid system. In Proceedings of the 2018 International Conference on Computing. Mathematics and Engineering Technologies (iCoMET), Sukkur, Pakistan, 3–4 March 2018; pp. 1–5. [Google Scholar] [CrossRef]
  14. Yongning, C.; Yan, L.; Zhen, L.; Ziyu, C.; Hongzhi, L. Study on Grid-connected Renewable Energy Grid Code Compliance. In Proceedings of the 2019 IEEE Sustainable Power and Energy Conference (iSPEC), Beijing, China, 21–23 November 2019; pp. 72–75. [Google Scholar] [CrossRef]
  15. Shafiullah, M.; Ahmed, S.D.; Al-Sulaiman, F.A. Grid Integration Challenges and Solution Strategies for Solar PV Systems: A Review. IEEE Access 2022, 10, 52233–52257. [Google Scholar] [CrossRef]
  16. Ramos, F.O.; Pinheiro, A.L.; Lima, R.N.; Neto, M.M.B.; Junior, W.A.S.; Bezerra, L.G.S. A Real Case Analysis of a Battery Energy Storage System for Energy Time Shift, Demand Management, and Reactive Control. In Proceedings of the 2021 IEEE PES Innovative Smart Grid Technologies Conference—Latin America (ISGT Latin America), Lima, Peru, 15–17 September 2021; pp. 1–5. [Google Scholar] [CrossRef]
  17. Yang, L.; Cai, Y.; Qiao, Y.; Yan, N.; Ma, S. Research on Optimal Allocation Method of Energy Storage Considering Supply and Demand Flexibility and New Energy Consumption. In Proceedings of the 2020 IEEE 4th Conference on Energy Internet and Energy System Integration (EI2), Wuhan, China, 30 October–1 November 2020; pp. 4368–4373. [Google Scholar] [CrossRef]
  18. Shively, D.; Gardner, J.; Haynes, T.; Ferguson, J. Energy Storage Methods for Renewable Energy Integration and Grid Support. In Proceedings of the 2008 IEEE Energy 2030 Conference, Atlanta, GA, USA, 17–18 November 2008; pp. 1–6. [Google Scholar] [CrossRef]
  19. Statista. Available online: https://www.statista.com/statistics/1334680/europe-battery-storage-capacity/ (accessed on 8 April 2023).
  20. Choi, D.; Shamim, N.; Crawford, A.; Huang, Q.; Vartanian, C.K.; Viswanathan, V.V.; Paiss, M.D.; Alam, M.J.E.; Reed, D.M.; Sprenkle, V.L. Li-ion battery technology for grid application. J. Power Sources 2021, 511, 230419. [Google Scholar] [CrossRef]
  21. Kolodziejski, M.; Michalska-Pozoga, I. Battery Energy Storage Systems in Ships’ Hybrid/Electric Propulsion Systems. Energies 2023, 16, 1122. [Google Scholar] [CrossRef]
  22. Kandari, R.; Neeraj, N.; Micallef, A. Review on Recent Strategies for Integrating Energy Storage Systems in Microgrids. Energies 2023, 16, 317. [Google Scholar] [CrossRef]
  23. Krichen, M.; Basheer, Y.; Qaisar, S.M.; Waqar, A. A Survey on Energy Storage: Techniques and Challenges. Energies 2023, 16, 2271. [Google Scholar] [CrossRef]
  24. Peng, J.; Meng, J.; Chen, D.; Liu, H.; Hao, S.; Sui, X.; Du, X. A Review of Lithium-Ion Battery Capacity Estimation Methods for Onboard Battery Management Systems: Recent Progress and Perspectives. Batteries 2022, 8, 229. [Google Scholar] [CrossRef]
  25. Divya, K.C.; Østergaard, J. Battery energy storage technology for power systems—An overview. Electr. Power Syst. Res. 2009, 79, 511–520. [Google Scholar] [CrossRef]
  26. Shchurov, N.I.; Dedov, S.I.; Malozyomov, B.V.; Shtang, A.A.; Martyushev, N.V.; Klyuev, R.V.; Andriashin, S.N. Degradation of Lithium-Ion Batteries in an Electric Transport Complex. Energies 2021, 14, 8072. [Google Scholar] [CrossRef]
  27. Mulder, G. Comparison of commercial battery cells in relation to material properties. Electrochim. Acta 2013, 87, 473–488. [Google Scholar] [CrossRef]
  28. Stan, A.-I.; Świerczyński, M.; Stroe, D.-I.; Teodorescu, R.; Andreasen, S.J. Lithium ion battery chemistries from renewable energy storage to automotive and back-up power applications—An overview. In Proceedings of the 2014 International Conference on Optimization of Electrical and Electronic Equipment (OPTIM), Bran, Romania, 22–24 May 2014; pp. 713–720. [Google Scholar] [CrossRef]
  29. Kang, J.; Yan, F.; Zhang, P.; Du, C. Comparison of comprehensive properties of Ni-MH (nickel-metal hydride) and Li-ion (lithium-ion) batteries in terms of energy efficiency. Energy 2014, 70, 618–625. [Google Scholar] [CrossRef]
  30. Wang, L.; Wang, J.; Wang, L.; Zhang, M.; Wang, R.; Zhan, C. A critical review on nickel-based cathodes in rechargeable batteries. Int. J. Miner. Metall. Mater. 2022, 29, 925–941. [Google Scholar] [CrossRef]
  31. Arun, V.; Kannan, R.; Ramesh, S.; Vijayakumar, M.; Raghavendran, P.S.; Ramkumar, M.S.; Anbarasu, P.; Sundramurthy, V.P. Review on Li-Ion Battery vs Nickel Metal Hydride Battery in EV. Adv. Mater. Sci. Eng. 2022, 2022, e7910072. [Google Scholar] [CrossRef]
  32. Tsais, P.-J.; Chan, L.I. 11—Nickel-based batteries: Materials and chemistry. In Electricity Transmission, Distribution and Storage Systems; Melhem, Z., Ed.; Woodhead Publishing Series in Energy; Woodhead Publishing: Southton, UK, 2013; pp. 309–397. [Google Scholar] [CrossRef]
  33. Kumar, D.; Rajouria, S.K.; Kuhar, S.B.; Kanchan, D.K. Progress and prospects of sodium-sulfur batteries: A review. Solid State Ion. 2017, 312, 8–16. [Google Scholar] [CrossRef]
  34. Wang, Y.; Song, S.; Xu, C.; Hu, N.; Molenda, J.; Lu, L. Development of solid-state electrolytes for sodium-ion battery–A short review. Nano Mater. Sci. 2019, 1, 91–100. [Google Scholar] [CrossRef]
  35. Ryu, H. Discharge reaction mechanism of room-temperature sodium–sulfur battery with tetra ethylene glycol dimethyl ether liquid electrolyte. J. Power Sources 2011, 196, 5186–5190. [Google Scholar] [CrossRef]
  36. Cheng, F.; Chen, J. Metal–air batteries: From oxygen reduction electrochemistry to cathode catalysts. Chem. Soc. Rev. 2012, 41, 2172–2192. [Google Scholar] [CrossRef]
  37. Welch, C.; Mohammad, A.K.; Hosmane, N.S.; Zhang, L.; Cho, K.T. Effect of Aluminum Oxide on the Performance of Ionic Liquid-Based Aluminum–Air Battery. Energies 2020, 13, 2014. [Google Scholar] [CrossRef]
  38. Tamilselvi, S. A Review on Battery Modelling Techniques. Sustainability 2021, 13, 10042. [Google Scholar] [CrossRef]
  39. Cai, L.; White, R.E. Mathematical modeling of a lithium ion battery with thermal effects in COMSOL Inc. Multiphysics (MP) software. J. Power Sources 2011, 196, 5985–5989. [Google Scholar] [CrossRef]
  40. Elke, S.; Ziebert, C.; Melcher, A.H.; Rohde, M.; Seifert, H.J. Thermal behavior and electrochemical heat generation in a commercial 40 Ah lithium ion pouch cell. J. Power Sources 2015, 286, 580–589. [Google Scholar]
  41. Iijima, Y.; Sakanaka, Y.; Kawakami, N.; Fukuhara, M.; Ogawa, K.; Bando, M.; Matsuda, T. Development and field experiences of NAS battery inverter for power stabilization of a 51 MW wind farm. In Proceedings of the 2010 International Power Electronics Conference—ECCE ASIA, Sapporo, Japan, 21–24 June 2010; pp. 1837–1841. [Google Scholar] [CrossRef]
  42. Li, H.; Iijima, Y.; Kawakami, N. Development of power conditioning system (PCS) for battery energy storage systems. In Proceedings of the 2013 IEEE ECCE Asia Downunder, Melbourne, VIC, Australia, 3–6 June 2013; pp. 1295–1299. [Google Scholar]
  43. Akagi, H. Classification, Terminology, and Application of the Modular Multilevel Cascade Converter (MMCC). IEEE Trans. Power Electron. 2011, 26, 3119–3130. [Google Scholar] [CrossRef]
  44. Maharjan, L.; Yamagishi, T.; Akagi, H. Active-Power Control of Individual Converter Cells for a Battery Energy Storage System Based on a Multilevel Cascade PWM Converter. IEEE Trans. Power Electron. 2012, 27, 1099–1107. [Google Scholar] [CrossRef]
  45. Hill, C.A.; Such, M.C.; Chen, D.; Gonzalez, J.; Grady, W.M. Battery Energy Storage for Enabling Integration of Distributed Solar Power Generation. IEEE Trans. Smart Grid 2012, 3, 850–857. [Google Scholar] [CrossRef]
  46. Ramya, S.; Napolean, A.; Manoharan, T. A novel converter topology for stand-alone hybrid PV/Wind/battery power system using Matlab/Simulink. In Proceedings of the 2013 International Conference on Power, Energy and Control (ICPEC), Dindigul, India, 6–8 February 2013; pp. 17–22. [Google Scholar] [CrossRef]
  47. Ceylan, M.; Balikci, A. An Intermodular Active Balancing Topology for Efficient Operation of High Voltage Battery Packs in Li-Ion Based Energy Storage Systems: Switched (Flying) DC/DC Converter. Energies 2023, 16, 5608. [Google Scholar] [CrossRef]
  48. Peng, D.; Yan, M.; Yang, C.; Fan, Z.; Hong, C. Equalization of series connected Lithium-ion battery based on state of charge in Electric Vehicle. In Proceedings of the 2018 13th World Congress on Intelligent Control and Automation (WCICA), Changsha, China, 4–8 July 2018; pp. 310–315. [Google Scholar] [CrossRef]
  49. Moghaddam, A.F.; Van Den Bossche, A. An Active Cell Equalization Technique for Lithium Ion Batteries Based on Inductor Balancing. In Proceedings of the 2018 9th International Conference on Mechanical and Aerospace Engineering (ICMAE), Budapest, Hungary, 10–13 July 2018; pp. 274–278. [Google Scholar] [CrossRef]
  50. Phung, T.H.; Crebier, J.-C.; Chureau, A.; Collet, A.; Nguyen, V. Optimized structure for next-to-next balancing of series-connected lithium-ion cells. In Proceedings of the 2011 Twenty-Sixth Annual IEEE Applied Power Electronics Conference and Exposition (APEC), Fort Worth, TX, USA, 6–11 March 2011; pp. 1374–1381. [Google Scholar] [CrossRef]
  51. Zhao, B.; Song, Q.; Liu, W.; Sun, Y. Overview of Dual-Active-Bridge Isolated Bidirectional DC–DC Converter for High-Frequency-Link Power-Conversion System. IEEE Trans. Power Electron. 2014, 29, 4091–4106. [Google Scholar] [CrossRef]
  52. Hua, B.; Mi, C. Eliminate Reactive Power and Increase System Efficiency of Isolated Bidirectional Dual-Active-Bridge DC–DC Converters Using Novel Dual-Phase-Shift Control. IEEE Trans. Power Electron. 2008, 23, 2905–2914. [Google Scholar]
  53. Karanki, S.B.; Xu, D. NPC based dual active bridge topology for integrating battery energy storage to utility gird. In Proceedings of the 2014 IEEE 27th Canadian Conference on Electrical and Computer Engineering (CCECE), Toronto, ON, Canada, 4–7 May 2014; pp. 1–6. [Google Scholar] [CrossRef]
  54. Pascual, C.; Krein, P.T. Switched capacitor system for automatic series battery equalization. In Proceedings of the APEC 97—Applied Power Electronics Conference, Atlanta, GA, USA, 27–27 February 1997; Volume 2, pp. 848–854. [Google Scholar]
  55. Ye, Y.; Cheng, K.; Fong, Y.; Xue, X.; Lin, J. Topology, Modeling, and Design of Switched-Capacitor-Based Cell Balancing Systems and Their Balancing Exploration. IEEE Trans. Power Electron. 2017, 32, 4444–4454. [Google Scholar] [CrossRef]
  56. Lu, X.; Qian, W.; Peng, F. Modularized buck-boost + Cuk converter for high voltage series connected battery cells. In Proceedings of the 2012 Twenty-Seventh Annual IEEE Applied Power Electronics Conference and Exposition (APEC), Orlando, FL, USA, 5–9 February 2012; pp. 2272–2278. [Google Scholar]
  57. Gevorkov, L.; Domínguez-García, J.L.; Romero, L.T.; Martínez, À.F. Modern MultiPort Converter Technologies: A Systematic Review. Appl. Sci. 2023, 13, 2579. [Google Scholar] [CrossRef]
  58. Ding, X.; Zhang, D. A Novel Active Equalization Topology for Series-Connected Lithium-ion Battery Packs. In Proceedings of the 2018 IEEE Energy Conversion Congress and Exposition (ECCE), Portland, OR, USA, 23–27 September 2018; pp. 2753–2758. [Google Scholar] [CrossRef]
  59. Shin, J.W.; Seo, G.S.; Chun, C.Y.; Cho, B.H. Selective flyback balancing circuit with improved balancing speed for series connected Lithium-ion batteries. In Proceedings of the 2010 International Power Electronics Conference—ECCE ASIA, Sapporo, Japan, 21–24 June 2010; pp. 1180–1184. [Google Scholar] [CrossRef]
  60. Fukui, R.; Koizumi, H. Double-tiered switched capacitor battery charge equalizer with chain structure. In Proceedings of the IECON 2013—39th Annual Conference of the IEEE Industrial Electronics Society, Vienna, Austria, 10–13 November 2013; pp. 6715–6720. [Google Scholar] [CrossRef]
  61. Uno, M.; Yoshino, K.; Hasegawa, K. Direct Cell-to-Cell Voltage Equalizer Using Capacitively-Isolated Parallel-Resonant Converter for Series-Connected Energy Storage Cells. In Proceedings of the 2018 IEEE 18th International Power Electronics and Motion Control Conference (PEMC), Budapest, Hungary, 26–30 August 2018; pp. 94–100. [Google Scholar] [CrossRef]
  62. Bui, T.M.; Kim, C.-H.; Kim, K.-H.; Rhee, S.B. A Modular Cell Balancer Based on Multi-Winding Transformer and Switched-Capacitor Circuits for a Series-Connected Battery String in Electric Vehicles. Appl. Sci. 2018, 8, 1278. [Google Scholar] [CrossRef]
  63. Nkrumah, P.N.; Echevarria, G.; Erskine, P.D.; Ent, A. Farming for battery metals. Sci. Total Environ. 2022, 827, 154092. [Google Scholar] [CrossRef] [PubMed]
  64. Liu, W.; Placke, T.; Chau, K.T. Overview of batteries and battery management for electric vehicles. Energy Rep. 2022, 8, 4058–4084. [Google Scholar] [CrossRef]
  65. Yunzheng, Z.; Shaofei, Q.; Huang, A.C.; Jianhong, X. Smart Vehicle Control Unit—An integrated BMS and VCU System. IFAC-PapersOnLine 2018, 51, 676–679. [Google Scholar] [CrossRef]
  66. Qin, H.; Fan, X.; Fan, Y.; Wang, R.; Shang, Q.; Zhang, D. A Computationally Efficient Approach for the State-of-Health Estimation of Lithium-Ion Batteries. Energies 2023, 16, 5414. [Google Scholar] [CrossRef]
  67. Yang, K.; Zhang, L.; Zhang, Z.; Yu, H.; Wang, W.; Ouyang, M.; Zhang, C.; Sun, Q.; Yan, X.; Yang, S.; et al. Battery State of Health Estimate Strategies: From Data Analysis to End-Cloud Collaborative Framework. Batteries 2023, 9, 351. [Google Scholar] [CrossRef]
  68. Bustos, R.; Gadsden, S.A.; Al-Shabi, M.; Mahmud, S. Lithium-Ion Battery Health Estimation Using an Adaptive Dual Interacting Model Algorithm for Electric Vehicles. Appl. Sci. 2023, 13, 1132. [Google Scholar] [CrossRef]
  69. Huang, S.-C.; Tseng, K.-H.; Liang, J.-W.; Chang, C.-L.; Pecht, M.G. An Online SOC and SOH Estimation Model for Lithium-Ion Batteries. Energies 2017, 10, 512. [Google Scholar] [CrossRef]
  70. Rallo, H.; Casals, L.C.; De La Torre, D.; Reinhardt, R.; Marchante, C.; Amante, B. Lithium-ion battery 2nd life used as a stationary energy storage system: Ageing and economic analysis in two real cases. J. Clean. Prod. 2020, 272, 122584. [Google Scholar] [CrossRef]
  71. See, K.W.; Wang, G.; Zhang, Y. Critical review and functional safety of a battery management system for large-scale lithium-ion battery pack technologies. Int. J. Coal Sci. Technol. 2022, 9, 36. [Google Scholar] [CrossRef]
  72. Anisha; Kumar, A. Identification and Mitigation of Shortcomings in Direct and Indirect Liquid Cooling-Based Battery Thermal Management System. Energies 2023, 16, 3857. [Google Scholar] [CrossRef]
  73. Wang, Y.; Tian, J.; Sun, Z.; Wang, L.; Xu, R.; Li, M.; Chen, Z. A comprehensive review of battery modeling and state estimation approaches for advanced battery management systems. Renew. Sustain. Energy Rev. 2020, 131, 110015. [Google Scholar] [CrossRef]
  74. Rivera-Barrera, J.P.; Muñoz-Galeano, N.; Sarmiento-Maldonado, H.O. SoC Estimation for Lithium-ion Batteries: Review and Future Challenges. Electronics 2017, 6, 102. [Google Scholar] [CrossRef]
  75. Lipu, M.S.H.; Hannan, M.A.; Hussain, A.; Ayob, A.; Saad, M.H.M.; Karim, T.F.; How, D.N.T. Data-driven state of charge estimation of lithium-ion batteries: Algorithms, implementation factors, limitations and future trends. J. Clean. Prod. 2020, 277, 124110. [Google Scholar] [CrossRef]
  76. Zhang, C.; Allafi, W.; Dinh, Q.; Ascencio, P.; Marco, J. Online estimation of battery equivalent circuit model parameters and state of charge using decoupled least squares technique. Energy 2018, 142, 678–688. [Google Scholar] [CrossRef]
  77. Lin, M.; Yan, C.; Wang, W.; Dong, G.; Meng, J.; Wu, J. A data-driven approach for estimating state-of-health of lithium-ion batteries considering internal resistance. Energy 2023, 277, 127675. [Google Scholar] [CrossRef]
  78. Li, W.; Rentemeister, M.; Badeda, J.; Jöst, D.; Schulte, D.; Sauer, D.U. Digital twin for battery systems: Cloud battery management system with online state-of-charge and state-of-health estimation. J. Energy Storage 2020, 30, 101557. [Google Scholar] [CrossRef]
  79. O’Kane, S.E.J.; Ai, W.; Madabattula, G.; Alvarez, D.A.; Timms, R.; Sulzer, V.; Sophie, J.; Wu, B.; Gregory, J.; Marinescu, M. Lithium-ion battery degradation: How to model it. Phys. Chem. Chem. Phys. 2022, 24, 7909–7922. [Google Scholar] [CrossRef] [PubMed]
  80. Shi, D.; Zhao, J.; Eze, C.; Wang, Z.; Wang, J.; Lian, Y.; Burke, A.F. Cloud-Based Artificial Intelligence Framework for Battery Management System. Energies 2023, 16, 4403. [Google Scholar] [CrossRef]
  81. Ghalkhani, M.; Habibi, S. Review of the Li-Ion Battery, Thermal Management, and AI-Based Battery Management System for EV Application. Energies 2023, 16, 185. [Google Scholar] [CrossRef]
Figure 1. General battery chemistries for BESSs.
Figure 1. General battery chemistries for BESSs.
Energies 16 06344 g001
Figure 2. LIB chemistries’ graphic qualitative comparison.
Figure 2. LIB chemistries’ graphic qualitative comparison.
Energies 16 06344 g002
Figure 3. Ni chemistries’ graphic qualitative comparison.
Figure 3. Ni chemistries’ graphic qualitative comparison.
Energies 16 06344 g003
Figure 4. General ECM.
Figure 4. General ECM.
Energies 16 06344 g004
Figure 5. Typical application of PECs in BESS configuration.
Figure 5. Typical application of PECs in BESS configuration.
Energies 16 06344 g005
Figure 6. Typical FBDAB configuration.
Figure 6. Typical FBDAB configuration.
Energies 16 06344 g006
Figure 7. Common types of cell balancing.
Figure 7. Common types of cell balancing.
Energies 16 06344 g007
Figure 8. Cell equalization circuit based on switched capacitors.
Figure 8. Cell equalization circuit based on switched capacitors.
Energies 16 06344 g008
Figure 9. BMS-DT ecosystem concept.
Figure 9. BMS-DT ecosystem concept.
Energies 16 06344 g009
Table 1. Application of different cell equalization topologies for BESSs.
Table 1. Application of different cell equalization topologies for BESSs.
Balancing TypeMain Results
Inductor basedFor series-connected lithium-ion batteries, an innovative non-dissipative two-stage equalization circuit architecture based on the classic buck–boost circuit is developed.[58]
Inductor basedA flyback-based cell-balancing circuit for a string of lithium-ion batteries is suggested.[59]
Capacitor basedAn innovative switched capacitor equalizer that combines the benefits of double-tiered switched capacitors and switched capacitors with chain structures is proposed. [60]
Transformer basedThe dual transformer-based asymmetrical triple port active bridge (DT-operating ATAB) multiport converter with a closed-loop controller is offered. [61]
Transformer basedThe modular balancer-based balancing topology, consisting of an outer-module balancer based on a switched capacitor converter and an intra-module balancer based on a multi-winding transformer circuit is proposed. [62]
Disclaimer/Publisher’s Note: The statements, opinions and data contained in all publications are solely those of the individual author(s) and contributor(s) and not of MDPI and/or the editor(s). MDPI and/or the editor(s) disclaim responsibility for any injury to people or property resulting from any ideas, methods, instructions or products referred to in the content.

Share and Cite

MDPI and ACS Style

Rey, S.O.; Romero, J.A.; Romero, L.T.; Martínez, À.F.; Roger, X.S.; Qamar, M.A.; Domínguez-García, J.L.; Gevorkov, L. Powering the Future: A Comprehensive Review of Battery Energy Storage Systems. Energies 2023, 16, 6344. https://doi.org/10.3390/en16176344

AMA Style

Rey SO, Romero JA, Romero LT, Martínez ÀF, Roger XS, Qamar MA, Domínguez-García JL, Gevorkov L. Powering the Future: A Comprehensive Review of Battery Energy Storage Systems. Energies. 2023; 16(17):6344. https://doi.org/10.3390/en16176344

Chicago/Turabian Style

Rey, Sergi Obrador, Juan Alberto Romero, Lluis Trilla Romero, Àlber Filbà Martínez, Xavier Sanchez Roger, Muhammad Attique Qamar, José Luis Domínguez-García, and Levon Gevorkov. 2023. "Powering the Future: A Comprehensive Review of Battery Energy Storage Systems" Energies 16, no. 17: 6344. https://doi.org/10.3390/en16176344

APA Style

Rey, S. O., Romero, J. A., Romero, L. T., Martínez, À. F., Roger, X. S., Qamar, M. A., Domínguez-García, J. L., & Gevorkov, L. (2023). Powering the Future: A Comprehensive Review of Battery Energy Storage Systems. Energies, 16(17), 6344. https://doi.org/10.3390/en16176344

Note that from the first issue of 2016, this journal uses article numbers instead of page numbers. See further details here.

Article Metrics

Back to TopTop