Abstract
To perform a capacitive current switching test (CCT) at AC extra-high-voltage (EHV) and above level, this paper proposes a new multi-transformer synthetic circuit (MTSC) test method that replaces the general synthetic test method using capacitor banks. An MTSC method has a simpler circuit structure compared to other synthetic testing methods and has higher equivalence (especially recovery voltage and TRV) and validity. Using this method, CCTs for circuit breakers (CBs) of the AC 420 kV voltage class were performed as a field test using the IEC 62271-100 standard. To verify that the test method was valid, test results were analyzed and compared with the requirements of a standard. Consequently, the MTSC method completely covered the requirements of the standard.
1. Introduction
In order to evaluate the dielectric strength of circuit breakers (CBs) and switches against direct current (DC) and alternating current (AC) voltage after clearing capacitive currents, the capacitive current switching test (CCT) is a crucial test technique. In power transmission systems, capacitances between the transmission lines, cables, transformers, capacitor banks, filter equipment, and other equipment generate capacitive currents [,]. The basic goal of CCT is to guarantee that a CB or switch can effectively interrupt capacitive currents under a variety of operating conditions and avoid the transient recovery voltage (TRV). The TRV is the voltage that immediately follows a current interruption across the contacts of a CB. The TRV must be handled properly by CBs and switches in order to prevent a reignition or restrike of the electric arc, which might harm the equipment and jeopardize the stability of the power supply [,].
International standards that specify the test methods, parameters, and acceptance criteria, such as those from the International Electrotechnical Commission (IEC) [,,,] and the Institute of Electrical and Electronics Engineers (IEEE) standards [], are commonly followed while doing CCT. The CB or switch is put through a series of voltages and circumstances to see if it can retain dielectric strength between its contacts and the ground while clearing capacitive currents. The TRV must be handled properly by CBs and switches in order to prevent a reignition or restrike of the electric arc, which might harm the equipment and jeopardize the stability of the power supply [,]. International standards that specify the test methods, parameters, and acceptance standards, such as those from the International Electrotechnical Commission (IEC) [,,,] and the Institute of Electrical and Electronics Engineers (IEEE) standards [], are commonly followed while doing CCT. The circuit breaker or switch is put through a series of voltages and circumstances to see if it can retain the dielectric strength between its contacts and the ground while clearing capacitive currents. CCT can be carried out using a variety of techniques, including direct testing and synthetic testing strategies. Using the direct testing approach for CCT, the entire AC and DC transient recovery voltage (TRV) and the required capacitive current are accurately created for performance evaluation using a single power source. Contrarily, the traditional synthetic testing method makes use of one or more sources to independently produce current and voltage [].
The direct testing method used by CCT is remarkably comparable to reality since it conducts tests and accurately simulates the actual power system. In other words, a number of phenomena that take place during performance evaluation, such as arc energy, arc extinction, internal ground fault, breaking phenomena, reignitions, voltage breakdown (restrike or NSDD), and others are essentially identical to those that take place in the actual power system []. Since a generator or power system is the only energy source used in the direct testing of CCT, the following equipment specifications must be satisfied in order to replicate the performance assessment of a CB.
- (a)
- Voltage output above test voltage;
- (b)
- Load Capacitors above test voltage;
- (c)
- Protective equipment with insulation performance above test voltage;
- (d)
- Output of short-circuit current a factor of 20-50 times or more of the test current at test voltage to meet the voltage variation rate required by the standard [,].
According to the equipment specifications, the capacity of the energy source and load should grow proportionately with the test voltage as it approaches the rated test level in order to accomplish CCT through direct testing. For CBs over EHV, the direct test approach for CCT necessitates higher power sources and more sophisticated testing procedures []. Direct testing procedures for CCT at or above the UHV threshold become difficult as a result. A further complicating issue is the facility’s need for considerable budgetary and physical space in order to be expanded in order to secure a larger power source. It has become more crucial to develop test technologies to increase the capacity of current facilities in order to perform beyond these constraints. When direct testing is impractical due to capacity or equipment limitations in the test facility, synthetic testing methods are commonly chosen as the only option [,,].
In general, capacitor banks are used to charge DC energy in synthetic testing procedures for CCT. Figure 1 shows the CCT circuit diagram and test results of the typical synthetic test method using capacitor banks. This approach uses a generator as the current source and capacitor banks as the voltage source [,,]. The generator delivers the appropriate testing current, and the charged capacitor bank generates the necessary TRV and recovery voltage. These are prerequisites for the test. The load capacitors’ (CL) values do not need to be altered in order to use this strategy. Only the 50 Hz or 60 Hz frequency affects the capacitor bank’s characteristics and values; the test voltage has no effect on them. It is simple to adapt to CCT at or above the UHV level since the test voltage may be changed according to the voltage value charged to the capacitor banks. Additionally, compared to expanding the generator’s capacity, the charging apparatus connected with the capacitor bank is far less expensive and has a simpler design.

Figure 1.
Typical synthetic testing for CCT for dead-tank CBs in the unearthed condition: (a) test circuit using capacitor banks, (b) test results.
The voltage source’s current is overlaid at the start of the final loop of the current interruption. The superimposed current is subsequently stopped by the CB, and the voltage source produces the recovery voltage. This method enables a constant test current and voltage to flow. Moreover, this is one of the factors that makes synthetic testing approaches useful for assessing performance []. This common synthetic testing technique may thus mimic the same local circumstances that the CB would encounter during a real failure. However, compared to direct testing, this technique has certain drawbacks, including the voltage’s form (1-cosine), attenuation of the recovery voltage, careful control of the trigger spark gap for current superimposition, and lack of equivalence to real system flaws [,]. Furthermore, if the voltage attenuation is less than the required value (10% at 0.3 s after current clearing), an additional recovery voltage test without attenuation should be performed []. As a result, it is less successful than direct testing at simulating actual system faults.
There are other CCT-related concerns that need to be taken into account in addition to the difficulties already discussed. In order to verify the dielectric strength of the inner parts to the ground surface of the CB, the recovery voltage for single-phase CCT shall be distributed more than 0.54% (1.5 p.u. of the total 2.8 p.u.) during the testing of metal-enclosed and dead-tank CBs installed in the three-phase ungrounded system (non-effectively earthed neutral system), per the most recent IEC standard [,]. The recovery voltage distribution criterion for ungrounded circumstances was established at 1.4 p.u. in prior standards. This number represents the three-phase ungrounded system’s first-pole-to-clear factor.
The recovery voltage of the first-pole-to-clear during the interruption of capacitor loads is shown in Figure 2. The first pole voltage of a three-phase CCT for an unground system has a voltage slope of 1.5 p.u. up to 90 degrees (the green and red line in Figure 2), but inclines after 90 degrees, reaching a maximum value of 2.5 p.u. at 180 degrees. Figure 2 shows a red line. The last pole’s currents attain a balanced condition with a phase difference of 180 degrees after the first-pole-to-clear at 0 degrees, continuing until it reaches a current of zero at 90 degrees. In other words, the arc window between the first and last poles is set to 90 degrees. The ungrounded capacitive load’s neutral voltage is now moved by 0.5 p.u., or half of the voltages in the last poles. As a result, 1.5 p.u. is the voltage of the first pole to clear at 90 degrees. After that, it continues to rise between 90 and 180 degrees while receiving a supply voltage of 1 p.u., resulting in a total voltage of 2.5 p.u.

Figure 2.
Recovery voltage of the first-pole-to-clear at interruption of capacitor loads.
The voltage gradient (the blue line in Figure 2) in single-phase CCT testing is lower than 1.5 p.u. before roughly 90 degrees, which makes it challenging to accurately assess the insulation performance. In order to assure equivalence with the first-pole-to-clear during, a three-phase test with 1.5 p.u. of voltage must be distributed to the CBs having a metal-enclosed grounded outside.
A dead-tank CB’s test results and a simplified illustration of a typical CCT direct test circuit are shown in Figure 3. As shown, when a 1.4 p.u. power supply is used in an ungrounding system, the load capacitor charges to the 1.4 p.u. supply voltage. After the interruption, 2.8 p.u. of voltage, which is double the previous amount of 1.4 p.u., is applied across the CB’s poles. However, it is not possible to achieve the requisite 1.5 p.u. insulation strength between the supply side contact and the grounded outer casing of the breaker using a traditional direct test approach, as seen in Figure 3 []. Additional special circuits may be used to overcome this problem, but due to facility capacity restrictions, ultra-high-voltage (UHV) CCT may find this challenging as well. As a result, despite their numerous shortcomings, synthetic test methods are employed for performance evaluation. This emphasizes the requirement for novel circuits and improved test methodologies that can perform beyond the drawbacks of the present synthetic test approaches.

Figure 3.
Typical direct testing for CCT of dead-tank CBs in the unearthed condition: (a) simplified test circuit, (b) test results.
The goal of this research is to create a new CCT testing method that can fix the issues with the direct and synthetic test methods currently in use. Based on these viewpoints, this paper proposes a novel synthetic testing method and approach for performing CCT on EHV and higher CBs that use a multi-transformer configuration and have high equivalency to direct testing. The circuit will be introduced, the testing concepts discussed, the findings’ equivalency assessed, and different phenomena observed during testing in the sections that follow.
There are five sections in this paper. The second section, which comes after the introduction, provides more details on the MTSC technique suggested, including circuit configuration, operating principles, operation sequences, and the control scheme of the initial transient recovery voltage. CCT field testing utilizing the MTSC technique is covered in Section 3. At the Korea Electrotechnology High Power Laboratory Research Institute (KERI), the CCT of a 420 kV dead-tank CB was carried out as a field test utilizing the suggested multi-transformer synthetic circuit (MTSC) test technique. Based on the various outcomes of the field test, Section 4 discusses the validity and equivalence of the test. Additionally, it discusses the analysis of voltage waveform comparisons, restrike, and NSDD occurrences. By comparing the findings to the IEC standard’s criteria, the results’ validity was confirmed and analyzed [,,,]. The excellent characteristics of the MTSC approach are summarized in Section 5. The recovery voltage distribution, voltage attenuation, voltage shape, and gap-triggering control issues that plague the aforementioned test techniques can be significantly remedied by the MTSC approach. In comparison to other synthesis test techniques, it is confirmed that it has a simple circuit configuration, simple control, and test results that, at the direct test’s level, are remarkably close to those of the real system. It is possible to execute circuit breaker CCT above UHV if the transformers have enough capacity.
2. MTSC Test Method
2.1. Test Circuit and Method
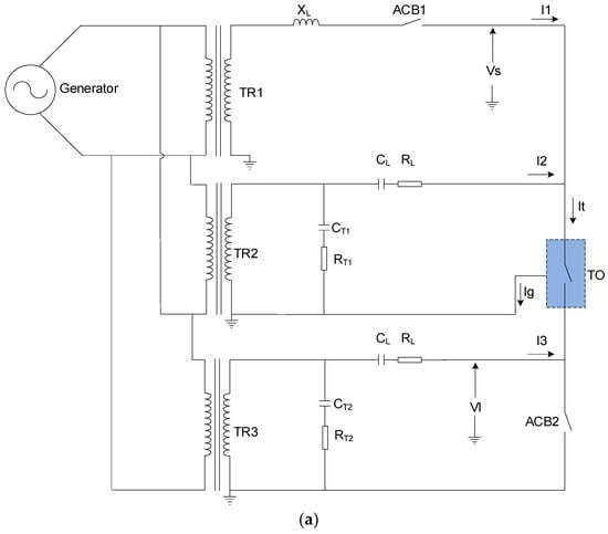
The MTSC diagram is shown in Figure 4. A power supply generator, two auxiliary circuit breakers (ACB1 and ACB2), a current source transformer (TR1), two voltage source transformers (TR2 and TR3) with opposing polarities, resistors, reactors, and capacitors are all components of the MTSC.


Figure 4.
MTSC method for CCT: (a) circuit diagram, (b) test results.
A voltage source, a current source, and a power supply source are all separated in a basic synthetic test. The MTSC test technique, on the other hand, uses a generator to provide power. Different pathways obtain both current and voltage sources from the generator. Because of this, MTSC almost resembles a direct test technique even though it is a synthetic test method.
Figure 5 shows a simplified schematic of the MTSC test method. As the test current (It) overlaps with the currents flowing from TR1 and TR2 (I1 and I2, respectively), the test current is adjusted by controlling the XL value on the power supply side and the loads CL and RL of the TR2 terminal. I2 is significantly smaller than I1, so it does not greatly influence the magnitude of the test current. In other words, the XL value plays a dominant role in adjusting the test current.
It = I1 + I2

Figure 5.
Simplified schematic of MTSC test method: (a) during current conduction, (b) after current interruption.
The polarity of the current is inverted because I1 is an inductive current because of the inductive load, and I2 is a capacitive current because of the capacitive load. In this situation, it is challenging to precisely assess insulation performance because the polarities of the last loop of the test current and the post-arc transient recovery voltage (TRV) become identical. The input power of TR2 is set up in the opposite direction from that of TR1 in order to overcome this problem and guarantee the same polarity of I1 and I2.
It is possible to use a capacitor in place of XL in which case TR2’s input polarity does not need to be reversed. Since TR1 is a part of the source of current, it cannot be required as long as it can produce the precise test current. The current during arc extinction, however, may significantly fall if the current source’s output voltage is too low, which can hinder an exact reproduction of the test circumstances []. In addition, it is important to think about equipment protection while connecting directly to a generator in case the auxiliary breaker fails. Due to the installation of the three CBs—a testing CB and two ACBs—the impact of the arc during simultaneous current interruption is substantial []. As a result, it is important to increase the current source’s test voltage as much as feasible.
Figure 5a shows that when the test object (TO) breaks the test current (It), ACB1 breaks the I1 current and ACB2 simultaneously breaks the I3 and It current. The three CBs must all concurrently experience the same current interruption point in order to obtain reliable findings. As a result, the current’s power factor is crucial. The three currents I1, I2, and I3 should have electrical angles that are near 90 degrees or −90 degrees, which indicates that either inductance or capacitance should predominate in the circuit.
Recovery voltages with mixed DC and AC voltages are delivered between the contacts of the TO after all currents have broken. The voltage has opposing polarity (Figure 5b). There is no decline in the recovery voltage since TR1 and TR2 obtain a constant supply of energy from the generator. This is a blatant distinction between the MTSC test technique and the synthetic test approach employing capacitor banks. There is a resemblance, though, in that the test current and the currents I2 and I3 overlap.
The capacitor’s voltage at the moment of current breaking has a DC voltage equal to the peak AC voltage because the voltage and current in the capacitive current circuit diverge by a 90 degree angle. Additionally, recovery voltages with mixed AC and DC voltages are produced since the AC voltage is continually provided. Just as in direct testing, the MTSC test technique faithfully replicates these qualities. When metal-enclosed and dead-tank CBs are installed in an ungrounded system using a single-phase CCT, the recovery voltage peak value is 2.8 p.u., and more than 1.5 p.u. of voltage (more than 0.54% of the total) must be distributed to one side to test the CB’s ability to insulate its grounded surface from its inner insulating materials [,].
The MTSC test method makes it simple to implement the voltage distribution requirements of the CCT stipulated by the standard because the values of recovery voltage on the supply side (Vs) and recovery voltage on the load side (Vl) can be independently controlled by altering the secondary voltage taps of the voltage source transformers. This is one of the MTSC’s test techniques for the CCTs’ key benefits.
Capacitors, the primary elements of CCT, are located on the load side of the test object in the case of direct testing, as depicted in Figure 3. In contrast, capacitors are present in MTSC on both the supply side and the load side. A capacitor value need not be modified even if the rated voltage is changed because the circuit’s capacitors are solely employed to generate recovery voltage waveforms. This is a significant benefit.
2.2. Control Scheme of Initial Transient Recovery Voltage
The anticipated initial transient recovery voltage (iTRV) of the supply circuit must not be more severe than the iTRV indicated for T100s test duties of terminal fault tests [] for line-charging, cable-charging, and single capacitor bank current switching tests. In addition, the actual iTRV peak value (u′1) shall be lower than the prospective iTRV peak value (u1) and the actual time value (t′1) shall be longer than the prospective time value (t1) if the voltage variation (duty 2: within 5%, duty 1: within 2%) does not meet the requirements.
The transient recovery voltage of CCT is shown in Figure 6. As seen in the image, iTRV denotes the beginning of the TRV waveform, and both TRV and iTRV must adhere to the standard’s reference requirements.

Figure 6.
Transient recovery voltage of CCT.
The breaking point of current may shift to the current zero point of the following loop if the real iTRV values are more severe than the required values due to a reignition occurrence. If this occurs, the minimum arcing duration cannot be validated. Therefore, it is impossible to precisely check the insulating performance of the CB since the breaking test with the shortest arcing time cannot be carried out [,].
Because the current is turned off when the distance between the contacts is at its smallest during the breaking test with the shortest arcing duration, the likelihood of a restrike phenomenon is highest. This indicates that the insulation’s capacity is currently at its lowest point, making even the smallest perturbations susceptible to a restrike. To avoid any damage or failure, it is crucial to make sure the CB is built and tested to survive these circumstances and function as intended.
The voltage fluctuation criteria provided by the standard cannot be satisfied by the MTSC test method since it is a synthetic test []. iTRV must thus be governed. The components RT1, RT2, CT1, and CT2 are used to control iTRV, and their values may be calculated using the voltage’s resonant frequency and the surge impedance of the I1 and I2 current circuits [].
One has to be aware of the values of each RLC component in the circuit in order to appropriately compute the needed component values. It might be challenging to pinpoint the precise quantities of unintentional resistance, inductance, and capacitance components in a circuit in practice. These values can only be discovered by reverse engineering, which is equally challenging to perform accurately. As a result, calibration is conducted throughout the actual testing process to obtain a rough idea of the component values that are needed. The iTRV can be regulated to meet the standard criteria by calibrating the values of RT1, RT2, CT1, and CT2 [].
3. Field Test
The MTSC test technique for field testing CCTs must be used with a rating of 420 kV and adhere to the specifications listed in Table 1. The standard [] specifies the test current as having a recommended value of 100% of a given value for duty 2 and between 10% and 40% of a given value for duty 1.

Table 1.
CCT requirements of 420 kV, 50 Hz and kc = 1.4 ratings.
A single-phase CB has a capacitive voltage factor (kc) of 1.4 p.u. in an unground system (Figure 2). The test voltage and peak value (uc) of the TRV are currently computed as follows:
Employing the high-power testing facilities of KERI, the CCTs employing the MTSC technique in compliance with the IEC 62271-100 standard were put through a field test. A single-phase and single-pole SF6 gas-insulated dead-tank CB with ratings of 420 kV, 63 kA, 50 Hz and a 17 ms opening time served as the test item.
The test setup for duty 2 field testing for a 420 kV, 50 Hz CCT in an unground system is shown in Figure 7. The power source for the test was a 4000 MV output short-circuit generator, with an output voltage of 11.8 kV selected to account for the test environment. The major side input tap voltage for all three of the installed transformers was 18 kV. For TR1, TR2, and TR3, the secondary side tap voltages were adjusted at 48 kV, 280 kV, and 240 kV, respectively.

Figure 7.
Test configuration for field testing of duty 2 for a 420 kV, 50 Hz CCT.
The measurement equipment was placed where it was indicated on the circuit diagram. Currents were measured using Rogowski coils for I1, I2, I3, and It, and a current transformer for Ig. Voltages were measured using voltage dividers that could measure up to 2 MV. If the conductor’s insulation was compromised during the test, current would flow via the grounding circuit attached to the metal enclosure, causing a ground fault current (Ig) to be detected by a current transformer. When opposed to a direct installation in the circuit, the use of a Rogowski coil provides greater placement freedom, which can be advantageous for insulation performance even when put in locations with voltage. A data acquisition system (DAS) was used to sample these measuring devices at 1-s intervals.
The TR1 secondary output voltage was used to determine the XL for current control. The iTRV control CT and RT values were chosen, taking into account the circuit’s inherent stray capacitance and surge impedance. The RT1 and RT2 values were not required in this test since just the modification of the CT1 and CT2 values was required to meet the standards.
CBs with a rated voltage of 420 kV 80 kA with four breakers were used as an ACB. The three ACBs are products with the same performance and are set so that the operating time is almost constant (20 ms). The test will be invalidated if any of the ACBs fail to stop the current, thus they need to have enough insulating margin to prevent failure. Because the voltage was shared throughout this test and the auxiliary circuit breaker had roughly half the voltage margin, it was deemed adequate.
The steps involved in CCT testing using MTSC are straightforward:
- (a)
- Test current supply: All circuit breakers must be in the closed position and supplied with current from the generator.
- (b)
- ACBs and TO simultaneously break: The CBs stop the currents at a shared breaking point with a predetermined arcing period. The ACBs are set to the shortest arcing time, while the TO is set to the minimum arcing time defined in the standard [].
- (c)
- Application of test voltage: The test voltage is then applied following the interruption of the currents at the same location.
The test results of the CCT of CBs rated at 420 kV, 50 Hz, and kc = 1.4 are displayed in Table 2 and Figure 8. In general, 24 to 120 tests with various arcing periods must be completed for duty 2 of the CCT []. Other testing showed that the figures in Table 2 indicate the shortest arcing time (0.3 ms). Since the arc voltage has the least impact when the arcing period is the shortest, the values obtained may be regarded as the test’s potential results [,,]. The validity of the test is then determined by comparing these anticipated values to the requirements of the standard.

Table 2.
Test results of CCT (test duty 2).

Figure 8.
Test results of CCT (test duty 2).
It can be shown that all of the requirements of the standard have been met by contrasting the values from Table 1, which are the necessary values by the standard, with the measured values of the test results from Table 2. This shows that the test is still valid, even with a typical interruption.
Analysis of aberrant breaking phenomena, such as restrike or NSDD events, is necessary to assess the efficacy of the MTSC test procedure because the NSDD and restrike phenomena are important phenomena that can have a big effect on how well circuit breakers work. In order to assess the CB’s performance during testing, it is crucial to precisely recreate these occurrences.
4. Analysis of Test Results
4.1. Recovery Voltage
As seen by the test findings in Table 2 and Figure 8, Vs and Vl had voltage distributions of 1.52 and 1.28 p.u., respectively. Vs is delivered at a voltage value of 1.5 p.u. or higher, which satisfies the standard’s [] criteria for recovery voltage distribution. After the current is broken, recovery voltages are delivered between the contacts of the CB in the form of a DC and AC combination. There is no attenuation since the polarities of the voltages are opposite. The attenuation of the recovery voltage measured at 0.3 s from the arc extinguishing point is permitted to be 10% in the standard []. These conditions for the recovery voltage can be completely addressed using the MTSC test procedure.
There is a discrepancy in the recovery voltage’s shape between the direct testing results in Figure 3 and the MTSC test findings in Figure 8. While the recovery voltage in the MTSC test findings is in a form where AC and DC are merged, Vs and Vl in direct testing are in a form where AC and DC are separated. The test voltage (Vt) between the CB’s poles, however, is the same for both approaches. Whether the capacitive load is on the power side or the load side of the CB, the placement of the load is what causes the change in voltage form. Despite this distinction, all techniques satisfy the standard’s [] criteria for recovery voltage distribution and attenuation.
4.2. Initial Transient Recovery Voltage and Transient Recovery Voltage
When a CB has a minimal arcing duration, or when the current distortion is the least owing to the impact of the arc voltage, it should be compared to determine whether the iTRV values fulfill the typical standards [,]. Figure 9 compares the test result values to the iTRV reference values. They comply with the requirements of the standard for iTRV since the measured value’s crest value (u′1) is lower than the reference value and its rising time (t′1) is longer than the reference value.

Figure 9.
Evaluation of iTRV.
Furthermore, the TRV value needs to be compared to the 1-cosine reference curve, which has a maximum permitted value (103% of the peak value) for the required criterion []. Figure 10 replicated the test result value and the 1-cosine reference curve. When compared to the reference value, the actual TRV is contained inside a certain envelope line.

Figure 10.
Evaluation of TRV.
When precise timing control (gap-triggering control) is achievable, TRVs with 1-cosine curves may be achieved for CCTs that employ synthetic capacitor banks [] because the present breaking point is disturbed when it transfers to the following current loop, when reignition takes place, or when current chopping takes place [,]. As a result, the triggering time is variable. The likelihood of inaccurate testing increases with improper gap-triggering control.
The MTSC test technique is similar to direct testing in that it uses a straightforward test sequence and constantly connected current and voltage. Since the overlapping current’s breaking point has a nearly identical phase, the composite test cannot encounter this issue. Furthermore, because a single generator operating at its rated frequency was employed, the frequency of the MTSC test is identical to the power supply’s frequency, and the TRV with a 1-cosine curve is constant.
4.3. Restrike Phenomenon
According to the definition of a restrike, it is “Resumption of current between the contacts of a mechanical switching device during a breaking operation with an interval of zero current of a quarter cycle of power frequency or longer.” [,,]. The goal of the CCT is to determine if the breaker is able to stop the current without resulting in a restrike. The restrike phenomena are a crucial consideration when assessing the dielectric performance [,] of a CB []. In order to be equivalent to a direct test, the MTSC test technique must account for the restrike phenomena. When a restrike happens in a general direct test, the differential voltage between the poles becomes zero, and the injection current flows with the circuit’s inherent frequency [,,].
When a restrike happens in the MTSC scenario, the current travels through the circuit loop between TR2 and TR3 because the ACB divides the I1 current loop (Figure 5b). The intrinsic frequency and amplitude of this circuit loop are therefore included in the reset current.
The waveforms from the test’s several restrikes and NSDD are depicted in Figure 10. Restrike currents with a quick injection frequency relative to the test frequency were observed during the restrike. Figure 11 illustrates how loop currents I1 and I2 flow with equal strength and opposite polarity (I1 = −I2). In addition, the Vt (Vs-Vl difference in voltage between the poles) was zero. Before the restrike phenomena subsided, the restrike current continued to run for half a cycle. The recovery voltage’s DC voltage was inverted since the capacitor’s charging polarity had been switched. As a result, the Vt’s polarity shifted from positive to negative, or vice versa, before and after the occurrence of the restrike. The restrike phenomena is well demonstrated by the polarity switching of Vt and the measurement of the restrike current [,,,].

Figure 11.
Restrike and NSDD phenomena.
4.4. NSDD Phenomenon
NSDD (non-sustained disruptive discharge) is defined as “Disruptive discharge associated with current interruption that does not result in the resumption of power frequency current or, in the case of capacitive current interruption does not result in current in the main load circuit” [,].
The voltage breakdown occurs in the case of the NSDD occurrence, but the voltage is recovered before Vt falls to zero, preventing current conduction between the poles and inversion of the recovery voltage from occurring.
A phenomenon known as NSDD is when an electrical discharge happens but does not result in the current between the contacts starting up again. The polarity does not change and the Vt does not hold to zero in the case of NSDD []. Due to the fact that a restrike and NSDD have different impacts on the performance of the CB, it is crucial to make a distinction between the two.
It is counted as the typical number of tests since it is not regarded as a test failure, in accordance with the interpretation of the standard [].
The restrike and NSDD phenomena simulated in the MTSC are ultimately found to be almost equivalent to those seen in direct testing. This demonstrates that the MTSC test method is an effective way to precisely assess the circuit breaker’s current-breaking capabilities.
5. Conclusions
In this research, the MTSC test method for CCT was compared to the requirements of the standard. The results showed that the MTSC test approach, which is equivalent to the direct test method, had a high degree of equivalency.
In addition, the MTSC test method has an advantage over the direct test method in that, in the case that a CB is installed in an unground system, it can swiftly execute voltage distribution for CCT.
The standard requires that the supply side be changed if the current route through the test item is asymmetric in order to verify the dielectric performance [] of all sections during test duty 1 and duty 2 of CCT. Because most ultra-high-voltage CBs have asymmetric current channels, in the case of the direct test technique, the connections are physically swapped around. In contrast, if only the tap voltages of TR1 and TR2 are changed in the MTSC technique, the voltage distribution ratio is electrically reversed. This is the same as actually altering the connection. It is advantageous that duty 1 and duty 2 do not require a physical connection to change.
Additionally, CCT testing for voltage classes greater than EHV can be carried out if the voltage margin of the voltage source transformer is sufficient. By adjusting just the secondary side tap voltage of the transformers, a CCT test up to the 1100 kV 2-poles CB was carried out through field testing using the same equipment utilized for the 420 kV test. On the other hand, circuit breakers with lesser ratings can also be evaluated for performance using the MTSC test procedure.
The MTSC technique for CCT ensures testing validity in accordance with the standard because it has a simpler circuit topology than the synthetic test method utilizing capacitor banks and higher testing equivalence (particularly for recovery voltage and TRV).
As a result, the MTSC approach suggested in this study seems to be a superb testing method that may properly fulfil the standard criteria for single-phase CCT of metal-enclosed and dead-tank CBs placed in unground systems.
Author Contributions
Writing—original draft, Y.-S.K.; Writing—review & editing, J.-H.C. and R.S.P.; Supervision, M.-W.P.; Project administration, Y.-S.K. All authors have read and agreed to the published version of the manuscript.
Funding
This research was supported by the Korea Electrotechnology Research Institute (KERI) Primary Research Program through the National Research Council of Science & Technology (NST), funded by the Ministry of Science and ICT (MSIT) of the Republic of Korea (No. 23A01086).
Data Availability Statement
Not applicable.
Conflicts of Interest
The authors declare no conflict of interest.
Abbreviations
CCT | Capacitive current switching test |
MTSC | Multi-transformer synthetic circuit |
CB | Circuit breaker |
TRV | Transient recovery voltage |
ACB | Auxiliary circuit breaker |
TO | Test object (circuit breaker for testing) |
Vs, Vl | Source-side voltage and load-side voltage |
I1, I2, I3 | Currents from TR1, TR2 and TR3, respectively |
Iinj | Injection current from the capacitor bank |
Ig | Ground fault current |
TR1, TR2, TR3 | Power transformers |
XL | Current-limited reactor |
Rx | Resistors |
Cx | Capacitors |
LX | Reactor |
uc, u1 | Reference voltage peak values |
t2, t1 | Reference time values |
u′c, u′1 | Actual voltage peak values |
t′2, t′1 | Actual time values |
kc | Capacitive voltage factor |
References
- IEC 62271-100 Ed. 3.0; High-Voltage Switchgear and Controlgear—Part 100: Alternating-Current Circuit-Breakers. International Electrotechnical Commission: Geneva, Switzerland, 2021.
- IEC TR 62271-306 Ed. 1.1; High-Voltage Switchgear and Controlgear—Part 306: Guide to IEC 62271-100, IEC 62271-1 and Other IEC Standards Related to Alternating Current Circuit-Breakers. International Electrotechnical Commission: Geneva, Switzerland, 2018.
- Sölver, C. Capacitor Current Switching-State of the Art. Electra 1994, 155, 33–63. [Google Scholar]
- Kapetanovic, M. High Voltage Circuit Breakers; Faculty of Electrotechnical Engineering: Sarajevo, Bosnia and Herzegovina, 2011; pp. 288–306. [Google Scholar]
- IEC 62271-101 Ed. 3.0; High-Voltage Switchgear and Controlgear—Part 101: Synthetic Testing. International Electrotechnical Commission: Geneva, Switzerland, 2021.
- STL Guide to the Interpretation of IEC 62271-101 Ed. 2.1:2017-11; High-Voltage Switchgear and Controlgear—Part 101: Synthetic Testing. Short-Circuit Testing Liaison (STL). STL Guide: Leicester, England, 2019.
- IEEE Std C37.04-2018; IEEE Standard for Ratings and Requirements for AC High-Voltage Circuit Breakers with Rated Maximum Voltage Above 1000 V. IEEE: Piscataway, NJ, USA, 2019.
- Kim, J.-H.; Ryu, J.-H. Verification of the dielectric withstand between the live part and the enclosure during the transformer capacitive synthetic tests for dead-tank breaker. In Proceedings of the International Conference on Electric Power Equipment-Switching Technology (ICEPE-ST), Busan, Republic of Korea, 25–28 October 2015. [Google Scholar]
- Yao, S.L.; Li, G.; Wang, P.R.; Yan, D.F.; Gao, X.X.; Yao, Y.A. Discussion on the Problem about Capacitive Current Switching of EHV and UHV AC Circuit Breaker. In Proceedings of the International Conference on Electric Power Equipment—Switching Technology (ICEPE-ST), Xi’an, China, 22–25 October 2017. [Google Scholar]
- Daigneault, G.; St-Jean, G.; Landry, M. Comparing Direct and Synthetic Tests for Interruption of Line-Charging Capacitive Current. IEEE Trans. Power Deliv. 2001, 16, 409–414. [Google Scholar] [CrossRef]
- Gu, W.; Tian, R.; Guo, Z.; Feng, D. Study of Shock Wave Development in Cold Flow of Gas Circuit Breaker for Improving Capacitive Current Switching. BH Electr. Eng. 2021, 15, 69–74. [Google Scholar] [CrossRef]
- Peelo, D.F. Current Interruption Transients Calculation; Wiley: Hoboken, NJ, USA, 2014; pp. 8–32. [Google Scholar]
- Goebels, T.; Nikolic, P.G.; Cernat, R.-M.; Weiskerl, J. Investigation of the Switching Behaviour, Voltage Distribution and Post–Arc Current of series-connected Vacuum Interrupter Units for Live Tank and Dead Tank Circuit Breakers ≥ 420 kV. In Proceedings of the 48th Cigre Session, Paris, France, 28 August–2 September 2022. [Google Scholar]
- Hertel, S.; Schmidt, T.; Fischer, M.; Kühne, A.; Will, M.; Engelhardt, H.-J. Dielectric testing of HV vacuum interrupters during capacitive current switching. In Proceedings of the 2015 International Symposium on High Voltage Engineering and Application (ISH), Pilsen, Czech Republic, 23–28 August 2015. [Google Scholar]
- Salceanu, C.-E.; Nicola, M.; Nicola, C.; Ocoleanu, D.C.; Dobrea, C.; Iovan, D. Numerical Simulations and Experimental Tests for the Analysis of Capacitive Load Switching in Power Circuits. In Proceedings of the International Conference and Exposition on Electrical and Power Engineering (EPE), Iasi, Romania, 20–22 October 2022. [Google Scholar]
- Li, G.; Yao, S.L.; Zhang, C.H.; Wang, P.R.; Yan, D.F. Experience of Capacitive Current Switching of EHV and UHV AC Circuit-breaker in Power System and Test. In Proceedings of the 48th Cigre Session, Paris, France, 28 August–2 September 2022. [Google Scholar]
Disclaimer/Publisher’s Note: The statements, opinions and data contained in all publications are solely those of the individual author(s) and contributor(s) and not of MDPI and/or the editor(s). MDPI and/or the editor(s) disclaim responsibility for any injury to people or property resulting from any ideas, methods, instructions or products referred to in the content. |
© 2023 by the authors. Licensee MDPI, Basel, Switzerland. This article is an open access article distributed under the terms and conditions of the Creative Commons Attribution (CC BY) license (https://creativecommons.org/licenses/by/4.0/).