Assessment of the Harmonics Influence on the Power Consumption of an Electric Submersible Pump Installation
Abstract
:1. Introduction
2. Materials and Methods
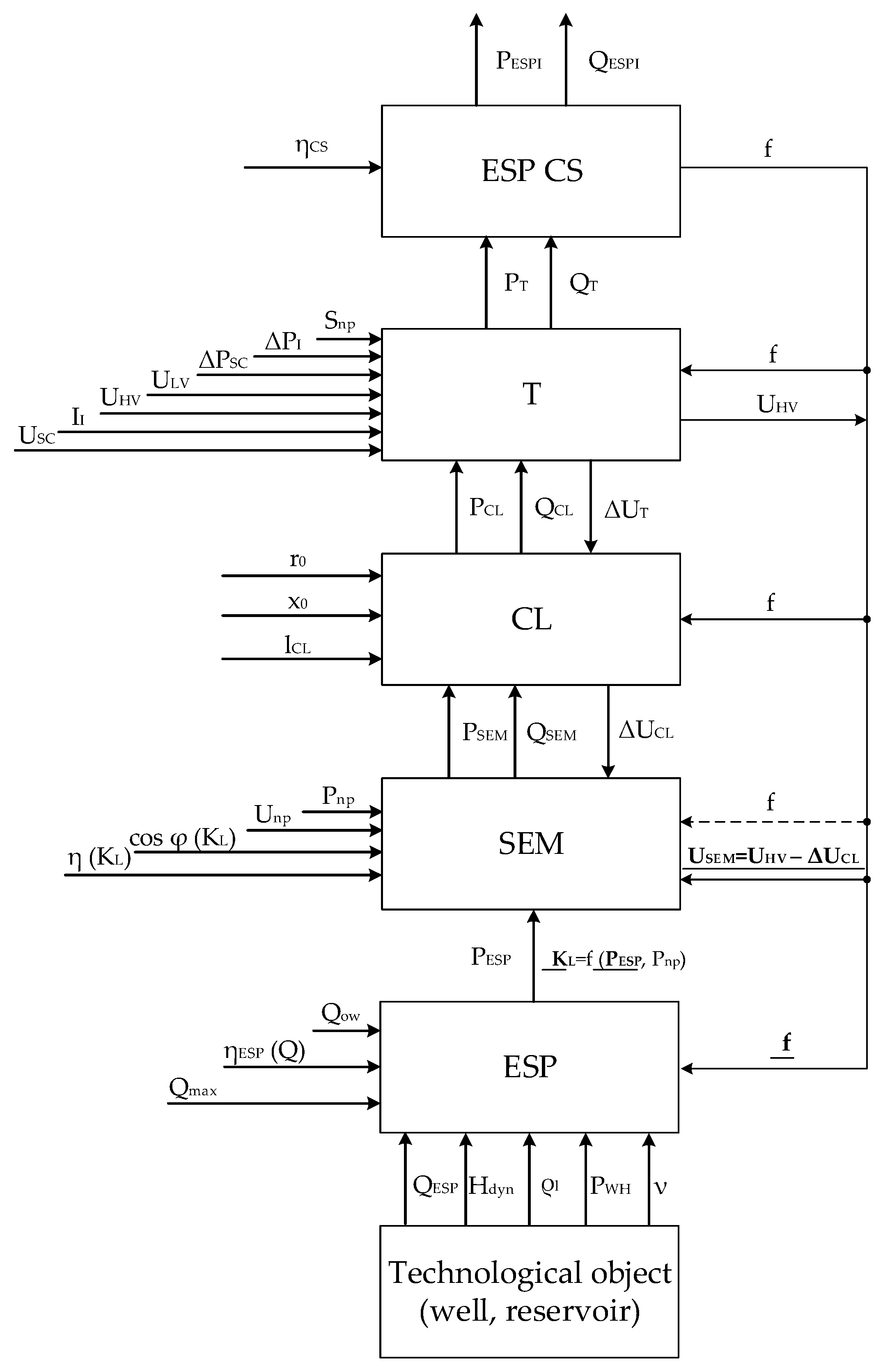
2.1. Research Object
- Load level (ESP, sucker rod pumping unit (SRPU), SL);
- The level of the complete transformer substation;
- Substation level.
- A: oilfield power supply system where no frequency control is performed (electrical subsystem). Controlled parameter—voltage (U (V)); observed parameters: active power (P (W)), reactive power (Q (VAr)), current (I (A));
- B: electromechanical subsystem of load where frequency and voltage regulation are performed. Controlled parameters—voltage (U (V)), frequency (f (Hz)); observed parameters: active power (P (W)), reactive power (Q (VAr)), current (I (A));
- C: hydromechanical subsystem of load, where process parameters are controlled by changing the electromechanical subsystem parameters. Controlled parameters: dynamic level (Hdyn (m)), wellhead pressure (PWH (Pa)), liquid flow rate (Ql (m3/day)). Observed parameters: density of the liquid (ρl (kg/m3)), viscosity of the liquid (ν (m2/s)). The elements that are not part of the ETC are the working mechanism (ESP, pumping unit) and the technological object—the reservoir. The reservoir is characterized by the properties of the fluid and the energy of the reservoir, which is expressed in the form of reservoir pressure.
2.2. Electrical Mode Parameters Calculation
2.2.1. Electrical Mode Parameters Calculation Method
2.2.2. Calculation Scheme
2.2.3. Calculation of ESP Power Consumption
2.2.4. Assessment of Harmonics Influence on Electrical Losses
3. Results
3.1. Modeling of Power Consumption of ESP as Part of OF ETC
3.2. Results of Assessing the Influence of Harmonics on Electrical Losses
- SEM: Pnp = 40 (kW); Is = 7; ηnp = 0.842; cos φnp = 0.83;
- CL: L = 2.02 (km); r0 = 1.32 (Ohm/km);
- Transformer: Snp = 100 (kVA); ΔPI = 0.5 (kW); ΔPSC = 2.6 (kW); USC = 5.5 (%).
4. Discussion
Author Contributions
Funding
Institutional Review Board Statement
Informed Consent Statement
Data Availability Statement
Conflicts of Interest
References
- Brill, J.P.; Mukherjee, H. Multiphase Flow in Wells; Henry L. Doherty Memorial Fund of AIME, Society of Petroleum Engineers: Richardson, TX, USA, 1999; 149p. [Google Scholar]
- Guo, B.; Lyons, W.C.; Ghalambor, A. Petroleum Production Engineering. A Computer-Assisted Approach; Elsevier Science & Technology Books: Amsterdam, The Netherlands, 2007; 287p, ISBN 0750682701. [Google Scholar]
- Takacs, G. Electrical Submersible Pumps Manual: Design, Operations, and Maintenance; Gulf Professional Publishing: Burlington, MA, USA, 2009; 440p. [Google Scholar]
- Liang, X.; Fleming, E. Electrical submersible pump systems: Evaluating their power consumption. IEEE Ind. Appl. Mag. 2013, 19, 46–55. [Google Scholar] [CrossRef]
- Zhao, Y.; Zhao, D.; Zhong, Y.; Zhao, Y. The Viscosity of Oil Influence on the Working Characteristics of Electric Submersible Pump under Variable Speed. In Proceedings of the 2nd International Conference on Energy, Power, Environment and Computer Application, Beijing, China, 22–23 November 2020. [Google Scholar] [CrossRef]
- Sukhanov, A.; Gansheng, A.Y.; Jichao, Y.; Perelman, O.; Derkach, N. Enhancement of Electric Submersible Pump Energy Efficiency by Replacing an Inductive Motor with a Permanent Magnet Motor. Oil Gas Eur. Mag. 2020, 3, 146–150. [Google Scholar] [CrossRef]
- Leon, J.L.V.; Ruales, F.; Miranda, S.; Godin, F.; Velasquez, E.; Shirikov, D.; Anaya, O.; Forero, N.; Estupiñan, N.D.; Peña, L.; et al. Permanent Magnet Motors: The Future of ESP Applications? In Proceedings of the SPE Gulf Coast Section Electric Submersible Pumps Symposium, Virtual. The Woodlands, TX, USA, 4–8 October 2021. [Google Scholar] [CrossRef]
- Alexeev, Y.; Shakirov, A.; Yamilov, R. Challenges and Results of the First Ultra-High-Speed ESP Rental Project—A Case Study. Hyper Speed ESP 15,000 rpm as the Next Step to the Future. In Proceedings of the SPE Gulf Coast Section Electric Submersible Pumps Symposium, Virtual. The Woodlands, TX, USA, 4–8 October 2021. [Google Scholar] [CrossRef]
- Khakim’yanov, M.I. Investigation of Power Loss in the Cable of a Well Submersible Motor. Russ. Electr. Eng. 2018, 2, 103–106. [Google Scholar] [CrossRef]
- Abramov, B.I.; Parfenov, B.M.; Shevyrev, Y.V. Choice Methods of the Parameters of Filter Compensating Stepped Type Devices for Thyristor Electric Drives. Elektrotekhnika 2001, 1, 38–42. [Google Scholar]
- Dems, M.; Komȩza, K.; Majer, K. Core Losses of the Induction Motor Operating in A Wide Frequency Range Supplied from the Inverter. Int. J. Appl. Electromagn. Mech. 2020, 64, S65–S82. [Google Scholar] [CrossRef]
- Otcenasova, A.; Bolf, A.; Altus, J.; Regula, M. The influence of power quality indices on active power losses in a local distribution grid. Energies 2019, 12, 1389. [Google Scholar] [CrossRef] [Green Version]
- Li, L.; Huang, H.; Zhao, F.; Gao, M.; Liu, Z.J.W. Sutherland Power measurement in energy efficient manufacturing: Accuracy analysis, Challenges, and Perspectives for improvement. In Proceedings of the 26th CIRP Conference on Life Cycle Engineering, LCE 2019, West Lafayette, IN, USA, 7–9 May 2019. [Google Scholar] [CrossRef]
- Romanska-Zapala, A.; Dechnik, M.; Grzywocz, K. Power Quality in Energy Efficient Buildings-A Case Study. In Proceedings of the 4th World Multidisciplinary Civil Engineering-Architecture-Urban Planning Symposium, WMCAUS 2019, Prague, Chezh Republic, 17–21 June 2019. [Google Scholar] [CrossRef]
- Derendiaeva, L.V.; Zakalata, A.A.; Ojegov, A.N. Application of equivalenting method for electric power grid subsystems in calculating the higher harmonics mode. In Proceedings of the 2017 International Conference on Industrial Engineering, Applications and Manufacturing, ICIEAM 2017, Chelyabinsk, Russia, 16–19 May 2017. [Google Scholar] [CrossRef]
- Lyutarevich, A.G.; Vyrva, A.A.; Dolinger, S.Y.; Osipov, D.S.; Chetverik, I.N. Ocenka Dopolnitel’nyh Poter’ Moshchnosti Ot Vysshih Garmonik V Elementah Sistem Elektrosnabzheniya [Assessment of Additional Power Losses from Higher Harmonics in The Elements of Power Supply Systems]. Omskij Nauchnyj Vestnik 2009, 1, 109–113. (In Russian) [Google Scholar]
- Gevorkov, L.; Rassõlkin, A.; Kallaste, A.; Vaimann, T. Simulation Study of a Centrifugal Pumping Plant’s Power Consumption at Throttling and Speed Control. In Proceedings of the 2017 IEEE 58th International Scientific Conference on Power and Electrical Engineering of Riga Technical University (RTUCON), Riga, Latvia, 12–13 October 2017; pp. 1–5. [Google Scholar] [CrossRef]
- Gevorkov, L.; Šmídl, V. Simulation Model for Efficiency Estimation of Photovoltaic Water Pumping System. In Proceedings of the 2020 19th International Symposium INFOTEH-JAHORINA (INFOTEH), East Sarajevo, Bosnia and Herzegovina, 18–20 March 2020; pp. 1–5. [Google Scholar] [CrossRef]
- Petrochenkov, A.; Romodin, A.; Mishurinskikh, S.; Speshilov, P. Development of the Oil Well Electrotechnical Complex Model in LabVIEW: Application work package. In Proceedings of the 8th International Conference on Applied Innovation in IT, Koethen, Germany, 10 March 2020. [Google Scholar] [CrossRef]
- Petrochenkov, A.B.; Mishurinskikh, S.V. Development of a Method for Optimizing Power Consumption of an Electric Driven Centrifugal Pump. In Proceedings of the 2021 IEEE Conference of Russian Young Researchers in Electrical and Electronic Engineering (ElConRus), St. Petersburg, Russia, 26–29 January 2021. [Google Scholar] [CrossRef]
- Standard ESP Systems. Available online: https://www.novometgroup.com/products-services/artificial-lift/electrical-submersible-pumping-systems/standard-esp (accessed on 15 January 2022).
- Petrochenkov, A.B.; Romodin, A.V.; Mishurinskikh, S.V.; Seleznev, V.V.; Shamaev, V.A. Experience in Developing a Physical Model of Submersible Electrical Equipment for Simulator Systems: Research and Training Tasks on the Agenda of a Key Employer. In Proceedings of the 2018 XVII Russian Scientific and Practical Conference on Planning and Teaching Engineering Staff for the Industrial and Economic Complex of the Region, St. Petersburg, Russia, 14–15 November 2018. [Google Scholar] [CrossRef]
- Mishurinskih, S.V.; Petrochenkov, A.B. Metodicheskie rekomendacii po ocenke reaktivnoj moshchnosti, potreblyaemoj pogruzhnym asinhronnym elektrodvigatelem [Guidelines for Assessing the Reactive Power Consumed by a Submersible Induction Motor]. Vestnik PNIPU 2021, 38, 175–194. (In Russian) [Google Scholar] [CrossRef]
- Kalinin, Y.; Chivenkov, A.; Vagapov, Y.; Anuchin, A. Determining Specific Power Loss in Joint Area of Laminated Magnetic Core. In Proceedings of the 2021 28th International Workshop on Electric Drives: Improving Reliability of Electric Drives (IWED), Online. 27–29 January 2021. [Google Scholar] [CrossRef]
- Petrochenkov, A.B. Regarding Life-Cycle Management of Electrotechnical Complexes in Oil Production. Russ. Electr. Eng. 2012, 83, 621–627. [Google Scholar] [CrossRef]




| Nameplate Pump Flow (m3/Day) | Polynomial Coefficients | Qmax (m3/Day) | ||||
|---|---|---|---|---|---|---|
| a0 | a1 | a2 | a3 | a4 | ||
| 35 | −0.00024 | 0.98450 | 1.86770 | −5.38880 | 2.55150 | 68 |
| 50 | 0.00069 | 1.34660 | 0.49400 | −3.21960 | 1.37620 | 98 |
| 60 | −0.00441 | 1.81270 | −0.23110 | −2.54010 | 0.94720 | 107 |
| #Well | QESP (m3/day) | Hdyn (m) | PWH (MPa) | ρl (kg/m3) |
|---|---|---|---|---|
| 115 | 57.7 | 764 | 1.4 | 891 |
| 119 | 57.1 | 741 | 2.4 | 840 |
| 120 | 64.2 | 750 | 2.6 | 839 |
| 318 | 67.0 | 908 | 1.5 | 846 |
| #Well | Parameter | Measurement Value | Calculated Value | Relative Error δ (%) |
|---|---|---|---|---|
| 115 | Consumption of active energy (kW·h/day) | 686.4 | 648.0 | 5.6 |
| 119 | 453.6 | 480.0 | 5.8 | |
| 120 | 919.2 | 895.2 | 2.6 | |
| 318 | 775.2 | 700.8 | 9.6 | |
| 115 | Consumption of reactive energy, (kVAr·h/day) | 504.0 | 552.0 | 9.5 |
| 119 | 146.4 | 156.0 | 6.6 | |
| 120 | 638.4 | 696.0 | 9.0 | |
| 318 | 612.0 | 648.0 | 5.9 |
| Harmonic Number ν | Uν (%) | Iν (%) | Harmonic Number ν | Uν (%) | Iν (%) | Harmonic Number ν | Uν (%) | Iν (%) |
|---|---|---|---|---|---|---|---|---|
| 1 | 100.00 | 100.00 | 22 | 1.92 | 0.00 | 43 | 1.98 | 0.00 |
| 2 | 7.38 | 1.07 | 23 | 3.80 | 0.00 | 44 | 1.33 | 0.00 |
| 3 | 0.39 | 1.38 | 24 | 1.01 | 0.00 | 45 | 1.52 | 0.00 |
| 4 | 8.13 | 0.88 | 25 | 3.12 | 0.00 | 46 | 1.24 | 0.00 |
| 5 | 6.30 | 3.52 | 26 | 1.08 | 0.00 | 47 | 0.91 | 0.00 |
| 6 | 2.60 | 0.48 | 27 | 1.01 | 0.00 | 48 | 1.13 | 0.00 |
| 7 | 4.44 | 1.02 | 28 | 1.59 | 0.00 | 49 | 1.86 | 0.00 |
| 8 | 7.45 | 0.26 | 29 | 4.74 | 0.00 | 50 | 0.59 | 0.00 |
| 9 | 0.91 | 0.00 | 30 | 0.83 | 0.00 | 51 | 2.08 | 0.00 |
| 10 | 6.70 | 0.00 | 31 | 2.56 | 0.00 | 52 | 1.02 | 0.00 |
| 11 | 16.67 | 0.97 | 32 | 1.09 | 0.00 | 53 | 1.59 | 0.00 |
| 12 | 1.75 | 0.00 | 33 | 0.67 | 0.00 | 54 | 1.13 | 0.00 |
| 13 | 15.09 | 0.49 | 34 | 0.35 | 0.00 | 55 | 3.05 | 0.00 |
| 14 | 4.65 | 0.00 | 35 | 1.34 | 0.00 | 56 | 0.73 | 0.00 |
| 15 | 0.85 | 0.00 | 36 | 0.56 | 0.00 | 57 | 1.64 | 0.00 |
| 16 | 4.87 | 0.00 | 37 | 1.15 | 0.00 | 58 | 2.00 | 0.00 |
| 17 | 6.52 | 0.33 | 38 | 0.98 | 0.00 | 59 | 0.90 | 0.00 |
| 18 | 1.23 | 0.00 | 39 | 0.79 | 0.00 | 60 | 0.93 | 0.00 |
| 19 | 3.00 | 0.00 | 40 | 0.81 | 0.00 | 61 | 1.48 | 0.00 |
| 20 | 2.43 | 0.00 | 41 | 1.62 | 0.00 | 62 | 1.78 | 0.00 |
| 21 | 1.21 | 0.00 | 42 | 0.93 | 0.00 | 63 | 0.77 | 0.00 |
| Calculation Conditions | Element Loss (kW) | ||||
|---|---|---|---|---|---|
| ΔPESP | ΔPSEM | ΔPCL | ΔPT | ΔPCS | |
| Without taking into account the harmonics influence | 13.700 | 4.520 | 4.200 | 1.520 | 0.920 |
| Taking into account the harmonics influence | 13.700 | 4.786 | 4.214 | 1.574 | 0.920 |
| Additional losses caused by the harmonics influence | 0.000 | 0.266 | 0.014 | 0.054 | 0.000 |
Publisher’s Note: MDPI stays neutral with regard to jurisdictional claims in published maps and institutional affiliations. |
© 2022 by the authors. Licensee MDPI, Basel, Switzerland. This article is an open access article distributed under the terms and conditions of the Creative Commons Attribution (CC BY) license (https://creativecommons.org/licenses/by/4.0/).
Share and Cite
Lyakhomskii, A.; Petrochenkov, A.; Romodin, A.; Perfil’eva, E.; Mishurinskikh, S.; Kokorev, A.; Kokorev, A.; Zuev, S. Assessment of the Harmonics Influence on the Power Consumption of an Electric Submersible Pump Installation. Energies 2022, 15, 2409. https://doi.org/10.3390/en15072409
Lyakhomskii A, Petrochenkov A, Romodin A, Perfil’eva E, Mishurinskikh S, Kokorev A, Kokorev A, Zuev S. Assessment of the Harmonics Influence on the Power Consumption of an Electric Submersible Pump Installation. Energies. 2022; 15(7):2409. https://doi.org/10.3390/en15072409
Chicago/Turabian StyleLyakhomskii, Aleksandr, Anton Petrochenkov, Aleksandr Romodin, Evgenia Perfil’eva, Sergey Mishurinskikh, Andrei Kokorev, Aleksandr Kokorev, and Sergei Zuev. 2022. "Assessment of the Harmonics Influence on the Power Consumption of an Electric Submersible Pump Installation" Energies 15, no. 7: 2409. https://doi.org/10.3390/en15072409
APA StyleLyakhomskii, A., Petrochenkov, A., Romodin, A., Perfil’eva, E., Mishurinskikh, S., Kokorev, A., Kokorev, A., & Zuev, S. (2022). Assessment of the Harmonics Influence on the Power Consumption of an Electric Submersible Pump Installation. Energies, 15(7), 2409. https://doi.org/10.3390/en15072409

