Dynamic Characteristic Improvement of Integrated On-Board Charger Using a Model Predictive Control
Abstract
1. Introduction
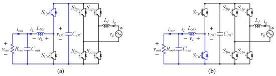
2. Circuit Configuration and Operation Principle of Integrated OBC
2.1. Circuit Configuration
2.2. Operation Principle
3. Model Predictive Control Method of Integrated OBC
3.1. Predictive Model Establishment
3.2. Control Method for Full-Bridge Converter
3.3. Proposed Model Predictive Control Method
4. Simulation Results
5. Experimental Results
6. Conclusions
Funding
Data Availability Statement
Conflicts of Interest
References
- Cao, J.; Emadi, A. A new battery/ultracapacitor hybrid energy storage system for electric, hybrid, and plug-in hybrid electric vehicles. IEEE Trans. Power Electron. 2012, 27, 122–132. [Google Scholar]
- Emadi, A.; Lee, Y.J.; Rajashekara, K. Power electronics and motor drives in electric, hybrid electric, and plug-in hybrid electric vehicles. IEEE Trans. Ind. Electron. 2008, 55, 2237–2245. [Google Scholar] [CrossRef]
- Bak, Y.; Lee, E.; Lee, K.-B. Indirect matrix converter for hybrid electric vehicle application with three-phase and single-phase outputs. Energies 2015, 8, 3849–3866. [Google Scholar] [CrossRef]
- Fathabadi, H. Plug-in hybrid electric vehicles: Replacing internal combustion engine with clean and renewable energy based auxiliary power sources. IEEE Trans. Power Electron. 2018, 33, 9611–9618. [Google Scholar] [CrossRef]
- Suhail, M.; Akhtar, I.; Kirmani, S.; Jameel, M. Development of progressive fuzzy logic and ANFIS control for energy management of plug-in hybrid electric vehicle. IEEE Access 2021, 9, 62219–62231. [Google Scholar] [CrossRef]
- Chen, Y.; Quan, L.; Zhu, X.; Wei, H.; Zheng, W. Electromagnetic performance analysis of double-rotor stator permanent magnet motor for hybrid electric vehicle. IEEE Trans. Magn. 2012, 48, 4204–4207. [Google Scholar]
- Chau, K.T.; Chan, C.C.; Liu, C. Overview of permanent-magnet brushless drives for electric and hybrid electric vehicles. IEEE Trans. Ind. Electron. 2008, 55, 2246–2257. [Google Scholar] [CrossRef]
- Kim, D.; Hwang, S.; Kim, H. Vehicle stability enhancement of four-wheel-drive hybrid electric vehicle using rear motor control. IEEE Trans. Veh. Technol. 2008, 57, 727–735. [Google Scholar]
- Patil, D.; Agarwal, V. Compact onboard single-phase EV battery charger with novel low-frequency ripple compensator and optimum filter design. IEEE Trans. Veh. Technol. 2016, 65, 1948–1956. [Google Scholar] [CrossRef]
- Lee, I.-O. Hybrid PWM-resonant converter for electric vehicle on-board battery chargers. IEEE Trans. Power Electron. 2016, 31, 3639–3649. [Google Scholar] [CrossRef]
- Kim, S.; Kang, F.-S. Multifunctional onboard battery charger for plug-in electric vehicles. IEEE Trans. Ind. Electron. 2015, 62, 3460–3472. [Google Scholar]
- Chai, F.; Cui, S.; Cheng, S. Performance analysis of double-stator starter generator for the hybrid electric vehicle. IEEE Trans. Magn. 2005, 41, 484–487. [Google Scholar] [CrossRef]
- Zhu, L.; Jiang, D.; Qu, R.; Tolbert, L.M.; Li, Q. Design of power hardware-in-the-loop simulations for integrated starter–generator systems. IEEE Trans. Transp. Electrif. 2019, 5, 80–92. [Google Scholar] [CrossRef]
- Cai, S.; Wang, Y.; Chen, H.; Yuan, X.; Yu, L.; Zhang, Z.; Lee, C.H.T. Design and analysis of a doubly salient wound field starter generator for cost-effective automobile application. IEEE Trans. Veh. Technol. 2022, 71, 6900–6911. [Google Scholar] [CrossRef]
- Zhao, X.; Niu, S.; Zhang, X.; Fu, W. A new relieving-DC-saturation hybrid excitation vernier machine for HEV starter generator application. IEEE Trans. Ind. Electron. 2020, 67, 6342–6353. [Google Scholar] [CrossRef]
- Liu, C.; Chau, K.T.; Jiang, J.Z. A permanent-magnet hybrid brushless integrated starter–generator for hybrid electric vehicles. IEEE Trans. Ind. Electron. 2010, 57, 4055–4064. [Google Scholar] [CrossRef]
- Jung, J.-W.; Lee, S.-H.; Lee, G.-H.; Hong, J.-P.; Lee, D.-H.; Kim, K.-N. Reduction design of vibration and noise in IPMSM type integrated starter and generator for HEV. IEEE Trans. Magn. 2010, 46, 2454–2457. [Google Scholar] [CrossRef]
- Chai, F.; Pei, Y.; Li, X.; Guo, B.; Cheng, S. The performance research of starter-generator based on reluctance torque used in HEV. IEEE Trans. Magn. 2009, 45, 635–638. [Google Scholar] [CrossRef]
- Metwly, M.Y.; Abdel-Majeed, M.S.; Abdel-Khalik, A.S.; Hamdy, R.A.; Hamad, M.S.; Ahmed, S. A review of integrated on-board EV battery chargers: Advanced topologies, recent developments and optimal selection of FSCW slot/pole combination. IEEE Access 2020, 8, 85216–85242. [Google Scholar] [CrossRef]
- Shi, C.; Tang, Y.; Khaligh, A. A single-phase integrated onboard battery charger using propulsion system for plug-in electric vehicles. IEEE Trans. Veh. Technol. 2017, 66, 10899–10910. [Google Scholar] [CrossRef]
- Subotic, I.; Bodo, N.; Levi, E. Single-phase on-board integrated battery chargers for EVs based on multiphase machines. IEEE Trans. Power Electron. 2016, 31, 6511–6523. [Google Scholar] [CrossRef]
- Shi, C.; Tang, Y.; Khaligh, A. A three-phase integrated onboard charger for plug-in electric vehicles. IEEE Trans. Power Electron. 2018, 33, 4716–4725. [Google Scholar] [CrossRef]
- Kang, H.-S.; Kim, S.-M.; Bak, Y.; Lee, K.-B. A Controller Design for a Stability Improvement of an Integrated Charging System in Hybrid Electric Vehicle. In Proceedings of the IFAC Workshop on Control of Smart Grid and Renewable Energy Systems, Jeju, Republic of Korea, 10–12 June 2019; pp. 141–146. [Google Scholar]
- Kim, D.-H.; Kim, M.-J.; Lee, B.-K. An integrated battery charger with high power density and efficiency for electric vehicles. IEEE Trans. Power Electron. 2017, 32, 4553–4565. [Google Scholar] [CrossRef]
- Kim, S.-K.; Lee, K.-B. Robust one-step ahead state predictor using adaptive proportional–integral observer. IET Power Electron. 2015, 8, 2411–2417. [Google Scholar] [CrossRef]
- Zou, C.; Liu, B.; Duan, S.; Li, R. Stationary frame equivalent model of proportional-integral controller in dq synchronous frame. IEEE Trans. Power Electron. 2014, 29, 4461–4465. [Google Scholar] [CrossRef]
- Dai, Y.-X.; Wang, H.; Zeng, G.-Q. Double closed-loop PI control of three-phase inverters by binary-coded extremal optimization. IEEE Access 2016, 4, 7621–7632. [Google Scholar] [CrossRef]
- Choi, D.-K.; Lee, K.-B. Dynamic performance improvement of AC/DC converter using model predictive direct power control with finite control set. IEEE Trans. Ind. Electron. 2015, 62, 757–767. [Google Scholar] [CrossRef]
- Moon, H.-C.; Lee, J.-S.; Lee, K.-B. A robust deadeat finite set model predictive current control based on discrete space vector modulation for a grid-connected voltage source inverter. IEEE Trans. Energy Convers. 2018, 33, 1719–1728. [Google Scholar] [CrossRef]
- Bak, Y.; Kang, H.-S. Control methods for performance improvement of an integrated on-board battery charger in hybrid electric vehicles. Electronics 2021, 10, 2506. [Google Scholar] [CrossRef]
- Husev, O.; Roncero-Clemente, C.; Makovenko, E.; Pimentel, S.P.; Vinnikov, D.; Martins, J. Optimization and Implementation of the proportional-resonant controller for grid-connected inverter with significant computation delay. IEEE Trans. Ind. Electron. 2020, 67, 1201–1211. [Google Scholar] [CrossRef]
- Kan, S.; Ruan, X.; Dang, H.; Zhang, L.; Huang, X. Second harmonic current reduction in front-end DC−DC converter for two-stage single-phase photovoltaic grid-connected inverter. IEEE Trans. Power Electron. 2019, 34, 6399–6410. [Google Scholar] [CrossRef]
- Cai, W. Research on single-phase SVG based on DC 2nd harmonic feedforward and decoupling control. In Proceedings of the Annual Conference of the IEEE Industrial Electronics Society, Lisbon, Portugal, 14–17 September 2019; pp. 3423–3428. [Google Scholar]
- Kang, H.-S.; Kim, S.-M.; Lee, K.-B. Integrated battery charging circuit and model predictive current controller for hybrid electric vehicles. In Proceedings of the IEEE Applied Power Electronics Conference and Exposition, Anaheim, CA, USA, 17–21 March 2019; pp. 3315–3319. [Google Scholar]
- He, T.; Zhu, J.; Lu, D.D.-C.; Zheng, L. Modified model predictive control for bidirectional four-quadrant EV chargers with extended set of voltage vectors. IEEE J. Emerg. Sel. Top. Power Electron. 2019, 7, 274–281. [Google Scholar] [CrossRef]
- Praneeth, A.V.J.S.; Williamson, S.S. Modeling, design, analysis, and control of a nonisolated universal on-board battery charger for electric transportation. IEEE Trans. Transpo. Electrif. 2019, 5, 912–924. [Google Scholar] [CrossRef]
- Pedrosa, D.; Gomes, R.; Monteiro, V.; Fernandes, J.C.A.; Monteiro, J.; Afonso, J.L. Model predictive control of an on-board fast battery charger for electric mobility applications. In CONTROLO 2016. Lecture Notes in Electrical Engineering; Garrido, P., Soares, F., Moreira, A., Eds.; Springer: Cham, Switzerland, 2017; Volume 402. [Google Scholar]
- Basu, A.; Mukherjee, S. Modeling and control of a multiport converter based integrated on-board charger for electric vehicle powertrains. In Proceedings of the IEEE International Conference on Power Electronics, Smart Grid, and Renewable Energy, Trivandrum, India, 2–5 January 2022; pp. 1–6. [Google Scholar]
















| Main Elements | Quantity (EA) and Volume (L) | |||
|---|---|---|---|---|
| Separated OBC and SGS | Integrated OBC | |||
| IGBT modules | 6 | 0.59 | 3 | 0.29 |
| gate drivers | 2 | 0.26 | 1 | 0.13 |
| grid filter inductors | 1 | 0.19 | 1 | 0.19 |
| DC-link capacitors | 4 | 0.84 | 4 | 0.84 |
| battery side capacitors | 1 | 0.22 | 1 | 0.22 |
| current sensors | 6 | 0.22 | 3 | 0.11 |
| heatsink | 2 | 5.10 | 1 | 2.60 |
| power relays | - | - | 7 | 0.27 |
| total | 22 | 7.42 | 21 | 4.65 |
| Parameters | Value |
|---|---|
| single-phase grid source (vg) | 220 Vrms/60 Hz |
| filter inductance (Lf) | 4 mH |
| DC-link capacitance (CDC) | 2000 μF |
| single-winding inductance | 0.605 mH |
| equivalent inductance (LSG) | 0.9075 mH |
| output capacitance (Cout) | 610 μF |
| output resistance (Rout) | 20 Ω |
| control period (Ts) | 100 μs |
Publisher’s Note: MDPI stays neutral with regard to jurisdictional claims in published maps and institutional affiliations. |
© 2022 by the author. Licensee MDPI, Basel, Switzerland. This article is an open access article distributed under the terms and conditions of the Creative Commons Attribution (CC BY) license (https://creativecommons.org/licenses/by/4.0/).
Share and Cite
Bak, Y. Dynamic Characteristic Improvement of Integrated On-Board Charger Using a Model Predictive Control. Energies 2022, 15, 8745. https://doi.org/10.3390/en15228745
Bak Y. Dynamic Characteristic Improvement of Integrated On-Board Charger Using a Model Predictive Control. Energies. 2022; 15(22):8745. https://doi.org/10.3390/en15228745
Chicago/Turabian StyleBak, Yeongsu. 2022. "Dynamic Characteristic Improvement of Integrated On-Board Charger Using a Model Predictive Control" Energies 15, no. 22: 8745. https://doi.org/10.3390/en15228745
APA StyleBak, Y. (2022). Dynamic Characteristic Improvement of Integrated On-Board Charger Using a Model Predictive Control. Energies, 15(22), 8745. https://doi.org/10.3390/en15228745
