Abstract
Frequency, voltage, and power flow between different control zones in an interconnected power system are used to determine the standard quality of power. Therefore, the voltage and frequency control in an IPS is of vital importance to maintaining real and reactive power balance under varying load conditions. In this paper, a dandelion optimizer (DO)-based proportional-integral-proportional-derivative (PI-PD) controller is investigated for a realistic multi-area, multi-source, realistic IPS with nonlinearities. The output responses of the DO-based PI-PD were compared with the hybrid approach using artificial electric field-based fuzzy PID algorithm (HAEFA), Archimedes optimization algorithm (AOA)-based PI-PD, learning performance-based behavior optimization (LPBO)-based PI-PD and modified particle swarm optimization (MPSO)-based PI-PD control schemes in a two-area network with 10% step load perturbation (SLP). The proposed strategy was also investigated in a two- and three-area IPS in the presence of different nonlinearities and SLPs. The simulation results and the comprehensive comparison between the different control schemes clearly confirm that the proposed DO-based PI-PD is very effective for realistic, multi-area multi-source IPS with nonlinearities.
1. Introduction
It is vital in a power system to maintain electrical power at the desired voltage and frequency. The load is always dynamic and varies over time. The difference between generation and load demand creates an imbalance between reactive and active power in the system [1]. This imbalance causes fluctuations in the voltage, frequency and tie-line power. Active power affects the frequency of the system, while reactive power depends on the system voltage. In order to maintain the desired and reliable voltage with frequency in a power system, two loops are built into the power system: a load frequency control (LFC) and an automatic voltage regulator (AVR). The AVR loop essentially reduces voltage fluctuations to meet reactive power requirements from a generator excitation mechanism, while the LFC loop reduces frequency fluctuations by modifying the active power magnitude through its governor action. Voltage and frequency controllers have gained importance with the growth in interconnected systems and have made the operation of power systems more reliable. The design of a proper control strategy is important to minimizing frequency and terminal voltage deviations as well as minimizing the variations of power flow in the tie-line [2]. Moreover, the performance of a controller solely depends upon the tuning methodology. Therefore, the control design and tuning scheme both are very important for the optimal control of an IPS. In order to acquire adequate and stable power, an effort has been made in this research to simultaneously control LFC and AVR loops using a nature-inspired, computation-based control methodology. The classical PID controller and its variants are widely used for the individual and combined control of AVR-LFC control loops due to their simpler implementation and design. For example, a HAEFA-based fuzzy PID controller was explored in a two-area multi-source IPS in the presence of different energy storage technologies, such as UCs, SMES and RFBs [3]. In ref. [4], the authors presented a PI-PD controller based on recently introduced, nature-inspired meta-heuristics including AOA, LPBO and MPSO for a multi-area IPS. A DPO-based PIDA controller was explored for a two-area multi-source IPS with two solar energy and three bioenergy sources [5]. In ref. [6], an AFA-based CPDN-FOPIDN controller was employed in a three-area IPS with nonlinearities such as GDB and GRC. Further, an HVDC link and different energy storage devices were also incorporated to improve the performance of the system. A CFOTDN-FOPDN controller designed with AFA was proposed for a two-area multi-source, nonlinear IPS [7]. An AFA-based CFPD-TID controller was suggested for a three-area IPS in the presence of GDB, GRC, RFBs and HVDC link [8]. The authors also recommended an HHO-based 2DOF-ITDF controller for a three-area multi-source, nonlinear IPS with reheat thermal, wind, solar thermal and dish-Stirling generation units [9]. In [10], the authors examined an ADRC controller based on second-order-error-driven control law in an IPS. The generation units in the IPS included solar, geothermal, wind and EVs. The HHO-tuned TIDF controller was also investigated for a three-area multi-sources nonlinear IPS [11]. APIDA controller tuned with hFPAPFA was also applied to a single-area, single-source IPS [12]. An FA-based PID controller was explored for a two-area multi-source IPS with nonlinearities such as TD, GRC and GDB [13]. In ref. [14], the authors presented a PIDD controller for a two-area, nonlinear IPS incorporating UPFC and SMES. A GWO was utilized for the tuning of a PIDD controller. The NLTA-based PID controller design was also proposed for a two-area, linear IPS [15]. For a two-area IPS with reheat and non-reheat thermal power plants as generating units, SCA-based PIDA and PI controllers were explored for LFC and AVR loops, respectively [16]. In the presence of GRC, a DE-AEFA-based PID was evaluated for a two-area IPS. An HVDC link, IPFC and RFBs were also incorporated in the power system for satisfactory improvements [17,18]. In ref. [19], the authors suggested an IPSO-based CPSS controller for a single-area, nonlinear IPS. An FA-based PID controller was investigated for a two-area multi-source IPS with non-reheat thermal- and hydro-generating units [20]. A FOPID controller was explored for a two-area, nonlinear IPS. The optimum parameters of FOPID were found using MSO [21]. The response of a two-area multi-source, nonlinear IPS incorporating IPFC, SMES, GDB and GRC was investigated with LSA-based PIDF/PIDuF controllers [22]. ZN-based PID and FLC controllers were applied to a single-area, single-source IPS [23]. In ref. [24], the authors examined a single-area IPS with a single generating unit using a hybrid NN-FTF controller. For a two-area, nonlinear IPS with non-reheat thermal and hydro units, an SA-based PID controller was also presented [25]. Moreover, relevant work on IPSs presented by different authors can be seen in [26,27,28].There is extensive research in the field of individual LFCs. Recently published work in the field of LFC can be found in [29,30,31,32,33]. The nomenclature used in this work is provided in Table 1, while the summary of the literature studies on the combined control of LFC-AVR loops is shown in Table 2.
Table 1.
Nomenclature.
In the previous studies, PID and various modified forms of PID such as PIDA, PIDF, PIDuF, FOPID, etc., have been used for the combined analysis of AVR and LFC control loops in multi-area, multi-source IPS. The optimal parameters of the controllers were found using various meta-heuristic computational algorithms. Researchers are still searching for new, nature-inspired algorithms as they have recognized their excellent optimization capabilities in various engineering problems. Due to their more complicated system structure, nonlinear systems in particular are difficult to optimize, and they require intelligent control systems that can find the best global solutions to problems. In the recent past, several novel meta-heuristic computational algorithms have been presented, such as artificial rabbits optimization [34], the dandelion optimizer [35], the sea-horse optimizer [36], the Archimedes optimization algorithm (AOA) [37], the transient search algorithm [38], learner performance-based behavior optimization (LPBO) [39], etc. From a literature survey, it is understood that dandelion optimizers (Dos) have not been employed in multi-area, multi-source IPS. Due to this, DO-based PI-PD controllers for multi-area, multi-source IPS with nonlinearities were investigated in this study. This work’s key contributions are:
- AVR-LFC control loops modeling for a two-area IPS without nonlinearities.
- AVR-LFC control loops modeling for a two- and three-area realistic IPS with nonlinearities such as GRC, GDB and BD.
- The design of a PI-PD controller with dandelion optimizer (DO)-based tuning methodology.
- The performance evaluation and supremacy of a DO-based PI-PD were demonstrated with other control schemes such as HAEFA Fuzzy PID [3], AOA, MPSO and LPBO-based PI-PD.
- The study of the proposed DO-based control methodology was conducted in a realistic environment with different nonlinearities for a two- and three-area multi-source IPS to demonstrate its effectiveness.
Table 2.
Literature summary of combined LFC-AVR studies.
Table 2.
Literature summary of combined LFC-AVR studies.
| Reference | Year | Research Area | Controller | Tuning Method | Covered Area | Generation Sources in All Areas | Generation Sources | Nonlinearities | Additional Incorporation for Improvements |
|---|---|---|---|---|---|---|---|---|---|
| [3] | 2022 | AVR with LFC | Fuzzy PID | HAEFA | 2 | 6 | Reheat thermal, hydro, gas | - | UCs, SMES, RFBs |
| [4] | 2022 | AVR with LFC | PI-PD | AOA, LPBO, MPSO | 2 3 | 2 and 3 | - | - | - |
| [5] | 2022 | AVR with LFC | PIDA | DPO | 2 | 10 | Three bioenergy technologies and two solar energy sources | - | - |
| [6] | 2022 | AVR with LFC | CPDN-FOPIDN | AFA | 3 | 6 | Reheat thermal, hydro, gas and geothermal | GRC, GDB | RFBs, CES, SMES, FESS, HVDC link |
| [7] | 2022 | AVR with LFC | CFOTDN-FOPDN | AFA | 2 | 4 | Hydro and dish-Stirling, Reheat thermal and solar thermal | GDB, CTD, GRC | - |
| [8] | 2022 | AVR with LFC | CFPD-TID | AFA | 3 | 6 | Thermal, hydro and geothermal | GDB, GRC | RFBs, HVDC link |
| [9] | 2022 | AVR with LFC | 2DOF I-TDF | HHO | 3 | 6 | reheat thermal, wind, dish-Stirling and solar thermal | GRC, GDB | - |
| [10] | 2022 | AVR with LFC | ADRC | 2nd order error-driven control law | 3 | 6 | Solar, geothermal, wind and EVs | - | - |
| [11] | 2021 | AVR with LFC | TIDF | HHO | 3 | 6 | Combined cycle gas turbine (CCGT) and reheat thermal | GDB, GRC, BD | - |
| [12] | 2021 | AVR with LFC | PIDA | hFPAPFA | 1 | 1 | Thermal | - | - |
| [13] | 2021 | AVR with LFC | PID | FA | 2 | 4 | Reheat thermal and hydro | TD, GRC, GDB | - |
| [14] | 2021 | AVR with LFC | PIDD | GWO | 2 | 6 | Reheat thermal, hydro and nuclear | GRC, GDB | SMES, UPFC |
| [15] | 2021 | AVR with LFC | PID | NLTA | 2 | 2 | - | - | - |
| [16] | 2020 | AVR with LFC | PIDF, PI | SCA | 2 | 2 | Reheat thermal and non-reheat thermal | - | UPFC, RFBs |
| [17] | 2020 | AVR with LFC | PID | DE-AEFA | 2 | 6 | Gas, diesel, hydro, solar photovoltaic, reheat thermal and wind | GRC | IPFC, RFBs |
| [18] | 2020 | AVR with LFC | PID | DE-AEFA | 2 | 6 | Wind, hydro, thermal, gas, solar and diesel | GRC | HVDC link |
| [19] | 2020 | AVR with LFC | CPSS | IPSO | 1 | 1 | Gas, reheat thermal and hydro | GDB, GRC | - |
| [20] | 2019 | AVR with LFC | PID | FA | 2 | 4 | Hydro and non-reheat thermal | - | - |
| [21] | 2019 | AVR with LFC | FOPID | MFO | 2 | 4 | Hydro and non-reheat thermal | GDB, BD | - |
| [22] | 2018 | AVR with LFC | PIDF, PIDuF | LSA | 2 | 4 | Reheat thermal, wind and diesel | GDB, GRC | IPFC, SMES |
| [23] | 2018 | AVR with LFC | PID, Fuzzy | ZN, FLC | 1 | 1 | - | - | - |
| [24] | 2016 | AVR with LFC | Hybrid NN and FTF | NN-FTF | 1 | 1 | - | - | - |
| [25] | 2016 | AVR with LFC | PID | SA, ZN | 2 | 4 | Hydro and non-reheat thermal | GDB | - |
| Proposed Method | 2022 | AVR with LFC | PI-PD | DO, AOA, LPBO, MPSO | 2 and 3 | 6 and 9 | Thermal, gas and hydro | GDB, GRC, BD | - |
The present work is organized as follows: The modeling of the power system is presented in Section 2. Section 3 contains a description of the proposed methodology. The details of the proposed dandelion optimizer are presented in Section 4. Section 5 discusses the implementation of the proposed approach and the results. Finally, Section 6 summarizes the conclusions and future recommendations.
2. System Modeling
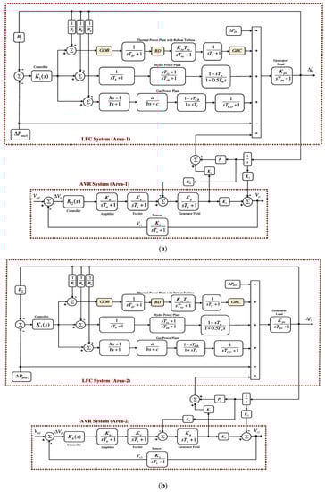
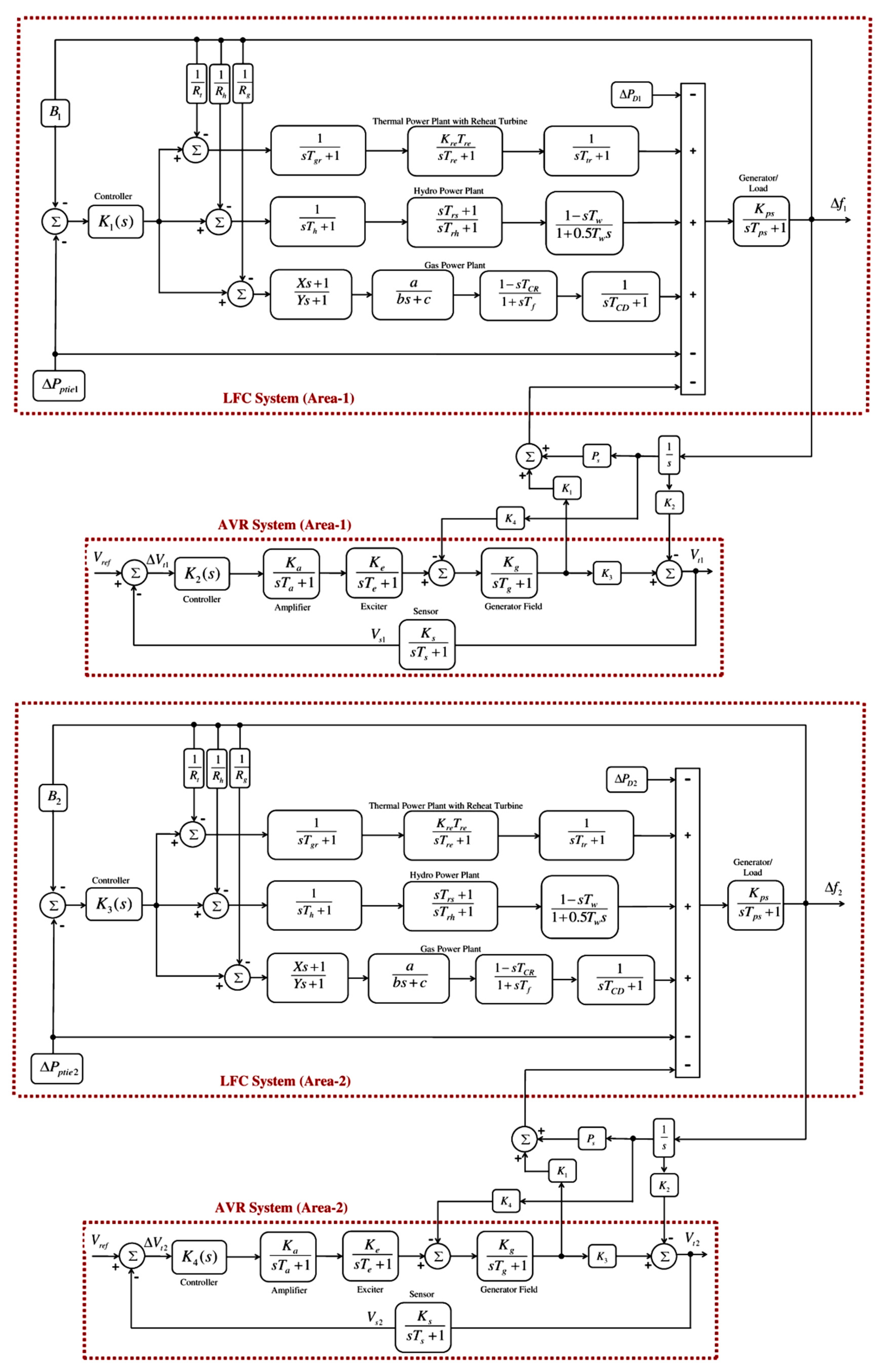
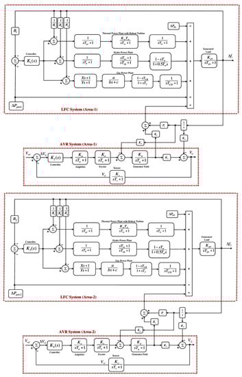
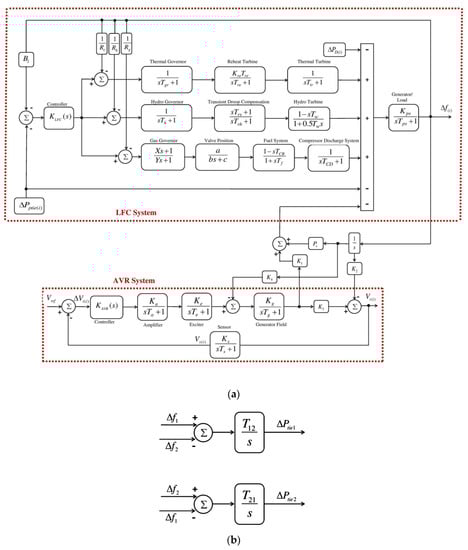
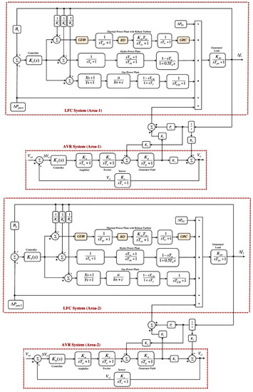
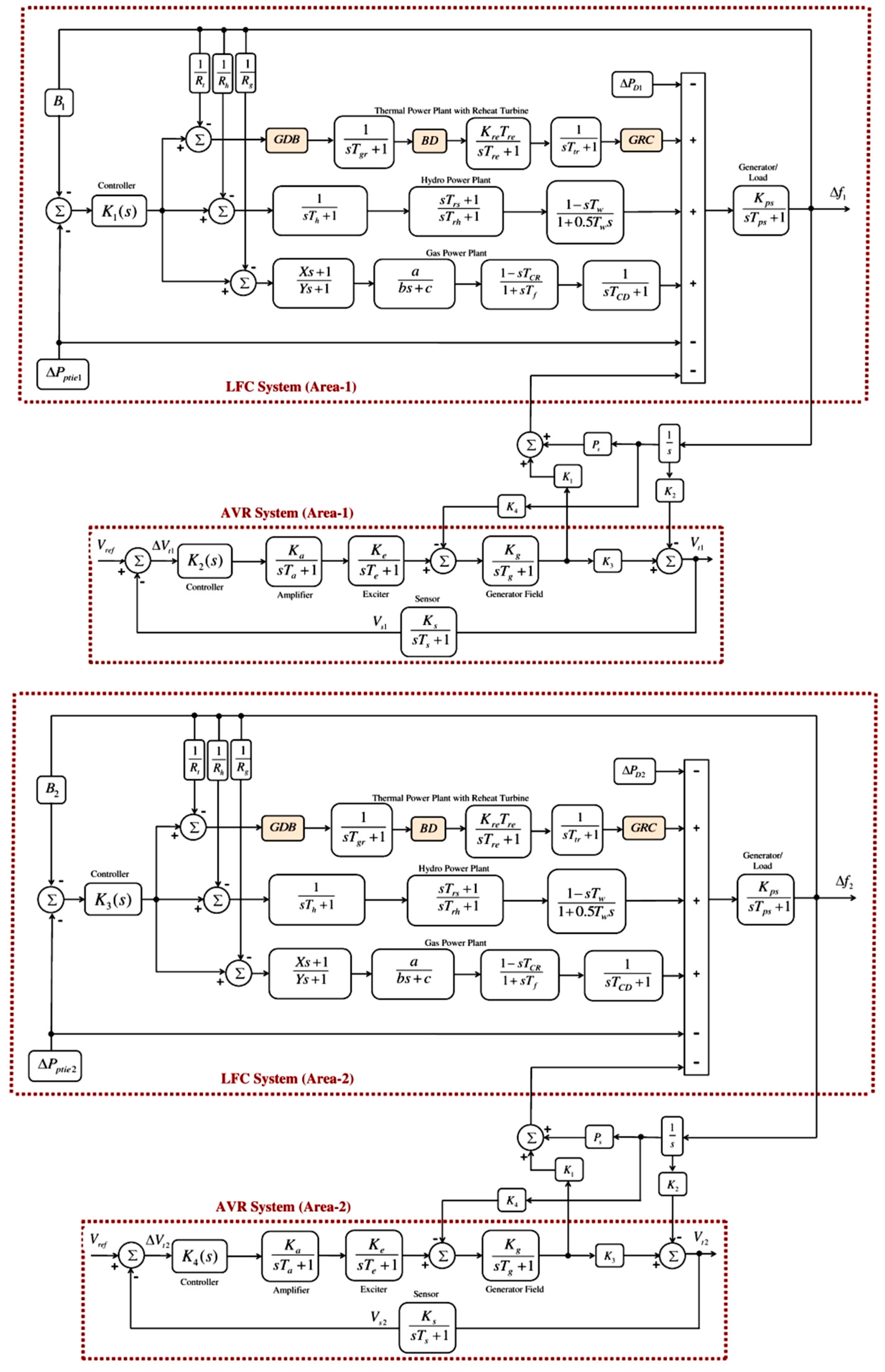
The multi-area, multi-source IPS model with combined AVR-LFC loops under study is shown in Figure 1. It consists of multiple areas with gas, hydro and thermal reheat systems identical in each area [3]. Figure 1a represents the model of a single-area IPS, whereas the tie-line connections are demonstrated in Figure 1b [3].
Figure 1.
(a) Model of IPS with combined AVR-LFC. (b) Tie-ine connection for two-area.
The LFC loop of ith area has a controller , ith area’s bias factor (), thermal reheat speed regulation (), hydro speed regulation (), gas speed regulation () and generator/load () with different blocks of power generation units. The thermal reheat unit consists of thermal governor (), reheat turbine () and thermal turbine (); hydro unit includes hydro governor () and transient droop compensation (), hydro turbine (); gas unit comprises gas governor (), valve position (), fuel system () and compressor discharge system (). , , and denote the load deviation, frequency deviation, deviation in terminal voltage and tie-line power deviation respectively. , , and refer to the terminal voltage, error voltage, reference voltage and sensor voltage in ith area respectively. The purpose of tie-line connection is to interconnect multiple areas in an IPS. The AVR loop of ith area consists of a controller (), amplifier (), generator (), exciter (), and sensor (). K1, K2, K3, K4 and Ps are the coefficients for mutual coupling between AVR and LFC loops. The synchronization coefficient between ith and jth area is represented by Tij. The transfer function models of the reheat thermal , gas and hydro systems provided in Equations (1)–(3) respectively [3]. The definitions of all terms used in Equations (1)–(3) are provided in Table 1.
The AVR loop comprises a sensing unit, an exciter, a generator, an amplifier and a controller (). The sensor continuously senses the terminal voltage and provides the error voltage signal after comparing it with the reference voltage. The controller generates the signal for the amplifier from the error signal. The amplified signal is then given to the excitation unit to control the field excitation.
2.1. Power System with Nonlinearities
Several nonlinearities, including GRC, GDB and BD, were included in the multi-area multi-source IPS to increase the realism of the system. In this section, the details of each nonlinear component of the existing power system are explained.
2.1.1. Generation Rate Constraint (GRC)
The steam turbine is subject to thermodynamic and mechanical constraints, which are the main causes of GRC. The saturation type nonlinearity is used to characterize GRC, which fundamentally limits the steam turbine. The modeling of the power system must take this limitation into account; otherwise, the system is likely to be subjected to severe turbulence leading to governor wear. The GRC of a thermal power plant is often lower than that of a hydroelectric plant. For a hydropower plant, the GRC is 360%/min for lower generation and 270%/min for higher generation. For a thermal power plant, the GRC is an upper limit of +3%/min and a lower limit of −3%/min [40].
2.1.2. Governor Dead Band (GDB)
The GDB is the measure of the total steady-state velocity variations that do not change the governor valve. The GDB is always defined as a percentage of the rated speed and reflects the insensitivity of the speed control mechanism. In this work, the value of GDB is assumed to be ±0.036%. GDB causes oscillations in the system and increases the perceived inaccuracy in a steady state. To express the GDB and its transfer function model, the backlash form of nonlinearity is used [41].
2.1.3. Boiler Dynamics (BD)
The model of the transfer function of the boiler dynamics is shown in Figure 2. Combustion control is included in this model. The model can be used to study coal-fired plants with well-tuned combustion control as well as oil- or gas-fired plants with poor combustion control. Typical steam plants use turbine control valves to initiate changes in generation, and when the boiler control system detects changes in pressure deviations and the steam flow rate, the necessary controls are immediately applied [30,42].
Figure 2.
Transfer function model boiler dynamics [42].
3. Proposed Methodology
PID controllers are often used in industrial applications because of their simpler design and implementation. PID controllers often operate effectively, although modified PID control structures have been shown to perform better in combined AVR-LFC interconnected power systems [4]. Modified forms of PID, such as PI-PD, have been developed to achieve the best transient and steady-state response while eliminating system errors [43]. The PD component, which is in the feedback path, is not affected by an abrupt change in the set point. The controller component in the feedback path can significantly increase the closed-loop response. In the forward path is the PI portion of the PI-PD, which responds directly to error signals coming from the summing junction. Recently, a PI-PD controller has been effectively used in a variety of applications [44,45,46,47,48,49,50]. Figure 3 illustrates the suggested control scheme with IPS. The following summarizes the PI-PD controllers’ transfer function model:
where U(s) and E(s) represent control and error signals, respectively.
The error signal can be expressed as
where R(s) and Y(s) depict reference and output signals, respectively.
The cost function (J) is optimized to determine the ideal controller parameters using nature-inspired computational strategies.
Figure 3.
Proposed control scheme [4].
The following equations represent various performance indices that can be used to optimize error signal, including the integral of the squared value of error (ISE), the integral of time multiplied with the absolute value of error (ITAE), the integral of the absolute value of error (IAE) and the integral of time multiplied with the squared value of error (ITSE) [4].
For a three-area IPS, we can write
where
Due to excellent convergence and performance characteristics, ITSE is used as the error criterion in this work to minimize the cost function (J).
4. Nature-Inspired Computation Algorithms
Nature-inspired computational algorithms capable of handling complex engineering problems have attracted much attention in interconnected power systems. The dandelion optimizer (DO) has been used to find the optimal parameters of the controller. The control scheme provides the most suitable controller parameters when the cost function is minimized. In this study, an attempt is made to improve the LFC and AVR response in a multi-area, multi-source IPS by using nature-inspired computational control methods.
Dandelion Optimizer (DO)
In 2022, Shijie Zhao proposed the algorithm known as the dandelion optimizer (DO), which takes inspiration from nature. A dandelion is a plant that uses wind to spread its seeds [35]. The three stages that dandelion seeds go through are listed below:
- A vortex is formed above the dandelion seed during the rising stage, and it rises while being propelled higher by wind and sunlight. In contrast, there are no eddies above the seeds on a rainy day. In this situation, only local searches are possible.
- When seeds reach a specific height during the descending stage, they begin to steadily sink.
- Dandelion seeds finally randomly land in one location during the landing stage, where they will develop new dandelions as a result of the influence of the wind and weather.
By dispersing their seeds to the next generation, dandelions evolve their population based on the following three stages.
- Stage 1: Initialization
Each dandelion seed in the DO algorithm indicates a potential solution. The population of a DO can be expressed as:
where pop and Dim stand in for the population size and the dimension of the variable, respectively.
Between the specified problem’s upper bound (UB) and lower bound (LB), each possible solution is produced at random, and the ith individual Xi can be expressed as
where i is an integer between 1 and pop, whereas rand represents a random number between 0 and 1.
UB and LB can be written as:
According to DO, the initial elite is the individual with the highest fitness value, which is referred to as the best position for the dandelion seed to grow. The initial elite’s mathematical formulation, using the minimal value as an illustration, is
where find() represents two indices having the same values.
- Stage 2: Rising stage
In order to float away from their parent plants, dandelion seeds must reach a specific height during the rising stage. Dandelion seeds rise to various heights depending on air humidity, wind speed, etc. The two weather conditions in this instance are as follows.
- Case 1:
Wind speeds on a clear day can be thought of as having a lognormal distribution, . The wind speed affects how high a dandelion seed will rise. If the wind is stronger, the dandelion flies higher, and the seeds scatter farther.
where Xs shows the randomly selected position at iteration t, and Xt shows the dandelion seed’s position at iteration t.
Equation (21) shows the expression for the randomly generated position:
lnY shows a lognormal distribution subject to μ = 0 and σ2 = 1.
where y indicates the standard normal distribution (0, 1).
where
- α represents a random perturbation between [0, 1];
- vx and vy demonstrate the dandelion’s lift component coefficients.
- Case 2:
Due to humidity and air resistance, dandelion seeds struggle to rise properly with the wind on a wet day.
A dandelion uses k to control its local search area. The domain (q) can be obtained using Equation (34) as
The mathematical equation for the dandelion seed’s ascending stage is, finally,
The random number generated by the function randn() follows the normal distribution.
- Stage 3: Descending stage
In this stage, dandelion seeds rise to a particular height and then slowly sink (exploration phase). Brownian motion is employed in DO to replicate the trajectory of a dandelion as it moves.
where βt indicates the Brownian motion.
- Stage 4: Landing stage
The DO algorithm concentrates on exploitation in this last stage. The dandelion seed makes its landing location at random based on the results of the prior two stages. The algorithm should converge to the optimal solution as the iterations increasingly advance. The population’s evolution finally leads to the following global optimal solution:
where Xelite denotes the seed’s optimal position.
The fixed constant for s is 0.01. β is a random number and its values may vary between 0 and 2. t and w are arbitrary numbers in the range [0, 1]. σ is expressed mathematically as follows:
The value of β is 1.5, and δ can be obtained as:
The flow chart of the DO algorithm is provided in Figure 4.
Figure 4.
Flow chart of a dandelion optimizer.
5. Implementation and Results Discussion
To express the validation of the proposed control scheme, numerous simulations were performed in MATLAB/Simulink to analyze the results. First, IPS was optimized using AOA, LPBO, MPSO and DO algorithm-based PI-PD control schemes in a two-area multi-source network. In this IPS, both areas had three generating units, including thermal reheat, gas and hydro. The successful results led to applying the proposed methodology to the same IPS with additional nonlinearities such as BD, GDB and GRC. Finally, to confirm the exceptional performance of the proposed scheme, an IPS with a three-area multi-source IPS with nonlinearities was also investigated.
5.1. Frequency and Voltage Stabilization in a Two-Area Multi-Source IPS without Nonlinearities
Figure 5 presents the two-area multi-source IPS model. The system parameters of the two-area IPS are specified in Appendix A. The power system’s dynamic analysis was performed using area-1′s laid-out 10% step load perturbation. The parameters of optimization algorithms are provided in Table 3. The optimal parameters of AOA-, LPBO-, MPSO- and DO-based PI-PD control strategies are presented in Table 4. For the sake of assessing the proposed DO-based PI-PD control scheme, the evaluation of the time response of each control scheme was carried out, and comparisons were made with the results of HAEFA Fuzzy PID-, AOA-, LPBO- and MPSO-based PI-PD controllers.
Figure 5.
Two-area multi-source IPS.
Table 3.
Parameters of optimization algorithms.
Table 4.
Optimal controller parameters for a two-area multi-source IPS.
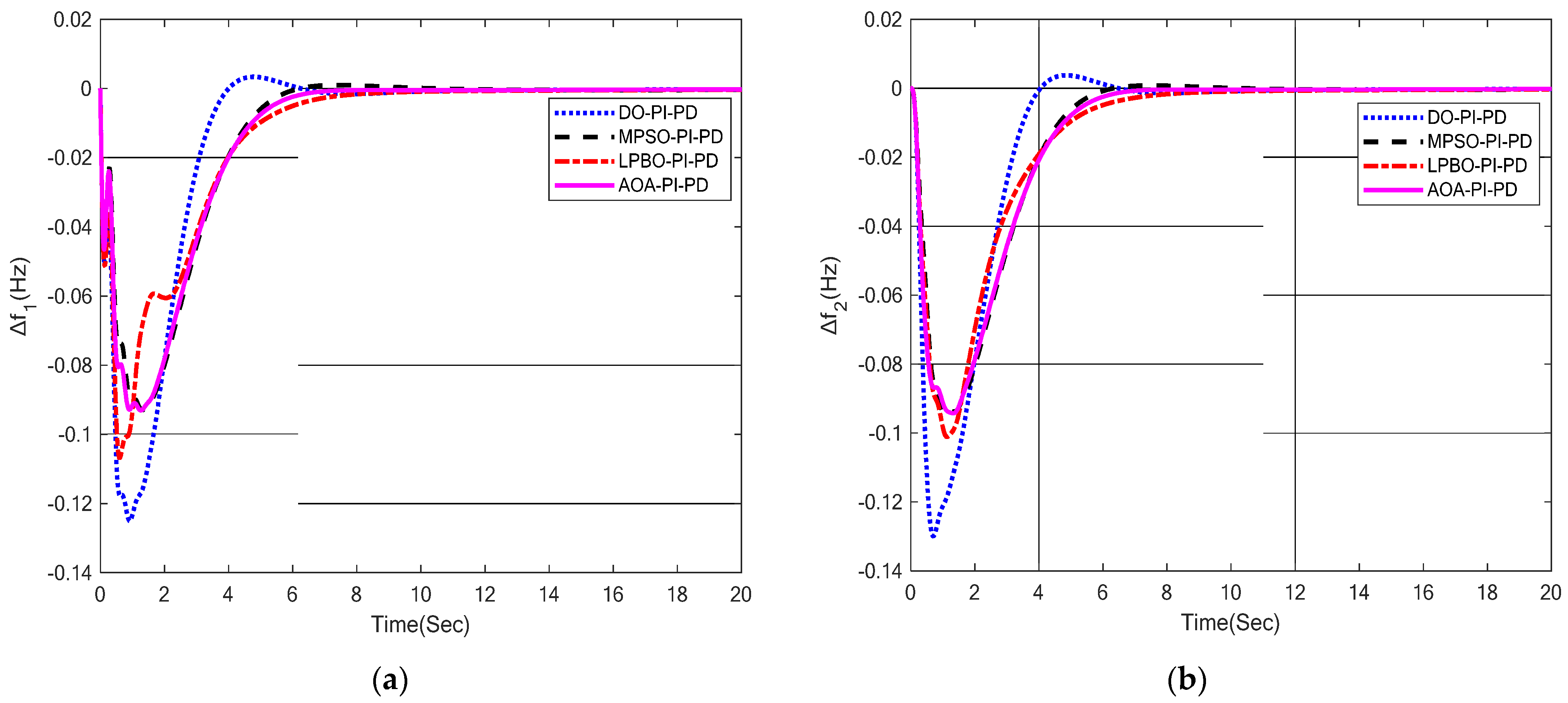
The frequency deviation responses of area-1 and area-2 for a two-area IPS are shown in Figure 6 using the AOA-, LPBO-, MPSO- and DO-based PI-PD control techniques. As can be seen, the frequency deviation response from the suggested control schemes was quite good. For the area-1 LFC, the DO-based PI-PD provided a settling time of 5.44 s, which is lower than other control schemes and, relatively, 53% better than the HAEFA Fuzzy PID controller [3]. Particularly, the AOA- and LPBO-based PI-PDs yielded zero % overshoot. The MPSO-based PI-PD provided a settling time of 5.60 s for area-2 LFC, which is less than other control schemes; that is, it is 32% better than the HAEFA Fuzzy PID controller. The AOA- and LPBO-based PI-PD control schemes provided zero % overshoot in both areas. The steady-state error is always zero when using the suggested methods.
Figure 6.
LFC responses in a two-area multi-source IPS with nonlinearities. (a) ∆f1; (b) ∆f2.
Figure 7 depicts the terminal voltage responses of area-1 and area-2, employing LPBO-, AOA-, MPSO- and DO-based PI-PD control schemes. As can be observed, the terminal voltage response produced by the suggested control strategies was quite excellent. The proposed DO-based PI-PD produced settling times of 1.32 s and 1.40 s in the area-1 and area-2 AVR, which are lower than others. The DO-based PI-PD provided, relatively, a 40% and 31% better AVR settling time response compared with the HAEFA Fuzzy PID controller in the area-1 and area-2 AVR, respectively. The AOA-based PI-PD provided a 0.0020% overshoot in the area-1 AVR, whereas the LPBO-based PI-PD provided 0.016% overshoot in the area-2 AVR. The AOA-based PI-PD yielded, relatively, a 99% better overshoot response in area-1, whereas the LPBO-based PI-PD produced a 99.8% better overshoot response in the area-2 AVR, respectively, compared with the HAEFA Fuzzy PID controller. Furthermore, the steady-state error was zero in each case using the suggested methods.
Figure 7.
AVR responses in a two-area multi-source IPS. (a) Vt1;(b) Vt2.
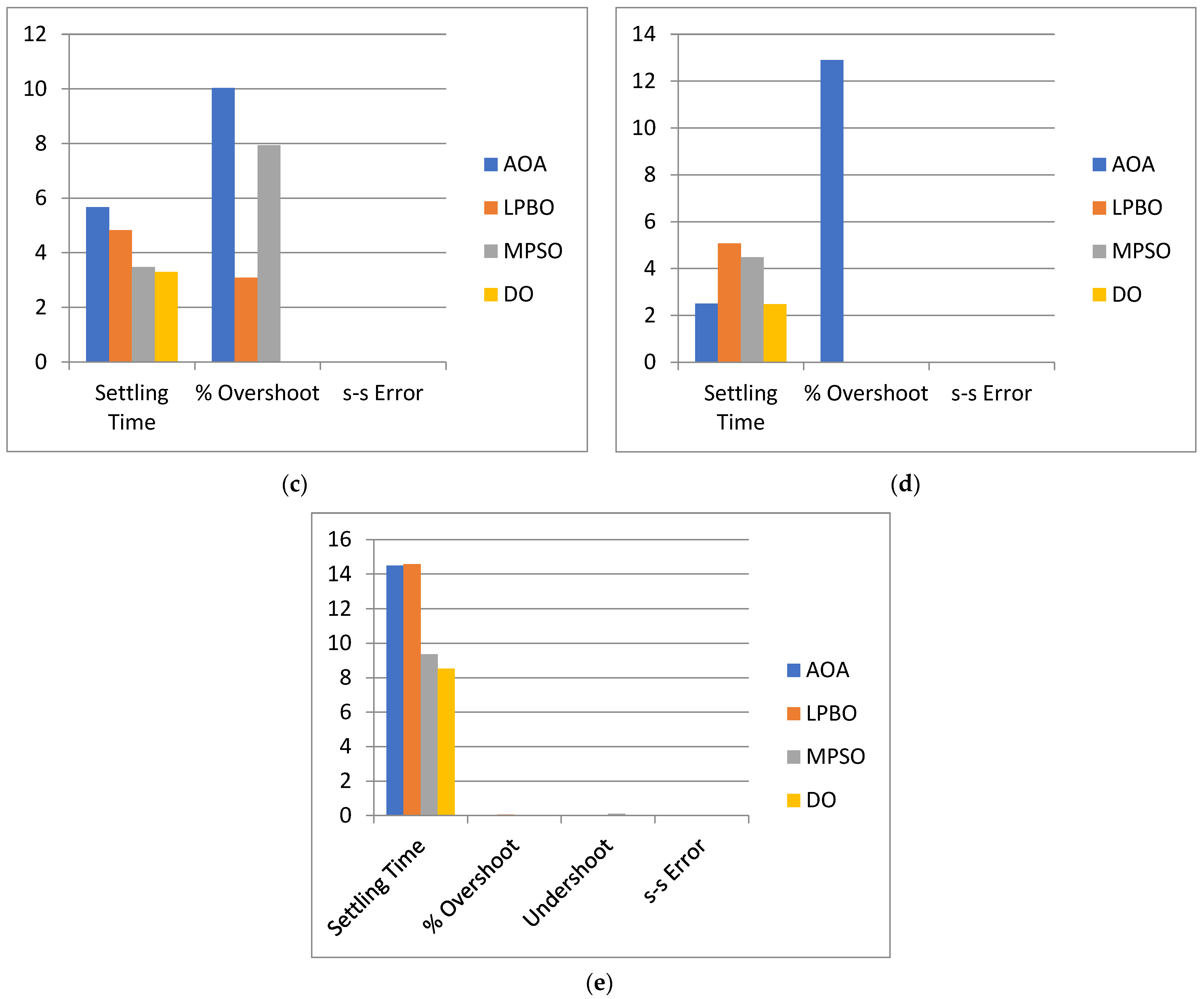
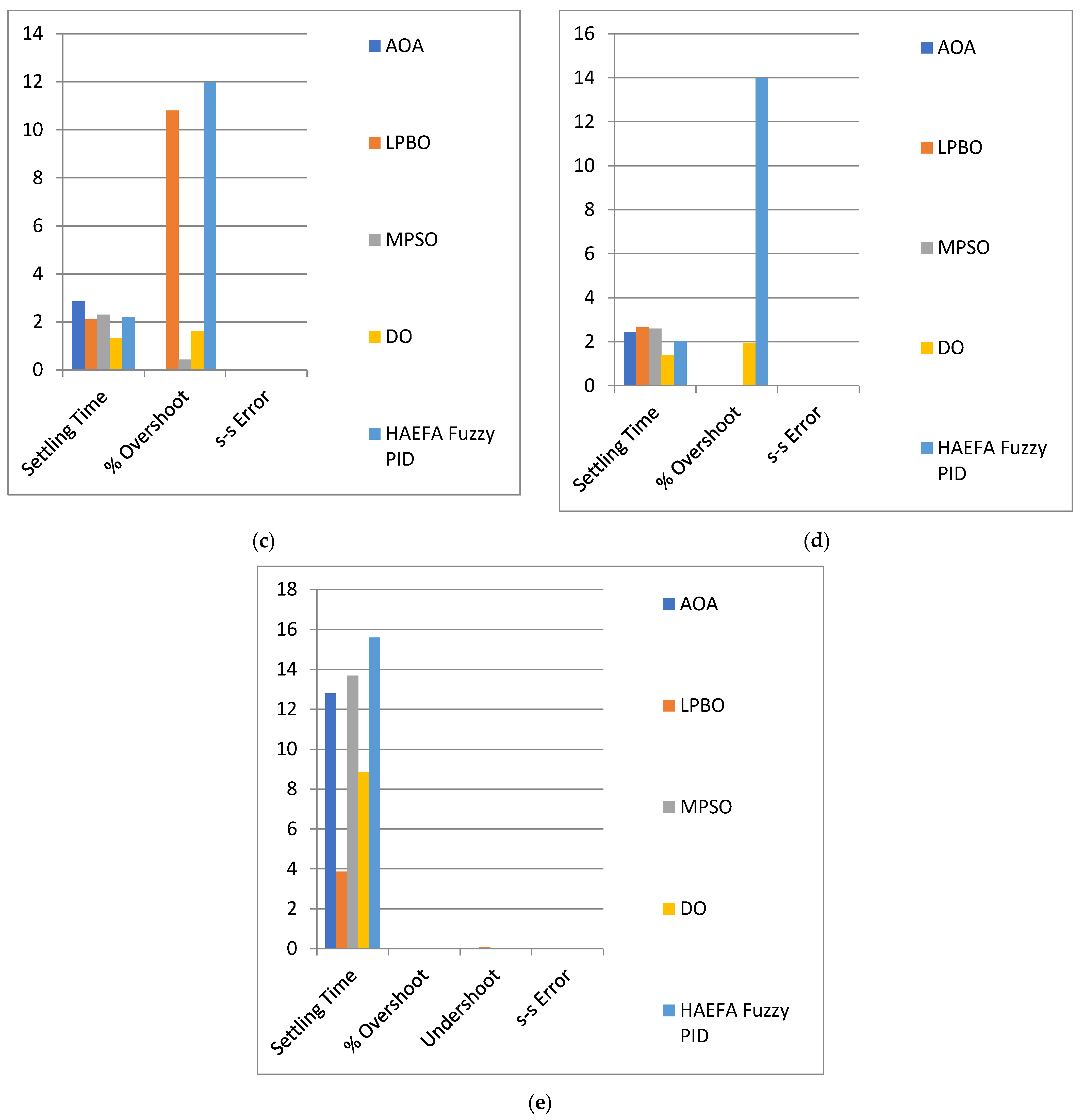
The numerical results of the frequency deviation, terminal voltage and tie-line power deviation responses employing HAEFA Fuzzy PID-, DO-, AOA-, LPBO- and MPSO-based PI-PD control techniques in a two-area multi-source IPS are presented in Table 5, Table 6 and Table 7, respectively. Figure 8 depicts the tie-line power deviation response for a two-area IPS with three sources in each area utilizing the AOA-, LPBO- and MPSO- and DO-based PI-PD control schemes. It can be observed that the LPBO-based PI-PD produced a settling time of 3.87 s, which is better than other control schemes; that is, it is 75% relatively better than the HAEFA Fuzzy PID controller. Moreover, each proposed control scheme provided a negligible% overshoot and undershoot responses. With each control scheme, the steady-state error was zero, as can be observed. Figure 9 depicts a graphical comparison of the AOA-, LPBO-, MPSO- and DO-based PI-PD performance characteristics with the HAEFA Fuzzy PID controller in a two-area IPS. In comparison with the HAEFA fuzzy PID controller, the DO-based PI-PD-based control scheme offered relatively superior frequency, terminal voltage and tie-line power deviation responses.
Table 5.
Numerical results of an LFC in a two-area multi-source IPS.
Table 6.
Numerical results of an AVR in a two-area multi-source IPS.
Table 7.
Numerical results of tie-line power deviation in a two-area multi-source IPS.
Figure 8.
Tie-line power deviation responses in a two-area multi-source IPS.

Figure 9.
Graphical comparison in a two-area multi-source IPS. (a) ∆f1; (b) ∆f2; (c) Vt1; (d) Vt2; (e) Ptie-line.
5.2. Frequency and Voltage Stabilization in a Two-Area Multi-Source IPS with Nonlinearities
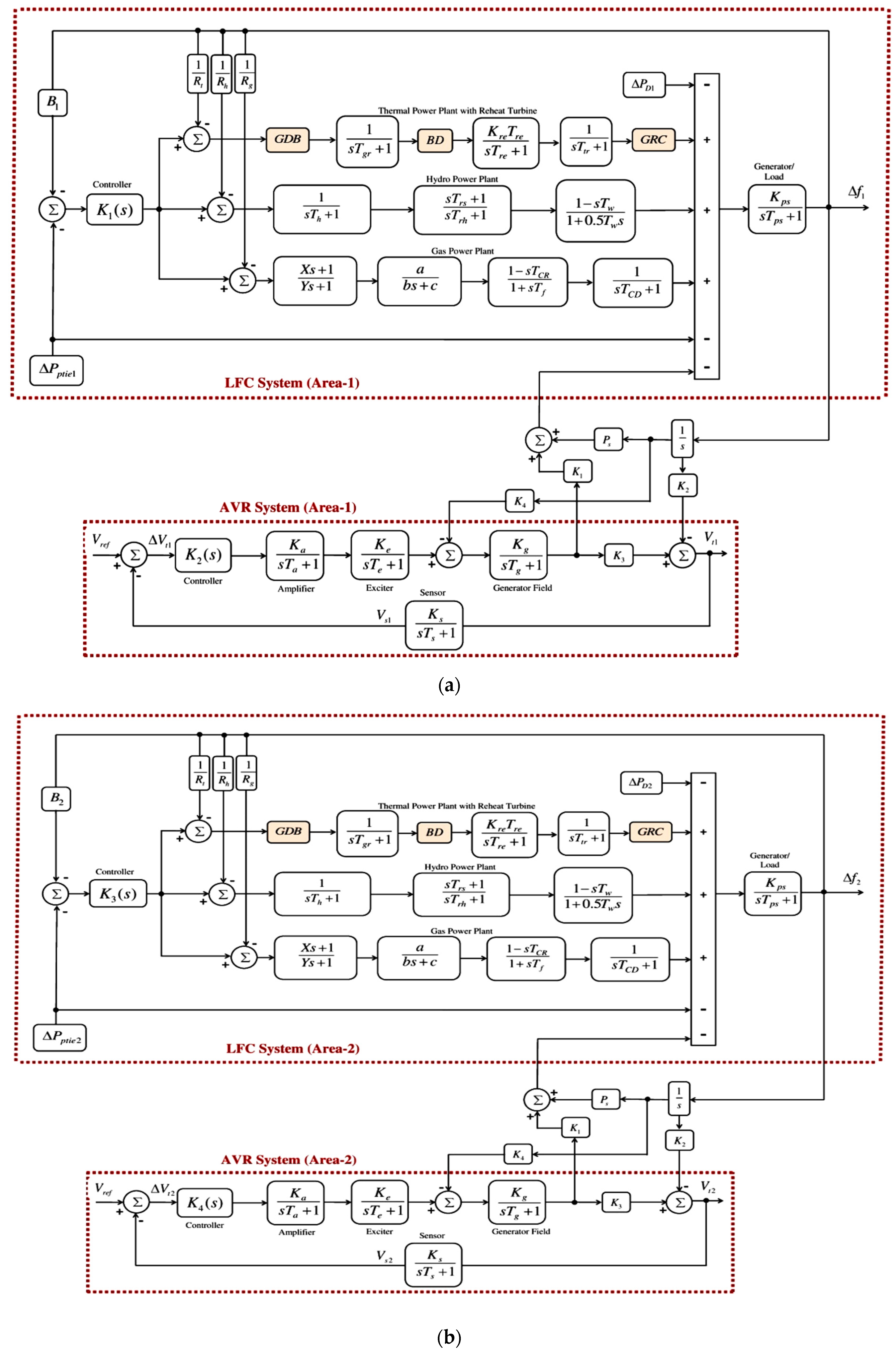
In this section, the proposed methods are applied to a two-area multi-source IPS, considering nonlinearities such as BD, GRC and GDB. In addition, a dynamic analysis of the power system with a 5% SLP in area-1 and area-2. The model under study is shown in Figure 10, and the parameters of the model are listed in Appendix A.
Figure 10.
Two-area multi-source realistic IPS with nonlinearities.
Table 8 provides the optimum values of AOA-, LPBO-, MPSO- and DO-based PI-PD controllers for a two-area realistic IPS with nonlinearities. Figure 11 shows the frequency deviation response, whereas Table 9 presents the numerical results of a realistic IPS with nonlinearities in two areas, each with three sources, employing DO-, AOA-, LPBO- and MPSO-based PI-PD control schemes. Compared withAOA-, LPBO- and MPSO-based PI-PD control techniques, the DO-based PI-PD control strategy provided a settling time of 7.21 s for the area-1 LFC, which is, comparatively, 0.7%, 13% and 7% better. The AOA-, LPBO- and MPSO-based PI-PD control schemes were outperformed by 11%, 7% and 2%, respectively, in terms of settling time for the area-2 LFC using the DO-based PI-PD. As can be observed, the DO-based PI-PD offers a % overshoot and % undershoot response that is considerably better than others in both areas. Further, it can be seen that for each control scheme, the steady-state error is zero.
Table 8.
Optimum controller parameters in a two-area multi-source realistic IPS with nonlinearities.
Figure 11.
LFC responses in a two-area multi-source realistic IPS with nonlinearities. (a) ∆f1; (b) ∆f2.
Table 9.
Numerical results of LFC in a two-area multi-source realistic IPS with nonlinearities.
Table 10 presents the numerical results of terminal voltages utilizing the DO-, AOA-, LPBO- and MPSO-based PI-PD control strategies, while Figure 12 displays the terminal voltage responses in a two-area realistic IPS with nonlinearities. In comparison with AOA-, LPBO- and MPSO-based PI-PD control strategies, the DO-based PI-PD strategy for the area-1 AVR provided a settling time of 3.30 s, which was, respectively, 42%, 32% and 5% superior. As can be seen, the DO-based PI-PD controller offers a relatively superior AVR settling time response in area-2compared with the AOA-, LPBO- and MPSO-based PI-PD controllers by 1%, 51% and 45%, respectively. In both areas, almost zero % overshoot was produced by DO-based PI-PD. The steady-state error is zero again with each control scheme in the proposed IPS.
Table 10.
Numerical results of an AVR in a two-area multi-source realistic IPS with nonlinearities.
Figure 12.
AVR responses in a two-area multi-source realistic IPS with nonlinearities. (a) Vt1; (b) Vt2.
Figure 13 shows the tie-line power deviation curves in a two-area realistic IPS with nonlinearities, while Table 11 lists the numerical results of tie-line power deviation responses using the DO-, AOA-, LPBO- and MPSO-based PI-PD control techniques. It is clear that the AOA-, LPBO-, MPSO- and DO-based PI-PD control techniques delivered sufficient tie-line power deviation responses with minimal undershoots and overshoots. The DO-based PI-PD delivered the lowest settling time (8.52 s) in comparison with all other tuning schemes, which is, respectively, 42%, 41% and 9% better than the LPBO-, AOA- and MPSO-based PI-PD control techniques. In comparison to AOA-, LPBO- and MPSO-based PI-PD control strategies, the DO-based PI-PD produced 0.0056% overshoot, which is, comparatively, 66%, 89% and 84% better. It can be seen that the steady-state error is zero for all control schemes.
Figure 13.
Tie-line power deviation responses in a two-area multi-source realistic IPS with nonlinearities.
Table 11.
Numerical results of tie-line power deviation in a two-area multi-source realistic IPS with nonlinearities.
The performance parameters of the DO-, AOA-, LPBO- and MPSO-based PI-PD control techniques are graphically compared in Figure 14. It is evident that in a two-area IPS with nonlinearities, the PI-PD-based control techniques offer an appropriate transient and steady-state response for terminal voltage, tie-line power deviation and frequency.

Figure 14.
Graphical comparison in a two-area multi-source realistic IPS with nonlinearities. (a) ∆f1; (b) ∆f2; (c) Vt1; (d) Vt2; (e) Ptie-line.
5.3. Frequency and Voltage Stabilization in a Three-Area Multi-Source IPS with Nonlinearities
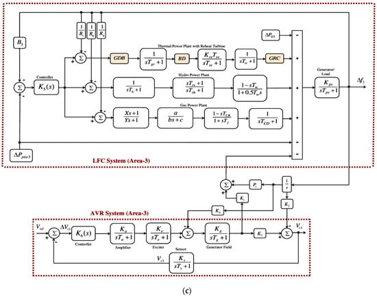
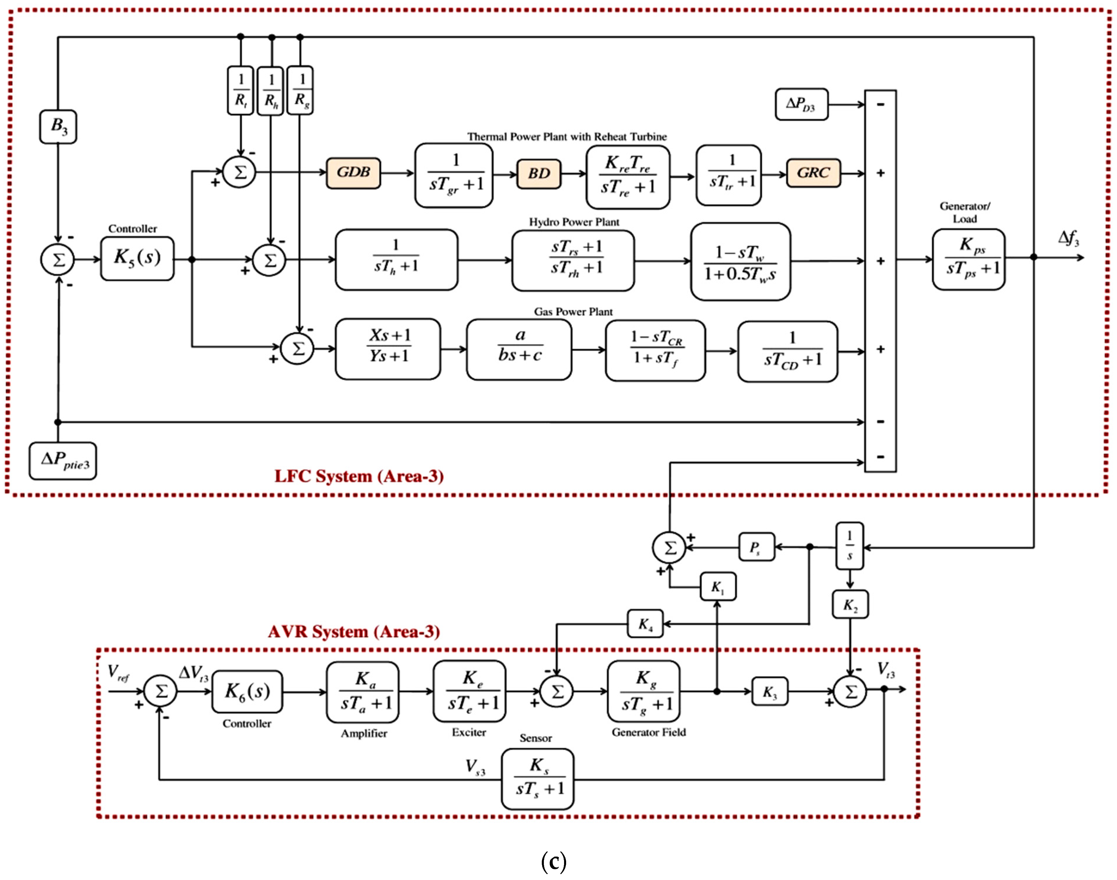
To show the effectiveness of the proposed DO-based PI-PD control scheme, a three-area multi-source IPS with nonlinearities was selected in this section for further investigation. Figure 15 shows the studied model, and Appendix A contains the parameters of the model. In addition, the dynamic analysis of the power system was performed with 2% SLP in area-1, area-2 and area-3. Table 12 shows the optimal parameters of the DO-, AOA-, LPBO- and MPSO-based PI-PD controllers for the three-area IPS with nonlinearities.

Figure 15.
Three-area IPS with combined LFC-AVR. (a) Area-1; (b) Area-2; (c) Area-3.
Table 12.
Optimal values of controller parameters in a three-area multi-source IPS with nonlinearities.
Table 13 presents the numerical results of the frequency deviation in a three-area multi-source IPS and nonlinearities utilizing the AOA-, LPBO-, MPSO- and DO-based PI-PD control schemes, while Figure 16 displays the frequency deviation responses. For the area-1 LFC, the LPBO-based PI-PD provided the quickest settling time of 5.21 s. For the area-2 and area-3 LFCs, all other proposed schemes had slower settling times than the DO-based PI-PD, which offered 7.59 s and 7.54 s, respectively. This means that the DO-based PI-PD controller provided, relatively, a 21%, 23% and 2% better settling time response compared with the AOA-, LPBO- and MPSO-based PI-PD controllers in area-2. Similarly, the DO-based PI-PD controller produced, relatively, a 20%, 10% and 4% better settling time response compared with the AOA-, LPBO- and MPSO-based PI-PD controllers in area-3. It is very clear that the % overshoot and undershoot are almost negligible in all areas with the proposed control schemes. Overall, it can be seen that the DO-based PI-PD outperforms other schemes in terms of settling time and % overshoot and undershoot responses. Moreover, with each control scheme applied to a given system, the steady-state error is zero.
Table 13.
Numerical results of LFC in a three-area multi-source IPS with nonlinearities.
Figure 16.
LFC responses in a three-area multi-source IPS with nonlinearities. (a) ∆f1; (b) ∆f2; (c) ∆f3.
Table 14 presents the numerical results of the terminal voltages in a three-area, three sources/area IPS and nonlinearities utilizing the DO-, AOA-, LPBO- and MPSO-based PI-PD control schemes, while Figure 17 displays the terminal voltage responses. In area-1, area-2 and area-3, respectively, the DO-based PI-PD achieved faster settling times of 3.27 s, 2.02 s and 2.23 s than other suggested techniques. This means the DO-based PI-PD controller provided, relatively, a 20%, 15% and 46% better settling time response compared with the AOA-, LPBO- and MPSO-based PI-PD controllers in the area-1 AVR, respectively. Moreover, the DO-based PI-PD controller produced, relatively, a 47.3%, 28% and 47.4% better settling time response compared with the AOA-, LPBO- and MPSO-based PI-PD controllers in the area-2 AVR, respectively. Finally, the DO-based PI-PD controller yielded, relatively, a 41%, 61% and 68% better settling time response compared with the AOA-, MPSO- and LPBO-based PI-PD controllers in the area-3 AVR, respectively. As can be observed, the overshoot and undershoot are once more quite small in all areas of each control scheme. With each control scheme, the steady-state error is once again zero.
Table 14.
Numerical results of AVR in a three-area multi-source IPS with nonlinearities.
Figure 17.
AVR response in a three-area multi-source IPS with nonlinearities. (a) Vt1; (b) Vt2; (c) Vt3.
Figure 18 shows the tie-line power deviation curves, and Table 15 presents the numerical results of tie-line power deviation in a three-area, three sources/area IPS with nonlinearities using DO-, AOA-, LPBO- and MPSO-based PI-PD control techniques. The DO-based PI-PD provided the quickest settling times of 10.79 s and 10.35 s in area-1 and area-3, respectively. In area-2, the MPSO-based PI-PD provided a settling time of 11.13 s, which is a little bit lower than the settling time of the DO-based PI-PD controller, which was 11.31 s. This means the DO-based PI-PD controller yielded, relatively, a 13%, 11% and 20% better settling time response compared with the AOA-, LPBO- and MPSO-based PI-PD controllers in area-1. Further, the DO-based PI-PD controller produced, relatively, a 2% and 7% better settling time response compared with the AOA- and LPBO-based PI-PD controllers in area-2. Finally, the DO-based PI-PD controller provided, relatively, a 12%, 24% and 13% better settling time response compared with the AOA-, LPBO- and MPSO-based PI-PD controllers in area-3. Overshoots were once again minimal in each control scheme in all areas. The performance metrics of the DO-, AOA-, LPBO- and MPSO-based PI-PD control techniques in a three-area multi-source IPS with nonlinearities are graphically compared in Figure 19. It is evident that the tie-line power deviation, terminal voltage and frequency responses of the DO-based PI-PD controller are significantly better than those of the other control methods.
Figure 18.
Tie-line power deviation responses in a three-area multi-source IPS with nonlinearities. (a) ∆Ptie1; (b) ∆Ptie2; (c) ∆Ptie3.
Table 15.
Numerical results of tie-line power deviation in a three-area multi-source IPS with nonlinearities.

Figure 19.
Graphical comparison in a three-area multi-source IPS with nonlinearities. (a) ∆f1; (b) ∆f2; (c) ∆f3; (d) Vt1; (e) Vt2; (f) Vt3; (g) ∆Ptie1; (h) ∆Ptie2; (i) ∆Ptie3.
6. Conclusions and Future Work
In this work, the performance of a multi-area, multi-source IPS with combined AVR-LFC loops was analyzed. Using DO-, AOA-, LPBO- and MPSO-based PI-PD control schemes, the multi-area, multi-source IPS was studied in detail. For a two-area multi-source IPS with 10% SLP in area-1, DO-,AOA-, LPBO- and MPSO-based PI-PDs yielded 53%, 47%, 39% and 52% quicker settling time responses in the area-1 LFC, whereas they had 32%, 26%, 12% and 32% improved settling times in the area-2 LFC, respectively, compared with the HAEFA Fuzzy PID controller [3], as demonstrated in Table 5. Similarly, the DO-based PI-PD came up with 40% and 31% better settling times than the HAEFA Fuzzy PID in the area-1 and area-2 AVRs, respectively. Moreover, the DO-, AOA-, LPBO- and MPSO-based PI-PDs provided 86%, 99.9%, 10% and 96% better % overshoot responses in the area-1 AVR and 86%, 99.7%, 99.8% and 99.9% better % overshoot responses in area-2 AVR, respectively, compared with the HAEFA Fuzzy PID controller, as presented in Table 6. In comparison with the HAEFA Fuzzy PID controller, it can be seen that the DO-, AOA-, LPBO- and MPSO-based PI-PDs provided 43%, 18%, 75% and 12% rapid tie-line settling time responses, respectively, as depicted in Table 7. For two- and three-area realistic IPSs with nonlinearities and different SLPs, the DO-based PI-PD yielded relatively better LFC settling time responses in both areas compared with the AOA-, LPBO- and MPSO-based PI-PD control schemes, as demonstrated in Table 9 and Table 13, respectively. Similarly, the DO-based PI-PD produced relatively better AVR settling times and % overshoot responses in both areas compared with the AOA-, LPBO- and MPSO-based PI-PD control schemes, as illustrated in Table 10 and Table 14, respectively. Finally, the DO-based PI-PD yielded relatively better tie-line power deviation settling time responses compared with the AOA-, LPBO- and MPSO-based PI-PD control schemes in both areas, as presented in Table 11 and Table 15, respectively. The results show that the use of the proposed DO-based PI-PD control scheme is highly recommended for multi-area multi-source IPSs with nonlinearities. Considering the importance of the work performed so far, in the future, we would like to analyze multi-area, multi-source IPSs with neuro-fuzzy, fractional order and hybrid ANN controllers. In addition, relatively recently developed nature-inspired computational methods such as sea-horse optimization, artificial rabbits optimization, etc., can be explored to determine the best controller parameters for this type of application.
Author Contributions
Conceptualization, T.A. (Tayyab Ali) and S.A.M.; methodology, T.A. (Tayyab Ali) and S.A.M.; validation, S.A.M., A.D. and S.A.; formal analysis, S.A.M., A.D. and S.A.; investigation, T.A. (Tayyab Ali) and S.A.M.; resources, A.D. and S.A.; data curation, T.A. (Tayyab Ali), S.A.M. and A.D.; writing—original draft preparation, T.A. (Tayyab Ali) and S.A.M.; writing—review and editing, T.A. (Tayyab Ali), S.A.M., A.D., S.A. and T.A. (Tamim Alkhalifah); supervision, S.A.M., A.D. and S.A.; funding acquisition, T.A. (Tamim Alkhalifah); All authors have read and agreed to the published version of the manuscript.
Funding
The researchers would like to thank the Deanship of Scientific Research, Qassim University, for funding the publication of this project.
Institutional Review Board Statement
Not applicable.
Informed Consent Statement
Not applicable.
Data Availability Statement
Not applicable.
Conflicts of Interest
The authors declare no conflict of interest.
Appendix A. Power System Parameters and Their Values
| Parameter | Value | Parameter | Value |
| B1, B2, B3 | 0.045 | H | 5 |
| f | 60 | Kps = 1/D | 68.97 |
| Rt | 2.4 | Tps = 2 ∗ H/f ∗ D | 11.49 |
| Rh | 2.4 | K1 | 0.2 |
| Rg | 2.4 | K2 | 0.1 |
| Tgr | 0.08 | K3 | 0.5 |
| Tre | 10 | K4 | 1.4 |
| Kre | 0.3 | Ps | 1.5 |
| Ttr | 0.3 | Ka | 10 |
| Th | 0.3 | Ta | 0.1 |
| Trs | 5 | Ke | 1 |
| Trh | 28.75 | Te | 0.4 |
| Tw | 0.025 | Kg | 0.8 |
| X | 0.6 | Tg | 1.4 |
| Y | 1 | Ks | 1 |
| a | 1 | Ts | 0.05 |
| b | 0.05 | T12 | 0.545 |
| c | 1 | T13 | 0.545 |
| Tcr | 0.01 | T21 | 0.545 |
| Tf | 0.23 | T22 | 0.545 |
| Tcd | 0.2 | T31 | 0.545 |
| D | 0.0145 | T32 | 0.545 |
References
- Dekaraja, B.; Saikia, L.C. Combined Voltage and Frequency Control of Multiarea Multisource System Using CPDN-PIDN Controller. IETE J. Res. 2021, 1–16. [Google Scholar] [CrossRef]
- Ghosh, A.; Ray, A.K.; Nurujjaman, M.; Jamshidi, M. Voltage and frequency control in conventional and PV integrated power systems by a particle swarm optimized Ziegler-Nichols based PID controller. SN Appl. Sci. 2021, 3, 1–13. [Google Scholar] [CrossRef]
- Kalyan, C.N.S.; Goud, B.S.; Reddy, C.R.; Bajaj, M.; Sharma, N.K.; Alhelou, H.H.; Siano, P.; Kamel, S. Comparative Performance Assessment of Different Energy Storage Devices in Combined LFC and AVR Analysis of Multi-Area Power System. Energies 2022, 15, 629. [Google Scholar] [CrossRef]
- Ali, T.; Malik, S.A.; Hameed, I.A.; Daraz, A.; Mujlid, H.; Azar, A.T. Load Frequency Control and Automatic Voltage Regulation in a Multi-Area Interconnected Power System Using Nature-Inspired Computation-Based Control Methodology. Sustainability 2022, 14, 12162. [Google Scholar] [CrossRef]
- Fayek, H.H.; Rusu, E. Novel Combined Load Frequency Control and Automatic Voltage Regulation of a 100% Sustainable Energy Interconnected Microgrids. Sustainability 2022, 14, 9428. [Google Scholar] [CrossRef]
- Dekaraja, B.; Saikia, L.C.; Ramoji, S.K.; Behera, M.K.; Bhagat, S.K. Performance Analysis of Diverse Energy Storage on Combined ALFC and AVR Control of Multiarea Multiunit System with AC/HVDC interconnection. IFAC-Pap. OnLine 2022, 55, 479–485. [Google Scholar] [CrossRef]
- Dekaraja, B.; Saikia, L.C.; Ramoji, S.K. Combined ALFC-AVR Control of Diverse Energy Source Based Interconnected Power System using Cascade Controller. In Proceedings of the 2022 International Conference on Intelligent Controller and Computing for Smart Power (ICICCSP), Hyderabad, India, 21–23 July 2022; pp. 1–6. [Google Scholar] [CrossRef]
- Dekaraja, B.; Saikia, L.C.; Ramoji, S.K.; Behera, M.K.; Bhagat, S.K. Impact of RFB and HVDC link on Combined ALFC-AVR Studies of a GTPP Integrated Hydro-Thermal Systems Using a Cascade Fuzzy PD-TID Controller. In Proceedings of the 4th International Conference on Energy, Power and Environment (ICEPE), Shillong, India, 29 April–1 May 2022; pp. 3–8. [Google Scholar] [CrossRef]
- Ramoji, S.K.; Saikia, L.C.; Dekaraja, B.; Behera, M.K.; Bhagat, S.K. Performance Comparison of Various Tilt Controllers in Coalesced Voltage and Frequency Regulation of Multi-Area Multi-Unit Power System. In Proceedings of the IEEE Delhi Section Conference (DELCON), New Delhi, India, 11–13 February 2022. [Google Scholar] [CrossRef]
- Safiullah, S.; Rahman, A.; Aftab, M.A.; Hussain, S.M.S. Performance study of ADRC and PID for concurrent Frequency-Voltage Control of Electric Vehicle Incorporated Hybrid Power System. In Proceedings of the PESGRE 2022—IEEE International Conference on Power Electronics, Smart Grid, and Renewable Energy (PESGRE), Trivandrum, India, 2–5 January 2022. [Google Scholar] [CrossRef]
- Ramoji, S.K.; Saikia, L.C. Optimal Coordinated Frequency and Voltage Control of CCGT-Thermal Plants with TIDF Controller. IETE J. Res. 2021, 1–18. [Google Scholar] [CrossRef]
- Oladipo, S.; Sun, Y.; Wang, Z. An effective hFPAPFA for a PIDA-based hybrid loop of Load Frequency and terminal voltage regulation system. In Proceedings of the 2021 IEEE PES/IAS PowerAfrica, PowerAfrica 2021, Nairobi, Kenya, 23–27 August 2021. [Google Scholar] [CrossRef]
- Anusha, P.; Patra, S.; Roy, A.; Saha, D. Combined Frequency and Voltage Control of a Deregulated Hydro-Thermal Power System employing FA based Industrial Controller. In Proceedings of the2021 International Conference on Computational Performance Evaluation (ComPE), Shillong, India, 1–3 December 2021; pp. 848–853. [Google Scholar] [CrossRef]
- Kalyan, C.N.S. UPFC and SMES based Coordinated Control Strategy for Simultaneous Frequency and Voltage Stability of an Interconnected Power System. In Proceedings of the 1st International Conference on Power Electronics and Energy (ICPEE), Bhubaneswar, India, 2–3 January 2021. [Google Scholar] [CrossRef]
- Nahas, N.; Abouheaf, M.; Darghouth, M.N.; Sharaf, A. A multi-objective AVR-LFC optimization scheme for multi-area power systems. Electr. Power Syst. Res. 2021, 200, 107467. [Google Scholar] [CrossRef]
- Prakash, A.; Parida, S.K. Combined frequency and voltage stabilization of thermal-thermal system with UPFC and RFB. In Proceedings of the PIICON 2020—9th IEEE Power India International Conference (PIICON), Sonepat, India, 28 February–1 March 2020. [Google Scholar] [CrossRef]
- Kalyan, C.H.N.S.; Rao, G.S. Combined frequency and voltage stabilisation of multi-area multisource system by DE-AEFA optimised PID controller with coordinated performance of IPFC and RFBs. Int. J. Ambient. Energy 2020, 1–20. [Google Scholar] [CrossRef]
- Kalyan, C.H.N.S.; Rao, G.S. Frequency and voltage stabilisation in combined load frequency control and automatic voltage regulation of multiarea system with hybrid generation utilities by AC/DC links. Int. J. Sustain. Energy 2020, 39, 1009–1029. [Google Scholar] [CrossRef]
- Morsali, J.; Esmaeili, Z. Proposing a new hybrid model for LFC and AVR loops to improve effectively frequency stability using coordinative CPSS. In Proceedings of the 28th Iranian Conference on Electrical Engineering (ICEE), Tabriz, Iran, 4–6 August 2020. [Google Scholar] [CrossRef]
- Nahas, N.; Abouheaf, M.; Sharaf, A.; Gueaieb, W. A Self-Adjusting Adaptive AVR-LFC Scheme for Synchronous Generators. IEEE Trans. Power Syst. 2019, 34, 5073–5075. [Google Scholar] [CrossRef]
- Sahani, A.K.; Raj, U.; Shankar, R.; Mandal, R.K. Firefly optimization based control strategies for combined load frequency control and automatic voltage regulation for two-area interconnected power system. Int. J. Electr. Eng. Inform. 2019, 11, 747–758. [Google Scholar] [CrossRef]
- Lal, D.K.; Barisal, A.K. Combined load frequency and terminal voltage control of power systems using moth flame optimization algorithm. J. Electr. Syst. Inf. Technol. 2019, 6, 1–24. [Google Scholar] [CrossRef]
- Rajbongshi, R.; Saikia, L.C. Coordinated performance of interline power flow controller and superconducting magnetic energy storage in combined ALFC and AVR system under deregulated environment. J. Renew. Sustain. Energy 2018, 10, 044102. [Google Scholar] [CrossRef]
- Sharma, D.; Kushwaha, V.; Pandey, K.; Rani, N. Intelligent avr control of a single thermal area combined with lfc loop. Adv. Intell. Syst. Comput. 2018, 624, 779–789. [Google Scholar] [CrossRef]
- Gupta, M.; Srivastava, S.; Gupta, J.R.P. A Novel Controller for Model with Combined LFC and AVR Loops of Single Area Power System. J. Inst. Eng. Ser. B 2014, 97, 21–29. [Google Scholar] [CrossRef]
- Kumar, V. Model Predictive Controller-Based Voltage and Frequency Regulation in Renewable Energy Integrated Power System Coordinated with Virtual Inertia and Redox Flow Battery. Iran. J. Sci. Technol. Trans. Electr. Eng. 2022, 0123456789. [Google Scholar] [CrossRef]
- Sijakovic, N.; Terzic, A.; Fotis, G.; Mentis, I.; Zafeiropoulou, M.; Maris, T.I.; Zoulias, E.; Elias, C.; Ristic, V.; Vita, V. Active System Management Approach for Flexibility Services to the Greek Transmission and Distribution System. Energies 2022, 15, 6134. [Google Scholar] [CrossRef]
- Adewumi, O.B.; Fotis, G.; Vita, V.; Nankoo, D.; Ekonomou, L. The Impact of Distributed Energy Storage on Distribution and Transmission Networks’ Power Quality. Appl. Sci. 2022, 12, 6466. [Google Scholar] [CrossRef]
- Daraz, A.; Malik, S.A.; Waseem, A.; Azar, A.T.; Haq, I.U.; Ullah, Z.; Aslam, S. Automatic generation control of multi-source interconnected power system using FOI-TD controller. Energies 2021, 14, 5867. [Google Scholar] [CrossRef]
- Daraz, A.; Malik, S.A.; Mokhlis, H.; Haq, I.U.; Laghari, G.F.; Mansor, N.N. Fitness Dependent Optimizer-Based Automatic Generation Control of Multi-Source Interconnected Power System with Non-Linearities. IEEE Access 2020, 8, 100989–101003. [Google Scholar] [CrossRef]
- Daraz, A.; Malik, S.A.; Mokhlis, H.; Haq, I.U.; Zafar, F.; Mansor, N.N. Improved-Fitness Dependent Optimizer Based FOI-PD Controller for Automatic Generation Control of Multi-Source Interconnected Power System in Deregulated Environment. IEEE Access 2020, 8, 197757. [Google Scholar] [CrossRef]
- Daraz, A.; Malik, S.A.; Azar, A.T.; Aslam, S.; Alkhalifah, T.; Alturise, F. Optimized Fractional Order Integral-Tilt Derivative Controller for Frequency Regulation of Interconnected Diverse Renewable Energy Resources. IEEE Access 2022, 10, 43514–43527. [Google Scholar] [CrossRef]
- Daraz, A.; Malik, S.A.; Haq, I.U.; Khan, K.B.; Laghari, G.F.; Zafar, F. Modified PID controller for automatic generation control of multi-source interconnected power system using fitness dependent optimizer algorithm. PLoS ONE 2020, 15, e0242428. [Google Scholar] [CrossRef]
- Wang, L.; Cao, Q.; Zhang, Z.; Mirjalili, S.; Zhao, W. Artificial rabbits optimization: A new bio-inspired meta-heuristic algorithm for solving engineering optimization problems. Eng. Appl. Artif. Intell. 2022, 114, 105082. [Google Scholar] [CrossRef]
- Zhao, S.; Zhang, T.; Ma, S.; Chen, M. Dandelion Optimizer: A nature-inspired metaheuristic algorithm for engineering applications. Eng. Appl. Artif. Intell. 2022, 114, 105075. [Google Scholar] [CrossRef]
- Zhao, S.; Zhang, T.; Ma, S.; Wang, M. Sea-horse optimizer: A novel nature-inspired meta-heuristic for global optimization problems. Appl. Intell. 2022. [Google Scholar] [CrossRef]
- Hashim, F.A.; Hussain, K.; Houssein, E.H.; Mabrouk, M.S.; Al-Atabany, W. Archimedes optimization algorithm: A new metaheuristic algorithm for solving optimization problems. Appl. Intell. 2020, 51, 1531–1551. [Google Scholar] [CrossRef]
- MQais, H.; Hasanien, H.M.; Alghuwainem, S. Transient search optimization: A new meta-heuristic optimization algorithm. Appl. Intell. 2020, 50, 3926–3941. [Google Scholar] [CrossRef]
- Rahman, C.M.; Rashid, T.A. A new evolutionary algorithm: Learner performance based behavior algorithm. Egypt. Inform. J. 2021, 22, 213–223. [Google Scholar] [CrossRef]
- Guha, D.; Roy, P.K.; Banerjee, S. Application of backtracking search algorithm in load frequency control of multi-area interconnected power system. Ain Shams Eng. J. 2018, 9, 257–276. [Google Scholar] [CrossRef]
- Guha, D.; Roy, P.K.; Banerjee, S. Symbiotic organism search algorithm applied to load frequency control of multi-area power system. Energy Syst. 2018, 9, 439–468. [Google Scholar] [CrossRef]
- Tripathy, S.C.; Balasubramanian, R.; Nair, P.S.C. Effect of Superconducting Magnetic Energy Storage on Automatic Generation Control Considering Governor Deadband and Boiler Dynamics. IEEE Trans. Power Syst. 1992, 7, 1266–1273. [Google Scholar] [CrossRef]
- Zou, H.; Li, H. Tuning of PI-PD controller using extended non-minimal state space model predictive control for the stabilized gasoline vapor pressure in a stabilized tower. Chemom. Intell. Lab. Syst. 2015, 142, 1–8. [Google Scholar] [CrossRef]
- Raja, G.L.; Ali, A. New PI-PD Controller Design Strategy for Industrial Unstable and Integrating Processes with Dead Time and Inverse Response. J. Control Autom. Electr. Syst. 2021, 32, 266–280. [Google Scholar] [CrossRef]
- Kaya, I. Optimal PI-PD Controller Design for Pure Integrating Processes with Time Delay. J. Control Autom. Electr. Syst. 2021, 32, 563–572. [Google Scholar] [CrossRef]
- Irshad, M.; Ali, A. Robust PI-PD controller design for integrating and unstable processes. IFAC-Pap. OnLine 2020, 53, 135–140. [Google Scholar] [CrossRef]
- Peram, M.; Mishra, S.; Vemulapaty, M.; Verma, B.; Padhy, P.K. Optimal PI-PD and I-PD Controller Design Using Cuckoo Search Algorithm. In Proceedings of the 5th Conference on Signal Processing and Integrated Networks (SPIN), Noida, India, 2–3 February 2018; pp. 643–646. [Google Scholar] [CrossRef]
- Ali, T.; Malik, S.A.; Adeel, M.; Amir, M. Set point tracking of Ball and Beam System Using Genetic Algorithm based PI-PD Controller. NUST J. Eng. Sci. 2018, 11, 12–16. [Google Scholar] [CrossRef]
- Zheng, M.; Huang, T.; Zhang, G. A New Design Method for PI-PD Control of Unstable Fractional-Order System with Time Delay. Complexity 2019, 2019, 3253497. [Google Scholar] [CrossRef]
- Ali, T.; Adeel, M.; Malik, S.A.; Amir, M. Stability Control of Ball and Beam System Using Heuristic Computation Based PI-D and PI-PD Controller. Tech. J. 2019, 24, 21–29. [Google Scholar]
Publisher’s Note: MDPI stays neutral with regard to jurisdictional claims in published maps and institutional affiliations. |
© 2022 by the authors. Licensee MDPI, Basel, Switzerland. This article is an open access article distributed under the terms and conditions of the Creative Commons Attribution (CC BY) license (https://creativecommons.org/licenses/by/4.0/).