Abstract
To reduce the allocation of land for the construction of electric power facilities, it is possible to leverage multi-circuit overhead transmission lines (MCTLs), in which the conductors of several circuits of different voltage classes are placed on the same tower. The unique features of the arrangement of conductors on MCTL towers cause unequal inductances and capacitances of different phases. In addition, there are significant mutual electromagnetic influences on the line circuits. To account for these factors, it is advisable to model the power flow of electric power systems equipped with MCTLs using the phase frame of reference. On the basis of such models, it is possible to determine the power flows while taking into account lateral and transverse asymmetries and to analyze electromagnetic safety conditions along the routes of multi-circuit transmission lines. We proposed a technique for modeling power flows and electromagnetic fields of multi-circuit power transmission lines, in which conductors of several circuits of different voltage classes are placed on the same tower. The methodology is based on the application of phase coordinates, which are the most natural description of three-phase power systems. The method is versatile enough to be applied to solving the specified problems for MCTLs of different designs. The article presents the results of research aimed at developing a method for modeling MCTL power flows. The results of modeling power flows of an electrical network including a three-circuit power transmission line are presented. The practical use of the models developed by the authors will make it possible to make well-grounded choices regarding the options for the use of multi-circuit power lines.
1. Introduction
The issue of reducing the allocation of land for the construction of power transmission lines (transmission lines) has become particularly urgent in recent years. One of the most effective ways of addressing this issue can be put into practice on the basis of applying power transmission lines of multi-circuit design [1,2]; in this case, the conductors of several lines of different voltage classes are placed on the same transmission tower (see Figure 1).
Figure 1.
Design of transmission towers of (a) a six-circuit 2 × 380 kV + 2 × 220 kV + 2 × 110 kV MCTL and (b) a four-circuit 2 × 400 kV + 2 × 110 kV MCTL.
Multi-circuit overhead transmission lines (MCTLs) have been in use since the seventies of the last century. For example, Germany uses a six-circuit MCTL with four cross arms: the top two are used to secure 380 kV line conductors. The conductors of two 220 kV lines are placed on the middle cross arm, and the same number of 110 kV line conductors are placed on the bottom cross arm (Figure 1a). The total number of conductors placed on the transmission tower is eighteen. A four-circuit 66–230 kV transmission line was built in Egypt, and a similar line with 400 and 110 kV circuits operates in Slovakia (Figure 1b).
The following MCTLs are currently installed in Russia:
- Four-circuit 110 kV line in the Tyumenenergo grid;
- A 220–110 kV MCTL located in the Moscow region;
- Three-circuit sections of the 500 kV line providing power transmission from the Sayano–Shushenskaya HPP.
The classification of transmission lines according to the number of circuits is illustrated by the diagram and photos of the transmission towers shown in Figure 2.
Figure 2.
Classification of overhead power lines by number of circuits.
For MCTL construction, tower designs are used that differ in material, version of the structure, and the way current-conducting parts are secured. On conventional single-circuit and double-circuit lines, standard designs of wooden, metal, and reinforced concrete transmission towers are used. For MCTLs, towers of unique design are developed, some of which are shown in Figure 3. The most promising for the construction of MCTLs are multifaceted towers (see Figure 3a,b). Low-voltage MCTLs can be constructed on the basis of using insulated conductors (see Figure 4).
Figure 3.
Towers of high-voltage MCTLs.
Figure 4.
Four-circuit overhead line with insulated conductors.
It is difficult to ensure a symmetrical arrangement of conductors on MCTL towers. Therefore, these lines have different values of phase inductances and capacitances. In addition, due to the close proximity of the conductors of different circuits, there are significant electromagnetic interferences between them. To account for these factors, it is advisable to use the phase frame of reference for modeling the power flows of electric power systems (EPS) equipped with MCTLs [3]. On the basis of such models, it is possible to determine the power flows while taking into account lateral and transverse asymmetries and to analyze electromagnetic safety conditions along the routes of multi-circuit transmission lines. The method is versatile enough to be applied to solving the specified problems for MCTLs of different designs.
The relevance of the research tasks of electric power systems equipped with MCTLs is attested by a large number of studies devoted to these issues. For example, article [4] presents the results of an analysis of a zero-sequence power directional unit for multi-circuit transmission lines with different voltage levels. It discusses the characteristics of the zero-sequence power directional unit for MCTLs under different types of faults. The results of the analysis carried out by the authors showed that mutual zero-sequence induction between transmission lines will affect the operation of this unit and in some cases lead to errors. This fact confirms the relevance of research aimed at developing accurate MCTL models.
Studies [5,6] were devoted to determining the optimal phase sequence of the MCTL. They emphasized that the arrangement of MCTL phase wires is various, so it is very difficult to choose the optimal sequence. Therefore, the task of optimizing the phase sequence of the MCTL is highly relevant. Article [7] proposed an insulation design to improve the lightning protection of multi-circuit transmission lines. The article proposed a new method for insulation design for multi-circuit transmission lines. Its efficiency was confirmed by calculations for a four-circuit 220 kV transmission line, which also confirmed the relevance of work on MCTL modeling. In [8], the interaction of multi-circuit overhead power lines of different voltages placed on the same tower was analyzed. It emphasized that a common technical solution is the joint use of routes of overhead power transmission lines operating at different voltages, with the circuits of lines of different voltages laid on the same towers. This caused electromagnetic interaction between them. The study considered the theoretical mechanism of the interaction, provided some practical examples, and described possible measures to reduce negative influences. Article [9] studied the electromagnetic environment of MCTL routes. It pointed out that extra-high-voltage MCTL technology is one new transmission technology that can reduce route size and increase transmission capacity per unit area. However, the issue of electromagnetic compatibility is one of the key factors affecting the feasibility of extra-high-voltage MCTLs, so it is important to study electromagnetic fields on the routes of such lines. The results of modeling transients on multi-circuit EHV/HV overhead lines were presented in [10]. The article described a transient analysis method for MCTLs. The presented algorithm was based on an approach in which the wires were modeled by two-port cascades coupled with inductive and capacitive couplings. For the network model under consideration, a system of equations was formed and solved in the MATLAB environment. An accurate fault location method for multi-circuit series compensated transmission lines was described in [11]. The paper presented a method of fault location for MCTLs using phasor data from intelligent electronic devices. The method considered untransposed sections and the distributed nature of the line. The paper presented an algorithm for analyzing the inductive and capacitive influences between parallel conductors of multi-circuit power transmission lines during short circuits. The effect of the short circuit on the conductors of a multi-circuit power line was studied in [12]. The issues of research and the prediction of induced voltages on the MCTL were investigated in articles [13,14]. The first of these presented an MCTL model for studying induced voltage and current. By calculation and analysis, the factors affecting the magnitude of induced voltage and the current between circuits were obtained. Machine learning algorithms were used to quickly and accurately predict the magnitude of induced voltage. Article [14] stressed that the MCTL effectively solves the problems associated with the construction of transmission lines in scarce transmission corridors, but it will create strong electromagnetic and electrostatic couplings, causing large induced voltages and currents. To ensure a reasonable choice of MCTL parameters and stable and reliable operation, it is essential to carry out simulation calculation research and make predictions for various conditions of its operation. Article [15] was devoted to solving the problems of analyzing the transient characteristics of a 132 kV transmission line connected to a wind farm. The results of the experimental and numerical analysis of overvoltages in PV systems were presented in article [16].
Analysis of the above research contributions allows us to conclude that the objectives of MCTL research prove relevant and many important issues related to the development and operation of MCTLs have been solved. However, a comprehensive method for modeling the power flows and electromagnetic safety conditions of such lines has not been proposed in the studies known to the authors. Below are the results of research aimed at developing such a method based on the techniques for modeling the power flows of electric power systems using the phase frame of reference described in [3,17]. The equations of the steady state, compiled on their basis, provide an adequate description of the real modes of the EES, characterized by longitudinal and transverse asymmetry, and also allow you to correctly take into account the mutual electromagnetic influences of the MCTL circuits. Along with determining the modes and electromagnetic fields of MCTL, it is possible to calculate the electromagnetic effects of MCTL on adjacent power lines and calculate the induced voltages; this ensures correct operation in the near, intermediate, and far zones of the Carson integral [18]. Mode calculations can be carried out at the fundamental frequency and frequencies of higher harmonics [19], which makes it possible to take into account the presence of harmonic distortions. After determining the network mode, the calculation of the strength of the electromagnetic field created by any of the multi-wire transmission lines that are part of the simulated system can be performed.
The article includes two main sections. The first one describes a technique for modeling the modes of electric power systems in phase coordinates based on lattice equivalent circuits, which are a set of RLC elements connected according to the scheme of complete graphs. It also gives a method for determining the electromagnetic fields of multi-wire power lines. The second section presents the results of modeling the modes and electromagnetic fields of a three-circuit power transmission line. For comparison, a corridor of similar transmission lines mounted on separate supports was modeled, while the lines of the transmission lines were separated by distances that reduced electrical and magnetic influences to a minimum.
2. Modeling Methodology
In the most general form, the problem of modeling power system power flows can be presented in the form of the following functional transformation [17]:
where ϰ is the nonlinear operator; is the vector of input data; X is the vector of power flow parameters; S is the set of data describing the structure and parameters of power supply system elements; V is the parameter characterizing generators and loads.
On the basis of the transformation (1), a system of steady-state equations is formed, which in the general case is nonlinear.
The models proposed in the article are based on the technology for determining the power flow of electric power systems using the phase frame of reference, as described in [3], and adapted to the problems of determining the power flows of networks with multi-circuit transmission lines. The following is a concise description of the key defining modeling features.
The methods for modeling power flows that use the phase frame of reference [3] are based on the application of equivalent lattice circuits (ELC), which are RLC elements connected into complete graphs. The following formalized definition can be written for ELCs:
where TEC is ELC designation; hub is the set of ELC hubs; and con is the set of ELC connections.
The main elements forming a three-phase/single-phase network can be divided into two groups:
- Elements for transporting electricity: overhead and cable power lines, current-carrying wires, etc.
- Transducer elements: transformers of various designs.
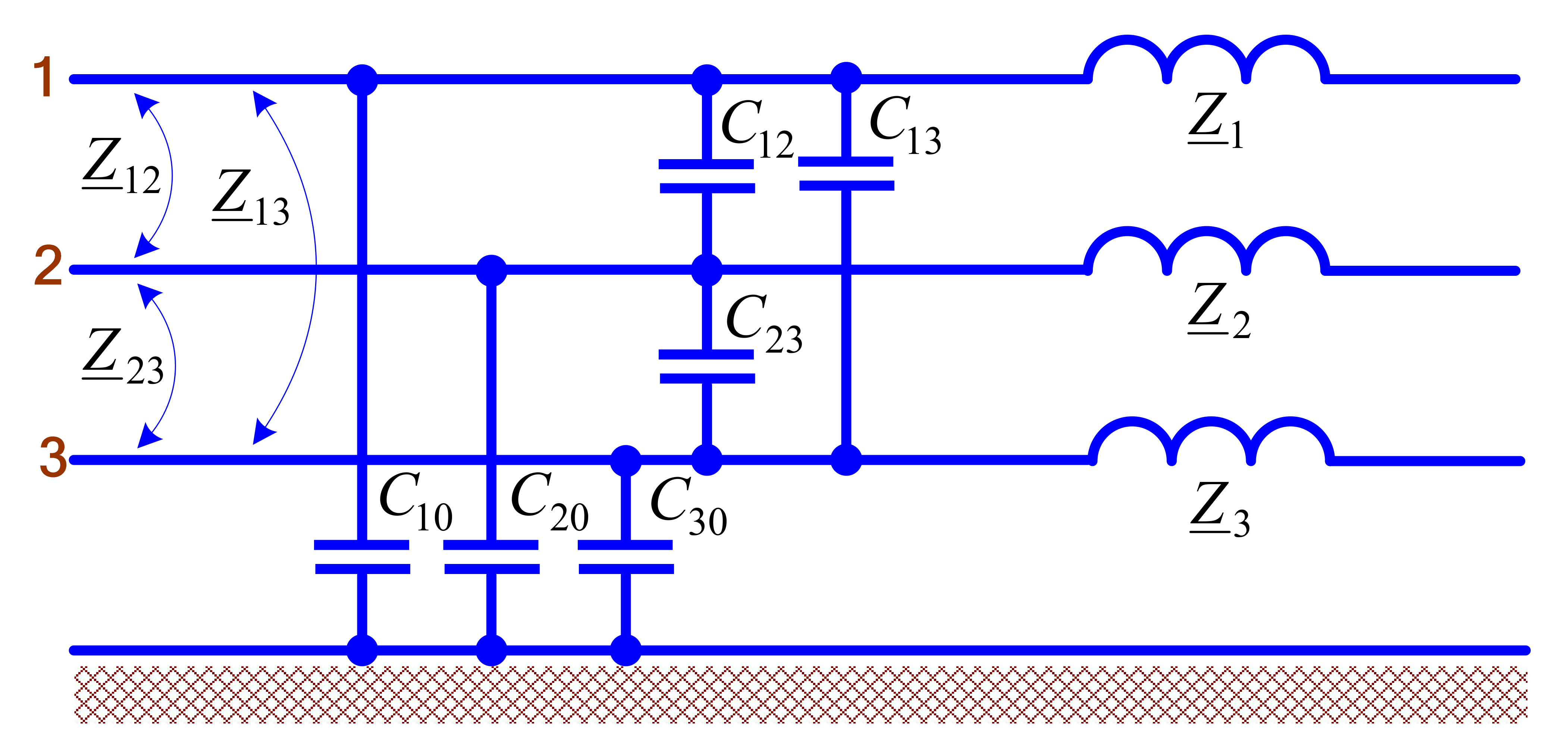
The above devices lend themselves to generalized treatment as static multi-wire elements (SMEs), which are a set of wires or windings with electromagnetic couplings (Figure 5).
Figure 5.
Original circuit of the power transmission line.
Phase coordinates are the most natural description of three-phase power systems. Steady-state equations can be formed on their basis; these provide an adequate description of the actual power flows of the power system, characterized by longitudinal and transverse unbalance.
An equivalent lattice circuit for the power line, the original circuit of which is shown in Figure 5, can be obtained as follows. First, the ELC conductivity matrix is formed (with a dimension of n = 2r) without taking into account the capacitive coupling between the wires, as well as between the wires and the ground [3]:
where
; is the initial matrix of element impedances of dimension rxr that factors in the mutual inductive couplings between the wires; ; r is initial number of transmission line wires without taking into account their coupling; and M0 is the matrix determined on the basis of the relation , where Er is identity matrix of dimension r × r.
The conductivity matrix, given capacitive couplings, is formed on the basis of the relationship [3]
where ; ω = 314 rad/s; B = ; is the matrix of potential coefficients; and its dimension is r × r.
The following expressions can be used to calculate the potential coefficients included in matrix A:
where is vacuum permittivity; h is the height of the wire above the ground, taking into account the sag (two-thirds of the sag below the height of the attachment point at the tower); is the distance from wire i to wire j; is the distance from wire i to the mirror image of the wire j; and r is the radius of the wire.
Based on matrix B = , the intrinsic and mutual partial capacitances can be calculated. Shunts are added to the hubs of the lattice circuit whose impedance values are determined by half of the corresponding intrinsic capacitance. In addition, on each side of the wire system, additional connections are formed with impedance values calculated by half the values of the corresponding mutual capacitances (Figure 6).
Figure 6.
Lattice circuit of a three-wire power line, taking into account capacitive susceptance.
For transformers, the ELC matrix is formed on the basis of the following relation [3]
where ; is the matrix of the electrical impedance values of the transformer windings; is the matrix of magnetic reluctance values; and W1 and W2 matrices are composed of the number of turns of transformer windings in accordance with the expressions given in [3].
Based on the winding connection arrangement, matrix is transformed by combining the corresponding hubs and adding the resulting parallel connections of the lattice circuit. The above transformation can be illustrated as follows. Assuming, without a loss of generality, that the hubs to be merged have final numbers, we can divide matrix into blocks [3]:
where is the block of size k × k corresponding to the hubs to be merged.
Then, the transformed matrix can be represented in the following form [3]:
where and k is the dimensional all-ones vector.
Based on matrices , k = 1…n, of the individual elements of the power system, a network model is formed. The way it is formed as a conductivity matrix can be illustrated by the ring network example shown in Figure 7. This matrix can be obtained on the basis of the following transformation [3]:
where is a generalized incidence matrix consisting of 3 × 6 submatrices. Row blocks including three rows correspond to three-phase network hubs. Column blocks, consisting of 6 columns, correspond to the connections in the single-line representation. Each row block of the matrix has at least one submatrix of the form
Figure 7.
Network schematic: = conductivity matrices of lattice circuits of power lines; gray arrows show the positive directions of currents; k = 1…3.
This matrix indicates the existence of a connection between the corresponding three-phase hub and the three-phase connections of the network circuit graph. The plus sign means that the direction of the connection is “from the hub”, and the minus sign means “to the hub”. The block diagonal matrix has the form
On the basis of the obtained matrix , a system of steady-state equations is formed, which can be represented as follows:
where is the vector of the hub phase-to-neutral voltages and is the vector of the reference currents.
When fixing the voltages in the balancing hubs, system (12) can be formed as follows [3,17]:
where is the vector of voltages of balancing hubs, , and represents the blocks corresponding to the network connections connected to the balancing hubs.
After excluding the equations corresponding to the balancing hubs, we can write [3,17]:
Replacing currents with powers leads to the following system of nonlinear steady-state equations [3,17]:
where is the vector of complex conjugate hub powers and is the vector of complex conjugate hub voltages.
After separating the real and imaginary components, the system (15) can be represented in the following general form [3,17]:
where X is the vector of dependent variables, including real and imaginary parts or moduli and phases of the hub voltages, and V is the vector of independent variables, including active and reactive powers of generators and loads.
The described approach makes it possible to model multi-wire transmission lines of any design, including multi-circuit lines, on the supports of which several circuits of various voltage classes are placed; at the same time, the correct accounting of electrical and magnetic connections between the wires, including between the current-carrying parts of different circuits, is ensured.
When modeling in the phase frame of reference, the method of forming the vector V is significantly different from the one assumed in the traditional, single-line formulation, in which loads and generators are included in relation to the common grounded hub. Using the phase frame of reference requires the consideration of loads and generators connected between ungrounded hubs, which changes the structure of the equations. In addition, it is necessary to be able to include in the connection the sources of EMF and current as well as 1-port networks with a given voltage modulus or phase.
If there are n hubs in the network in the three-line problem statement, the (n + 1)-th hub with zero potential can be considered the reference hub. Network hubs may contain loads between them and the ground, active and reactive power sources with one pole connected to the ground, and shunts in the ground. According to the nature of the loads, power system hubs can be divided into six types:
- Hubs without loads and generation;
- Hubs with loads included between the hub and ground, given constant powers;
- Hubs with loads varying in static characteristics;
- Hubs with regulated reactive power sources;
- Hubs with fixed generation of active and/or reactive power;
- Hubs balancing active and (or) reactive power.
EMF sources can be converted to current sources or represented by a connection-balancing active and reactive power simultaneously.
Unlike hubs, connections of different types are very different, and in order to optimize the algorithm, connections can be combined into three groups:
- Passive RL connections with perfect transformers;
- Connections with unchanged loads or loads that change with respect to their static characteristics, having the ability to generate constant active and reactive power, with the load and generation separated in the algorithm;
- Connections with current sources.
When forming the ELC of a power line it is necessary to determine the internal resistance and mutual impedance of wires. The external impedance can be calculated as per the following formula [3]:
where is the ground’s specific conductivity; ; , i.e., the vacuum magnetic permeability; f is cyclic frequency; and r is the equivalent wire radius.
The internal [3]:
where R0 is the ohmic resistance and S is the cross-sectional area of the wire.
For aluminum and copper wires, the skin effect is taken into account [3]:
Approximate formulas can be used that, when the condition is satisfied, result in errors not exceeding a fraction of a percent [3]:
where . Given , the following approximate equality holds true [3]
For large values of the parameter x, the following expression can be used [3]:
For wires made of steel, it makes most sense to apply the following formula [3]:
One can determine the impedance of mutual inductive coupling using Carson’s equations [17] for straight wires over the surface of a flat uniform ground, which takes into account the return of currents along the ground. They allow finding the self-impedance of a wire and the mutual impedance of two parallel wires for flat ground with a uniform structure [16]
where H/m; is the distance between wire i and the mirror image of wire k, m; and rik is the distance between wires i and k (in m).
If we neglect the displacement currents in the ground, the quantity determines the addition due to the finite ground conductivity and can be found as per the following formula [18]:
where
; ;
; is the ground’s specific resistivity in Ohm·m; = 0.8905362; ; and (xi, yi), (xk, yk) are the coordinates of wires (m).
For software implementation, it is reasonable to transform the formula (29) to the following form [20]:
Reducing computational costs can be achieved by using recurrence relations [20]:
For the self (external) impedance , .
The described approach, based on the expansion of the integral in a series, is used for the intermediate zone of the Carson integral, which depends on the distance a between the wires and the soil resistance ρ. For parallel wires, this zone is defined as follows:
- For 15 m ≤ a ≤ 250 m at ρ = 1 Ohm·m;
- For 90 m ≤ a ≤ 1800 m at ρ = 50 Ohm·m;
- For 400 m ≤ a ≤ 8000 m at ρ = 1000 Ohm·m.
In the intermediate zone, the approximating formulas that are usually used for the near and far zones are not applicable. For wires of power transmission lines located on the same support (including multi-circuit power lines), the above relations for the intermediate zone are not valid and approximate formulas for the near zone can be used. The need for expansion into a series arises when determining the induced voltages on disconnected adjacent lines, as well as when modeling transmission line corridors, as discussed in the next section.
With the help of the described methodology, the power flows of the power system are determined and the induced voltages are calculated. The technique works correctly in the near, intermediate, and far ranges of Carson’s integral, and also allows one to take into account the presence of harmonic distortions. The methodology enables capturing the distributive nature of power line parameters by forming a ladder circuit.
After the network power flow is determined, as a result of solving the system of Equation (4), we can calculate the strengths of the electromagnetic field created by any of the multi-wire power lines that are part of the system being modeled. If the Y-axis of the Cartesian coordinate system is chosen to be directed vertically up, the X-axis is perpendicular to the line axis so that the Z-axis is opposite to the current, and the components of the electric field strength of the system of N wires at the point with coordinates (x, y) are determined by the following formulas [19]:
where is the charge of the wire i per unit length, determined from the first group of Maxwell’s equations
Here, is the column vector of voltages of wires in relation to the ground and is the column vector of charges of wires.
The elements of the matrix of potential coefficients are defined as follows [19]:
where and are the coordinates of the location of wire i with the radius of above the ground (y = 0 corresponds to the surface of a flat ground) and is vacuum permittivity.
After the transition from the complex effective values of the components and to the time dependences, we can obtain the parametric equations of the hodograph of the electric field strength vector [19]
where the multiplier is required due to the fact that the voltage calculations are based on the current values, and = 314 rad/s.
The field strength reaches its maximum value at the times defined by the following equation [19]:
Choosing one of the arctangent values is subject to the condition of a negative value of the second derivative [19]
The effective value of the field strength along direction , counted from the positive direction of the X-axis, is equal to the following [19]:
Extreme values of strength are calculated as per the following formula [17]:
The plus sign corresponds to the maximum, and the minus sign to the minimum. When calculating the field near the ground surface, the error of simple quadratic summation usually does not exceed 10% in the direction of overestimation of the maximum effective value.
The vertical and horizontal components of the magnetic field strength created by all wires are calculated using the following formulas [19]:
To determine the electric and magnetic field strengths, the network power flow is calculated, the charges and currents of the wires are determined and the components of are found.
The described method allows one to simplify significantly the calculation of EMF strengths. Indeed, in the traditional statement, this problem requires solving partial differential equations. Its solution achieved by traditional methods is significantly more complicated in the presence of non-uniformities of the underlying surface, as well as the need to take into account the extended conductive facilities (pipelines, etc.).
Calculations of electric and magnetic field strengths as performed in accordance with the proposed method can be classified as those belonging to integral calculation methods with the distribution of charges on dummy-grounded conductors located on the surface of a non-flat (but plane-parallel) ground or on the surface of the conductive boundary of a conductive structure. In contrast to the varieties of integral methods currently in use, the charge calculations are performed by calculating the power flows using the phase frame of reference. After calculating the power flow of a system that includes SMEs as its part, one can determine the charges of the wires per unit length.
The methodology is generalized to the calculation of EMF at power line crossings, as well as to the determination of strengths, which takes into account harmonic distortions [19].
The efficacy of modeling power flows and electromagnetic fields was validated by comparing the obtained results with measurements of real-world facilities. For example, the difference in the calculated and measured unbalance coefficients in the reverse sequence did not exceed 0.5%, and the difference in the values of phase voltages was less than 2.5%. Differences in the results of the calculations and measurements of EMF strengths did not exceed 2%.
The described technique for modeling modes and electromagnetic fields in phase coordinates can be used to model the modes of electric power systems, which include multi-circuit power lines characterized by strong electromagnetic connections between individual circuits. The results of the simulation performed for a three-circuit power transmission line are presented in the next section. Figure 8 shows a fragment of the graph of the lattice equivalent circuit of this line.
Figure 8.
A fragment of the graph of a three-circuit power line: the numbers indicate the numbers of wires.
3. Simulation Results
As an example of the MCTL, we consider a three-circuit 110–220 kV transmission line, the design of which is described in detail in [1]. To model operating conditions and electromagnetic fields (EMF) in the phase frame of reference, we used the Fazonord software package [3]. In order to compare the obtained results, we calculated the power flows and EMF of the corridor of 110–220 kV transmission lines mounted on separate towers. The coordinates of the location of the AS-300 conductors are shown in Figure 9. A diagram illustrating the way conductor transposition is performed is shown in Figure 10.
Figure 9.
Coordinates of conductors: (a) three-circuit transmission line; (b) corridor of three transmission lines.
Figure 10.
Transmission line transposition diagram.
For modeling, we used analytical models, the appearances of which are shown in Figure 11 and Figure 12. In addition to the transmission lines described above, these models included 630 MVA 15/220 kV and 200 MVA 230/115 kV transformers. Loads of the same phase were connected at the receiving ends of the transmission line. In the initial power flow, their capacities are assumed to be 50 + j25 MVA for each 220 kV line and 20 + j10 MVA for 110 kV transmission lines.
Figure 11.
Equivalent circuit used by the Fazonord software package with a three-circuit line.
Figure 12.
Equivalent circuit used by the Fazonord software package with transmission line corridor.
4. Discussion
The results shown in Table 1, Table 2, Table 3 and Table 4 and Figure 13 indicate that the power flows of the three-circuit line and the line corridor do not differ very much. For example, the maximum difference in active power losses is slightly more than 5%. At higher loads, the asymmetry of the MCTL exceeds that of the transmission line corridor. The greatest differences are observed in 110 kV circuits. The voltage levels in this circuit are lower than in the transmission line corridor.
Table 1.
Calculation results for a three-circuit transmission line.
Table 2.
Load capacities, losses, and unbalance of a three-circuit transmission line.
Table 3.
Calculation results for the transmission line corridor power flow.
Table 4.
Load capacities, losses, and unbalance of the transmission line corridor.
Figure 13.
Losses as a function of transmitted active power.
Different phase sequences of transmission line conductors must lead to changes in the electromagnetic field of a three-circuit transmission line. Using a directed search of phase sequence options (Table 5), it is possible to find a rational way of phase sequencing; however, due to the presence of transposition, the task of minimizing the voltages is actually feasible only on one of the line sections.
Table 5.
Phase sequence options for the conductors of the first section of a three-circuit line.
Calculations of EMF strength values were performed at initial power flow loads for the beginning of the first section of the MCTL and transmission line corridor. The results of the EMF calculations are illustrated in Figure 14, Figure 15, Figure 16 and Figure 17. The x-axis was perpendicular to the line route.
Figure 14.
Losses as a function of transmitted active power.
Figure 15.
Amplitudes of the magnetic field strength of the transmission line corridor at the beginning of the first section as a function of the coordinate x.
Figure 16.
Amplitudes of electric field strength at the beginning of the first section of the three-circuit line as a function of the coordinate x by phase sequence options.
Figure 17.
Magnetic field strength amplitudes at the beginning of the first section of the three-circuit line as a function of the coordinate x by phase sequence options.
The results presented in Figure 16 show that when using options 2, 3 and 4, the maximum electric field strengths can be reduced by 30 … 40%. Options 1 and 7 provide a decrease in tensions at negative values of the x coordinate. Changing the phasing allows you to reduce the magnetic field strength when using options 3, 6 and 7, and it is possible to reduce the maximum values by 35 … 40%.
The maximum electric field strength values of the three-circuit line and the transmission line corridor for the initial power flow differ slightly. When arranging the phase sequence of conductors as provided by options 2, 3, and 4, one can identify a noticeable decrease in the MCTL strength values in the ten-meter range of changes in the x-coordinate (Figure 15).
The maximum magnetic field strength values of a three-circuit transmission line are about three times higher than those of a corridor of lines. However, the transmission line corridor has a wider range of coverage by the transmission line cross-section field. By varying the phase sequence of the three-circuit transmission line, it is possible to reduce the values of the strength of the magnetic field generated by it (Figure 16).
In practice, the described method of varying the phasing can be used when passing a power line section through a residential area, where strict requirements for electromagnetic safety are established. In the future, it will be possible to develop an automation of the process of the directed enumeration of phasing methods, taking into account the adopted line transposition scheme.
The current stage of development of the electric power industry is characterized by a significant increase in the number and capacities of consumers with non-linear current-voltage characteristics. This leads to significant harmonic distortion of currents and voltages. Therefore, electromagnetic fields created by power lines that feed substations with non-linear loads can contain a significant proportion of higher harmonics. This factor must be taken into account when assessing the noise immunity of various equipment, as well as when determining the conditions for electromagnetic safety. The modeling technique considered in Section 2 can be generalized to the calculation of the EMF, taking into account harmonic distortions [19].
5. Conclusions
We proposed a technique for modeling power flows and electromagnetic fields of multi-circuit power transmission lines, in which conductors of several circuits of different voltage classes are placed on the same tower. The methodology is based on the application of phase coordinates, which are the most natural description of three-phase power systems. The steady-state equations formed on the basis of these equations provide a faithful description of the actual power flow of the power system, characterized by longitudinal and transverse unbalances. After the network power flow is determined, we can calculate the strengths of the electromagnetic field created by any of the multi-wire power lines that are part of the system being modeled.
The results of the power flow modeling show that the power flows of the three-circuit transmission line and the line corridor do not differ very much. For example, the maximum difference in active power losses is slightly more than 5%. At higher loads, the unbalance of the MCTL exceeds that of the transmission line corridor. The greatest differences are observed in 110 kV circuits. The voltage levels in this circuit are lower than in the transmission line corridor.
The maximum electric field strength values of the three-circuit line and the transmission line corridor for the initial power flow differ slightly. In the case of phase sequence arrangements of wires that are provided by some of the options considered, one can identify a noticeable reduction in MCTL strengths. The maximum magnetic field strength values of a three-circuit transmission line are about three times higher than those of a corridor of lines. However, the transmission line corridor has a wider range of coverage by the transmission line cross-section field. By varying the phase sequence of the three-circuit transmission line, it is possible to reduce the values of strength of the magnetic field generated by it.
The proposed methodology is versatile and can be applied to MCTLs of different designs. Its use in the practice of design and operation of electric power systems will make it possible to make informed choices of rational variants of multi-circuit transmission lines.
Currently, research is being completed aimed at developing methods for modeling three-dimensional electromagnetic fields created by multi-circuit power lines near towers and other steel structures. The software implementation of these developments will significantly expand the functionality of the proposed MCTL modeling technique.
Author Contributions
Conceptualization, A.K., L.V.T., T.D.H. and K.S.; methodology, A.K. and L.V.T.; software A.K., T.D.H. and L.V.T.; validation, A.K., A.A. and K.S.; formal analysis, A.K. and L.V.T.; investigation, A.K., A.A., T.D.H. and K.S.; resources, K.S.; data curation, T.D.H.; writing—original draft preparation, A.A. and K.S.; writing—review and editing, A.K., L.V.T., A.A. and K.S.; visualization, A.A. and L.V.T.; supervision, A.K. and K.S.; project administration, A.A. and K.S.; funding acquisition, A.A. All authors have read and agreed to the published version of the manuscript.
Funding
This research received no external funding.
Institutional Review Board Statement
Not applicable.
Informed Consent Statement
Not applicable.
Data Availability Statement
Data sharing not applicable. No new data were created or analyzed in this study. Data sharing is not applicable to this article.
Conflicts of Interest
The authors declare no conflict of interest.
References
- Rubtsova, N.B.; Sh, M.M.; Sedunov, V.N.; Tokarskii, A.Y. Alternative options for ensuring electromagnetic safety of power transmission lines. Bull. Samara Sci. Cent. Russ. Acad. Sci. 2012, 14, 839–845. (In Russian) [Google Scholar]
- Acosta, J.S.; Tavares, M.C.; Gole, A.M. Optimizing multi-circuit transmission lines for single-phase auto-reclosing. Electr. Power Syst. Res. 2021, 197, 107329. [Google Scholar] [CrossRef]
- Zakaryukin, V.P.; Kryukov, A.V. Complicated Asymmetrical Modes of Electrical Systems; Irkutsk State Transport University: Irkutsk, Russia, 2005; p. 273. (In Russian) [Google Scholar]
- Zhang, B.; Wu, C.; Wang, X.; Ma, L.; Wang, L.; Chu, X. Analysis of zero sequence power directional unit for multi-circuit transmission lines with different voltage levels. In Proceedings of the Chinese Automation Congress (CAC), Jinan, China, 20–22 October 2017. [Google Scholar] [CrossRef]
- Chen, X.; Cheng, X.; Zhao, J.; Zhang, J.; He, X. Optimal phase sequence of multi-circuit transmission lines on the same tower. In Proceedings of the 2017 13th International Conference on Natural Computation, Fuzzy Systems and Knowledge Discovery (ICNC-FSKD), Guilin, China, 29–31 July 2017. [Google Scholar] [CrossRef]
- Li, H.; Wang, X.; Zhao, J.; Zheng, Z. The optimal phase sequence arrangement of multicircuit transmission lines on the same tower. In Proceedings of the 13th International Conference on Natural Computation, Fuzzy Systems and Knowledge Discovery (ICNC-FSKD), Guilin, China, 29–31 July 2017. [Google Scholar] [CrossRef]
- Li, Z.; Yu, Z.; Wang, X.; He, J. A design of unbalanced insulation to improve the lightning performance of multi-circuit transmission lines. In Proceedings of the International Conference on Lightning Protection (ICLP), Vienna, Austria, 2–7 September 2012. [Google Scholar] [CrossRef]
- Novitskiy, A.; Westermann, D. Interaction of multi-circuit overhead transmission lines of different voltages located on the same pylons. In Proceedings of the Electric Power Quality and Supply Reliability, Tartu, Estonia, 11–13 June 2012. [Google Scholar] [CrossRef]
- Feng, G.; Wang, Y.; Zhang, B. Study on electromagnetic environment of multi-circuit transmission lines on same tower. In Proceedings of the Joint International Conference on Power System Technology and IEEE Power India Conference, New Delhi, India, 12–15 October 2008. [Google Scholar] [CrossRef]
- Nazarčík, T.; Benešová, Z. Modeling of the transients on the multi-circuit EHV/HV overhead transmission lines. In Proceedings of the 18th International Conference on Computational Problems of Electrical Engineering (CPEE), Kutna Hora, Czech Republic, 11–13 September 2017. [Google Scholar] [CrossRef]
- Gajare, S.; Pradhan, A.K. An Accurate Fault Location Method for Multi-Circuit Series Compensated Transmission Lines. IEEE Trans. Power Syst. 2016, 32, 572–580. [Google Scholar] [CrossRef]
- Nazarcik, T.; Benesova, Z. The influence of the short circuit on the parallel conductors of the multi-circuit transmission line. In Proceedings of the 2018 19th International Scientific Conference on Electric Power Engineering (EPE), Brno, Czech Republic, 16–18 May 2018. [Google Scholar]
- Huang, P.; Wang, L.; Long, M.; Jiang, X. Prediction of induced voltage and current of 500kV multi-circuit transmission lines based on extreme random tree algorithm. In Proceedings of the IEEE 2nd China International Youth Conference on Electrical Engineering (CIYCEE), Chengdu, China, 15–17 December 2021. [Google Scholar] [CrossRef]
- Li, Y.; Wang, L.; Long, M.; Geng, H. Research on induced voltage and current of 500kV multi-circuit transmission lines on the same tower based on ridge regression. In Proceedings of the IEEE 2nd China International Youth Conference on Electrical Engineering (CIYCEE), Chengdu, China, 15–17 December 2021. [Google Scholar] [CrossRef]
- Zakaryukin, V.P.; Kryukov, A.V.; van Thao, L. Complex Modeling of Multi-phase, Multi-circuit and Compact Transmission Lines; Irkutsk State Transport University: Irkutsk, Russia, 2020; 296p. (In Russian) [Google Scholar]
- Zalhaf, A.S.; Han, Y.; PingYang, P.; Wang, C.; Khan, M.A.K. Analysis of lightning transient performance of 132 kV transmission line connected to Miramar wind farm: A case study. Energy Rep. 2022, 8, 257–265. [Google Scholar] [CrossRef]
- Hetita, I.; Mansour DE, A.; Han, Y.; Yang, P.; Zalhaf, A.S. Experimental and Numerical Analysis of Transient Overvoltages of PV Systems When Struck by Lightning. IEEE Trans. Instrum. Meas. 2022, 71, 9005611. [Google Scholar] [CrossRef]
- Carson, I.R. Wave propagation in overhead wires with ground return. Bell Syst. Tech. J. 1926, 5, 539–554. [Google Scholar] [CrossRef]
- Natalya, B.; Vasiliy, Z.; Andrey, K.; Dmitriy, S. Simulation of Electromagnetic Fields Generated by Overhead Power Lines and Railroad Traction Networks. Energy Syst. Res. 2021, 4, 70–88. [Google Scholar]
- Zakaryukin, V.P.; Kryukov, A.V. Refined methodology for determining the mutual electromagnetic influences of adjacent transmission lines. Izv. Vuzov. Energy 2015, 3, 29–35. (In Russian) [Google Scholar]
Publisher’s Note: MDPI stays neutral with regard to jurisdictional claims in published maps and institutional affiliations. |
© 2022 by the authors. Licensee MDPI, Basel, Switzerland. This article is an open access article distributed under the terms and conditions of the Creative Commons Attribution (CC BY) license (https://creativecommons.org/licenses/by/4.0/).
















