Standing Wave Pattern and Distribution of Currents in Resonator Arrays for Wireless Power Transfer
Abstract
:1. Introduction
2. Resonator Array for IPT
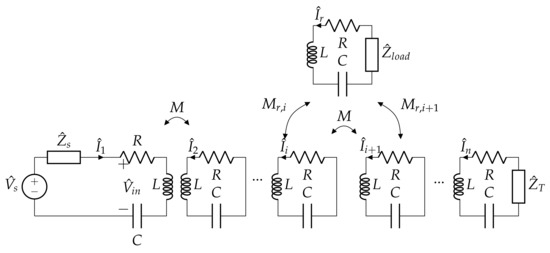
2.1. Circuit Analysis
2.2. Magneto-Inductive Waves
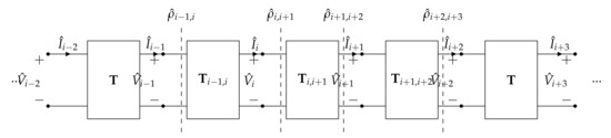
3. Array Circuit Modelling
4. Current Peaks and Standing Waves
- The ratio of the current magnitude maximum to the minimum in the standing wave pattern (standing wave ratio);
- The location of any current minimum, with reference to a specified coordinate;
- The distance between two consecutive maxima or minima.
4.1. Numerical Analysis
Lossless and Low-Loss Array
5. Resonator Array with a Receiver
5.1. Circuit Analysis
5.2. Equivalent Transmission Line
5.2.1. Perfectly Aligned Receiver
5.2.2. Receiver Coupled with Two Array Resonators
5.3. Numerical Simulations
5.3.1. Currents for a Matched Array
5.3.2. Modulated Termination
Case
Case
Case
- The downstream TL segment is composed of an even number of resonators and is terminated in S.C.;
- The downstream TL segment is composed of an odd number of resonators and is terminated in O.C.
6. Experimental Verification
7. Conclusions
Author Contributions
Funding
Institutional Review Board Statement
Informed Consent Statement
Data Availability Statement
Conflicts of Interest
References
- Bi, S.; Ho, C.K.; Zhang, R. Wireless powered communication: Opportunities and challenges. IEEE Commun. Mag. 2015, 53, 117–125. [Google Scholar] [CrossRef] [Green Version]
- Covic, G.A.; Boys, J.T. Modern trends in inductive power transfer for transportation applications. IEEE J. Emerg. Sel. Top. Power Electron. 2013, 1, 28–41. [Google Scholar] [CrossRef]
- Covic, G.A.; Boys, J.T. Inductive power transfer. Proc. IEEE 2013, 101, 1276–1289. [Google Scholar] [CrossRef]
- Patil, D.; McDonough, M.K.; Miller, J.M.; Fahimi, B.; Balsara, P.T. Wireless Power Transfer for Vehicular Applications: Overview and Challenges. IEEE Trans. Transp. Electrif. 2017, 4, 3–37. [Google Scholar] [CrossRef]
- Hassan, N.U.; Lee, W.; Lee, B. Efficient, Load Independent and Self-Regulated Wireless Power Transfer with Multiple Loads for Long Distance IoT Applications. Energies 2021, 14, 1035. [Google Scholar] [CrossRef]
- Schuylenbergh, K.V.; Puers, R. Inductive Powering: Basic Theory and Application to Biomedical Systems, 1st ed.; Springer Science: Dordrecht, The Netherlands, 2009. [Google Scholar]
- RamRakhyani, A.K.; Mirabbasi, S.; Chiao, M. Design and optimization of resonance-based efficient wireless power delivery systems for biomedical implants. IEEE Trans. Biomed. Circuits Syst. 2011, 5, 48–63. [Google Scholar] [CrossRef] [PubMed]
- Moon, S.; Kim, B.C.; Cho, S.Y.; Ahn, C.H.; Moon, G.W. Analysis and design of a wireless power transfer system with an intermediate coil for high efficiency. IEEE Trans. Ind. Electron. 2014, 61, 5861–5870. [Google Scholar] [CrossRef]
- Moon, S.C.; Moon, G.W. Wireless Power Transfer System with an Asymmetric Four-Coil Resonator for Electric Vehicle Battery Chargers. IEEE Trans. Power Electron. 2016, 31, 6844–6854. [Google Scholar] [CrossRef]
- Yu, H.; Zhang, G.; Jing, L.; Liu, Q.; Yuan, W.; Liu, Z.; Feng, X. Wireless power transfer with HTS transmitting and relaying coils. IEEE Trans. Appl. Supercond. 2015, 25. [Google Scholar] [CrossRef]
- Hui, S.Y.R.; Zhong, W.; Lee, C.K. A Critical Review of Recent Progress in Mid-Range Wireless Power Transfer. IEEE Trans. Power Electron. 2014, 29, 4500–4511. [Google Scholar] [CrossRef] [Green Version]
- Zhong, W.; Lee, C.K.; Hui, S.Y.R. General Analysis on the Use of Tesla’s Resonators in Domino Forms for Wireless Power Transfer. IEEE Trans. Ind. Electron. 2013, 60, 261–270. [Google Scholar] [CrossRef] [Green Version]
- Stevens, C.J. Some consequences of the properties of metamaterials for wireless power transfer. In Proceedings of the 2015 9th International Congress on Advanced Electromagnetic Materials in Microwaves and Optics, METAMATERIALS 2015, Oxford, UK, 7–12 September 2015; pp. 295–297. [Google Scholar] [CrossRef]
- Simonazzi, M.; Sandrolini, L.; Zarri, L.; Reggiani, U.; Alberto, J. Model of Misalignment Tolerant Inductive Power Transfer System for EV Charging. In Proceedings of the IEEE International Symposium on Industrial Electronics, Delft, The Netherlands, 17–19 June 2020; pp. 1617–1622. [Google Scholar] [CrossRef]
- Alberto, J.; Reggiani, U.; Sandrolini, L.; Albuquerque, H. Accurate calculation of the power transfer and efficiency in resonator arrays for inductive power transfer. Prog. Electromagn. Res. B 2019, 83, 61–76. [Google Scholar] [CrossRef] [Green Version]
- Stevens, C.J. Magnetoinductive waves and wireless power transfer. IEEE Trans. Power Electron. 2015, 30, 6182–6190. [Google Scholar] [CrossRef]
- Zhang, F.; Hackworth, S.A.; Fu, W.; Li, C.; Mao, Z.; Sun, M. Relay Effect of Wireless Power Transfer Using Strongly Coupled Magnetic Resonances. IEEE Trans. Magn. 2011, 47, 1478–1481. [Google Scholar] [CrossRef]
- Kim, J.; Son, H.C.; Kim, K.H.; Park, Y.J. Efficiency Analysis of Magnetic Resonance Wireless Power Transfer With Intermediate Resonant Coil. IEEE Antennas Wirel. Propag. Lett. 2011, 10, 389–392. [Google Scholar] [CrossRef]
- Shamonina, E.; Kalinin, V.A.; Ringhofer, K.H.; Solymar, L. Magnetoinductive waves in one, two, and three dimensions. J. Appl. Phys. 2002, 92, 6252–6261. [Google Scholar] [CrossRef]
- Solymar, L.; Shamonina, E. Waves in Metamaterials; OUP Oxford: New York, NY, USA, 2009. [Google Scholar]
- Worapishet, A. A Simplified Lossless Analysis of Magnetoinductive Waveguides for Investigation of Impedance Termination on Power Nulling Characteristics. Eng. Trans. 2021, 24, 170–175. [Google Scholar]
- Syms, R.R.A.; Young, I.R.; Solymar, L. Low-loss magneto-inductive waveguides. J. Phys. D Appl. Phys. 2006, 39, 3945. [Google Scholar] [CrossRef]
- Puccetti, G.; Stevens, C.J.; Reggiani, U.; Sandrolini, L. Experimental and numerical investigation of termination impedance effects in wireless power transfer via metamaterial. Energies 2015, 8, 1882. [Google Scholar] [CrossRef]
- Joines, W.T.; Palmer, W.D.; Bernhard, J.T. Microwave Transmission Line Circuits, 1st ed.; Artech House: Norwood, MA, USA, 2012. [Google Scholar]
- Chipman, R.A. Schaum’s Outline of Theory and Problems of Transmission Lines; McGraw-Hill: New York, NY, USA, 1968; p. 236. [Google Scholar]
- Alberto, J.; Reggiani, U.; Sandrolini, L. Circuit model of a resonator array for a WPT system by means of a continued fraction. In Proceedings of the 2016 IEEE 2nd International Forum on Research and Technologies for Society and Industry Leveraging a Better Tomorrow, RTSI 2016, Bologna, Italy, 7–9 September 2016. [Google Scholar] [CrossRef]
- Sandoval, F.S.; Moazenzadeh, A.; Delgado, S.M.T.; Wallrabe, U. Double-spiral coils and live impedance modulation for efficient wireless power transfer via magnetoinductive waves. In Proceedings of the 2016 IEEE Wireless Power Transfer Conference (WPTC), Aveiro, Portugal, 5–6 May 2016; pp. 1–4. [Google Scholar] [CrossRef]
- Sandoval, F.S.; Moazenzadeh, A.; Wallrabe, U. Comprehensive Modeling of Magnetoinductive Wave Devices for Wireless Power Transfer. IEEE Trans. Power Electron. 2018, 33, 8905–8915. [Google Scholar] [CrossRef]





















| Quantity | Symbol | Value |
|---|---|---|
| Resonator Resistance | R | 0.11 |
| Resonator Self-inductance | L | 12.5 H |
| Resonators Mutual Inductance | M | −1.55 H |
| Capacitance | C | 93.1 nF |
| Resonance Frequency | 147 kHz | |
| Characteristic Impedance | 1.43 | |
| Input Impedance | 0.01 | |
| Input Voltage | 3.6 V |
Publisher’s Note: MDPI stays neutral with regard to jurisdictional claims in published maps and institutional affiliations. |
© 2022 by the authors. Licensee MDPI, Basel, Switzerland. This article is an open access article distributed under the terms and conditions of the Creative Commons Attribution (CC BY) license (https://creativecommons.org/licenses/by/4.0/).
Share and Cite
Simonazzi, M.; Reggiani, U.; Sandrolini, L. Standing Wave Pattern and Distribution of Currents in Resonator Arrays for Wireless Power Transfer. Energies 2022, 15, 652. https://doi.org/10.3390/en15020652
Simonazzi M, Reggiani U, Sandrolini L. Standing Wave Pattern and Distribution of Currents in Resonator Arrays for Wireless Power Transfer. Energies. 2022; 15(2):652. https://doi.org/10.3390/en15020652
Chicago/Turabian StyleSimonazzi, Mattia, Ugo Reggiani, and Leonardo Sandrolini. 2022. "Standing Wave Pattern and Distribution of Currents in Resonator Arrays for Wireless Power Transfer" Energies 15, no. 2: 652. https://doi.org/10.3390/en15020652
APA StyleSimonazzi, M., Reggiani, U., & Sandrolini, L. (2022). Standing Wave Pattern and Distribution of Currents in Resonator Arrays for Wireless Power Transfer. Energies, 15(2), 652. https://doi.org/10.3390/en15020652
