An Adaptive Load Frequency Control for Power Systems with Renewable Energy Sources
Abstract
:1. Introduction
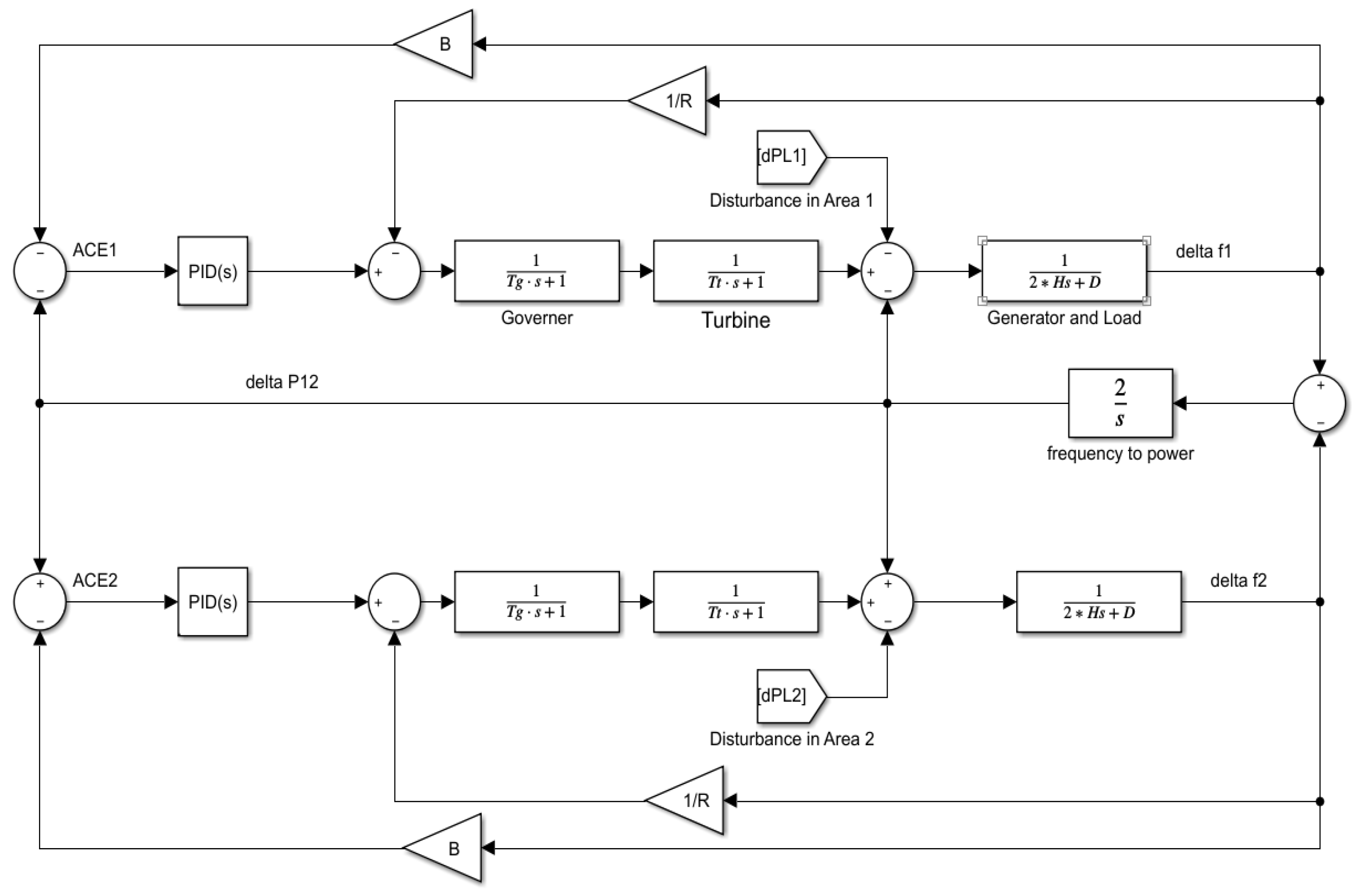
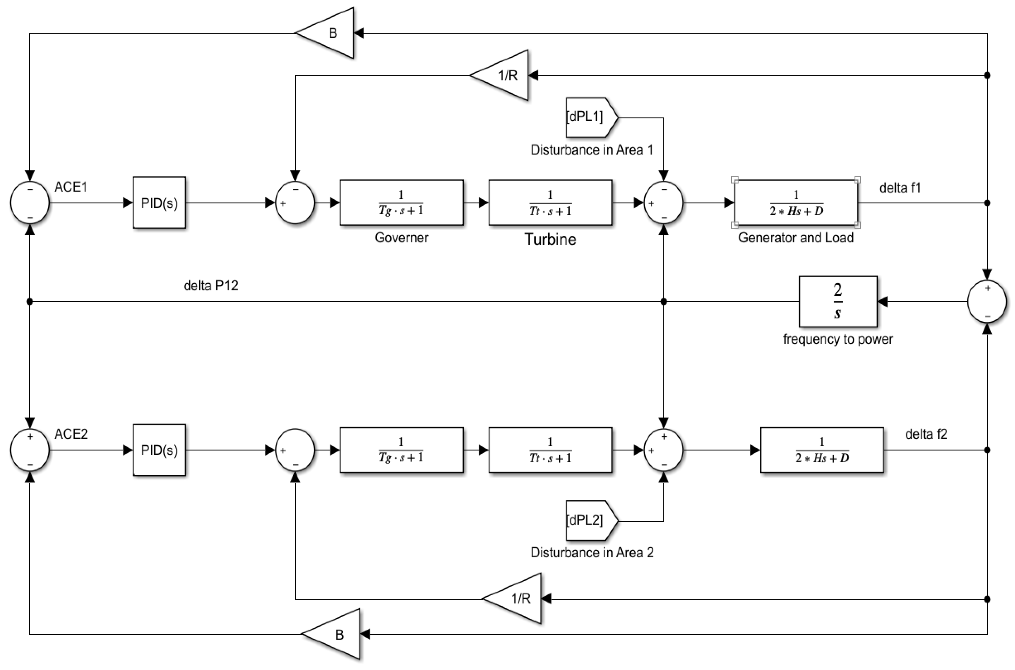
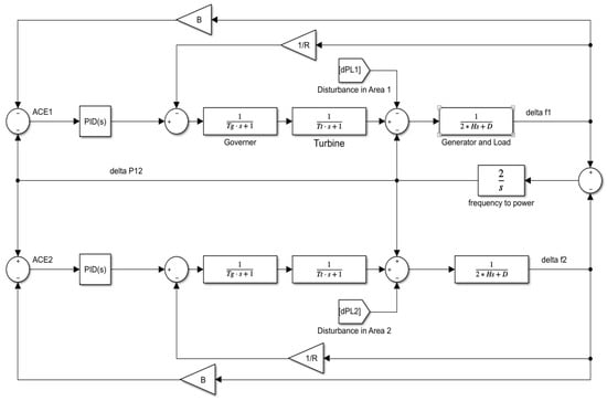
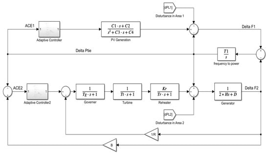
2. System under Study
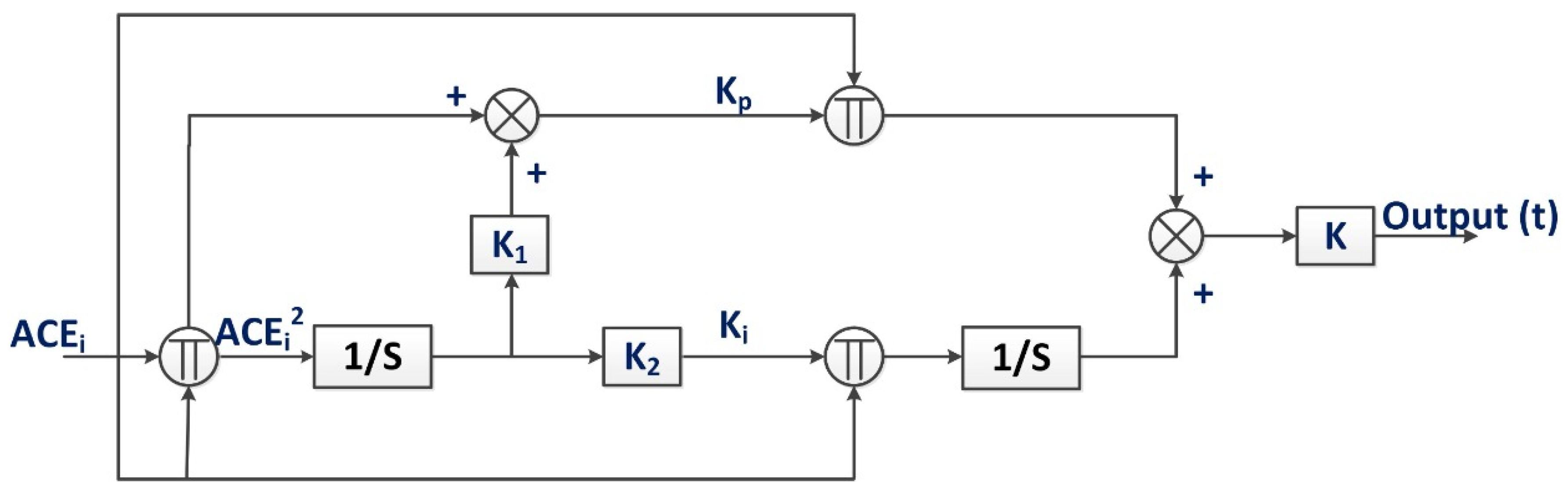
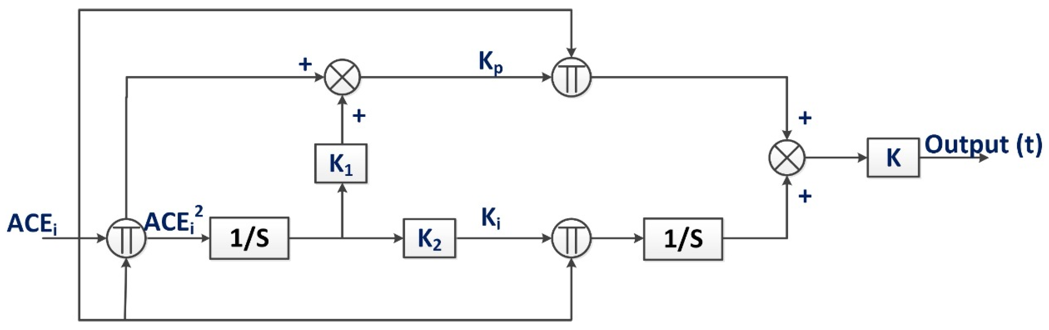
3. Load Frequency Control
4. Wave Modeling
5. Simulation Results
5.1. Performance of the Proposed Adaptive PI
5.2. Comparison with the Method Presented in
6. Wave Energy Conversion System (WECS) Disturbance
7. Reliability of the Proposed Controller
7.1. Case 1: Step Increase in Demand of Thermal System: ΔPL1 = 0.1 pu
7.2. Case 2: Step Increase in Demand of Thermal System and PV Generation: ΔPL1 = 0.1 pu and ΔPL2 = 0.1 pu
7.3. Case 3: Sensitivity Analysis
8. Conclusions
Author Contributions
Funding
Institutional Review Board Statement
Informed Consent Statement
Conflicts of Interest
References
- Taher, S.A.; Hematti, R.; Abdolalipour, A.; Tabei, S.H. Optimal Decentralized Load Frequency Control Using HPSO Algorithms in Deregulated Power Systems. Am. J. Appl. Sci. 2008, 5, 1167–1174. [Google Scholar] [CrossRef] [Green Version]
- Khuntia, S.R.; Panda, S. Simulation study for automatic generation control of a multi-area power system by ANFIS approach. Appl. Soft Comput. 2012, 12, 333–341. [Google Scholar] [CrossRef]
- Cam, E.; Kocaarslan, I. Load frequency control in two area power systems using fuzzy logic controller. Energy Convers. Manag. 2005, 46, 233–243. [Google Scholar] [CrossRef]
- Demiroren, A.; Yesil, E. Automatic generation control with fuzzy logic controllers in the power system including SMES units. Electr. Power Energy Syst. 2004, 26, 291–305. [Google Scholar] [CrossRef]
- Khodabakhshian, A.; Hooshmand, R. A new PID controller design for automatic generation control of hydro power systems. Electr. Power Energy Syst. 2010, 32, 375–382. [Google Scholar] [CrossRef]
- Alomoush, M.I. Load frequency control and automatic generation control using fractional-order controllers. Arch. Elektrotechnik 2010, 91, 357–368. [Google Scholar] [CrossRef]
- Saikia, L.C.; Nanda, J.; Mishra, S. Performance comparison of several classical controllers in AGC for multi-area interconnected thermal system. Electr. Power Energy Syst. 2011, 33, 394–401. [Google Scholar] [CrossRef]
- Shabani, H.; Vahidi, B.; Ebrahimpour, M. A robust PID controller based on imperialist competitive algorithm for load-frequency control of power systems. ISA Trans. 2013, 52, 88–95. [Google Scholar] [CrossRef]
- Zeynelgil, H.L.; Demiroren, A.; Sengor, N.S. The application of ANN technique to automatic generation control for multi area system. Electr. Power Energy Syst. 2002, 24, 345–354. [Google Scholar] [CrossRef]
- Prasanth, B.V.; Kumar, S.J. Load frequency control for a two area interconnected power system using robust genetic algorithm controller. J. Theor. Appl. Inf. Technol. 2008, 4, 1204–1212. [Google Scholar]
- Ali, E.; Abd-Elazim, S. Bacteria foraging optimization algorithm based load frequency controller for interconnected power system. Int. J. Electr. Power Energy Syst. 2011, 33, 633–638. [Google Scholar] [CrossRef]
- Mathur, H.D.; Manjunath, H.V. Frequency stabilization using fuzzy logic based controller for multi-area power system. South Pac. J. Nat. Appl. Sci. 2007, 25, 22–29. [Google Scholar] [CrossRef] [Green Version]
- Sameh, M.A.; Marei, M.I.; Badr, M.A.; Attia, M.A. An optimized PV control system based on the Emperor Penguin Optimizer. Energies 2021, 14, 751. [Google Scholar] [CrossRef]
- Mokhtar, M.; Marei, M.I.; El-Sattar, A.A. Improved Current Sharing Techniques for DC Microgrids. Electr. Power Compon. Syst. 2018, 46, 757–767. [Google Scholar] [CrossRef]
- Mohapatra, A.; Nayak, B.; Das, P.; Mohanty, K.B. A review on MPPT techniques of PV system under partial shading condition. Renew. Sustain. Energy Rev. 2017, 80, 854–867. [Google Scholar] [CrossRef]
- Sameh, M.A.; Badr, M.A.; Badr, M.A.L.; Marei, M.I.; Attia, M.A. Optimized PIA Controller for Photovoltaic System Using Hybrid Particle Swarm Optimization and Cuttlefish Algorithms. In Proceedings of the IEEE Conference on Renewable Energy Research and Applications (ICRERA), Paris, France, 14–17 October 2018; pp. 1102–1108. [Google Scholar]
- Parmar, K.P.S.; Majhi, S.; Kothari, D.P. Multi-area load frequency control in a power system using optimal output feedback method. In Proceedings of the 2008 5th International Conference on the European Electricity Market, Lisboa, Portugal, 28–30 May 2008; pp. 1–5. [Google Scholar]
- Juang, C.; Lu, C. Power system load frequency control by genetic fuzzy gain scheduling controller. J. Chin. Inst. Eng. 2005, 28, 1013–1018. [Google Scholar] [CrossRef]
- Sahu, R.K.; Panda, S.; Biswal, A.; Sekhar, G.C. Design and analysis of tilt integral deriva-tive controller with filter for load frequency control of multi- area interconnected power systems. ISA Trans. 2015, 61, 251–264. [Google Scholar] [CrossRef] [PubMed]
- Sharifi, A.; Sabahi, K.; Shoorehdeli, M.A.; Nekoui, M.; Teshnehlab, M. Load frequency control in interconnected power system using multi-objective PID controller. In Proceedings of the 2008 IEEE Conference on Soft Computing in Industrial Applications, Muroran, Japan, 25–27 June 2008; pp. 217–221. [Google Scholar]
- Mohanty, B.; Panda, S.; Hota, P.K. Differential evolution algorithm based automatic generation control for in-terconnected power systems with non-linearity. Alex. Eng. J. 2014, 53, 537–552. [Google Scholar] [CrossRef] [Green Version]
- Padhan, D.G.; Majhi, S. A new control scheme for PID load frequency controller of single-area and multi-area power systems. ISA Trans. 2013, 52, 242–251. [Google Scholar] [CrossRef] [PubMed]
- Padhan, S.; Sahu, R.K.; Panda, S. Application of Firefly Algorithm for Load Frequency Control of Multi-area Interconnected Power System. Electr. Power Components Syst. 2014, 42, 1419–1430. [Google Scholar] [CrossRef]
- Rout, U.K.; Sahu, R.K.; Panda, S. Design and analysis of differential evolution algorithm based automatic generation control for interconnected power system. Ain Shams Eng. J. 2013, 4, 409–421. [Google Scholar] [CrossRef] [Green Version]
- Sahu, R.K.; Panda, S.; Padhan, S. Optimal gravitational search algorithm for automatic generation control of interconnected power systems. Ain Shams Eng. J. 2014, 5, 721–733. [Google Scholar] [CrossRef] [Green Version]
- Shayeghi, H.; Jalili, A.; Shayanfar, H. Multi-stage fuzzy load frequency control using PSO. Energy Convers. Manag. 2008, 49, 2570–2580. [Google Scholar] [CrossRef]
- Saxena, S.; Hote, Y.V. Decentralized PID load frequency control for perturbed multi-area power systems. Int. J. Electr. Power Energy Syst. 2016, 81, 405–415. [Google Scholar] [CrossRef]
- Shankar, G.; Mukherjee, V. Quasi oppositional harmony search algorithm based controller tuning for load frequency control of multi-source multi-area power system. Int. J. Electr. Power Energy Syst. 2016, 75, 289–302. [Google Scholar] [CrossRef]
- Topno, P.N.; Chanana, S. Non-integer order control for LFC problem of two-area thermal power system with GRC. In Proceedings of the International Conference on Innovations in Electrical, Electronics, Instrumentation and Media Technology (ICEEIMT), Coimbatore, India, 3–4 February 2017. [Google Scholar]
- Debbarma, S.; Dutta, A. Utilizing electric vehicles for LFC in restructured power systems using fractional order controller. IEEE Trans. Smart Grid 2016, 8, 2554–2564. [Google Scholar] [CrossRef]
- Guha, D.; Roy, P.K.; Banerjee, S. Multi-verse optimisation: A novel method for solution of load frequency control problem in power system. IET Gener. Transm. Distrib. 2017, 11, 3601–3611. [Google Scholar] [CrossRef]
- Elsaied, M.M.; Attia, M.; Mostafa, M.A.; Mekhamer, S. Application of Different Optimization Techniques to Load Frequency Control with WECS in a Multi-Area System. Electr. Power Compon. Syst. 2018, 46, 739–756. [Google Scholar] [CrossRef]
- Dash, P.; Saikia, L.C.; Sinha, N. Automatic generation control of multi area thermal system using Bat algorithm optimized PD–PID cascade controller. Int. J. Electr. Power Energy Syst. 2015, 68, 364–372. [Google Scholar] [CrossRef]
- Tedesco, F.; Casavola, A. Load/Frequency Control in the presence of Renewable Energy Systems: A Reference-Offset Governor approach. IFAC-PapersOnLine 2020, 53, 12548–12553. [Google Scholar] [CrossRef]
- Nandar, C.S.A. Robust PI control of smart controllable load for frequency stabilization of microgrid power system. Renew. Energy 2013, 56, 16–23. [Google Scholar] [CrossRef]
- Lopes, J.P.; Hatziargyriou, N.; Mutale, J.; Djapic, P.; Jenkins, N. Integrating distributed generation into electric power sys-tems: A review of drivers, challenges and opportunities. Electr. Power Syst. Res. 2007, 77, 1189–1203. [Google Scholar] [CrossRef] [Green Version]
- Mokhtar, M.; Marei, M.I.; El-Sattar, A.A. An Adaptive Droop Control Scheme for DC Microgrids Integrating Sliding Mode Voltage and Current Controlled Boost Converters. IEEE Trans. Smart Grid 2019, 10, 1685–1693. [Google Scholar] [CrossRef]
- Ahn, S.; Haas, K.A.; Neary, V.S. Dominant Wave Energy Systems and Conditional Wave Resource Characterization for Coastal Waters of the United States. Energies 2020, 13, 3041. [Google Scholar] [CrossRef]
- Marei, M.I.; Mokhtar, M.; El-Sattar, A.A. MPPT strategy based on speed control for AWS-based wave energy conversion system. Renew. Energy 2015, 83, 305–317. [Google Scholar] [CrossRef]
- Zeng, G.-Q.; Xie, X.-Q.; Chen, M.-R. An Adaptive Model Predictive Load Frequency Control Method for Multi-Area Interconnected Power Systems with Photovoltaic Generations. Energies 2017, 10, 1840. [Google Scholar] [CrossRef] [Green Version]
- Abd-Elazim, S.; Ali, E.S. Load frequency controller design of a two-area system composing of PV grid and thermal generator via firefly algorithm. Neural Comput. Appl. 2016, 30, 607–616. [Google Scholar] [CrossRef]



























| Parameters | Area 1 | Area 2 |
|---|---|---|
| Speed regulation (R) | 0.05 | 0.0625 |
| Frequency sensitive coefficient (D) | 0.6 | 0.9 |
| Inertia constant (H) | 5 | 4 |
| Governor time constant (Tg) | 0.2 | 0.3 |
| Turbine time constant (Tt) | 0.5 | 0.6 |
| 20.6 | 16.9 |
| Parameters | Area 1 | Area 2 |
|---|---|---|
| 138.9 | 71.8 | |
| 979.6 | 773 | |
| 1000 | 648.7 | |
| 200 | 500 | |
| 399.3 | 300 | |
| 1009.4 | 1239.1 |
| PV | C1 | 18 |
| C2 | 900 | |
| C3 | 100 | |
| C4 | 50 | |
| Frequency to power | T1 | 0.545 pu |
| Governor | Tg | 0.08 s |
| Turbine | Tt | 0.3 s |
| Reheat | Kr | 0.33 pu |
| Tr | 10 s | |
| Generator | H | 0.0833 s. pu/Hz |
| D | 120 Hz/pu | |
| Speed regulation (R) | R | 0.4 Hz/pu |
| B | 0.8 pu MW/Hz |
| IAE | ITAE | ISE | ITSE | |
|---|---|---|---|---|
| Proposed scheme | 6.2596 | 16.5890 | 0.2014 | 0.0837 |
| FA based PI [40] | 8.7563 | 20.5214 | 0.3066 | 0.2887 |
| Delta F1 | Delta F2 | Delta Ptie | ||||
|---|---|---|---|---|---|---|
| Proposed Controller | FA-PI [40] | Proposed Controller | FA-PI [40] | Proposed Controller | FA-PI [40] | |
| Settling time (sec) | 9 | 12 | 11 | 12 | 15 | 15 |
| Peak-to-peak oscillation (pu) | 0.015 | 0.04 | 0.032 | 0.08 | 0.016 | 0.023 |
| IAE | ITAE | ISE | ITSE | |
|---|---|---|---|---|
| Proposed scheme | 7.9395 | 15.4985 | 0.3670 | 0.1502 |
| FA based PI [40] | 45.9425 | 135.7763 | 5.6547 | 9.8603 |
Publisher’s Note: MDPI stays neutral with regard to jurisdictional claims in published maps and institutional affiliations. |
© 2022 by the authors. Licensee MDPI, Basel, Switzerland. This article is an open access article distributed under the terms and conditions of the Creative Commons Attribution (CC BY) license (https://creativecommons.org/licenses/by/4.0/).
Share and Cite
Mokhtar, M.; Marei, M.I.; Sameh, M.A.; Attia, M.A. An Adaptive Load Frequency Control for Power Systems with Renewable Energy Sources. Energies 2022, 15, 573. https://doi.org/10.3390/en15020573
Mokhtar M, Marei MI, Sameh MA, Attia MA. An Adaptive Load Frequency Control for Power Systems with Renewable Energy Sources. Energies. 2022; 15(2):573. https://doi.org/10.3390/en15020573
Chicago/Turabian StyleMokhtar, Mohamed, Mostafa I. Marei, Mariam A. Sameh, and Mahmoud A. Attia. 2022. "An Adaptive Load Frequency Control for Power Systems with Renewable Energy Sources" Energies 15, no. 2: 573. https://doi.org/10.3390/en15020573
APA StyleMokhtar, M., Marei, M. I., Sameh, M. A., & Attia, M. A. (2022). An Adaptive Load Frequency Control for Power Systems with Renewable Energy Sources. Energies, 15(2), 573. https://doi.org/10.3390/en15020573

