A Study on the Safety Analysis of an Inductive Power Transfer System for Kitchen Appliances
Abstract
:1. Introduction
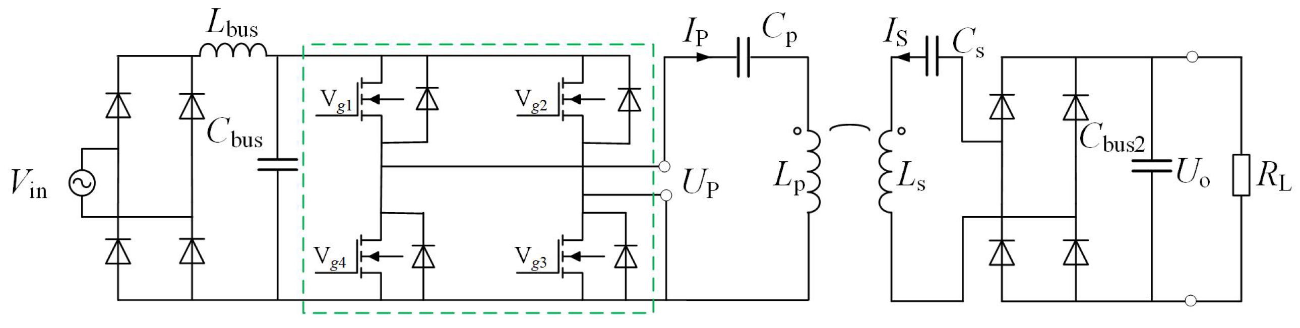
2. Modeling
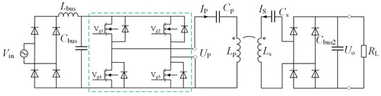
2.1. Equivalent IPT Model
2.2. Modeling of Basic Restrictions
3. Analysis of Safety to Human Body
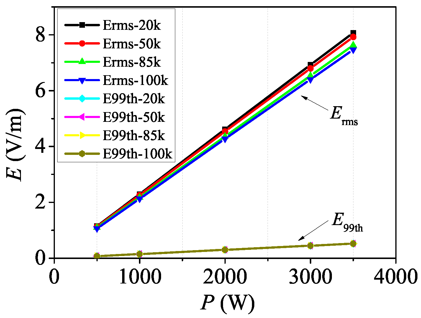
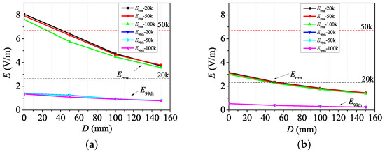
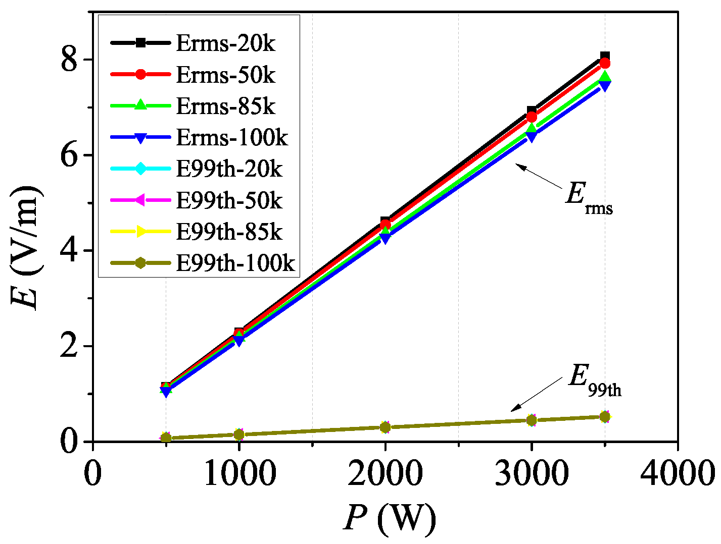
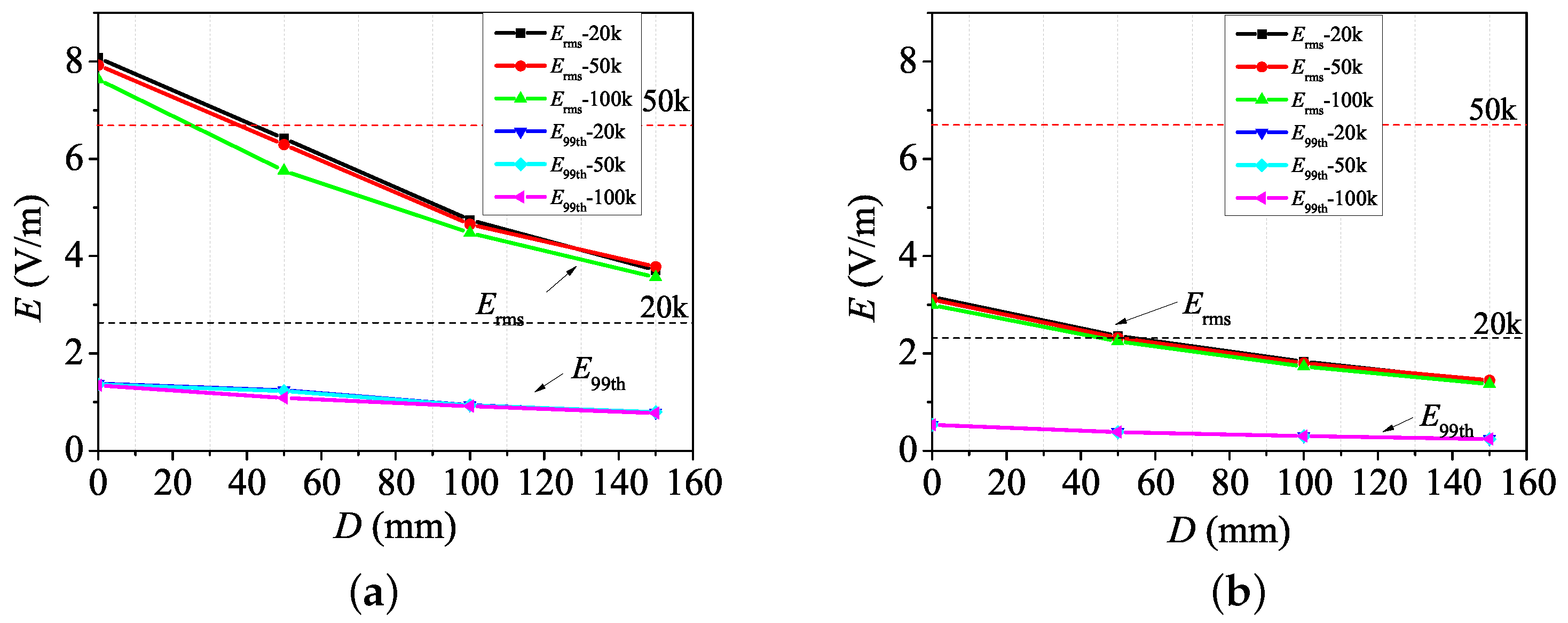
3.1. Different Frequency and Power
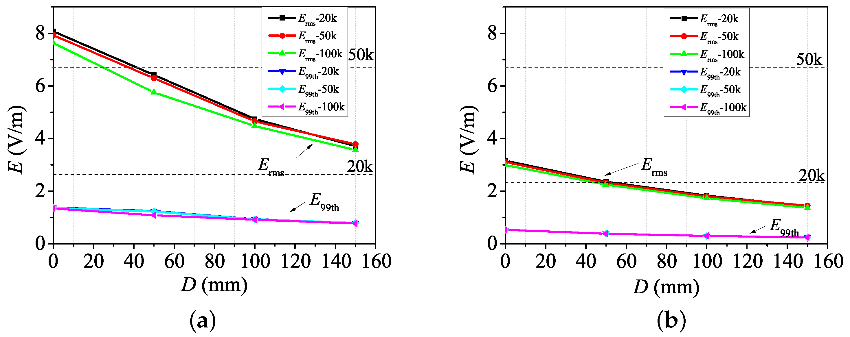
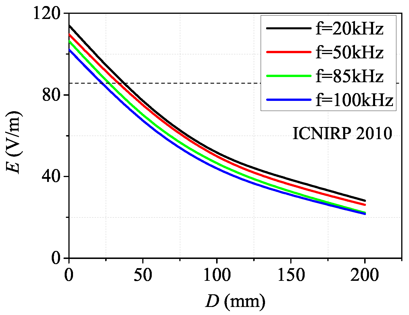
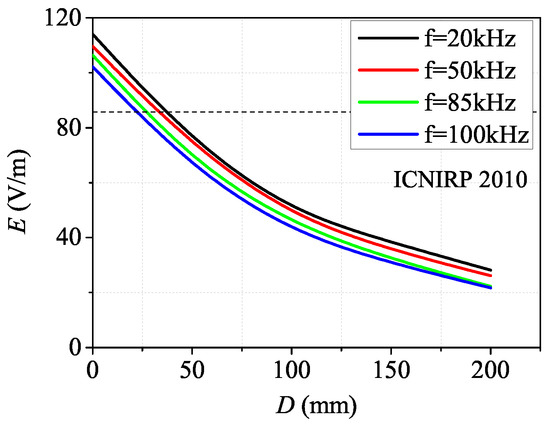
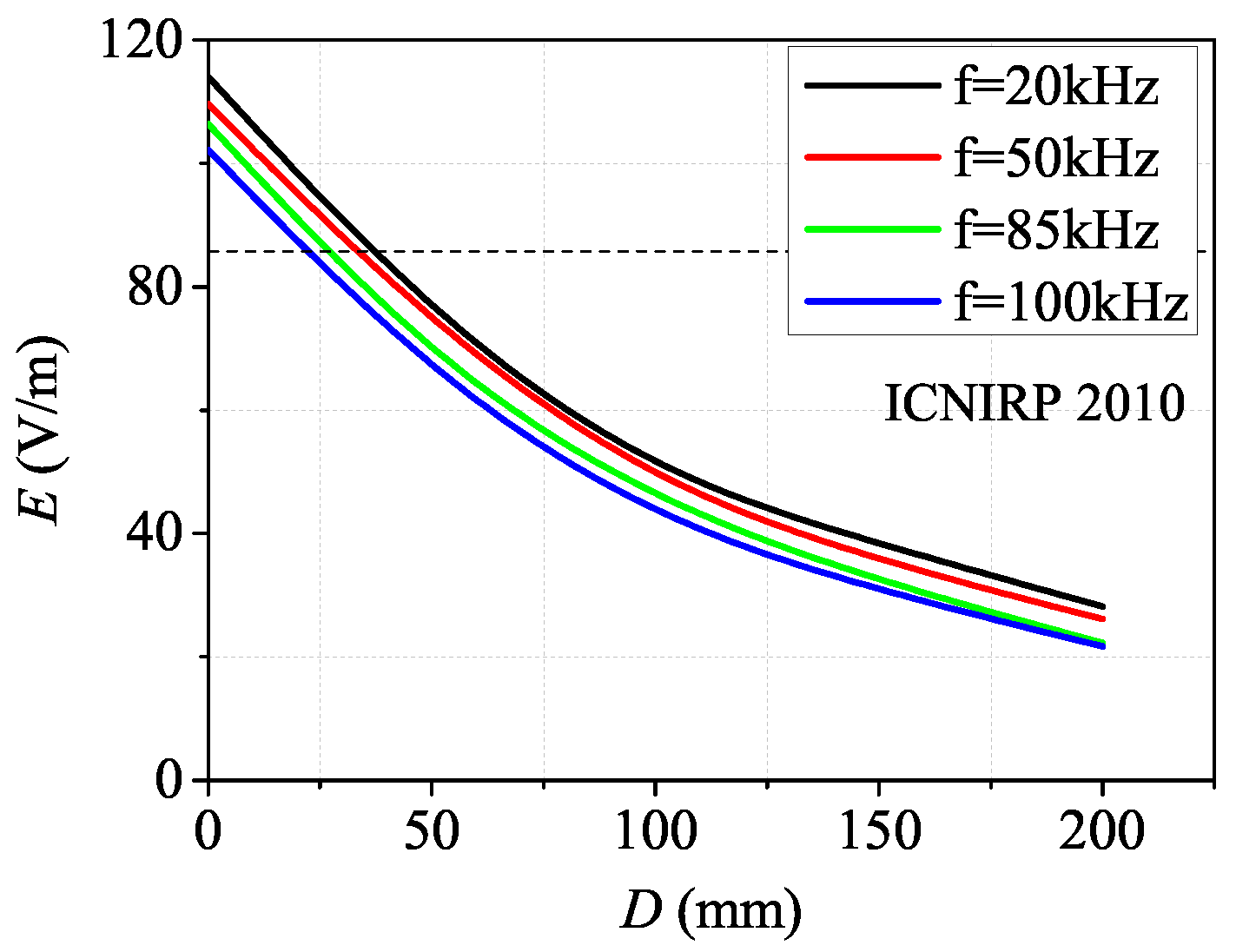
3.2. Different Frequency and Distance
4. Validation
5. Conclusions
Author Contributions
Funding
Institutional Review Board Statement
Informed Consent Statement
Data Availability Statement
Conflicts of Interest
References
- Ma, Y.; Mao, Z.; Zhang, K. Optimization Design of Planar Circle Coil for Limited-Size Wireless Power Transfer System. Appl. Sci. 2022, 12, 2286. [Google Scholar] [CrossRef]
- Wang, Z.; Li, Y.; Sun, Y.; Tang, C.; Lv, X. Load Detection Model of Voltage-Fed Inductive Power Transfer System. IEEE Trans. Power Electron. 2013, 28, 5233–5243. [Google Scholar] [CrossRef]
- Xia, C.; Liu, L.; Liu, Y.; Ma, Z. IPT system for tail-free household appliances in the smart home system. IET Power Electron. 2019, 12, 1002–1010. [Google Scholar] [CrossRef]
- ICNIRP. Guidelines for limiting exposure to time-varying electric, magnetic, and electromagnetic fields (up to 300 GHz). Health Phys. 1998, 74, 494–522. [Google Scholar]
- ICNIRP. Guidelines for limiting exposure to time-varying electric, magnetic, and electromagnetic fields (1 Hz to 100 kHz). Health Phys. 2010, 99, 818–836. [Google Scholar] [CrossRef]
- IEEE Std C95.1a-2010; IEEE Standard for Safety Levels with Respect to Human Exposure to Radio Frequency Electromagnetic Fields. IEEE: Piscataway, NJ, USA, 2010; pp. 1–9.
- Kalialakis, C.; Georgiadis, A. The regulatory framework for wireless power transfer systems. Wirel. Power Transf. 2014, 1, 108–118. [Google Scholar] [CrossRef] [Green Version]
- EN IEC 62311:2020; Assessment of Electronic and Electrical Equipment Related to Human Exposure Restrictions for Electromagnetic Fields (0 Hz–300 GHz). IEC Webstsore: Geneva, Switzerland, 2020.
- De Santis, V.; Douglas, M.; Kuster, N.; Chen, X.L. Issues of ICNIRP guidelines when determining compliance with LF exposure limits. In Proceedings of the EMC Europe Conference, Manchester, UK, 16–21 September 2012; IEEE: Piscataway, NJ, USA, 2012; pp. 1–4. [Google Scholar]
- Christ, A.; Douglas, M.; Nadakuduti, J.; Kuster, N. Assessing human exposure to electromagnetic fields from wireless power transmission systems. Proc. IEEE 2013, 101, 1482–1493. [Google Scholar] [CrossRef]
- Shimamoto, T.; Laakso, I.; Hirata, A. In-situ electric field in human body model in different postures for wireless power transfer system in an electrical vehicle. Phys. Med. Biol. 2014, 60, 163. [Google Scholar] [CrossRef]
- Laakso, I.; Hirata, A. Evaluation of the induced electric field and compliance procedure for a wireless power transfer system in an electrical vehicle. Phys. Med. Biol. 2013, 58, 7583. [Google Scholar] [CrossRef] [Green Version]
- Zhang, Z.; Tong, R.; Liang, Z.; Liu, C.; Wang, J. Analysis and Control of Optimal Power Distribution for Multi-Objective Wireless Charging Systems. Energies 2018, 11, 1726. [Google Scholar] [CrossRef] [Green Version]
- Campi, T.; Cruciani, S.; Maradei, F.; Feliziani, M. Magnetic Field during Wireless Charging in an Electric Vehicle According to Standard SAE J2954. Energies 2019, 12, 1795. [Google Scholar] [CrossRef] [Green Version]
- Sunohara, T.; Hirata, A.; Laakso, I.; Onishi, T. Analysis of in situ electric field and specific absorption rate in human models for wireless power transfer system with induction coupling. Phys. Med. Biol. 2014, 59, 3721. [Google Scholar] [CrossRef] [PubMed]
- Laakso, I.; Tsuchida, S.; Hirata, A.; Kamimura, Y. Evaluation of SAR in a human body model due to wireless power transmission in the 10 MHz band. Phys. Med. Biol. 2012, 57, 4991. [Google Scholar] [CrossRef] [PubMed]
- Hirata, A.; Ito, F.; Laakso, I. Confirmation of quasi-static approximation in SAR evaluation for a wireless power transfer system. Phys. Med. Biol. 2013, 58, N241. [Google Scholar] [CrossRef]
- De Santis, V.; Giaccone, L.; Freschi, F. Influence of Posture and Coil Position on the Safety of a WPT System While Recharging a Compact EV. Energies 2021, 14, 7248. [Google Scholar] [CrossRef]
- Chen, X.L.; De Santis, V.; Umenei, A.E. Theoretical assessment of the maximum obtainable power in wireless power transfer constrained by human body exposure limits in a typical room scenario. Phys. Med. Biol. 2014, 59, 3453. [Google Scholar] [CrossRef]
- Xiao, C.; Cheng, D.; Wei, K. An LCC-C Compensated Wireless Charging System for Implantable Cardiac Pacemakers: Theory, Experiment and Safety Evaluation. IEEE Trans. Power Electron. 2017, 33, 4894–4905. [Google Scholar] [CrossRef]
- Ramrakhyani, A.K.; Lazzi, G. Multi-coil approach to reduce electromagnetic energy absorption for wirelessly powered implants. Healthc. Technol. Lett. 2014, 1, 21. [Google Scholar] [CrossRef] [Green Version]
- Koohestani, M.; Ettorre, M.; Zhadobov, M. Wireless power transfer: Are children more exposed than adults? In Proceedings of the 2017 11th European Conference on Antennas and Propagation (EUCAP), Paris, France, 19–24 March 2017.
- Christ, A.; Douglas, M.G.; Roman, J.M.; Cooper, E.B.; Sample, A.P.; Waters, B.H.; Smith, J.R.; Kuster, N. Evaluation of Wireless Resonant Power Transfer Systems With Human Electromagnetic Exposure Limits. IEEE Trans. Electromagn. Compat. 2013, 55, 265–274. [Google Scholar] [CrossRef]
- Zhang, W.; White, J.C.; Abraham, A.M.; Mi, C.C. Loosely Coupled Transformer Structure and Interoperability Study for EV Wireless Charging Systems. IEEE Trans. Power Electron. 2015, 30, 6356–6367. [Google Scholar] [CrossRef]
- Ding, P.P.; Bernard, L.; Pichon, L.; Razek, A. Evaluation of Electromagnetic Fields in Human Body Exposed to Wireless Inductive Charging System. IEEE Trans. Magn. 2014, 50, 1037–1040. [Google Scholar] [CrossRef]
- Madzharov, N.; Hinov, N. Flexibility of Wireless Power Transfer Charging Station Using Dynamic Matching and Power Supply with Energy Dosing. Appl. Sci. 2019, 9, 4767. [Google Scholar] [CrossRef] [Green Version]


















| Parameter | Implant Medical | Electric | Household |
|---|---|---|---|
| Devices [20,21,22,23] | Vehicles [24,25,26] | Applications [3] | |
| Power | ≤5 W | ≥3.3 kW | ≤3.5 kW |
| Frequency | 100 kHz∼6.78 MHz | 85 kHz | 20∼100 kHz |
| Gap | <5 mm | >20 cm | <15 cm |
| Radiating area | Same size with fitting coil | From knee to feet | From chest to knee |
| Radiating direction | Axial | Radial | Axial & Radial |
| Reference standard | ICNIRP/IEEE | ICNIRP | ICNIRP |
| Reference levels | NA | ||
| Basic restrictions | SAR | NA | Inductive |
| & SAR |
| Parameter | Value |
|---|---|
| Age | 26 |
| Height (m) | 1.6 |
| Weight (kg) | 54.6 |
| SAT (kg) | 18.6 |
| VAT (kg) | 8.3 |
| Muscle (kg) | 9.0 |
| Skin (kg) | 4.2 |
| Bone (kg) | 7.3 |
| Parameter | Value |
|---|---|
| Transformer size (mm) | D188 |
| Number of turns | 32 |
| Single turn size (mm) | D4 |
| Type of Litz wire | 0.1 × 600 |
| Core type | PC95 |
| Core size (mm) | 54 × 15 × 14 |
| Transfer distance (mm) | 7–25 |
| Input voltage (V) | 220 |
| Input power (W) | 580–4070 |
| Rated power (W) | 500–3500 |
| Input current (A) | 2.1–14.5 |
| Resonance current (A) | 2.3–16.1 |
| Frequency (kHz) | 20/50/85/100 |
| Output Power P (W) | @20 kHz (A) | @50 kHz (A) | @85 kHz (A) | @100 kHz (A) |
|---|---|---|---|---|
| 500 | 2.30 | 0.92 | 0.54 | 0.46 |
| 1000 | 4.60 | 1.84 | 1.08 | 0.92 |
| 1500 | 6.90 | 2.76 | 1.62 | 1.38 |
| 2000 | 9.24 | 3.70 | 2.17 | 1.85 |
| 3000 | 13.84 | 5.54 | 3.26 | 2.77 |
| 3500 | 16.14 | 6.46 | 3.80 | 3.23 |
Publisher’s Note: MDPI stays neutral with regard to jurisdictional claims in published maps and institutional affiliations. |
© 2022 by the authors. Licensee MDPI, Basel, Switzerland. This article is an open access article distributed under the terms and conditions of the Creative Commons Attribution (CC BY) license (https://creativecommons.org/licenses/by/4.0/).
Share and Cite
Liu, Y.; Zhang, J.; Zhu, C.; Chan, C.C. A Study on the Safety Analysis of an Inductive Power Transfer System for Kitchen Appliances. Energies 2022, 15, 5218. https://doi.org/10.3390/en15145218
Liu Y, Zhang J, Zhu C, Chan CC. A Study on the Safety Analysis of an Inductive Power Transfer System for Kitchen Appliances. Energies. 2022; 15(14):5218. https://doi.org/10.3390/en15145218
Chicago/Turabian StyleLiu, Ying, Jiantao Zhang, Chunbo Zhu, and Ching Chuen Chan. 2022. "A Study on the Safety Analysis of an Inductive Power Transfer System for Kitchen Appliances" Energies 15, no. 14: 5218. https://doi.org/10.3390/en15145218
APA StyleLiu, Y., Zhang, J., Zhu, C., & Chan, C. C. (2022). A Study on the Safety Analysis of an Inductive Power Transfer System for Kitchen Appliances. Energies, 15(14), 5218. https://doi.org/10.3390/en15145218

