Neural Network-Based Demand-Side Management in a Stand-Alone Solar PV-Battery Microgrid Using Load-Shifting and Peak-Clipping
Abstract
1. Introduction
2. Related Works
- Load shifting and load clipping DSM approaches were adopted for a typical microgrid in East Africa.
- Substantial power saving can be achieved through generation-demand matching without deep discharge of the battery storage.
- The overall load profile is improved by widely exploiting the available renewable energy resources, hence reducing total dependence on storage and the national grid, both of which are scarce in Africa.
3. Materials and Methods
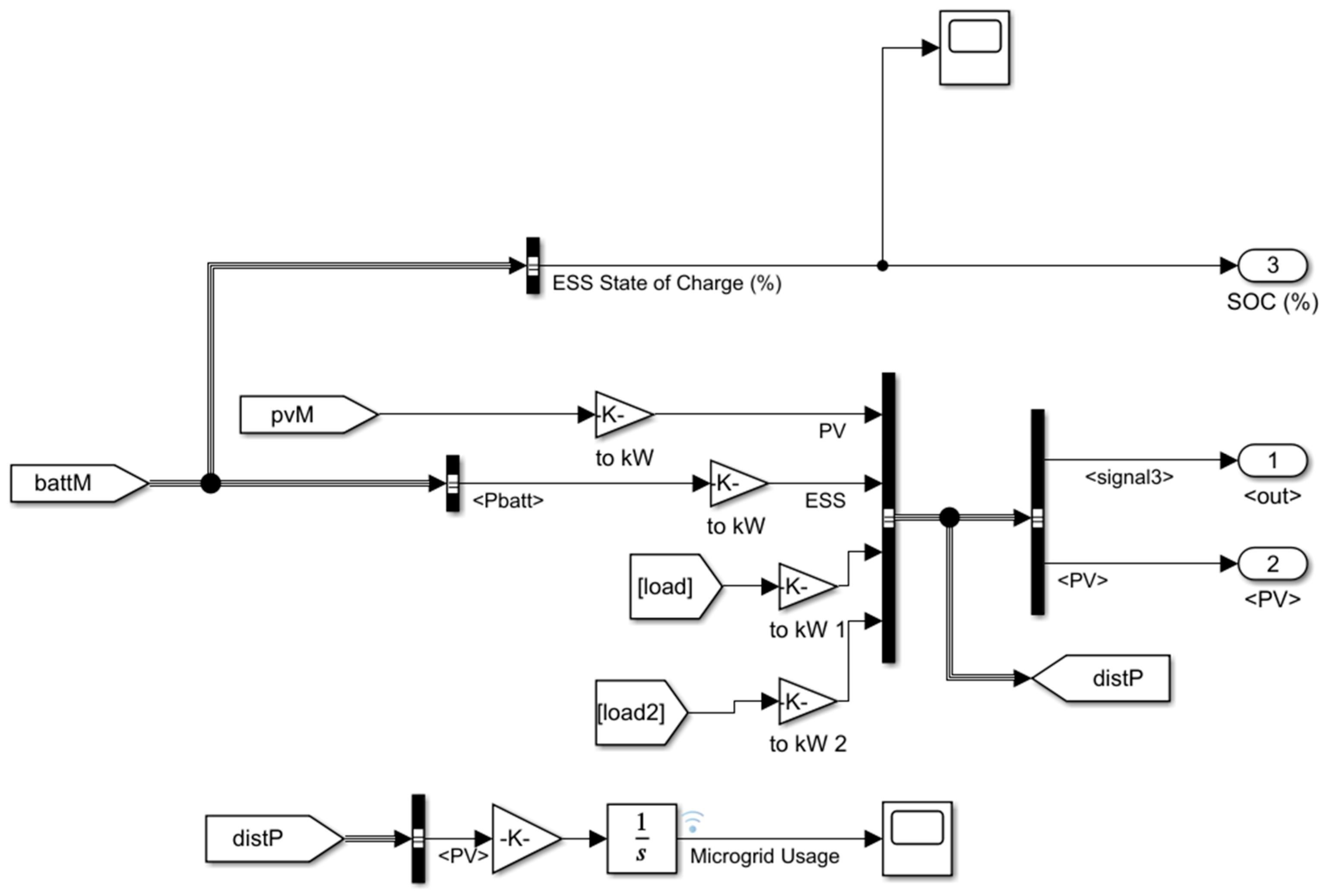
3.1. Modelling of the Case Study
3.2. Load Categorization
- (1)
- Shiftable interruptible load,
- (2)
- Shiftable non-interruptible load,
- (3)
- Consistent load.
3.3. Artificial Neural Network
4. Results and Analysis
4.1. Basic Case
- A = total area in meters squared of the solar panel (For this case study the total area is 900 m2);
- r = percentage solar panel yield efficiency (here it is 20.4%);
- I = solar irradiance (in W/m2);
- PR = performance ratio (0.75, default value).
4.2. Effect of Peak Clipping
4.3. Effect of Load Shifting
4.4. Peak to Average Ratio (PAR)
5. Conclusions
Author Contributions
Funding
Institutional Review Board Statement
Informed Consent Statement
Data Availability Statement
Conflicts of Interest
Nomenclature
| ANN | Artificial Neural Network |
| BPSO | Binary Particle Swarm Optimization |
| DSM | Demand Side Management |
| GWO | Grey Wolf Optimization |
| LS | Load Shifting |
| LPM | Liters per minute |
| MATLAB | Matrix Laboratory |
| PAR | Peak to Average Ratio |
| PC | Peak Clipping |
| PV | Photovoltaic |
| RES | Renewable Energy Sources |
| SOC | State of Charges |
References
- Schnitzer, D.; Shinde, D.L.; Carvallo, J.P.; Deshmukh, R.; Apt, J.; Kammen, D.M. Microgrids for Rural Electrification: A Critical Review of Best Practices Based on Seven Case Studies; United Nations Foundation: Washington, DC, USA, 2014; pp. 11–24. [Google Scholar] [CrossRef]
- Takalani, R.; Bekker, B. Load and Load Growth Models for Rural Microgrids, and How to Future-Proof Designs. In Proceedings of the 2020 International SAUPEC/RobMech/PRASA Conference, Cape Town, South Africa, 29–31 January 2020; pp. 10–15. [Google Scholar] [CrossRef]
- Blimpo, M.P.; Cosgrove-Davies, M. Accès à l’Électricité En Afrique Subsaharienne; World Bank Publications: Washington, DC, USA, 2020; ISBN 9781464814884. [Google Scholar]
- Gambino, V.; Micangeli, A.; Naso, V.; Michelangeli, E.; di Mario, L. A Sustainable and Resilient Housing Model for Indigenous Populations of the Mosquitia Region (Honduras). Sustainability 2014, 6, 4931–4948. [Google Scholar] [CrossRef]
- Dell’Era, A.; Bocci, E.; Sbordone, D.; Villarini, M.; Boeri, F.; Di Carlo, A.; Zuccari, F. Experimental Tests to Recover the Photovoltaic Power by Battery System. Energy Procedia 2015, 81, 548–557. [Google Scholar] [CrossRef][Green Version]
- Micangeli, A.; Del Citto, R.; Checchi, F.; Viganò, D.; Nouboundieu, S.; Cestari, G. Rural Electrification in Central America and East Africa, Two Case Studies of Sustainable Microgrids. Iberoam. J. Dev. Stud. 2018, 7, 82–113. [Google Scholar] [CrossRef]
- Yadoo, A.; Cruickshank, H. The Role for Low Carbon Electrification Technologies in Poverty Reduction and Climate Change Strategies: A Focus on Renewable Energy Mini-Grids with Case Studies in Nepal, Peru and Kenya. Energy Policy 2012, 42, 591–602. [Google Scholar] [CrossRef]
- Independent Evaluation Group World Bank. The Welfare Impact of Rural Electrification: A Reassessment of the Costs and Benefits; Independent Evaluation Group World Bank: Washington, DC, USA, 2008; ISBN 9780821373675. [Google Scholar]
- Khandker, S.R.; Barnes, D.F.; Samad, H.A. Vietnam: Welfare Impacts of Rural Electrification. Econ. Dev. Cult. Change 2013, 61, 659–692. [Google Scholar] [CrossRef]
- Philipo, G.H.; Chande Jande, Y.A.; Kivevele, T. Demand-Side Management of Solar Microgrid Operation: Effect of Time-of-Use Pricing and Incentives. J. Renew. Energy 2020, 2020, 6956214. [Google Scholar] [CrossRef]
- Williams, N.J.; Jaramillo, P.; Cornell, B.; Lyons-Galante, I.; Wynn, E. Load Characteristics of East African Microgrids. In Proceedings of the 2017 IEEE PES PowerAfrica, Accra, Ghana, 27–30 June 2017; pp. 236–241. [Google Scholar] [CrossRef]
- Philipo, G.H.; Chande Jande, Y.A.; Kivevele, T. Clustering and Fuzzy Logic-Based Demand-Side Management for Solar Microgrid Operation: Case Study of Ngurudoto Microgrid, Arusha, Tanzania. Adv. Fuzzy Syst. 2021, 2021, 6614129. [Google Scholar] [CrossRef]
- Azurza, O.; Arranbide, I.; Zubia, I. Rural Electrification Based on Renewable Energies. A Review. Renew. Energy Power Qual. J. 2012, 1, 497–502. [Google Scholar] [CrossRef]
- Villarini, M.; Bocci, E.; Moneti, M.; Di Carlo, A.; Micangeli, A. State of Art of Small Scale Solar Powered ORC Systems: A Review of the Different Typologies and Technology Perspectives. Energy Procedia 2014, 45, 257–267. [Google Scholar] [CrossRef]
- Ustun, T.S.; Ozansoy, C.; Zayegh, A. Recent Developments in Microgrids and Example Cases around the World—A Review. Renew. Sustain. Energy Rev. 2011, 15, 4030–4041. [Google Scholar] [CrossRef]
- Mulongoti, D.; Mugala, G.; Kumwenda, B.; Louie, H. Determining the Effects of Load-Shedding on Residential Electricity Consumption Using Meter Data, A Case of Kitwe, Zambia. In Proceedings of the 2016 IEEE Global Humanitarian Technology Conference (GHTC), Seattle, WA, USA, 13–16 October 2016. [Google Scholar]
- Mišák, S.; Stuchlý, J.; Platoš, J.; Krömer, P. A Heuristic Approach to Active Demand Side Management in Off-Grid Systems Operated in a Smart-Grid Environment. Energy Build. 2015, 96, 272–284. [Google Scholar] [CrossRef]
- Calderaro, V.; Galdi, V.; Lattarulo, V.; Siano, P. A New Algorithm for Steady State Load-Shedding Strategy. In Proceedings of the 2010 12th International Conference on Optimization of Electrical and Electronic Equipment, Brasov, Romania, 20–22 May 2010; pp. 48–53. [Google Scholar] [CrossRef]
- Heffner, G.; Maurer, L.; Sarkar, A.; Wang, X. Minding the Gap: World Bank’s Assistance to Power Shortage Mitigation in the Developing World. Energy 2010, 35, 1584–1591. [Google Scholar] [CrossRef]
- Barton, J.P.; Infield, D.G. Intermittent Renewable Energy. IEEE Trans. Energy Convers. 2004, 19, 441–448. [Google Scholar] [CrossRef]
- Cecati, C.; Citro, C.; Siano, P. Combined Operations of Renewable Energy Systems and Responsive Demand in a Smart Grid. IEEE Trans. Sustain. Energy 2011, 2, 468–476. [Google Scholar] [CrossRef]
- Ma, J.; Chen, H.H.; Song, L.; Li, Y. Residential Load Scheduling in Smart Grid: A Cost Efficiency Perspective. IEEE Trans. Smart Grid 2016, 7, 771–784. [Google Scholar] [CrossRef]
- Panda, S.; Mohanty, S.; Rout, P.K.; Sahu, B.K.; Bajaj, M.; Zawbaa, H.M.; Kamel, S. Residential Demand Side Management Model, Optimization and Future Perspective: A Review. Energy Rep. 2022, 8, 3727–3766. [Google Scholar] [CrossRef]
- Moghimi, M.; Leskarac, D.; Panchal, C.; Lu, J.; Stegen, S. Energy Management System for Peak Shaving in an Experimental Microgrid Employing MILP Optimization. Int. J. Eng. Inov. Technol. 2018, 7, 28–33. [Google Scholar] [CrossRef]
- Narimani, M.R.; Maigha; Joo, J.Y.; Crow, M. Multi-Objective Dynamic Economic Dispatch with Demand Side Management of Residential Loads and Electric Vehicles. Energies 2017, 10, 624. [Google Scholar] [CrossRef]
- Kothari, D.P.; Nagrath, I.J. Scilab Textbook Companion for Modern Power System Analysis Book Description; Tata McGraw—Hill Education: New Delhi, India, 2013; ISBN 0070494894. [Google Scholar]
- Maharjan, S.; Zhang, Y.; Gjessing, S.; Tsang, D.H.K. User-Centric Demand Response Management in the Smart Grid with Multiple Providers. IEEE Trans. Emerg. Top. Comput. 2017, 5, 494–505. [Google Scholar] [CrossRef]
- Lampropoulos, I. Energy Management of Distributed Resources in Power System Operations; Technische Universiteit Eindhoven: Eindhoven, The Netherlands, 2014; ISBN 9789038635972. [Google Scholar]
- Palensky, P.; Dietrich, D. Demand Side Management: Demand Response, Intelligent Energy Systems, and Smart Loads. IEEE Trans. Ind. Inform. 2011, 7, 381–388. [Google Scholar] [CrossRef]
- Adika, C.O.; Wang, L. Smart Charging and Appliance Scheduling Approaches to Demand Side Management. Int. J. Electr. Power Energy Syst. 2014, 57, 232–240. [Google Scholar] [CrossRef]
- Althaher, S.; Member, S.; Mancarella, P.; Member, S. Management System Under Dynamic Pricing. IEEE Trans. Smart Grid 2015, 6, 1874–1883. [Google Scholar] [CrossRef]
- Abid, S.; Alghamdi, T.A.; Haseeb, A.; Wadud, Z.; Ahmed, A.; Javaid, N. An Economical Energy Management Strategy for Viable Microgrid Modes. Electronics 2019, 8, 1442. [Google Scholar] [CrossRef]
- Niro, G.; Salles, D.; Alcântara, M.V.P.; Da Silva, L.C.P. Large-Scale Control of Domestic Refrigerators for Demand Peak Reduction in Distribution Systems. Electr. Power Syst. Res. 2013, 100, 34–42. [Google Scholar] [CrossRef]
- Manzoor, A.; Javaid, N.; Ullah, I.; Abdul, W.; Almogren, A.; Alamri, A. An Intelligent Hybrid Heuristic Scheme for Smart Metering Based Demand Side Management in Smart Homes. Energies 2017, 10, 1258. [Google Scholar] [CrossRef]
- Hafeez, G.; Alimgeer, K.S.; Wadud, Z.; Khan, I.; Usman, M.; Qazi, A.B.; Khan, F.A. An Innovative Optimization Strategy for Efficient Energy Management with Day-Ahead Demand Response Signal and Energy Consumption Forecasting in Smart Grid Using Artificial Neural Network. IEEE Access 2020, 8, 84415–84433. [Google Scholar] [CrossRef]
- Akpojedje, F.O.; Ogujor, E.A. Demand Side Management Strategy for Alleviating Power Shortages in Nigerian Power System: A Case Study. Niger. J. Technol. 2021, 40, 927–937. [Google Scholar] [CrossRef]
- Muneer, A.; Jauhar, T.A.; Qaisar, A.; Amjad, F. Demand Side Management and the Improved Energy Cost Factor of Distributed Energy Generation. Eng. Proc. 2022, 12, 104. [Google Scholar] [CrossRef]
- Islam, M.A.; Saimon, S.A.; Chowdhury, M.E.H.; Mostafa, S.M.G.; Al Masud, M.A.; Alam, M.S. Demand Side Management in a Model House for Better Load Profile in the Perspective of Bangladesh. In Proceedings of the 2021 5th International Conference on Electrical Engineering and Information Communication Technology (ICEEICT), Dhaka, Bangladesh, 18–20 November 2021. [Google Scholar] [CrossRef]
- Ahmad, A.; Khan, A.; Javaid, N.; Hussain, H.M.; Abdul, W.; Almogren, A.; Alamri, A.; Niaz, I.A. An Optimized Home Energy Management System with Integrated Renewable Energy and Storage Resources. Energies 2017, 10, 549. [Google Scholar] [CrossRef]
- Ahmed, M.S.; Mohamed, A.; Homod, R.Z.; Shareef, H. Hybrid LSA-ANN Based Home Energy Management Scheduling Controller for Residential Demand Response Strategy. Energies 2016, 9, 716. [Google Scholar] [CrossRef]
- Gupta, I.; Anandini, G.N.; Gupta, M. An Hour Wise Device Scheduling Approach for Demand Side Management in Smart Grid Using Particle Swarm Optimization. In Proceedings of the 2016 National Power Systems Conference (NPSC), Bhubaneswar, India, 19–21 December 2016. [Google Scholar] [CrossRef]
- Hossain, M.A.; Pota, H.R.; Squartini, S.; Abdou, A.F. Modified PSO Algorithm for Real-Time Energy Management in Grid-Connected Microgrids. Renew. Energy 2019, 136, 746–757. [Google Scholar] [CrossRef]
- Gudi, N.; Wang, L.; Devabhaktuni, V. A Demand Side Management Based Simulation Platform Incorporating Heuristic Optimization for Management of Household Appliances. Int. J. Electr. Power Energy Syst. 2012, 43, 185–193. [Google Scholar] [CrossRef]
- Nawaz, A.; Hafeez, G.; Khan, I.; Jan, K.U.; Li, H.; Khan, S.A.; Wadud, Z. An Intelligent Integrated Approach for Efficient Demand Side Management with Forecaster and Advanced Metering Infrastructure Frameworks in Smart Grid. IEEE Access 2020, 8, 132551–132581. [Google Scholar] [CrossRef]
- Zhu, J.; Lin, Y.; Lei, W.; Liu, Y.; Tao, M. Optimal Household Appliances Scheduling of Multiple Smart Homes Using an Improved Cooperative Algorithm. Energy 2019, 171, 944–955. [Google Scholar] [CrossRef]
- Degefa, M.Z.; Sale, H.; Petersen, I.; Ahcin, P. Data-Driven Household Load Flexibility Modelling: Shiftable Atomic Load. In Proceedings of the 2018 IEEE PES Innovative Smart Grid Technologies Conference Europe (ISGT-Europe), Sarajevo, Bosnia and Herzegovina, 21–25 October 2018; pp. 5–10. [Google Scholar] [CrossRef]
- Denholm, P.; Ong, S.; Booten, C. Using Utility Load Data to Estimate Demand for Space Cooling and Potential for Shiftable Loads; National Renewable Energy Lab: Golden, CO, USA, 2012; p. 23. [Google Scholar]
- Winch Energy Completes Funding for African Solar Projects|Energy Global. Available online: https://www.energyglobal.com/special-reports/17022021/winch-energy-completes-funding-for-african-solar-projects/ (accessed on 19 May 2022).
- Lundstrom, B.; Patel, S.; Attree, S.; Salapaka, M.V. Fast Primary Frequency Response Using Coordinated Der and Flexible Loads: Framework and Residential-Scale Demonstration. In Proceedings of the 2018 IEEE Power & Energy Society General Meeting (PESGM), Portland, OR, USA, 5–10 August 2018; pp. 1–5. [Google Scholar] [CrossRef]
- Babu, P.R.; Divya, V.P.S. Application of ANN and DSM Techniques for Peak Load Management a Case Study. In Proceedings of the 2008 IEEE Region 8 International Conference on Computational Technologies in Electrical and Electronics Engineering, Novosibirsk, Russia, 21–25 July 2008; pp. 384–388. [Google Scholar] [CrossRef]
- Macedo, M.N.Q.; Galo, J.J.M.; De Almeida, L.A.L.; De, A.C. Demand Side Management Using Artificial Neural Networks in a Smart Grid Environment. Renew. Sustain. Energy Rev. 2015, 41, 128–133. [Google Scholar] [CrossRef]
- Akmam Naamandadin, N.; Jian Ming, C.; Azani Mustafa, W. Relationship between Solar Irradiance and Power Generated by Photovoltaic Panel: Case Study at UniCITI Alam Campus, Padang Besar, Malaysia. J. Adv. Res. Eng. Knowl. 2018, 5, 16–20. [Google Scholar]
- Prasad, J.; Jain, T.; Sinha, N.; Rai, S. Load Shifting Based DSM Strategy for Peak Demand Reduction in a Microgrid. In Proceedings of the 2020 International Conference on Emerging Frontiers in Electrical and Electronic Technologies (ICEFEET), Patna, India, 10–11 July 2020. [Google Scholar] [CrossRef]
- Moghaddam, M.P.; Abdollahi, A.; Rashidinejad, M. Flexible Demand Response Programs Modeling in Competitive Electricity Markets. Appl. Energy 2011, 88, 3257–3269. [Google Scholar] [CrossRef]
- Moghimi, M.; Leskarac, D.; Bennett, C.; Lu, J.; Stegen, S. Rule-Based Energy Management System in an Experimental Microgrid with the Presence of Time of Use Tariffs. MATEC Web Conf. 2016, 70, 10011. [Google Scholar] [CrossRef]
- Diyan, M.; Silva, B.N.; Han, K. A Multi-Objective Approach for Optimal Energy Management in Smart Home Using the Reinforcement Learning. Sensors 2020, 20, 3450. [Google Scholar] [CrossRef]
- Lu, R.; Hong, S.H.; Yu, M. Demand Response for Home Energy Management Using Reinforcement Learning and Artificial Neural Network. IEEE Trans. Smart Grid 2019, 10, 6629–6639. [Google Scholar] [CrossRef]
- Bhongade, S. Demand-Side Management in an Indian Village. J. Inst. Eng. Ser. B 2021, 103, 63–71. [Google Scholar] [CrossRef]






















| Measure for DSM | Total (in kWh) | Power Saved with DSM (in kWh) | Power Saved (in %) |
|---|---|---|---|
| Without DSM | 47 | 0 | 0 |
| Energy efficiency | 33 | 14 | 29.78 |
| Dynamic load control | 43 | 4 | 8.51 |
| Load shifting | 47 | 0 | 0 |
| Appliance Category | Appliance Name | Power Rating (kW) | Hours of Operation/Day |
|---|---|---|---|
| Shiftable interruptible | Personal computer | 0.03 | 4 |
| Microwave | 1.5 | 0.5 | |
| Pump (41 m, 75 LPM) | 0.9 | 4 | |
| Shiftable non-interruptible | Blender | 0.3 | 4 |
| Iron | 1 | 2 | |
| Washing machine | 0.5 | 2 | |
| Consistency | Refrigerator | 0.3 | 6 |
| Fan | 0.05 | 8 | |
| Water Purifier | 0.5 | 9 |
| Statistical Value | Original Profile | Load Shifting | Peak Clipping |
|---|---|---|---|
| Maximum power (kW) | 8.970 | 8.890 | 6.170 |
| Minimum power (kW) | 2.200 | 2.200 | 2.200 |
| Peak to peak power (kW) | 6.770 | 6.690 | 3.970 |
| Mean power (kW) | 4.899 | 4.903 | 3.645 |
| Median power (kW) | 4.989 | 5.000 | 2.899 |
| RMS power (kW) | 5.289 | 5.190 | 3.873 |
| Maximum load hour | 19 | 12 | 13 |
| Minimum load hour | 4 | 4 | 4 |
| PAR | 1.831 | 1.813 | 1.693 |
| % Peak reduction | 0.000% | 0.892% | 31.215% |
Publisher’s Note: MDPI stays neutral with regard to jurisdictional claims in published maps and institutional affiliations. |
© 2022 by the authors. Licensee MDPI, Basel, Switzerland. This article is an open access article distributed under the terms and conditions of the Creative Commons Attribution (CC BY) license (https://creativecommons.org/licenses/by/4.0/).
Share and Cite
Philipo, G.H.; Kakande, J.N.; Krauter, S. Neural Network-Based Demand-Side Management in a Stand-Alone Solar PV-Battery Microgrid Using Load-Shifting and Peak-Clipping. Energies 2022, 15, 5215. https://doi.org/10.3390/en15145215
Philipo GH, Kakande JN, Krauter S. Neural Network-Based Demand-Side Management in a Stand-Alone Solar PV-Battery Microgrid Using Load-Shifting and Peak-Clipping. Energies. 2022; 15(14):5215. https://doi.org/10.3390/en15145215
Chicago/Turabian StylePhilipo, Godiana Hagile, Josephine Nakato Kakande, and Stefan Krauter. 2022. "Neural Network-Based Demand-Side Management in a Stand-Alone Solar PV-Battery Microgrid Using Load-Shifting and Peak-Clipping" Energies 15, no. 14: 5215. https://doi.org/10.3390/en15145215
APA StylePhilipo, G. H., Kakande, J. N., & Krauter, S. (2022). Neural Network-Based Demand-Side Management in a Stand-Alone Solar PV-Battery Microgrid Using Load-Shifting and Peak-Clipping. Energies, 15(14), 5215. https://doi.org/10.3390/en15145215

