Next Article in Journal
Quantitative Evaluation of CO2 Storage Potential in the Offshore Atlantic Lower Cretaceous Strata, Southeastern United States
Next Article in Special Issue
Design and Control of a Quasi-Z Source Multilevel Inverter Using a New Reaching Law-Based Sliding Mode Control
Previous Article in Journal
Deflection of Hydraulic Fractures and Shear Stress Disturbance Considering Thermal Effects: A Numerical Case Study
Previous Article in Special Issue
An Adaptive Hybrid Control of Grid Tied Inverter for the Reduction of Total Harmonic Distortion and Improvement of Robustness against Grid Impedance Variation
 
 
Font Type:
Arial Georgia Verdana
Font Size:
Aa Aa Aa
Line Spacing:
Column Width:
Background:
Article

An DPWM for Active DC-Link Type Quasi-Z-Source Inverter to Reduce Component Voltage Rating

Faculty of Electrical and Electronics Engineering, Ho Chi Minh City University of Technology and Education, Ho Chi Minh City 700000, Vietnam
*
Author to whom correspondence should be addressed.
Energies 2022, 15(13), 4889; https://doi.org/10.3390/en15134889
Submission received: 5 June 2022 / Revised: 29 June 2022 / Accepted: 1 July 2022 / Published: 4 July 2022

Abstract

:
The conventional DC-link type quasi-Z-source inverter has been known as a buck–boost inverter with a low component voltage rating. This paper proposes an active DC-link type quasi-Z-source inverter by adding one active switch and one diode to the impedance-source network to enhance the voltage gain of the inverter. As a result, the component voltage rating of the inverter is significantly reduced, which is demonstrated through some comparisons between the proposed topology and others. A discontinuous pulse width modulation (DPWM) scheme is proposed to control the inverter, which reduces the number of commutations compared to the traditional strategy. Under this approach, the insertion of a shoot-through state does not cause any extra commutations compared to the conventional voltage-source inverter. Details about control implementation, steady-state analysis, and design guidelines are also presented in this paper. Simulation and a laboratory prototype have been built to test the proposed inverter. Both buck and boost operations of the proposed inverter are implemented to validate the performance of the inverter.

1. Introduction

Presently, inverters that convert energy from a DC input source to AC output voltage play an important role in the renewable energy system. Because of their simple structure, low component utilization, and high power density, conventional two-level inverters are used in a wide range of industrial applications [1,2,3,4]. Two forms of traditional two-level inverters are voltage source inverters (VSI) and current source inverters (CSI). The VSI works as a voltage buck converter, where the peak-to-peak value of the AC output phase voltage is smaller than the DC link voltage. In comparison with VSI, the CSI is known as a boost converter, which uses many extra elements such as diodes [3]. Nowadays, inverters adopting a wide range of input voltage have attracted many researchers. However, conventional VSI and CSI do not adopt a wide range of input sources. In fact, the traditional solution installs a DC–DC boost converter in front of the conventional VSI to provide buck–boost characteristics in two-stage power conversion. In this way, the input voltage is enhanced before feeding to the inverter circuit. In this solution, a short-circuit current generated by activating all switches in one or more phase legs can destroy the system. This state is known as the shoot-through (ST) state and is forbidden in VSI. To avoid this dangerous situation, dead-time control is adopted to generate control signals for inverter switches [5,6]. In this case, the rising edge of the control signal is delayed to avoid the ST state. It causes distortion at output voltage and an increment in total harmonic distortion (THD) of output current. Many pulse-width modulation (PWM) methods based on the direction of output current have been explored to compensate for the negative effects of dead time [5,6]. However, these studies introduced more control complexity and required many additional current sensors.
In the last two decades, impedance source inverters (ISIs) (known as single-stage inverters) have been considered to solve the problems of buck–boost operation and the ST immunity of conventional VSI. The Z-source inverter (ZSI) is the first generation of ISIs, which was explored by Professor Peng in 2003 [7]. In ZSI, two capacitor voltages of the ZS network are subtracted by input voltage to produce the DC link voltage of the inverter side. Thus, it can be concluded that the capacitors are badly utilized. The quasi-Z-source inverter (qZSI) introduced a new connection type of impedance source network to overcome the limit of ZSI [8,9]. Two main types of qZSI are continuous qZSIs (CqZSI) and DC-link type/discontinuous qZSI (DqZSI). These two topologies have the same boost factor. However, the DqZSI topology has a smaller voltage rating of a capacitor than CqZSI, as presented in [8]. The main advantage of the CqZSI compared to DqZSI is that this topology has a continuous input current [8]. Many comparisons between ISIs and traditional two-stage inverters have demonstrated that single-stage inverters have better system reliability and output quality [10,11,12]. Moreover, when the voltage gain of the inverter is less than two, the ZSI and qZSI have higher efficiency than the conventional two-stage inverter [10,12]. The work in [13] introduced a combination of a qZS network and a single-phase neutral point clamped inverter for photovoltaic (PV) applications. With generic semiconductor devices, this work can obtain 97% conversion efficiency, just like any two-stage inverter. It demonstrated that the single-stage inverter is one of the promising topologies.
Two main issues of the impedance source inverter can be listed as (1) improving boost factor and voltage gain, and (2) reducing the number of switching commutations. When the boost factor/voltage gain is improved, the required ST duty ratio is also reduced. It results in reducing conduction loss and increasing system efficiency [14]. Moreover, the ST duty ratio also affects the inductor’s current profile. Thus, a lower ST duty ratio causes a smaller inductor current ripple, which reduces the size of the inductor and increases the power density of the inverter. The switching commutation increment is mainly due to ST insertion. At least two extra commutations are generated for ST insertion in conventional methods for ISIs. It leads to increased switching losses of the semiconductor devices. Many studies have discussed switching commutation and ST duty ratio reductions, as follows.
The switching commutations can be minimized by correspondingly placing ST state, which is reported in [15,16,17]. Accordingly, the number of switching commutations is reduced to equal that of conventional VSI in [15,16,17]. Many studies have reported on voltage gain improvement methods for qZSI [18,19,20,21,22]. The first solution to increasing voltage gain is to add more extra passive components like inductors and diodes into the impedance-source network [18,19]. The other one is using active switches in the intermediate network [20,21,22]. In [18,19], one or more switched inductor (SL) units, which consist of two inductors and three diodes, are used to replace single inductors in the conventional topology of ZSI/qZSI to increase voltage gain. This solution increases the cost and size of the inverter because it utilizes many inductors. In comparison to the first solution in [18,19], the second one in [20,21,22] can save many inductors and diodes by using one extra active switch. It is worth noting that the boost factor and voltage gain of the topologies in [20,21,22] are very flexible to be controlled and higher than that in [18,19]. The work in [21] presented a combination of both solutions, which adopts both SL unit and active switch in the intermediate network. Although the voltage gain of these works has increased significantly, it remains low. Moreover, the boost factor is controlled by only the ST duty ratio, which makes the inverter inflexible.
This paper presents a new topology of active DC link type qZSI (ADC-qZSI) by adding one active switch and one diode into the conventional DqZSI. With the help of these extra devices, the proposed topology introduces one extra mode besides two conventional operating modes for ISIs (ST mode and non-ST mode). In this mode, the current of the inductor is kept constant and the voltage gain is increased. It results in component voltage rating reduction. A discontinuous PWM (DPWM) control method is proposed to control this topology. In this control technique, the ST state is inserted into the phase operating with the highest reference signals. It leads to reducing the number of switching commutations down to equal to conventional two-level VSI. The next parts of this paper include seven sections. The inverter structure and steady-state analysis and design guidelines of the proposed inverter are presented in Section 2 and Section 3, respectively. Section 4 presents the semiconductor loss calculation. The comparison study, simulation and experimental results are attached in Section 5, Section 6 and Section 7.

2. Proposed Active DC-Link Type Quasi-Z-Source Inverter (ADC-qZSI) Topology

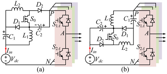
Two types of proposed ADC-qZSIs have been drawn in Figure 1. Both types are constructed by an ADC-qZS network followed by a conventional two-level inverter. The impedance source network is known as the boost unit and is formed by two inductors (L1 and L2), two capacitors (C1 and C2), one active switch (S0), and two diodes (D1 and D2). Compared to traditional DC-link qZSI in [8], the proposed inverter has one extra active switch, S0, and one extra diode, D2. This insertion makes this topology flexible to control and increases the boost factor and voltage gain of the inverter. The conventional two-level inverter is responsible for buck operation. With the corresponding control method, the proposed inverter can buck and boost the output voltage from a single DC source, Vdc. Each leg of the inverter side consists of two active switches, S1X and S2X, which ensures a two-level voltage at the output terminals, +VPN and zero. In general, two types of ADC-qZSIs have similar operations, thus, type 1 shown in Figure 1a is selected for analysis.

2.1. Operating States

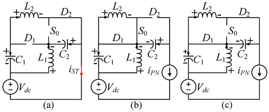
Like any single-stage inverter, the ADC-qZSI is also proposed to operate under ST mode and non-ST mode, as shown in Figure 2. The on/off states of inverter switches and diodes are listed in Table 1.
In the ST state, as shown in Figure 2a, the inverter side is able to produce value of 0 V at three-phase output voltages by turning on two switches in one phase leg, while switch S0 is gated off. As a result, the DC-link voltage, VPN, is shorted and has a value of zero. This ST state reverses diode D1 and forward diode D2 of impedance source circuit. In this mode, inductor L1 is stored energy from DC input voltage and capacitor C2, while inductor L2 is stored energy from DC input voltage and capacitor C1. The inductor voltages and capacitor currents are expressed as follows:
{ L 1 d i L 1 d t = V d c + V C 2 ; L 2 d i L 2 d t = V d c + V C 1 C 1 d v C 1 d t = i L 2 ; C 2 d v C 2 d t = i L 1
where Vdc is DC input source; VC1 and VC2 are capacitor C1 and C2 voltages; iL1, iL2, and iPN are instantaneous values of inductor currents and equivalent inverter side current.
In non-ST mode, the DC-link voltage obtains maximum value, which is determined by the summing DC input source and two capacitor voltages. With one extra switch, S0, the non-ST mode consists of two sub-modes depending on the state of S0. When S0 is gated on, non-ST mode 1 shown in Figure 2b is achieved. Diode D2 is reversed bias, whereas diode D1 is forward bias. It results in shorting inductor L2 and discharging capacitor C2. While capacitor C1 is charged from inductor L1. The following equations are obtained:
{ L 1 d i L 1 d t = V C 1 ; L 2 d i L 2 d t = 0 C 1 d v C 1 d t = i L 1 i P N ; C 2 d v C 2 d t = i P N
It can be seen that this non-ST mode maintains the energy of inductor L2 instead of discharging like conventional ISI, which increases the boost factor of the inverter.
Non-ST mode 2 of the proposed inverter, as shown in Figure 2c, is like any single-stage inverter. Switch S0 is gated off, whereas the inverter side switches operate like conventional inverters. Two inductors transfer energy to capacitors. The following equations are achieved:
{ L 1 d i L 1 d t = V C 1 ; L 2 d i L 2 d t = V C 2 C 1 d v C 1 d t = i L 1 i P N ; C 2 d v C 2 d t = i L 2 i P N

2.2. Proposed DPWM Control Strategy

To reduce the switching commutation, the proposed method uses a DPWM strategy to generate the control signals to inverter switches. To detail this modulation method, let us first define three signals vX (X = A, B, and C) as follows:
{ v A = 1 / 3 × M × sin ( 2 π f o t ) v B = 1 / 3 × M × sin ( 2 π f o t 2 π / 3 ) v B = 1 / 3 × M × sin ( 2 π f o t 2 π / 3 ) M 1
where M is modulation index; fo is fundamental frequency.
Three reference signals v X * (X = A, B, C), as shown in Figure 3, can be obtained by subtracting vX from minimum value of vA, vB, vC as follow:
v X * = v X min ( v A , v B , v C )
These three reference signals are compared to high-frequency carrier Vtri like a conventional two-level inverter, to produce on/off switching signals for inverter side switches. In this scheme, one-third of the output period has no switching commutation in any phase leg, as shown in Figure 3. Thus, the switching loss can be reduced when compared to the conventional sinusoidal PWM method.
In the conventional PWM control method for single-stage inverters, the constant signal is used to generate the ST signal of the inverter leg. When this ST signal is inserted into the switching sequence, it produces at least two extra commutations in any phase leg. To overcome this, the proposed method uses discontinuous modulation signal vST and the maximum value of v X * to produce ST signal, as presented in Figure 3. In more detail, the ST signal is activated when max ( v A * , v B * , v C * ) VtrivST. Then, this ST signal is inserted into the phase which has the maximum value of reference signal v X * by triggering on both switches S1X and S2X of that phase leg. In this way, the ST insertion does not generate any extra switching commutation compared to conventional two-level VSI. For example, as shown in zoom-in waveforms of switches S1A and S2A control signals, there are only two switching commutations for each switch, which equals the conventional two-level inverter.
Like any impedance source two-level inverter, the ST state must be inserted within zero vectors. Therefore, ST duty ratio DST is not larger than (1 − M) and can be controlled independently by M. The vST signal and ST duty ratio are expressed as follows:
{ v S T = max ( v A * , v B * , v C * ) + D S T D S T 1 M
where DST is ST duty ratio.
The control signal of S0 is generated by comparing control signal vcon to carrier signal Vtri, as shown in Figure 3. The vcon is identified as:
v c o n = D 0
where D0 is duty ratio of switch S0.
In order not to affect the operating modes of the inverter, vcon must be satisfied with the following term:
v c o n 3 M / 2 D 0 3 M / 2

2.3. Steady-State Analysis

Figure 4 shows the profiles of inductor currents and capacitor voltages under one switching period, Ts. It is clear that the total time of ST mode is DSTTs for any period Ts. The time interval of non-ST mode 1 is equal to the on-time of switch S0 which is determined as D0Ts. The rest time of Ts is (1 − DSTD0)∙Ts, which is the time interval of non-ST mode 2. By applying the volt-second balanced principle to two inductors, L1 and L2, the capacitor and DC link voltages can be identified as:
{ V C 1 = V d c ( 1 D 0 ) D S T / ( 1 D 0 2 D S T + D 0 D S T ) V C 2 = V d c D S T / ( 1 D 0 2 D S T + D 0 D S T ) V P N = V d c ( 1 D 0 ) / ( 1 D 0 2 D S T + D 0 D S T )
Assuming that the equivalent inverter current, iPN, is constant, the average values of inductor currents can be approximately calculated by applying capacitor charge-balanced principle to capacitor C1 and C2 currents, as follows:
{ I L 1 = i P N ( 1 D 0 ) ( 1 D S T ) / ( 1 D 0 2 D S T + D 0 D S T ) I L 2 = i P N ( 1 D S T ) / ( 1 D 0 2 D S T + D 0 D S T )
The boost factor, B, of the inverter is identified as:
B = V P N V d c = 1 D 0 1 D 0 2 D S T + D 0 D S T
The peak value of fundamental component of output phase voltage is calculated as:
v ^ X = 1 / 3 × M × V P N
where v ^ X is the peak value of output phase voltage.
The voltage gain, G, of proposed inverter is expressed as:
G = v ^ X V d c / 2 = 2 3 × M × ( 1 D 0 ) 1 D 0 2 D S T + D 0 D S T
By setting D0 to max value which is expressed in (8), the max voltage gain can be obtained.

3. Parameter Selection

3.1. Inductor and Capacitor Selection

As shown in Figure 4, the inductor current ripples are depended on the time interval of non-ST mode 2, (1 − vST)Ts. When vST is maximum, the inductor current ripple is maximum. Based on (4)–(6), the maximum value of vST can be calculated as:
v S T , max = M + D S T
Based on (1)–(3) and (14), the maximum value of inductor current ripples can be expressed as:
{ Δ I L 1 = V d c M ( 1 D 0 ) / ( K L 1 f s ) Δ I L 2 = V d c D S T ( M D 0 ) / ( K L 2 f s ) K = 1 D 0 2 D S T + D 0 D S T
where ΔILj (j = 1, 2) is inductor Lj current ripple; fs = 1/Ts is switching frequency.
The capacitor voltage ripples are calculated as:
{ Δ V C 1 = i P N M D S T / ( K C 1 f s ) Δ V C 2 = i P N [ M D S T ( K D S T ) D 0 ] / ( K C 2 f s )
Based on (9), (10), (15) and (16), the inductors and capacitors are selected in terms of ΔILj/ILjk1%, and ΔVCj/VCjk2%, where k1% and k2% are max acceptable ratios of inductor current and capacitor voltage ripples, respectively.

3.2. Semiconductor Device Selection

The maximum reversed voltage of diode D1 is DC-link voltage, which is obtained in ST mode. The max reversed voltage of diode D2 equals the capacitor C2 voltage, which is achieved in non-ST mode 1.
The maximum value of diode D2 current is equal to the maximum value of inductor L2 current, which is obtained in non-ST mode 2, while the current through diode D1 achieves its maximum value in non-ST modes, which is calculated as:
{ i D 1 , max = i L 1 , max + i L 2 , max i P N i L j , max = I L j + Δ I L j / 2   where   j = 1 , 2
where iLj,max is the maximum value of inductor Lj current, which can be calculated by applying (10) and (15).
Switch S0 is only installed to transfer the energy of inductor L2, and its current is constant when it is turned on, as shown in Figure 4. Thus, its current is the average value of the inductor L2 current, which is expressed in (10). As shown in (9), the voltage across S0 equals the voltage across capacitor C2.
The voltage across the inverter side switches is equal to the DC link voltage. The maximum current through switch S1X is ST current, which is determined by summing two max values of two-inductor currents.

4. Semiconductor Loss Contribution

The power loss of semiconductor devices is classified into two groups: (1) loss of semiconductor devices of an impedance source circuit, and (2) power loss of inverter side switches. MOSFET devices are adopted for switching devices in this analysis.

4.1. Loss of Switching Devices of Impedance-Source Network

As shown in Figure 3, the S0 switch of the intermediate circuit has one switching action per switching period, TS. The switching voltage and current of switch S0 are capacitor C2 voltage and inductor L2 current, respectively. When S0 is gated on, the current across S0 is IL2 and the time interval of this state is D0Ts. Therefore, the power loss of switch S0 is calculated as:
{ P S 0 , c o n d = r d s , o n × D 0 × I L 2 P S 0 , s w = 1 2 V C 2 × I L 2 × ( t r i + t f u + t r u + t f u ) × f s
where PS0,cond and PS0,sw are conduction and switching losses of S0; tri, tfu, tru and tfu are respectively current rise time, current fall time, voltage rise time, and voltage fall time of MOSFET.
In any switching cycle, diode D1 has two switching events when the ST state is activated. When diode D1 is reverse biased, it blocks DC link voltage. When D1 is forward biased, it transfers inductor L1 current in non-ST mode two and two inductor currents in non-ST mode one. The conduction loss and reverse recovery loss of diode D1 are expressed as:
{ P D 1 , c o n d = V F × ( 1 D S T ) × I L 1 + V F × D 0 × I L 2 P D 1 , r r = 2 × V P N × Q r r × f s
where PD1,cond and PD1,rr are conduction and reverse recovery losses of D1; VF and Qrr are forward voltage and reverse recovery charge of diode, respectively.
Diode D2 has one switching action per switching cycle when the S0 switch is turned on. The reverse voltage of diode D2 is the capacitor C2 voltage. When diode D2 is forward biased in ST mode and non-ST mode two, it transfers inductor L2 current. The power loss of this diode is calculated as follows:
{ P D 2 , c o n d = V F × ( 1 D 0 ) × I L 1 P D 2 , r r = V C 2 × Q r r × f s

4.2. Loss of Switching Devices of Inverter Side Circuit

Three phase legs of the inverter side circuit have the same operating principle. Therefore, only the S1A and S2A switches of the phase A leg are considered in this analysis.
From π/6 to 5π/6 of output voltage, the reference signal v A * of phase A is the maximum. Thus, the ST state is inserted into this phase. This insertion makes S2A switch at two-inductor currents. Similar to switch S2A, the switching current of switch S1A is the sum of two-inductor currents and phase A load current. From 0 to π/6 and 5π/6 to π, switch S1A is switched at phase A load current. When switch S1A is gated on, there is one reverse recovery action generated at the anti-parallel diode of switch S2A. From π to 7π/6 and 11π/6 to 2π, switch S2A is switched at phase A load current while there is one switching event of the body-diode of switch S1A. Switches S1A and S2A have no switching action in the time interval from 7π/6 to 11π/6. Both switches S1A and S2A block DC link voltage like any conventional two-level VSI. The switching losses of both S1A and S2A are expressed as follows:
{ P S 1 A , s w = 2 2 π 0 π / 6 1 2 V P N i A ( θ ) ( t r i + t f u + t r u + t f u ) f s d θ + 1 2 π π / 6 5 π / 6 1 2 V P N [ I L 1 + I L 2 + i A ( θ ) ] ( t r i + t f u + t r u + t f u ) f s d θ + 2 2 π π 7 π / 6 V P N Q r r f s d θ P S 2 A , s w = 2 2 π 0 π / 6 V P N Q r r f s d θ + 1 2 π π / 6 5 π / 6 1 2 V P N ( I L 1 + I L 2 ) ( t r i + t f u + t r u + t f u ) f s d θ + 2 2 π π 7 π / 6 1 2 V P N | i A ( θ ) | ( t r i + t f u + t r u + t f u ) f s d θ
where PS1A,sw and PS2A,sw are switching losses of switches S1A and S2A, respectively.
The conduction losses of switches S1A and S2A are expressed as:
{ P S 1 A , c o n d = 1 2 π 5 π / 6 13 π / 6 r d s , o n i A 2 ( θ ) v a * ( θ ) ( d θ + 1 2 π π / 6 5 π / 6 r d s , o n { i A 2 ( θ ) v a * ( θ ) + [ i A ( θ ) + I L 1 + I L 2 ] 2 D S T } d θ P S 2 A , c o n d = 1 2 π 5 π / 6 13 π / 6 r d s , o n i A 2 ( θ ) [ 1 v a * ( θ ) ] ( d θ + 1 2 π π / 6 5 π / 6 r d s , o n { i A 2 ( θ ) [ 1 v a * ( θ ) ] + [ I L 1 + I L 2 ] 2 D S T } d θ
where PS1A,cond and PS2A,cond are conduction losses of switches S1A and S2A, respectively.

4.3. Power Loss Comparison between Proposed Topology and Conventional DqZSI

The proposed ADC-qZSI is compared to conventional DqZSI in [8] for semiconductor loss. In this comparison, two inverters are designed to operate under 200 V DC input source, 220 VRMS/380 VRMS AC output voltage, and 1.5 kW. The semiconductor components and operating parameters are listed in Table 2. With these parameters, the proposed topology needs 620-V DC-link voltage to generate 220 VRMS AC output voltage. While it is 910 V DC-link voltage for conventional DqZSI. As a result, the proposed topology used 1200 V switching devices instead of 1700 V devices such as the conventional topology in [8]. In the proposed configuration, the voltage stresses of switch S0 and diode D2 are capacitor C2 voltage, which is 340 V. Thus, switch S0 and diode D2 are 650 V switching devices. The result of the power loss comparison is shown in Figure 5. The proposed ADC-qZSI introduces two more power losses at S0 and diode D2 compared to the traditional DqZSI. However, the other semiconductor losses of the proposed topology are smaller than DqZSI because of having a smaller DC link voltage. As a result, the total semiconductor loss of introduced ADC-qZSI is smaller than the conventional DqZSI.

5. Comparison Study

The main contributions of the proposed configuration can be listed as (1) using a small number of passive components, (2) high voltage gain, and (3) low component voltage rating, which are verified by comparing to some previous single-stage inverters such as conventional DqZSI in [8], SL-qZSI in [18], rSL-qZSI in [19], ASC-EqZSI in [20], ASC/SL-qZSI in [21], and HG-qSBI in [22]. The comparison study concludes three sub-sections, which are (1) the number of components comparison; (2) boost factor and voltage gain comparison, and (3) component voltage stress comparison. Note that the proposed ADC-qZSI has two coefficients (D0 and DST) to control the boost factor. Their relationship is shown in (6) and (8). Thus, in this comparison study, both maximum boost and minimum boost control are considered. In detail, the maximum boost control can be obtained by setting the value 3 ( 1 D S T ) / 2 for D0, and the minimum boost control can be achieved by setting the zero value for D0. It is worth noting that the ST duty ratios, DST, of these works are set as (1 − M).

5.1. Number of Components

The overall comparison between these configurations has been summarized in Table 3. Among these topologies, the conventional DqZSI topology in [8] uses the smallest number of elements compared to others. However, it makes conventional topology have lower voltage gain and higher voltage stress compared to others, which is detailed in the next section. The SL-qZSI in [18] and rSL-qZSI in [19] do not use active switching devices in impedance source networks. Instead, they use more inductors and diodes to enhance voltage gain. In detail, the SL-qZSI in [18] uses one more inductor and two more diodes, while the rSL-qZSI in [19] uses two-more inductors and five more diodes compared to the proposed ADC-qZSI. The use of active switches in intermediate network topologies like [20,21,22] and the proposed topology helps save a large number of passive components like inductors and capacitors. The work in [21] uses two fewer inductors, one fewer capacitor, and two fewer diodes than in [19]. However, it still utilizes three more diodes than the proposed ADC-qZSI. Moreover, the use of only one capacitor [21] causes high capacitor voltage stress, which is detailed in the next part of this section. The proposed topology has the same number of components as ASC-EqZSI in [20] and HG-qSBI in [22], which are two inductors, two capacitors, two diodes, and only one active semiconductor device in the impedance-source network. Note that the inverter sides of these configurations use a conventional two-level inverter, thus, the number of elements for the inverter side circuit is the same for all these topologies.

5.2. Boost Factor and Voltage Gain

The boost factor and voltage gain of these topologies are shown in Figure 6. According to some studies [18,19,20,21,22], the HG-qSBI in [22] has the largest boost factor, as presented in Figure 6a, thus it also has the largest voltage gain. When the minimum boost control is applied, the boost factor of the proposed inverter is 1/(1 − 2DST), which is equal to conventional qZSI in [8]. As a result, the proposed topology produces the smallest boost factor and voltage gain compared to the works in [18,19,20,21,22]. However, the boost factor of the proposed ADC-qZSI can be extended by increasing the duty ratio D0 of switch S0. When the duty ratio D0 obtains a value of 0.5, the boost factor and voltage gain of the proposed method are equal to HG-qSBI in [22] and also higher than the works in [18,19,20,21]. When the maximum value of D0, 3 ( 1 D S T ) / 2 , is achieved, the boost factor and voltage gain of the proposed ADC-qZSI are the largest, which brings a benefit to the low component voltage rating, as follows.

5.3. Component Voltage Rating

Some investigations on capacitor, diode and switch voltage stresses have been conducted, as illustrated in Figure 7. Note that there are a lot of diodes in these topologies, which have unequal voltage stresses, as shown in Table 3. Therefore, simply, the maximum values of diode voltage stresses are only considered in this comparison study. Figure 7a,b show voltage stress comparisons for capacitors C1 and C2. The max boost control of the proposed ADC-qZSI produces the smallest capacitors C1 and C2 voltage rating compared to others, as shown in Figure 7a,b. Among these topologies, the impedance-source switch voltage stress is equal to the capacitor voltage. Thus, having a lower capacitor voltage rating causes a lower switch voltage rating, as shown in Figure 7c.
Having a higher voltage gain makes the proposed ADC-qZSI able to use a higher modulation index compared to other topologies, as shown in Figure 6b. On the other hand, the boost factor can be calculated as follows:
B = G / ( 1.15 × M )
From (23), it can be seen that the proposed topology with the introduced DPWM method uses a higher modulation index, which leads to requiring a lower boost factor. The max value of diode voltage stress equals the boost factor, as shown in Table 3. Moreover, it is clear that the inverter side switch voltage rating is also equal to the boost factor. As a result, the proposed ADC-qZSI has the lowest diode and inverter side switch voltage stresses among these configurations, as presented in Figure 7d.

6. Simulation and Experimental Verifications

6.1. Simulation Results

The boost operation of the proposed ADC-qZSI has been tested in this section. Both 56 Ω resistive load and 45 Ω–100 mH resistive–inductive load are installed at the output of the inverter for testing. The parameters used in the simulation are listed in Table 4. The inverter is fed by a 150 V DC input voltage which is used to generate 110 VRMS AC output load voltage. The modulation index M, ST duty ratio DST, and extra duty ratio D0 are 0.81, 0.19, and 0.5, respectively. With these controlling parameters, two capacitor voltages, VC1 and VC2 are boosted to 66 V and 132 V for both loads, as shown in Figure 8. As a result, the peak value of DC-link voltage VPN is 350V, approximately. For resistive load, two inductor currents, IL1 and IL2, are continuous, and their values are 4.85 A and 9.57 A, respectively. While they are 3.96 A and 7.83 A because the real power of 45 Ω–100 mH resistive-inductive load is smaller than 56 Ω resistive load for the same 110 VRMS AC output voltage. The output line-to-line voltage has three voltage levels, which vary from −VPN to +VPN. The output load current amplitudes of these loads are the same which is 2.06 ARMS. However, the current of the resistive-inductive load is a 30-degree lag compared to the current othe f resistive load.

6.2. Experimental Results

A laboratory prototype based on DSP TMS320F28335 has been built to verify the operation of the proposed inverter, as shown in Figure 9. Module six IGBTs SKMGD123D is utilized for the inverter-side circuit. Impedance source network is based on MOSFET 60R060P7, diode VS-60APF12-M3, 1 mF capacitors, and 3 mH inductors. A 56 Ω three-phase output resistive load is considered to test the proposed inverter, which is fed through the tLC filter (3 mH and 10 µF) to mitigate the high-frequency component of the output voltage. The system parameters are listed in Table 4. The proposed ADC-qZSI is verified under buck and boost modes with the range of input DC voltage from 150 V to 400 V. In both cases, the parameters of the inverter are selected to generate 110 Vrms at the output load voltage, in theory.
Firstly, a 150-volt input source is applied to test the inverter in boost mode. The experimental results for the 150-volt input voltage are shown in Figure 10. The impedance source network is utilized to boost the DC-link voltage, VPN. In this case, the ST duty ratio DST, S0 duty ratio, D0 and modulation index, M are set as 0.19, 0.5 and 0.81, respectively. With these parameters, the voltages of two capacitors, VC1 and VC2 are boosted to 55 V and 105 V, respectively, as shown in Figure 10a. It results in 310 V of the peak value of DC-link voltage, VPN, and output line-to-line voltage, VAB, as shown in Figure 10b. As shown in Figure 10a,b, the input current is discontinuous and has an average value of 4.03 A, whereas the two inductor currents, IL1 and IL2, are continuous and have average values of 4.08 A and 8.85 A, respectively. The zoom-in waveforms of two inductor currents, switch S0 drain-source voltage and DC-link voltage are shown in Figure 10c. It shows that two inductor currents are increased linearly in the ST state, which is represented by the zero value of DC link voltage. When S0 is turned on, the inductor L2 current is kept constant. The voltage stress of S0 is equal to the capacitor C2 voltage. The output load voltage and current waveforms are sinusoidal because of using an LC filter. The RMS values of output load voltage and current are 104 VRMS and 1.84 ARMS.
In buck mode, a 400-volt DC input source is applied to test the inverter, the results are shown in Figure 11. The ST duty ratio DST, S0 duty ratio, D0 and modulation index, M are set as 0, 0.5 and 0.68, respectively. The input voltage is now high enough to produce 110 VRMS at output load voltage. Therefore, two capacitor voltages are kept at 0 V, approximately, as illustrated in Figure 11a. The DC link voltage is equal to the input voltage. It also results in a 400-volt peak value of output line-to-line voltage, VAB, as shown in Figure 11b. The waveforms of two inductor currents, switch S0 drain-source voltage and DC-link voltage are shown in Figure 11c. The voltage stress of S0 is 40 V, whereas the average values of two inductor L1 and L2 currents are 1.43 A and 1.94 A. The DC link voltage is equal to the input voltage. RMS values of output load voltage and current are 109 VRMS and 1.92 ARMS, respectively.
Figure 12 shows the experimental results of the proposed inverter under variation of load in two cases: (1) the three-phase load change from 72 Ω to 40 Ω, and (2) the three-phase load change from 40 Ω to 72 Ω. Both cases cause a small effect on capacitor voltages and output load voltages. It is clear that the 40 Ω load causes higher load and device currents than the 72 Ω load. It results in more device loss for case one than for case two, which reduces capacitor voltages, as shown in Figure 12.

7. Conclusions

This paper proposed a new topology of ADC-qZSI by adding one active switch and one diode into the impedance source network. With these devices, one more operating mode is introduced for the proposed inverter besides the conventional ST and non-ST modes. During this extra mode, one inductor voltage is shorted. As a result, the energy of this inductor is maintained, which helps to increase the boost factor and voltage gain of the inverter compared to previous studies of single-stage inverters. Having higher voltage gain leads to the lower voltage rating of capacitors and switching devices. A DPWM control strategy reducing the number of commutations is presented to control this proposed inverter. Under this PWM method, the ST state insertion does not generate any extra commutations and the total switching commutations of the inverter are equal to conventional two-level VSI. Some comparisons between the proposed inverter and other previous single-stage inverters have been conducted to demonstrate these advantages. The simulation and experimental results have been presented to verify the operation of the proposed inverter. Both buck and boost modes are considered to test the inverter.

Author Contributions

This article has received the same contributions from the authors. which include writing the paper and experiment implementation. This manuscript has been received agreement from all authors. This paper was a collaborative effort among all authors. D.-T.D., V.-T.T. and K.N. conceived the methodology, conducted the performance tests and wrote the paper. All authors have read and agreed to the published version of the manuscript.

Funding

This research was funded by T2021-43TÐ project.

Institutional Review Board Statement

Not applicable.

Informed Consent Statement

Not applicable.

Data Availability Statement

This work was supported by the Advanced Power Electronics Laboratory, D405 at Ho Chi Minh City University of Technology and Education, Viet Nam.

Conflicts of Interest

The authors declare no conflict of interest.

Nomenclature

VdcDC input voltage
VC1, VC2Capacitor C1 and C2 voltages
VPNDC-link voltage
VAB, VRAOutput line-to-line and load voltage
va, vb, vcreference signals
vSTST reference signal
IL1, IL2Inductor L1 and L2 currents
ΔVC1, ΔVC2Capacitor C1 and C2 voltage ripples
ΔIL1, ΔIL2Inductor L1 and L2 current ripples
IRXOutput load current of resistor RX
IPNEquivalent inverter side current
IDjDiode j current
MModulation index
DSTST duty ratio
D0Switch S0 duty ratio
f0Line frequency
fs, TsSwitching frequency and switching period
B, GBoost factor and voltage gain
k1%, k2%Percentage of current and voltage ripples
PSy,cond, PS0,swConduction and switching losses of switch Sy
PDj,cond, PDj,rrConduction and reverse recovery losses of diode Dj

Abbreviations

VSI, CSIVoltage source inverter, current source inverter
STShoot-through
THDTotal harmonic distortion
PWMPulse width modulation
DPWMDiscontinuous PWM
ISIImpedance-source inverter
ZS, ZSIZ-source, and Z-source inverter
qZSIQuasi-Z-source inverter
CqZSI, DqZSIContinuous qZSI, discontinuous/DC-link qZSI
PVPhotovoltaic
SLSwitched-inductor
ADC-qZSIActive quasi-Z-source inverter
ASC-EqZSIActive switched-capacitor-embedded qZSI
HG-qSBIHigh gain quasi-switched boost inverter

References

  1. Chowdhury, V.R. Internal Model Based Grid Voltage Estimation and Control of a Three-Phase Grid Connected Inverter for PV Application. IEEE Trans. Energy Convers. 2021, 36, 3568–3577. [Google Scholar] [CrossRef]
  2. Liu, H.; Wu, W.; Bose, A. Model-Free Voltage Control for Inverter-Based Energy Resources: Algorithm, Simulation and Field Test Verification. IEEE Trans. Energy Convers. 2021, 36, 1207–1215. [Google Scholar] [CrossRef]
  3. Haddadi, A.M.; Farhangi, S.; Blaabjerg, F. A Reliable Three-Phase Single-Stage Multiport Inverter for Grid-Connected Photovoltaic Applications. IEEE J. Emerg. Sel. Top. Power Electron. 2019, 7, 2384–2393. [Google Scholar] [CrossRef]
  4. Trinh, Q.N.; Wang, P.; Tang, Y.; Choo, F.H. Mitigation of DC and Harmonic Currents Generated by Voltage Measurement Errors and Grid Voltage Distortions in Transformerless Grid-Connected Inverters. IEEE Trans. Energy Convers. 2018, 33, 801–813. [Google Scholar] [CrossRef]
  5. Lee, D.H.; Ahn, J.W. A Simple and Direct Dead-Time Effect Compensation Scheme in PWM-VSI. IEEE Trans. Ind. Appl. 2014, 50, 3017–3025. [Google Scholar] [CrossRef]
  6. Han, D.; Peng, F.Z.; Dwari, S. Advanced PWM Techniques for Multi-level Inverters with a Multi-level Active CM Noise Filter. IEEE J. Emerg. Sel. Top. Power Electron. 2021; in press. [Google Scholar] [CrossRef]
  7. Peng, F.Z. Z-source inverter. IEEE Trans. Ind. Appl. 2003, 39, 504–510. [Google Scholar] [CrossRef]
  8. Anderson, J.; Peng, F.Z. Four quasi-Z-Source inverters. In Proceedings of the 2008 IEEE Power Electronics Specialists Conference, Rhodes, Greece, 15–19 June 2008. [Google Scholar]
  9. Anderson, J.; Peng, F.Z. A class of quasi-Z-source inverters. In Proceedings of the 2008 IEEE Industry Applications Society Annual Meeting, Edmonton, AB, Canada, 5–9 October 2008; pp. 1–7. [Google Scholar]
  10. Shen, M.; Joseph, A.; Wang, J.; Peng, F.Z.; Adams, D.J. Comparison of traditional inverters and Z-source inverter for fuel cell vehicles. IEEE Trans. Power Electron. 2007, 22, 1453–1463. [Google Scholar] [CrossRef]
  11. Panfilov, D.; Husev, O.; Khandakji, K.; Blaabjerg, F.; Zakis, J. Comparison of three-phase three-level voltage source inverter with intermediate DC–DC boost converter and quasi-Z-source inverter. IET Power Electron. 2016, 9, 1238–1248. [Google Scholar] [CrossRef]
  12. Wolski, K.; Zdanowski, M.; Rabkowski, J. High-frequency SiC-based inverters with input stages based on quasi-Z-source and boost topologies—experimental comparison. IEEE Trans. Power Electron. 2019, 34, 9471–9478. [Google Scholar] [CrossRef]
  13. Husev, O.; Vinnikov, D.; Roncero-Clemente, C.; Chub, A.; Romero-Cadaval, E. Single-phase string solar qZS-based inverter: Example of multi-objective optimization design. IEEE Trans. Ind. Appl. 2021, 57, 3120–3130. [Google Scholar] [CrossRef]
  14. Liu, Y.; Ge, B.; Abu-Rub, H.; Sun, H. Hybrid Pulse Width Modulated Single-Phase Quasi-Z-Source Grid-Tie Photovoltaic Power System. IEEE Trans. Ind. Inform. 2016, 12, 621–632. [Google Scholar] [CrossRef]
  15. Abdelhakim, A.; Davari, P.; Blaabjerg, F.; Mattavelli, P. Switching Loss Reduction in the Three-Phase Quasi-Z-Source Inverters Utilizing Modified Space Vector Modulation Strategies. IEEE Trans. Power Electron. 2018, 33, 4045–4060. [Google Scholar] [CrossRef] [Green Version]
  16. He, Y.; Xu, Y.; Chen, J. New Space Vector Modulation Strategies to Reduce Inductor Current Ripple of Z-Source Inverter. IEEE Trans. Power Electron. 2018, 33, 2643–2654. [Google Scholar] [CrossRef]
  17. Liu, W.; Yang, Y.; Kerekes, T.; Vinnikov, D.; Blaabjerg, F. Inductor Current Ripple Analysis and Reduction for Quasi-Z-Source Inverters with an Improved ZSVM6 Strategy. IEEE Trans. Power Electron. 2021, 36, 7693–7704. [Google Scholar] [CrossRef]
  18. Nguyen, M.K.; Lim, Y.C.; Cho, G.B. Switched-Inductor Quasi-Z-Source Inverter. IEEE Trans. Power Electron. 2011, 26, 3183–3191. [Google Scholar] [CrossRef]
  19. Nguyen, M.K.; Lim, Y.C.; Choi, J.H. Two switched-inductor quasi-Z-source inverters. IET Power Electron. 2012, 5, 1017–1025. [Google Scholar] [CrossRef]
  20. Ho, A.V.; Hyun, J.S.; Chun, T.W.; Lee, H.H. Embedded quasi-Z-source inverters based on active switched-capacitor structure. In Proceedings of the IECON 2016-42nd Annual Conference of the IEEE Industrial Electronics Society, Florence, Italy, 23–26 October 2016. [Google Scholar]
  21. Ho, A.V.; Chun, T.W.; Kim, H.G. Extended Boost Active-Switched-Capacitor/Switched-Inductor Quasi-Z-Source Inverters. IEEE Trans. Power Electron. 2015, 30, 5681–5690. [Google Scholar] [CrossRef]
  22. Nguyen, M.K.; Duong, T.D.; Lim, Y.C.; Choi, J.H. High Voltage Gain Quasi-Switched Boost Inverters with Low Input Current Ripple. IEEE Trans. Ind. Inform. 2019, 15, 4857–4866. [Google Scholar] [CrossRef]
Figure 1. Topologies of ADC-qZSI: (a) Type 1 and (b) Type 2.
Figure 1. Topologies of ADC-qZSI: (a) Type 1 and (b) Type 2.
Energies 15 04889 g001
Figure 2. Operating modes of ADC-qZSI. (a) ST mode, (b) non-ST mode 1, (c) non-ST mode 2.
Figure 2. Operating modes of ADC-qZSI. (a) ST mode, (b) non-ST mode 1, (c) non-ST mode 2.
Energies 15 04889 g002
Figure 3. Proposed DPWM for introduced inverter.
Figure 3. Proposed DPWM for introduced inverter.
Energies 15 04889 g003
Figure 4. Inductor currents and capacitor voltages in one switching period.
Figure 4. Inductor currents and capacitor voltages in one switching period.
Energies 15 04889 g004
Figure 5. Comparison of semiconductor loss of proposed topology and conventional DqZSI in [8].
Figure 5. Comparison of semiconductor loss of proposed topology and conventional DqZSI in [8].
Energies 15 04889 g005
Figure 6. Comparison of boost factor and voltage gain: (a) ST duty ratio vs. boost factor, (b) modulation index vs. voltage gain. (1) DqZSI [8], (2) SL-qZSI [18], (3) rSL-qZSI [19], (4) ASC-EqZSI [20], (5) ASC/SL-qZSI [21], (6) HG-qSBI [22].
Figure 6. Comparison of boost factor and voltage gain: (a) ST duty ratio vs. boost factor, (b) modulation index vs. voltage gain. (1) DqZSI [8], (2) SL-qZSI [18], (3) rSL-qZSI [19], (4) ASC-EqZSI [20], (5) ASC/SL-qZSI [21], (6) HG-qSBI [22].
Energies 15 04889 g006
Figure 7. Comparison of component voltage rating: (a,b) voltage gain vs. capacitor voltage rating, (c) voltage gain vs. switch voltage rating, (d) voltage gain vs. diode voltage rating. (1) DqZSI [8], (2) SL-qZSI [18], (3) rSL-qZSI [19], (4) ASC-EqZSI [20], (5) ASC/SL-qZSI [21], (6) HG-qSBI [22].
Figure 7. Comparison of component voltage rating: (a,b) voltage gain vs. capacitor voltage rating, (c) voltage gain vs. switch voltage rating, (d) voltage gain vs. diode voltage rating. (1) DqZSI [8], (2) SL-qZSI [18], (3) rSL-qZSI [19], (4) ASC-EqZSI [20], (5) ASC/SL-qZSI [21], (6) HG-qSBI [22].
Energies 15 04889 g007
Figure 8. Simulation results for proposed ADC-qZSI under 150 V input voltage. (a) 56 Ω resistive load, (b) 45 Ω–100 mH resistive-inductive load.
Figure 8. Simulation results for proposed ADC-qZSI under 150 V input voltage. (a) 56 Ω resistive load, (b) 45 Ω–100 mH resistive-inductive load.
Energies 15 04889 g008
Figure 9. Experimental Prototype.
Figure 9. Experimental Prototype.
Energies 15 04889 g009
Figure 10. Experimental results for 150 V input voltage. From top to bottom: (a) input voltage Vdc, capacitor voltages VC1, VC2, input current Iin, (b) output line-to-line voltage VAB, DC-link voltage VPN, inductor currents IL1, IL2, (c) inductor currents IL1, IL2, switch S0 voltage VS0, DC-link voltage VPN, (d) output load voltages and currents VRA, VRB, IRA, IRB.
Figure 10. Experimental results for 150 V input voltage. From top to bottom: (a) input voltage Vdc, capacitor voltages VC1, VC2, input current Iin, (b) output line-to-line voltage VAB, DC-link voltage VPN, inductor currents IL1, IL2, (c) inductor currents IL1, IL2, switch S0 voltage VS0, DC-link voltage VPN, (d) output load voltages and currents VRA, VRB, IRA, IRB.
Energies 15 04889 g010
Figure 11. Experimental results for 400 V input voltage. From top to bottom: (a) input voltage Vdc, capacitor voltages VC1, VC2, input current Iin, (b) output line-to-line voltage VAB, DC-link voltage VPN, inductor currents IL1, IL2, (c) inductor currents IL1, IL2, switch S0 voltage VS0, DC-link voltage VPN, (d) output load voltages and currents VRA, VRB, IRA, IRB.
Figure 11. Experimental results for 400 V input voltage. From top to bottom: (a) input voltage Vdc, capacitor voltages VC1, VC2, input current Iin, (b) output line-to-line voltage VAB, DC-link voltage VPN, inductor currents IL1, IL2, (c) inductor currents IL1, IL2, switch S0 voltage VS0, DC-link voltage VPN, (d) output load voltages and currents VRA, VRB, IRA, IRB.
Energies 15 04889 g011
Figure 12. Experimental results under variation of load: (a) 72 Ω to 40 Ω, (b) 40 Ω to 72 Ω.
Figure 12. Experimental results under variation of load: (a) 72 Ω to 40 Ω, (b) 40 Ω to 72 Ω.
Energies 15 04889 g012
Table 1. On/Off states of ADC-qZSI (X = A, B, C).
Table 1. On/Off states of ADC-qZSI (X = A, B, C).
ModeON SwitchON DiodeVXN
STS1X, S2XD20
non-ST 1S0, S1X/S2XD1+VPN, 0
non-ST 2S1X/S2XD1, D2+VPN, 0
Table 2. Semiconductor and operating parameters.
Table 2. Semiconductor and operating parameters.
ComponentProposed ADC-qZSIConventional DqZSI [8]
Switch S0IMZA65R030M1H (650 V, rds,on = 30 mΩ)NA
Switches S1X and S2XIMZ120R030M1H (1200 V, rds,on = 30 mΩ)C2M0080170P (1700 V, rds,on = 80 mΩ)
Diode D1GD2X30MPS12D (1200 V, VF = 1.5 V)GB50MPS17 (1700 V, VF = 1.5 V)
Diode D2AIDW40S65C5 (650 V, VF = 1.5 V)NA
Modulation index, M0.860.61
ST duty ratio, DST0.140.39
Extra duty ratio, D00.74NA
Switching frequency, fs50 kHz50 kHz
Table 3. Overall Comparison Between Proposed Inverter and Other Single-Stage Inverters.
Table 3. Overall Comparison Between Proposed Inverter and Other Single-Stage Inverters.
DqZSI [8]SL-qZSI [18]rSL-qZSI [19]ASC-EqZSI [20]ASC/SL-qZSI [21]HG-qSBI [22]Proposed ADC-qZSI
Boost factor, B 1 1 2 D S T 1 + D S T 1 2 D S T D S T 2 1 + D S T 1 3 D S T 1 1 3 D S T + D S T 2 1 + D S T 1 3 D S T 1 1 4 D S T + D S T 2 1 D 0 1 D 0 2 D S T + D 0 D S T
Voltage gain, G1.15·MB1.15·MB1.15·MB1.15·MB1.15·MB1.15·MB1.15·MB
Capacitor voltage stress, Vc/Vdc D S T B , C 1 & C 2 2 D S T 1 + D S T B , C 1 1 D S T 1 + D S T B , C 2 2 D S T 1 + D S T B , C 1 1 D S T 1 + D S T B , C 2 ( 1 D S T ) B , C 1 B , C 2 B D S T B , C 1 ( 1 D S T ) B , C 2 D S T B , C 1 D S T 1 D 0 B , C 2
Diode voltage stress, VD/Vdc B B , D i n 1 D S T 1 + D S T B , D 1 D S T 1 + D S T B , D 2 ÷ 3 B , D i n D S T 1 + D S T B , D 1 ÷ 4 1 D S T 1 + D S T B , D 5 ÷ 6 B , D 0 ( 2 D S T ) B , D 1 B , D i n D S T 1 + D S T B , D 1 ÷ 2 2 2 D S T 1 + D S T B , D 3 B , D 1 ( 1 D S T ) B , D 2 B , D 1 D S T 1 D 0 B , D 2
Switch voltage stress, VS/VdcNANANA ( 1 D S T ) B B ( 1 D S T ) B D S T / ( 1 D 0 ) B
Inductors2342222
Capacitors2222122
Diodes1472522
Impedance Switches0NANA1111
Common groundYesYesYesYesNoNoYes
Table 4. Simulation and experimental parameters.
Table 4. Simulation and experimental parameters.
Parameter/ComponentsValues
Input voltageVdc150 V–400 V
AC output voltageVx,RMS110 VRMS
Output frequencyf050 Hz
Switching frequencyfs10 kHz
Boost inductorL1, L23 mH/20 A
Boost capacitorsC1 and C21 mF/400 V
LC filterLf and Cf3 mH and 10 µF
Publisher’s Note: MDPI stays neutral with regard to jurisdictional claims in published maps and institutional affiliations.

Share and Cite

MDPI and ACS Style

Do, D.-T.; Tran, V.-T.; Nguyen, K. An DPWM for Active DC-Link Type Quasi-Z-Source Inverter to Reduce Component Voltage Rating. Energies 2022, 15, 4889. https://doi.org/10.3390/en15134889

AMA Style

Do D-T, Tran V-T, Nguyen K. An DPWM for Active DC-Link Type Quasi-Z-Source Inverter to Reduce Component Voltage Rating. Energies. 2022; 15(13):4889. https://doi.org/10.3390/en15134889

Chicago/Turabian Style

Do, Duc-Tri, Vinh-Thanh Tran, and Khai Nguyen. 2022. "An DPWM for Active DC-Link Type Quasi-Z-Source Inverter to Reduce Component Voltage Rating" Energies 15, no. 13: 4889. https://doi.org/10.3390/en15134889

APA Style

Do, D.-T., Tran, V.-T., & Nguyen, K. (2022). An DPWM for Active DC-Link Type Quasi-Z-Source Inverter to Reduce Component Voltage Rating. Energies, 15(13), 4889. https://doi.org/10.3390/en15134889

Note that from the first issue of 2016, this journal uses article numbers instead of page numbers. See further details here.

Article Metrics

Back to TopTop