Use of Hybrid Photovoltaic Systems with a Storage Battery for the Remote Objects of Railway Transport Infrastructure
Abstract
1. Introduction
2. Literature Review and Problem Statement
- -
- to study the possibilities of increasing the load power of the LO above the power limit for consumption from the grid during the year;
- -
- to justify the choice of PVS parameters with the formation of the graph of added power according to the accepted load schedule of the LO with a decrease in the installed power of the PV and battery;
- -
- to develop principles for the implementation of the management of PVS using the forecast of PV generation;
- -
- to perform an assessment of the system’s capabilities in the daily mode for different seasons of the year using mathematical modeling.
3. Methodology of Research
4. The Results of the Research on the Use of PVS with SB to Increase the Power of LO
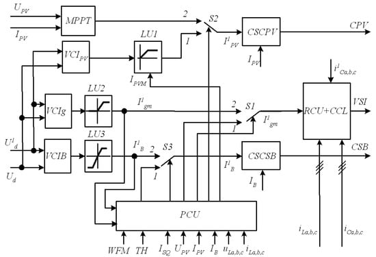
- PV generation control. This channel contains a control unit CPV (CSCPV), which provides the processing of the reference value of the current I1PV, current limiting unit LU1 with adjustable limit, and switch S2 for current settings in mode MPPT (position 2) or from VCIPV when regulating generation (position 1). Current limiting at the level IPVM = (0.9 ÷ 0.92)ISQ excludes PV operation in the short-circuit mode [10];
- Charge control of SB. This channel contains a control unit CSB (CSCSB), which provides the processing of the reference value of the current I1B, current limiting unit LU3 charge and discharge of SB, and switch S3 for current settings from VCIB (position 2) or PCU (position 1);
- Grid current Ig control (reference of power consumed from the grid). This channel contains a reference current unit and an inverter current control loop iC (RCU + CCL) and input of reference of the amplitude of the grid current (I1gm), which, via switch S1, connects to VCIg (position 2) or PCU (position 1). Limitation unit LU2 has a lower I1gm≥ 0, top I1gmLIM limits. Unit (RCU + CCL) provides ig in PCC taking into account the phase currents of the inverter iCa,b,c, and load iLa,b,c [10,11].
5. Modeling of Energy Processes in the Daily Cycle
6. Simulation Results
- In Figure 5 for the December day with a total generation twice below the average (WPV = 500 Wh). In this case, kE = 1.04, p = 1.5 (PPVR = 0.86 kW, WB = 800 Wh);
- In Figure 6 for the July day with a total generation in 3.3 times below the average (WPV = 1320 Wh). In this case, kE = 1.22, p = 1.6 (PPVR = 0.86 kW, WB = 800 Wh);
- In Figure 7a for the May day with the generation, corresponding to the average monthly values at PLC = PLCR, PPVR = 1 kW, WB = 968 Wh, and at limit values ρ = 1.95 with kE = 2.618;
- In Figure 7b for the May day with the generation, corresponding to the average monthly values at PLC = PLCR, PPVR = 0.86 kW, WB = 800 Wh, and at limit values p = 1.8 with kE = 2.356;
- In Figure 7c for the May day with the generation, corresponding to the average monthly values at PLC≠PLCR, PPVR = 0.86 kW, WB = 800 Wh, and p = 1.6 with kE = 2.795;
- In Figure 8 for the September day with the generation, corresponding to the average monthly values at PLC = PLCR, PPVR = 0.86 kW, WB = 800 Wh, and ρ = 1.6 with kE = 2.
7. Discussion of the Results of the Study on Increasing the Power of the LO Using PVS with SB
- -
- Use of the basic schedule of added power, tied to the PV generation. This reduces the energy required for its implementation. This allows increasing the degree of power increase while reducing the energy capacity of the SB;
- -
- Limiting the degree of power increase at an intermediate value with a decrease in the installed power of the PV and SB. This provides an improvement in the use of PV energy without increasing the cost of electricity, consumed from the grid;
- -
- Referencing the current value of the added load power and the SOC value of the battery at time intervals, taking into account the predicted and actual PV generation. Due to the change in certain time intervals of the added power reference from the calculated value to a value that repeats the law of the change in the PV generation power, this contributes to more complete use of the PV energy;
- -
- Exclusion of the SB charge at night with the average monthly PV generation in the spring–summer–autumn period helps to reduce electricity consumption from the grid. This excludes battery discharge during the hours of the morning load peak, which helps to reduce the number of battery discharge cycles and increase its service life.
- -
- An object was considered with the main load in the daytime in the presence of peak loads in the morning and evening hours. At the same time, it is possible to charge the SB at night within the limit on consumption from the grid;
- -
- The possibilities of increasing power are seasonal in nature with a maximum value in the period spring–summer–autumn;
- -
- The optimal choice of values for the degree of increase in power (ρ) and the installed PV power (mP) involves taking into account many factors, including the costs of acquisition and ongoing maintenance. Such a task was not set in this work, and the approach was simplified for evaluation;
- -
- The assessment of a possible reduction in the cost of paying for electricity during the year was somewhat simplified and was performed for one tariff rate. We considered the days when the PV generation corresponds to the average monthly values for the accepted time intervals;
- -
- The implementation of the control system assumes an “open” structure of the relevant channels of control;
- -
- When modeling, it was assumed that the graph of the power generated by the PV corresponds to the forecast and does not change during the day.
8. Conclusions
Author Contributions
Funding
Institutional Review Board Statement
Informed Consent Statement
Data Availability Statement
Acknowledgments
Conflicts of Interest
References
- Rao, B.H.; Selvan, M.P. Prosumer Participation in a Transactive Energy Marketplace: A Game-Theoretic Approach. In Proceedings of the IEEE International Power and Renewable Energy Conference, Karunagappally, India, 30 October–1 November 2020. [Google Scholar]
- Khezri, R.; Mahmoudi, A.; Aki, H. Optimal planning of solar photovoltaic and battery storage systems for grid-connected residential sector: Review, challenges and new perspectives. Renew. Sustain. Energy Rev. 2022, 153, 111763. [Google Scholar] [CrossRef]
- ABB Solar Inverters. Product Manual REACT-3.6/4.6-TL (from 3.6 to 4.6 kW). Available online: https://www.abb.com/solarinverters (accessed on 9 March 2022).
- Conext, S.W. Hybrid Inverter. Available online: https://www.se.com/ww/en/product-range-presentation/61645-conext-sw/ (accessed on 9 March 2022).
- Zeng, Z.; Yang, H.; Zhao, R.; Cheng, C. Topologies and control strategies of multi-functional grid-connected inverters for power quality enhancement: A comprehensive review. Renew. Sustain. Energy Rev. 2013, 24, 223–270. [Google Scholar] [CrossRef]
- Ma, T.-T. Power quality enhancement in micro-grids using multifunctional DG inverters. Lect. Notes Eng. Comput. Sci. 2012, 2196, 996–1001. [Google Scholar]
- Shavelkin, A.; Jasim, J.M.J.; Shvedchykova, I. Improvement of the current control loop of the single-phase multifunctional grid-tied inverter of photovoltaic system. East.-Eur. J. Enterp. Technol. 2019, 6, 14–22. [Google Scholar] [CrossRef]
- Belaidi, R.; Haddouche, A. A multi-function grid-connected PV system based on fuzzy logic controller for power quality improvement. Przeg. Elektr. 2017, 93, 118–122. [Google Scholar] [CrossRef][Green Version]
- Vigneysh, T.; Kumarappan, N. Grid interconnection of renewable energy sources using multifunctional grid-interactive converters: A fuzzy logic based approach. Electr. Power Syst. Res. 2017, 151, 359–368. [Google Scholar] [CrossRef]
- Shavolkin, O.; Shvedchykova, I. Improvement of the Three-Phase Multifunctional Converter of the Photoelectric System with a Storage Battery for a Local Object with Connection to a Grid. In Proceedings of the 25th IEEE International Conference on Problems of Automated Electric Drive. Theory and Practice, PAEP 2020, Kremenchuk, Ukraine, 21–25 September 2020; pp. 1–6. [Google Scholar]
- Shavolkin, O.; Shvedchykova, I.; Demishonkov, Y. Energy Management of Hybrid Three-Phase Photoelectric System with Storage Battery to Meet the Needs of Local Object. In Proceedings of the 20th IEEE International Conference on Modern Electrical and Energy Systems, MEES 2021, Kremenchuk, Ukraine, 21–24 September 2021. [Google Scholar]
- Lliuyacc, R.; Mauricio, J.M.; Gomez-Exposito, A.; Savaghebi, M.; Guerrero, J.M. Grid-forming VSC control in four-wire systems with unbalanced nonlinear loads. Electr. Power Syst. Res. 2017, 152, 249–256. [Google Scholar] [CrossRef]
- Guerrero-Martinez, M.A.; Milanes-Montero, M.I.; Barrero-Gonzalez, F.; Miñambres-Marcos, V.M.; Romero-Cadaval, E.; Gonzalez-Romera, E. A smart power electronic multiconverter for the residential sector. Sensors 2017, 17, 1217. [Google Scholar] [CrossRef]
- Luthander, R.; Widén, J.; Nilsson, D.; Palm, J. Photovoltaic self-consumption in buildings: A review. Appl. Energy 2015, 142, 80–94. [Google Scholar] [CrossRef]
- Yang, X.; Jiang, F.; Liu, H. Short-term power prediction of photovoltaic plant based on SVM with similar data and wavelet analysis. Prz. Elektrotech. 2013, 89, 81–85. [Google Scholar]
- Mellit, A.; Pavan, A.M.; Lughi, V. Deep learning neural networks for short-term photovoltaic power forecasting. Renew. Energy 2021, 172, 276–288. [Google Scholar] [CrossRef]
- Zsiborács, H.; Pintér, G.; Vincze, A.; Birkner, Z.; Baranyai, N.H. Grid balancing challenges illustrated by two European examples: Interactions of electric grids, photovoltaic power generation, energy storage and power generation forecasting. Energy Rep. 2021, 7, 3805–3818. [Google Scholar] [CrossRef]
- Michaelson, D.; Mahmood, H.; Jiang, J. A Predictive Energy Management System Using Pre-Emptive Load Shedding for Islanded Photovoltaic Microgrids. IEEE Trans. Ind. Electron. 2017, 64, 5440–5448. [Google Scholar] [CrossRef]
- Shavolkin, O.; Shvedchykova, I.; Jasim, J.M.J. Improved control of energy consumption by a photovoltaic system equipped with a storage device to meet the needs of a local facility. East.-Eur. J. Enterp. Technol. 2021, 2, 6–15. [Google Scholar] [CrossRef]
- Forecast. Solar. Available online: https://forecast.solar/ (accessed on 9 March 2022).
- Iyengar, S.; Sharma, N.; Irwin, D.; Shenoy, P.; Ramamritham, K. SolarCast—An open web service for predicting solar power generation in smart homes. In Proceedings of the 1st ACM Conference on Embedded Systems for Energy-Efficient Buildings, BuildSys 2014, Memphis, TN, USA, 3–6 November 2014; pp. 174–175. [Google Scholar]
- Nicolson, M.L.; Fell, M.J.; Huebner, G.M. Consumer demand for time of use electricity tariffs: A systematized review of the empirical evidence. Renew. Sustain. Energy Rev. 2018, 97, 276–289. [Google Scholar] [CrossRef]
- Davis, M.J.M.; Hiralal, P. Batteries as a Service: A New Look at Electricity Peak Demand Management for Houses in the UK. Procedia Eng. 2016, 145, 1448–1455. [Google Scholar] [CrossRef]
- Lorenzi, G.; Silva, C.A.S. Comparing demand response and battery storage to optimize self-consumption in PV systems. Appl. Energy 2016, 180, 524–535. [Google Scholar] [CrossRef]
- Badawy, M.O.; Cingoz, F.; Sozer, Y. Battery storage sizing for a grid tied PV system based on operating cost minimization. In Proceedings of the 2016 IEEE Energy Conversion Congress and Exposition, Milwaukee, WI, USA, 18–22 September 2016. [Google Scholar]
- Shavelkin, A.A.; Gerlici, J.; Shvedchykova, I.O.; Kravchenko, K.; Kruhliak, H.V. Management of power consumption in a photovoltaic system with a storage battery connected to the network with multi-zone electricity pricing to supply the local facility own needs. Electr. Eng. Electromech. 2021, 2, 36–42. [Google Scholar] [CrossRef]
- Shavolkin, O.; Shvedchykova, I.; Demishonkova, S.; Pavlenko, V. Increasing the efficiency of hybrid photoelectric system equipped with a storage battery to meet the needs of local object with generation of electricity into grid. Przeg. Elektr. 2021, 97, 144–149. [Google Scholar] [CrossRef]
- Traore, A.; Taylor, A.; Zohdy, M.; Peng, F. Modeling and Simulation of a Hybrid Energy Storage System for Residential Grid-Tied Solar Microgrid Systems. J. Power Energy Eng. 2017, 5, 28–39. [Google Scholar] [CrossRef][Green Version]
- Miñambres-Marcos, V.M.; Guerrero-Martínez, M.Á.; Barrero-González, F.; Milanés-Montero, M.I. A grid connected photovoltaic inverter with battery-supercapacitor hybrid energy storage. Sensors 2017, 17, 1856. [Google Scholar] [CrossRef] [PubMed]
- Photovoltaic Geographical Information System. Available online: https://re.jrc.ec.europa.eu/pvg_tools/en/tools.html#SA (accessed on 9 March 2022).
- Data Sheet. Lithium Iron Phosphate (LiFePo4) Battery 12.8 V 150 Ah. Available online: https://www.enix-energies.com (accessed on 9 March 2022).









| January | February | March | April | May | June | July | August | September | October | November | December |
|---|---|---|---|---|---|---|---|---|---|---|---|
| Average monthly generation of PV per day for Kyiv location WPVAVD, kWh | |||||||||||
| 1.17 | 1.81 | 2.87 | 3.88 | 4.27 | 4.43 | 4.38 | 4.24 | 3.85 | 2.57 | 1.14 | 0.91 |
| Average monthly generation of PV per day for Žilina location WPVAVDZ, kWh | |||||||||||
| 1.272 | 2.053 | 2.811 | 3.799 | 3.76 | 3.914 | 4.073 | 3.84 | 3.434 | 2.6 | 1.418 | 1.25 |
| Energy values for selected days when the PV generation was close to the average monthly generation per day in Kyiv (PV generation calculated using archival data for the period 2012–2016) W*PVAVD, kWh | |||||||||||
| 0.85 (0.98) | 1.81 (1.81) | 2.57 (2.83) | 3.89 (3.83) | 4.25 (4.26) | 4.47 (4.48) | 4.36 (4.37) | 4.036 (4.16) | 3.4 (3.52) | 2.44 (2.49) | 0.798 (0.96) | 1 (1.03) |
| Energy values for selected days when the PV generation is close to the average generation at time interval (t2, t3) in Kyiv (PV generation calculated using archival data for the period 2012–2016) WPV23, kWh | |||||||||||
| 0.144 (0.166) | 0.31 (0.36) | 0.5 (0.55) | 0.62 (0.52) | 1.06 (1.15) | 1.26 (1.17) | 1.17 (1.13) | 0.581 (1.08) | 0.41 (0.56) | 0.34 (0.33) | 0.225 (0.22) | 0.166 (0.21) |
| Energy values for selected days when the PV generation is close to the average generation at time interval (t3, t4) in Kyiv (PV generation calculated using archival data for the period 2012–2016) WPV34, kWh | |||||||||||
| 0.643 (0.78) | 1.31 (1.36) | 1.83 (1.84) | 2.09 (2.38) | 2.43 (2.43) | 2.51 (2.27) | 2.46 (2.5) | 2.78 (2.45) | 2.25 (2.27) | 1.95 (1.74) | 0.535 (0.69) | 0.806 (0.8) |
| Energy values for selected days when the PV generation is close to the average generation at time interval (t4, t5) in Kyiv (PV generation calculated using archival data for the period 2012–2016) WPV45, kWh | |||||||||||
| 0.061 (0.038) | 0.16 (0.083) | 0.22 (0.32) | 0.79 (0.84) | 0.539 (0.53) | 0.62 (0.63) | 0.57 (0.61) | 0.66 (0.53) | 0.65 (0.72) | 0.148 (0.39) | 0.036 (0.03) | 0.03 (0.021) |
| Interval | (t2, t3) | (t3, t4) | (t4, t5) | (t5, t6) | |
|---|---|---|---|---|---|
| Variant | PLC, W | 340 | 306 | 272 | 340 |
| va | PC, W | 140 | 126 | 112 | 140 |
| PLg, W | 200 | 180 | 160 | 140 | |
| vb | PC, W | 140 | 106 | 72 | 140 |
| PLg, W | 200 | 200 | 200 | 200 | |
| vc | PC, W | 140 | 200 | 72 | 140 |
| PLg, W | 200 | 106 | 200 | 200 |
| Interval | (t2, t3) | (t3, t5) | (t5, t6) | (t6, t2) | |||
|---|---|---|---|---|---|---|---|
| Mode | g1 | g2 | g3 | g4 | g5 | g6 | g7 |
| Reference I1gm | Pg = PLC − PC, Pgi → I1gm ≥ 0 | Pg = PLC − PC, Pg → I1gm ≥ 0, | Pg = PLC − PC, Pg → I1gm ≥ 0, | VCIg → I1gm ≥ 0 | Pg = PLC − PC, Pg → I1gm ≥ 0, | Pg = PLC − PC, Pgi → I1gm ≥ 0 | Pg = PLC − PC, Pgi → I1gm ≥ 0 |
| Reference I1PV | MPPT | MPPT | PPVηC ≥ PLCVCIPV → I1PVI1PV→ PPVF | PLC > PC ≥ PCB, MPPT | PCB ≥ PCMPPT | MPPT | MPPT |
| Reference I1B | VCIB → I1B | VCIB → I1B | I1B = IBR > IB(Q) IB = IB(Q) | I1B = IBR>IB(Q) IB = IB(Q) | VCIB → I1B | VCIB → I1B | VCIB → I1B |
| SOC | Q* ≤ Q*d | Q* ≤ Q*d | Q* > Q*d | Q* > Q*d | Q* ≤ Q*d | Q* < Q*d | Q*6→ Q*2 |
| Indicators | January | February | March | April | May | June | July | August | September | October | November | December |
|---|---|---|---|---|---|---|---|---|---|---|---|---|
| Possibilities of power increase PPVR = 1 kW, WB = 968 Wh | ||||||||||||
| ρ | 1.7 | 1.7 | 1.8 | 1.9 | 1.95 | 1.95 | 1.95 | 1.95 | 1.9 | 1.75 | 1.7 | 1.7 |
| kE | 1.105 | 1.4 | 1.636 | 2.128 | 2.618 | 2.684 | 2.767 | 2.291 | 1.918 | 1.586 | 1.096 | 1.149 |
| Q*6, % | 17.5 | 20 | 19.8 | 18.5 | 18.5 | 19.3 | 20 | 20 | 19.2 | 19.6 | 14 | 20 |
| Constant value of power degree ρ = 1.6 (PPVR = 0.86 kW, WB = 800 Wh) | ||||||||||||
| kE | 1.098 | 1.354 | 1.608 | 2.316 | 2.821 | 2.804 | 2.946 | 2.321 | 2 | 1.523 | 1.088 | 1.133 |
| Q*6, % | 18.7 | 20.4 | 20.6 | 20 | 21 | 20 | 20 | 20 | 20.7 | 20 | 15 | 20 |
Publisher’s Note: MDPI stays neutral with regard to jurisdictional claims in published maps and institutional affiliations. |
© 2022 by the authors. Licensee MDPI, Basel, Switzerland. This article is an open access article distributed under the terms and conditions of the Creative Commons Attribution (CC BY) license (https://creativecommons.org/licenses/by/4.0/).
Share and Cite
Shavolkin, O.; Shvedchykova, I.; Gerlici, J.; Kravchenko, K.; Pribilinec, F. Use of Hybrid Photovoltaic Systems with a Storage Battery for the Remote Objects of Railway Transport Infrastructure. Energies 2022, 15, 4883. https://doi.org/10.3390/en15134883
Shavolkin O, Shvedchykova I, Gerlici J, Kravchenko K, Pribilinec F. Use of Hybrid Photovoltaic Systems with a Storage Battery for the Remote Objects of Railway Transport Infrastructure. Energies. 2022; 15(13):4883. https://doi.org/10.3390/en15134883
Chicago/Turabian StyleShavolkin, Olexandr, Iryna Shvedchykova, Juraj Gerlici, Kateryna Kravchenko, and František Pribilinec. 2022. "Use of Hybrid Photovoltaic Systems with a Storage Battery for the Remote Objects of Railway Transport Infrastructure" Energies 15, no. 13: 4883. https://doi.org/10.3390/en15134883
APA StyleShavolkin, O., Shvedchykova, I., Gerlici, J., Kravchenko, K., & Pribilinec, F. (2022). Use of Hybrid Photovoltaic Systems with a Storage Battery for the Remote Objects of Railway Transport Infrastructure. Energies, 15(13), 4883. https://doi.org/10.3390/en15134883

