Susceptibility Issues of Control Instrumentation in Electromagnetic Environment of High Current Laboratory
Abstract
:1. Introduction
2. Repetitive Damped Oscillatory Waves
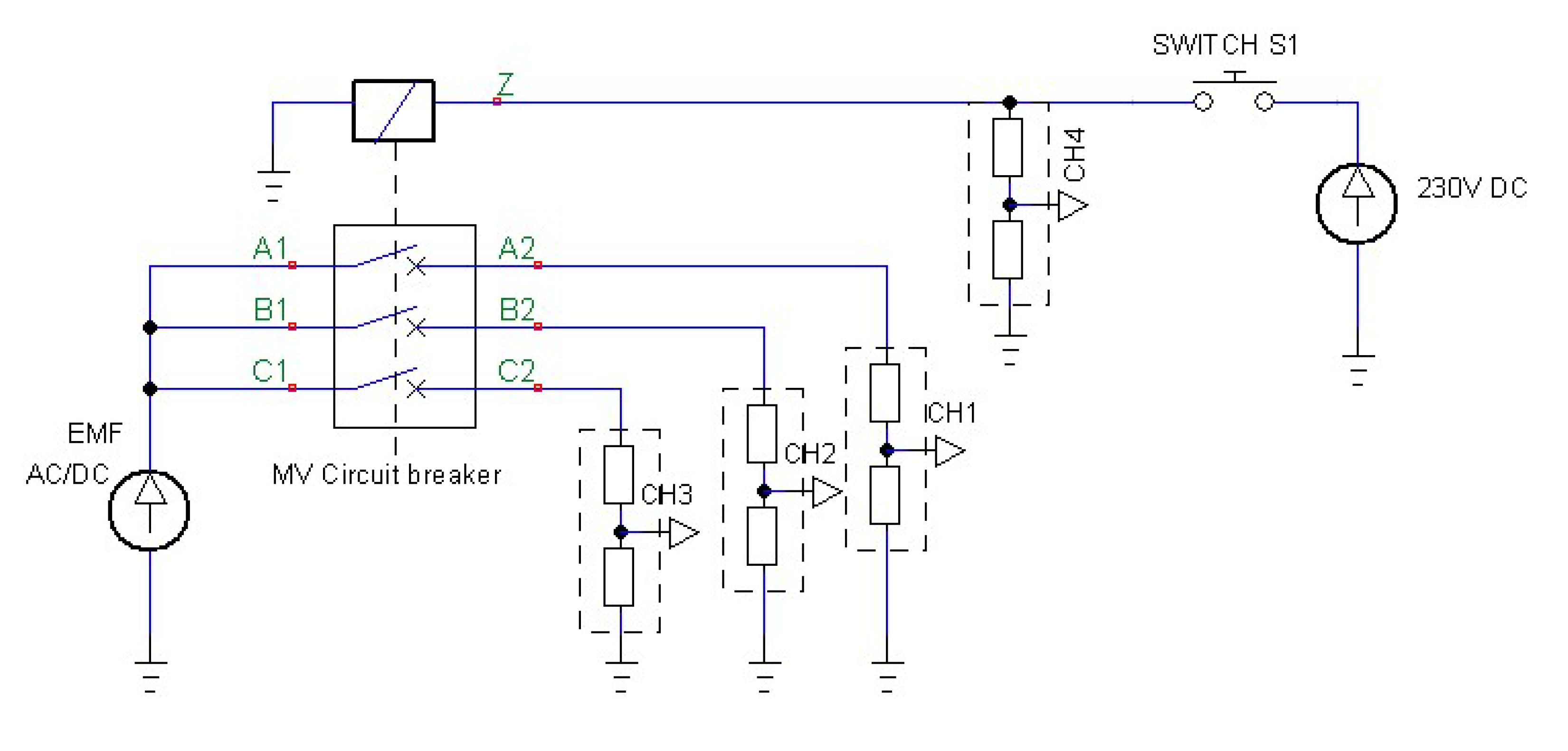
3. Measurement of Transient Fields Due to Closing of the MV Circuit Breaker
- free space electric field sensor SFE3-5G with bandwidth from 100 kHz to 3.5 GHz,
- free space magnetic field sensor SFM2G with bandwidth from 100 kHz to 2 GHz,
- Digital oscilloscope WAVESURFER 3074 with 750 MHz analog bandwidth and 4 GS/s sampling rate, product of TELEDYNE LeCroy.
4. MV Circuit Breaker Tests in Stand-Alone Operation
- 9 V DC,
- 15 kV, 50 Hz.
5. Conclusions
Author Contributions
Funding
Institutional Review Board Statement
Informed Consent Statement
Data Availability Statement
Conflicts of Interest
References
- KATKT10008. Vacuum Circuit Breaker Evolis 24 kV. 2004. Available online: http://www.schneider-electric.pl (accessed on 20 March 2022).
- Sadura, J.; Sroka, J.; Owsiński, M.; Jóśko, A. Identification of EM disturbances interfering the time-phase controller by short circuit tests. In Proceedings of the 2020 International Symposium on Electromagnetic Compatibility—EMC EUROPE, Rome, Italy, 23–25 September 2020. [Google Scholar]
- IEC 61000-6-5; Electromagnetic Compatibility (EMC)—Part 6–5: Generic Standards—Immunity for Equipment Used in Power Station and Substation Environments. IEC: Geneva, Switzerland, 2015.
- IEC 61000-4-18; Electromagnetic Compatibility (EMC)—Part 4–18: Testing and Measurement Techniques—Damped Oscillatory Wave Immunity Test. IEC: Geneva, Switzerland, 2019.
- Burger, D.; Tenbohlen, S.; Köhler, W.; Ebbinghaus, W. Sources of transient electromagnetic disturbance in medim voltage switchgear. In Proceedings of the 10th International Symposium on Electromagnetic Compatibility, York, UK, 26–30 September 2011; pp. 597–602. [Google Scholar]
- WG C4.208; EMC within Power Plants and Substations. CIGRE: Paris, France, 2013; ISBN 978-2-85873-229-6.
- Imposimato, C.; Hoeffelman, J.; Eriksson, A.; Siew, W.; Pretorius, P.; Wong, P. EMI Characterization of HVAC Substations—Updated data and Influence on Immunity Assessment; CIGRE: Paris, France, 2002; pp. 36–108. [Google Scholar]
- Cangemi, G.; Cataliotti, A.; Cipriani, G.; Di Dio, V.; Nucio, S.; Di Cara, D.; Tin, G.; Melodia, M. Experimental EMF Characterization of a Secondary Substation. In Proceedings of the AEIT Annual Conference, Naples, Italy, 14–16 October 2015. [Google Scholar]
- Meng, Y.; Zhang, B.; Shen, W.; Wang, S.; Ma, Y. Overvoltage of secondary cables in substation due to short circuit fault. In Proceedings of the Electromagnetic Compatibility and 2018 IEEE Asia-Pacific Symposium on Electromagnetic Compatibility (EMC/APEMC), Singapore, 14–18 May 2018; pp. 1099–1102. [Google Scholar]
- Sadura, J.; Sroka, J.; Owsiński, M. Rough identification of EM disturbances interfering the time-phase controller by the short circuit tests. In Proceedings of the 12th International Conference on Electrical Power Quality and Utilisation (EPQU’20), Kraków, Poland, 14–15 September 2020. [Google Scholar]
- Ott, H.W. Noise Reduction Techniques in Electronic Systems; John Willey & Sons: Hoboken, NJ, USA, 1988. [Google Scholar]
- Paul, C.R. Introduction to Electromagnetic Compatibility; John Wiley & Sons, Inc.: Hoboken, NJ, USA, 1992. [Google Scholar]
- Starzyński, J.; Sroka, J. Improved Simulation Model of Electrical Breakdown in Air. In Proceedings of the 2019 IEEE 20th International Conference on Computational Problems of Electrical Engineering (CPEE), Lviv-Slavske, Ukraine, 15–18 September 2019; pp. 1–4. [Google Scholar]
- Kawamata, K.; Minegishi, S.; Haga, A.; Sato, R. Measurement Method Using Coupled Transmission Lines for Voltage Transients on the Distribution Line. Electr. Eng. Jpn. 1995, 115, 563–567. [Google Scholar] [CrossRef]




















| K | n | ||||
|---|---|---|---|---|---|
| 1.12 | 2.45 | 49.8 ns | 1 MHz | 3.77 µs |
| Field Component | Signal at | Signal at | |||
|---|---|---|---|---|---|
| the Low Voltage Transformer Port | the Controller Input | ||||
| 100 ms | The First Stage | The Second Stage | The First Stage | The Second Stage | |
| - | - | - | - | ||
| [V] | [V] | [V] | [V] | [V] | |
| vertical | 208.31 | >1400 | 294.11 | >8 | 0.249 |
| perpendicular | 202.73 | >2468 | 348.55 | 10.23 | 0.425 |
| along | 194.92 | >2800 | 313.20 | 9.54 | 0.212 |
| Field Component | Launching the First Interference, Referred to 0-Crossing [ms] | Dwell Time of the First Interference [ms] | Time Delay between the First and the Second Interference [ms] | Dwell Time of the Second Interference [ms] |
|---|---|---|---|---|
| vertical | 3.562 | 0.333 | 0.82 | 0.308 |
| perpendicular | 2.498 | 0.284 | 0.743 | 0.379 |
| along | 6.579 | 0.326 | 0.869 | 0.3 |
Publisher’s Note: MDPI stays neutral with regard to jurisdictional claims in published maps and institutional affiliations. |
© 2022 by the authors. Licensee MDPI, Basel, Switzerland. This article is an open access article distributed under the terms and conditions of the Creative Commons Attribution (CC BY) license (https://creativecommons.org/licenses/by/4.0/).
Share and Cite
Sadura, J.; Sroka, J.; Sul, P.; Jóśko, A.; Owsiński, M. Susceptibility Issues of Control Instrumentation in Electromagnetic Environment of High Current Laboratory. Energies 2022, 15, 4682. https://doi.org/10.3390/en15134682
Sadura J, Sroka J, Sul P, Jóśko A, Owsiński M. Susceptibility Issues of Control Instrumentation in Electromagnetic Environment of High Current Laboratory. Energies. 2022; 15(13):4682. https://doi.org/10.3390/en15134682
Chicago/Turabian StyleSadura, Jolanta, Jan Sroka, Przemysław Sul, Adam Jóśko, and Maciej Owsiński. 2022. "Susceptibility Issues of Control Instrumentation in Electromagnetic Environment of High Current Laboratory" Energies 15, no. 13: 4682. https://doi.org/10.3390/en15134682
APA StyleSadura, J., Sroka, J., Sul, P., Jóśko, A., & Owsiński, M. (2022). Susceptibility Issues of Control Instrumentation in Electromagnetic Environment of High Current Laboratory. Energies, 15(13), 4682. https://doi.org/10.3390/en15134682

