Study on Energy Efficiency of an Off-Grid Vending Machine with Compact Heat Exchangers and Low GWP Refrigerant Powered by Solar Energy
Abstract
:1. Introduction
2. Materials and Methods
2.1. Mechanical Part Setup
2.2. Refrigeration Unit Dimensioning
- -
- Vending machine wall material structure and type together with the thermal properties.
- -
- Heat loads from products inserted inside the vending machine, storage cartridges, and transport system materials.
- -
- Heat load from ambient air when the cover door is opened for the new product’s loading.
- -
- Heat loads from the evaporator and condenser fans.
- -
- The outdoor temperature calculation value is and the relative humidity 35%, as mentioned above.
- -
- The condensing temperature is .
- -
- The condensing temperature value is .
- -
- The evaporator outlet superheat .
- -
- The compressor isentropic efficiency .
- -
- The compressor volumetric efficiency .
- -
- The condenser’s subcooling .
- -
- The superheat on the suction line .
- -
- The effects of the pressure drop is negligible.
- -
- The system operates in a steady state.
- -
- 14 K temperature difference between air and refrigerant at the condenser side and 10 K on the evaporator side were assumed.
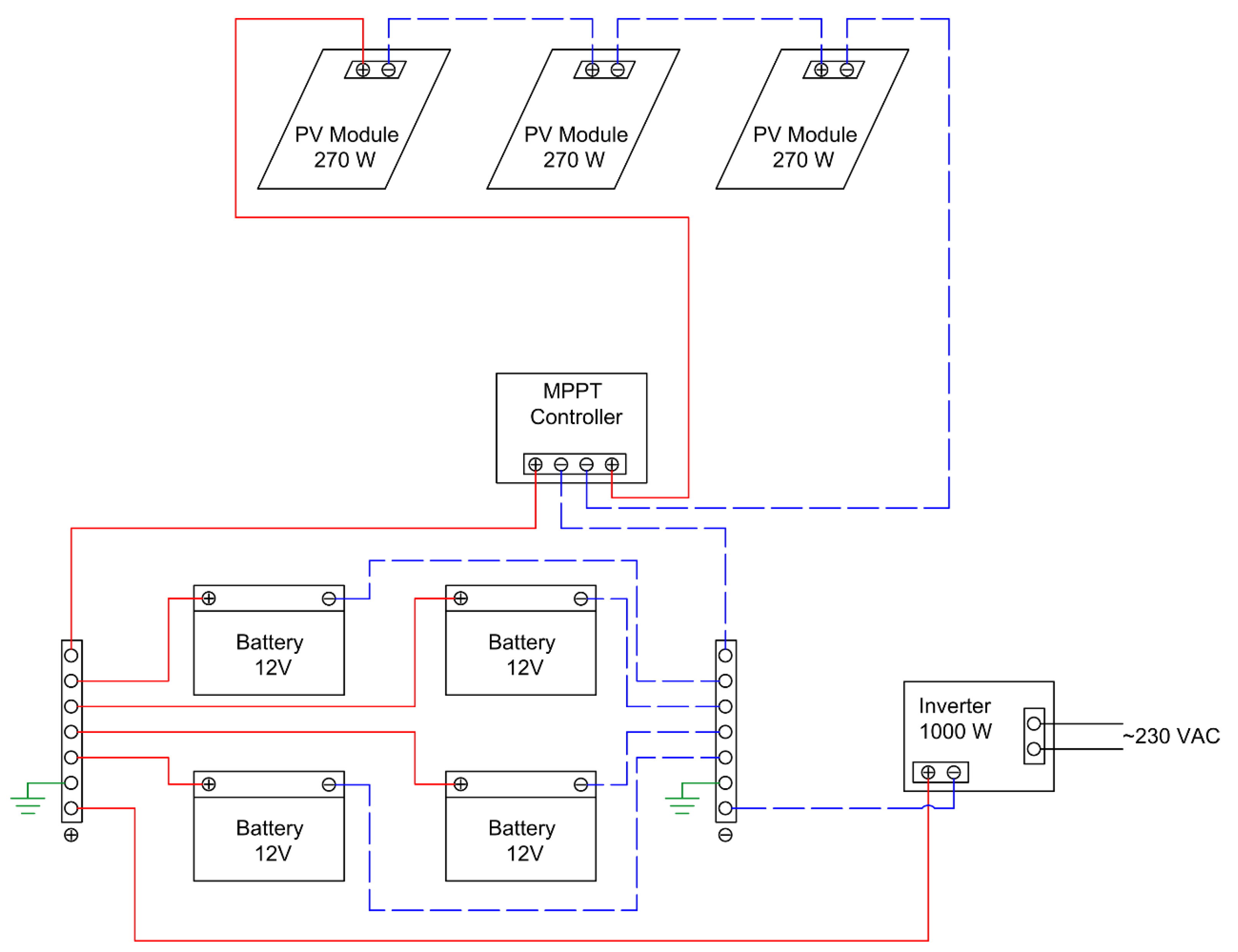
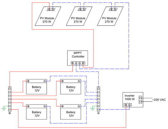
2.3. Electrical System
3. Results
3.1. Refrigeration unit
3.2. Electrical System
4. Discussion
4.1. Refrigeration System
4.2. Electrical System
5. Conclusions
Author Contributions
Funding
Institutional Review Board Statement
Informed Consent Statement
Data Availability Statement
Conflicts of Interest
Nomenclature
| Symbols | |
| Heat transfer area | |
| Specific heat capacity at constant pressure | |
| Convective heat transfer coef. | |
| Specific enthalpy | |
| k | Thermal conductivity |
| Length | |
| m | mass [kg] |
| U | Overall heat transfer coefficient for the plate [W/(m2 K)] |
| Subscript | |
| vending machine interior | |
| vending machine exterior | |
References
- Matthews, M.; Horacek, T. Vending machine assessment methodology. A systematic review. Appetite 2015, 90, 176–186. [Google Scholar] [CrossRef] [PubMed]
- Martinez-Perez, N.; Arroyo-Izaga, M. Availability, Nutritional Profile and Processing Level of Food Products Sold in Vending Machines in a Spanish Public University. Int. J. Environ. Res. Public Health 2021, 18, 6842. [Google Scholar] [CrossRef] [PubMed]
- Globe Newswire. Available online: https://www.globenewswire.com/news-release/2020/03/25/2006076/0/en/Global-Connected-Vending-Machines-Market-Report-2019-to-2024-4th-Edition.html#:~:text=There%20are%20about%2015%20million,8.9%20million%20units%20by%202024 (accessed on 22 April 2022).
- EU GPP Criteria for Food Procurement, Catering Services and Vending Machines, Final Technical Report of the European Commission. 2019. Available online: https://ec.europa.eu/environment/gpp/pdf/190927_EU_GPP_criteria_for_food_and_catering_services_SWD_(2019)_366_final.pdf (accessed on 20 April 2022).
- Available online: https://ecofriend.com/solar-energy-powers-awesome-vending-machines.html (accessed on 22 April 2022).
- Solano, A.; Duro, N.; Dormido, R.; González, P. Smart vending machines in the era of internet of things. Future Gener. Comput. Syst. 2017, 76, 215–220. [Google Scholar] [CrossRef]
- Sibanda, V.; Munetsi, L.; Mpofu, K.; Murena, E.; Trimble, J. Design of a high-tech vending machine. Procedia CIRP 2020, 91, 678–683. [Google Scholar] [CrossRef]
- Ratnasri, N.; Sharmilan, T. Vending Machine Technologies: A Review Article. Int. J. Sci. Basic Appl. Res. (IJSBAR) 2021, 58, 160–166. [Google Scholar]
- Sethi, A.; Becerra, E.; Motta, S. Low GWP R134a replacements for small refrigeration (plug-in) applications. Int. J. Refrig. 2016, 66, 64–72. [Google Scholar] [CrossRef]
- Regulation (eu) no 517/2014 of the European Parliament and of the Council of 16 April 2014 on Fluorinated Greenhouse Gases and Repealing Regulation (EC) No 842/2006. Available online: https://eur-lex.europa.eu/legal-content/EN/TXT/PDF/?uri=CELEX:32014R0517&rid=1 (accessed on 18 April 2022).
- Wongsuwan, W.; Kallaka, R.; Chaiwiwatworakul, P. Energy Efficiency of the Beverage Vending Machine Refrigeration System. In Proceedings of the 2021 International Conference on Power, Energy and Innovations (ICPEI), Nakhon Ratchasima, Thailand, 20–22 October 2021. [Google Scholar] [CrossRef]
- Harnanan, K.K.; Zaremba, L. Measurement and Analysis of Energy-saving Devices for Vending Machines at a University. Energy Eng. 2014, 112, 7–27. [Google Scholar] [CrossRef]
- Kumar, P.; Noida, G.; Singh, S.; Choudhary, M.; Singh, K. Solar Powered Medic Vending Machine, Conference: In Proceedings of the 2020 2nd International Conference on Advances in Computing, Communication Control and Networking (ICACCCN), Greater Noida, India, 18–19 December 2020. [CrossRef]
- SolidWorks. Available online: https://www.solidworks.com/domain/simulation (accessed on 18 April 2022).
- Available online: https://www.komasheets.com/en/products/advertising-sector/koemacel-advertising/?tab=technical_documentation (accessed on 20 April 2022).
- Available online: https://joriside-thermoconfort.eu/wp-content/uploads/2022/02/Thermoconfort_Technical_EN.pdf (accessed on 20 April 2022).
- Available online: https://leykom.ro/catalog/product/view/id/2909/s/bond-pe/category/8/ (accessed on 20 April 2022).
- Romanian Ministry of Development, Public Works and Administration Site. Available online: https://www.mdlpa.ro/userfiles/reglementari/Domeniul_I/I_20_1_CR_1_1_4_2012.pdf (accessed on 20 April 2022).
- Romanian Ministry of Development, Public Works and Administration Site. Available online: https://www.mdlpa.ro/userfiles/reglementari/Domeniul_XIV/14_40_I_5_2015.pdf (accessed on 4 April 2022).
- Romanian Ministry of Development, Public Works and Administration Site. Available online: https://www.mdlpa.ro/userfiles/reglementari/Domeniul_XXVII/27_11_MC_001_1_2_3_2006.pdf (accessed on 5 April 2022).
- Technical Datasheet. Available online: https://isopan.ro/products (accessed on 11 April 2022).
- Porneală, D.; Porneală, S. Refrigeration and Air Conditioning in the Food Industry; Alma Publishing House: Galaţi, Romania, 1997; ISBN 973-920-04-3. [Google Scholar]
- Ashrae Handbook—Refrigeration; Tullie Circle, N.E. (Ed.) ASHRAE Publishing House: Atlanta, GA, USA, 2018; ISBN 1939200970/9781939200976. [Google Scholar]
- Mohos, F.Á. Confectionery and Chocolate Engineering: Principles and Applications, Print; Wiley Blackwell Publishing House: Hoboken, NJ, USA, 2010; ISBN 9781405194709. Online ISBN 9781444320527. [Google Scholar] [CrossRef]
- Ashrae Handbook—Fundamentals; Tullie Circle, N.E. (Ed.) ASHRAE Publishing House: Atlanta, GA, USA, 2021; ISBN 9781947192904. [Google Scholar]
- EN 378-2:2017; Refrigerating Systems and Heat Pumps-Safety and Environmental Requirements-Part 2: Design, Construction, Testing, Marking and Documentation. Romanian Standards Association. Available online: https://magazin.asro.ro/ro/standard/250925 (accessed on 11 April 2022).
- The Climate Registry. Available online: https://www.theclimateregistry.org/wp-content/uploads/2019/02/Draft-PC-Appendix_A_Global-Warming-Potentials.pdf (accessed on 18 April 2022).
- CoolPack Software Version 1.5. Available online: https://coolpack.software.informer.com/1.5/ (accessed on 4 April 2022).
- Chemours Refrigerant Expert. Available online: https://www.opteon.com/en/support/product-tools/refrigerant-expert-tool/thank-you-cre (accessed on 5 April 2022).
- PVSyst Software. Available online: https://www.pvsyst.com/ (accessed on 3 April 2022).
- Victron Energy, “BlueSolar Polycrystalline Panels”; Victron Energy, B.V. (Ed.) Victron Energy Manuals Publishing House: Almere, The Netherlands, 2021; Volume 31, p. 1351. [Google Scholar]
- Victron Energy, “Gel and AGM Batteries”; Victron Energy, B.V. (Ed.) Victron Energy Manuals Publishing House, 2016; Volume 31, pp. 1–8. Available online: http://www.victronenergy.com/ (accessed on 4 April 2022).
- Mean Well, “DC/AC Inverters”; Mean Well Enterprises CO.LTD, MW Product Materials Publishing House: New Taipei City, Taiwan, 2018; pp. 301–302.
- Victron Energy, “BlueSolar MPPT Charge Controllers”; Victron Energy, B.V. (Ed.) Victron Energy Manuals Publishing House: Almere, The Netherlands, 2021; Volume 31, p. 1351. [Google Scholar]
- Victron Energy, “MPPT Solar Charger Manual”; Victron Energy, B.V. (Ed.) Victron Energy Manuals Publishing House: Almere, The Netherlands, 2021. [Google Scholar]
- Bogno, B.; Sawicki, J.-P.; Salame, T.; Aillerie, M.; Saint-Eve, F.; Hamandjoda, O.; Tibi, B. Improvement of safety, longevity and performance of lead acid battery in off-grid PV systems. Int. J. Hydrogen Energy 2017, 42, 3466–3478. [Google Scholar] [CrossRef]
- Massaguer, E.; Massaguer, A.; Pujol, T.; Comamala, M.; Montoro, L.; Gonzalez, J.R. Fuel economy analysis under a WLTP cycle on a mid-size vehicle equipped with a thermoelectric energy recovery system. Energy 2019, 179, 306–314. [Google Scholar] [CrossRef]
- Georgiev, M.; Gospodinova, D.; Georgieva, A. PLC Based Monitoring of Energy System of a Family House. In Proceedings of the 2020 12th Electrical Engineering Faculty Conference (BulEF), Varna, Bulgaria, 9–12 September 2020. [Google Scholar] [CrossRef]






















| No. crt. | Name | Quantity/ Volume [cm3] | Density [g/cm3] | Total Mass [g] |
|---|---|---|---|---|
| 1 | Thermal insulation Komacel thick 10 mm—refrigeration enclosure [15] | 101,542 | 0.5 | 50,771 |
| 2 | Thermal insulation Termoconfort thick 100 mm—refrigeration enclosure [16] | 955,166 | 0.034 | 32,475 |
| 3 | Thermal insulation BOND thick 3 mm—refrigerated enclosure [17] | 14,444 | 1.55 | 22,388 |
| 4 | Product delivery system—product tray | 6 trays | - | 66,000 |
| 5 | Metal structure made of aluminum profiles—refrigeration enclosure | 1 | - | 20,619 |
| 6 | Refrigeration installation (compressor, evaporator, condenser, fan, support) | 1 | - | 15,672 |
| Total storage space products TSP 187308 | ||||
| 1 | Outer casing—3 mm thick steel sheet | 1 | - | 80,440 |
| 2 | Outer casing—40 mm thick polystyrene thermal insulation | 1 | - | 14,460 |
| 3 | Product delivery system—pick-up and transport | 1 | - | 18,452 |
| 4 | Command and control system | 1 | - | 4215 |
| Total technical space and product delivery TTS 117567 | ||||
| 1 | Rechargeable batteries | 4 | - | 152,000 |
| 2 | Solar panel | 4 | - | 55,200 |
| Refrigerant | R134a | R507 | R513A | R452A | R290 | R448A | R449A | R1234yf | R455A | R744 |
|---|---|---|---|---|---|---|---|---|---|---|
| ASHRAE safety classif. | A1 | A1 | A1 | A1 | A3 | A1 | A1 | A2L | A2L | A1 |
| ODP | 0 | 0 | 0 | 0 | 0 | 0 | 0 | 0 | 0 | 0 |
| 100-year GWP | 1430 | 3985 | 631 | 2140 | 3 | 1387 | 1397 | 4 | 148 | 1 |
| Critical temp. [°C] | 101.1 | 70.61 | 94.91 | 75.05 | 96.74 | 82.68 | 82.07 | 94.7 | 85.61 | 30.98 |
| Critical pressure [bar] | 40.59 | 37.05 | 36.48 | 40.14 | 42.51 | 45.95 | 45 | 33.82 | 46.54 | 73.77 |
| Normal boiling point [°C] | −26.1 | −46.74 | −29.47 | −46.93 | +42.11 | −46.12 | −45.72 | −29.49 | −52.02 | −62.89 |
| Class | HFC | HFC | HFC/HFO | HFC/HFO | HC | HFC/HFO | HFC/HFO | HFO | HFC/HFO | Natural refrige-rant |
| Molecular mass [kg/kmol] | 102 | 98.86 | 108.4 | 103.5 | 44.1 | 86.28 | 87.21 | 114 | 87.45 | 44.01 |
| Refrigerant | R134a | R507 | R513A | R452A | R290 | R448A | R449A | R1234yf | R455A | R744 |
|---|---|---|---|---|---|---|---|---|---|---|
| Parameter | ||||||||||
| Evaporating temperature [°C] | −4 | −4 | −4 | −4 | −4 | −4 | −4 | −4 | −4 | −4 |
| Evaporating pressure [bar] | 2.53 | 5.49 | 2.79 | 4.92 | 4.16 | 4.82 | 4.469 | 2.75 | 4.12 | 31.30 |
| Condensing temperature [°C] | 49 | 49 | 49 | 49 | 49 | 49 | 49 | 49 | 49 | 49 |
| Condensing pressure [bar] | 12.85 | 23.06 | 13.41 | 21.83 | 16.74 | 22.07 | 20.77 | 12.72 | 21.73 | 75.00 |
| Discharge temperature [°C] | 83.19 | 78.23 | 75.37 | 79.77 | 81.63 | 87.5 | 90.83 | 69.88 | 75.37 | 87.5 |
| Suction volume [m3/h] | 0.09028 | 0.04012 | 0.07733 | 0.0437 | 0.11140 | 0.01749 | 0.0573 | 0.066 | 0.06915 | 0.01340 |
| Refrigerant mass flow rate [kg/s] | 0.0032 | 0.0045 | 0.0037 | 0.0042 | 0.00158 | 0.00314 | 0.0032 | 0.0042 | 0.0037 | 0.0077 |
| Cooling capacity [kW] | 0.442 | 0.442 | 0.442 | 0.442 | 0.442 | 0.442 | 0.442 | 0.442 | 0.442 | 0.442 |
| Heating capacity [kW] | 0.640 | 0.680 | 0.650 | 0.660 | 0.602 | 0.610 | 0.650 | 0.660 | 0.612 | 0.842 |
| Compressor power [kW] | 0.170 | 0.190 | 0.170 | 0.180 | 0.160 | 0.168 | 0.180 | 0.180 | 0.170 | 0.572 |
| EER [-] | 2.600 | 2.326 | 2.600 | 2.456 | 2.771 | 2.627 | 2.456 | 2.456 | 2.550 | 0.773 |
| Equipment | Technical Data | Type |
|---|---|---|
| Evaporator coil | Length L = 50 cm; Width W = 10.5 cm; Height H = 14 cm Inlet/outlet connection 8.5 mm, Copper | KARYER VEGA |
| Evaporator fan motor | ; Length L = 32 cm; Width W = 9 cm Height H = 11.5 cm | TU14 |
| Condenser coil | Length L = 29 cm; Width W = 14 cm; Height H = 25 cm | LU-VE contorno |
| Condenser fan motor | - | |
| Hermetical single speed compressor | Displacement 4.5 cm3; Voltage/frequency 220–240 V/50 Hz Supply connection 8.1 mm, copper Discharge connection 6.55 mm, copper | EMBRACO EMX6141U |
| Equipment | Measured Value | Accuracy | Measured Interval |
|---|---|---|---|
| Pyranometer | Intensity of solar radiation | ±3% | 0–1500 W/m2 |
| USB type humidity sensor | Temperature (air) | ±0.5 °C | −20–70 °C |
| USB type | Relative humidity | ±3% | 0–100% |
| FLIR Thermal Camera | Temperature (surface) | ±0.3 °C | −40–400 °C |
Publisher’s Note: MDPI stays neutral with regard to jurisdictional claims in published maps and institutional affiliations. |
© 2022 by the authors. Licensee MDPI, Basel, Switzerland. This article is an open access article distributed under the terms and conditions of the Creative Commons Attribution (CC BY) license (https://creativecommons.org/licenses/by/4.0/).
Share and Cite
Calotă, R.; Savaniu, M.; Girip, A.; Năstase, I.; Georgescu, M.R.; Tonciu, O. Study on Energy Efficiency of an Off-Grid Vending Machine with Compact Heat Exchangers and Low GWP Refrigerant Powered by Solar Energy. Energies 2022, 15, 4433. https://doi.org/10.3390/en15124433
Calotă R, Savaniu M, Girip A, Năstase I, Georgescu MR, Tonciu O. Study on Energy Efficiency of an Off-Grid Vending Machine with Compact Heat Exchangers and Low GWP Refrigerant Powered by Solar Energy. Energies. 2022; 15(12):4433. https://doi.org/10.3390/en15124433
Chicago/Turabian StyleCalotă, Răzvan, Mihai Savaniu, Alina Girip, Ilinca Năstase, Matei Răzvan Georgescu, and Oana Tonciu. 2022. "Study on Energy Efficiency of an Off-Grid Vending Machine with Compact Heat Exchangers and Low GWP Refrigerant Powered by Solar Energy" Energies 15, no. 12: 4433. https://doi.org/10.3390/en15124433
APA StyleCalotă, R., Savaniu, M., Girip, A., Năstase, I., Georgescu, M. R., & Tonciu, O. (2022). Study on Energy Efficiency of an Off-Grid Vending Machine with Compact Heat Exchangers and Low GWP Refrigerant Powered by Solar Energy. Energies, 15(12), 4433. https://doi.org/10.3390/en15124433

