Design of an MPPT Technique for the Indirect Measurement of the Open-Circuit Voltage Applied to Thermoelectric Generators
Abstract
:1. Introduction
2. Proposed MPPT Control Algorithm
2.1. Indirect Measurement of the Open-Circuit Voltage
2.2. Fuzzy Logic Stage
3. Results
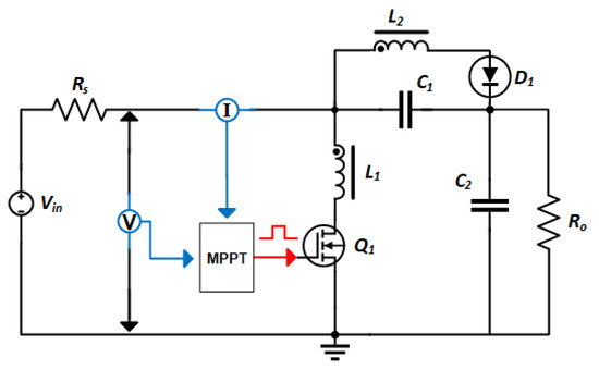
3.1. System Implementation
3.2. Simulation Results
4. Conclusions
Author Contributions
Funding
Conflicts of Interest
References
- Champier, D.; Bédécarrats, J.P.; Kousksou, T.; Rivaletto, M.; Strub, F.; Pignolet, P. Study of a TE (thermoelectric) generator incorporated in a multifunction wood stove. Energy 2011, 36, 1518–1526. [Google Scholar] [CrossRef] [Green Version]
- Montecucco, A.; Knox, A.R. Maximum power point tracking converter based on the open-circuit voltage method for thermoelectric generators. IEEE Trans. Power Electron. 2015, 30, 828–839. [Google Scholar] [CrossRef]
- Dalala, Z.M.; Saadeh, O.; Bdour, M.; Zahid, Z.U. A new maximum power point tracking (MPPT) algorithm for thermoelectric generators with reduced voltage sensors count control. Energies 2018, 11, 1826. [Google Scholar] [CrossRef] [Green Version]
- Rowe, D.M. Thermoelectric waste heat recovery as a renewable energy source. Int. J. Innov. Energy Syst. Power 2006, 1, 13–23. [Google Scholar]
- Yahya, K.; Bilgin, M.Z.; Erfidan, T. The effect of temperature variations over thermoelectric generator efficiency. In Proceedings of the International Engineering Research Symposium UMAS2017 Duzce, Düzce, Turkey, 11–13 September 2017; pp. 192–200. [Google Scholar]
- Mobarrez, M.; Fregosi, D.; Jalali, G.; Bhattacharya, S.; Bahmani, M.A. A novel control method for preventing the PV and load fluctuations in a DC microgrid from transferring to the AC power grid. In Proceedings of the 2017 IEEE Second International Conference on DC Microgrids (ICDCM), Nuremburg, Germany, 27–29 June 2017; pp. 352–359. [Google Scholar]
- Adly, M.; Strunz, K. Irradiance-adaptive PV module integrated converter for high efficiency and power quality in standalone and DC microgrid applications. IEEE Trans. Ind. Electron. 2017, 65, 436–446. [Google Scholar] [CrossRef]
- Montecucco, A.; Siviter, J.; Knox, A.R. The effect of temperature mismatch on thermoelectric generators electrically connected in series and parallel. Appl. Energy 2014, 123, 47–54. [Google Scholar] [CrossRef] [Green Version]
- Twaha, S.; Zhu, J.; Yan, Y.; Li, B.; Huang, K. Performance analysis of thermoelectric generator using dc-dc converter with incremental conductance based maximum power point tracking. Energy Sustain. Dev. 2017, 37, 86–98. [Google Scholar] [CrossRef]
- Zhang, T. Design and optimization considerations for thermoelectric devices. Energy Convers. Manag. 2016, 112, 404–412. [Google Scholar] [CrossRef]
- El-Genk, M.S.; Saber, H.H.; Caillat, T. Efficient segmented thermoelectric unicouples for space power applications. Energy Convers. Manag. 2003, 44, 1755–1772. [Google Scholar] [CrossRef]
- Hsiao, Y.Y.; Chang, W.C.; Chen, S.L. A mathematic model of thermoelectric module with applications on waste heat recovery from automobile engine. Energy 2010, 35, 1447–1454. [Google Scholar] [CrossRef]
- Liu, X.; Deng, Y.D.; Li, Z.; Su, C.Q. Performance analysis of a waste heat recovery thermoelectric generation system for automotive application. Energy Convers. Manag. 2015, 90, 121–127. [Google Scholar] [CrossRef]
- Goudarzi, A.M.; Mazandarani, P.; Panahi, R.; Behsaz, H.; Rezania, A.; Rosendahl, L.A. Integration of thermoelectric generators and wood stove to produce heat, hot water, and electrical power. J. Electron. Mater. 2013, 42, 2127–2133. [Google Scholar] [CrossRef]
- Kinsella, C.E.; O’Shaughnessy, S.M.; Deasy, M.J.; Duffy, M.; Robinson, A.J. Battery charging considerations in small scale electricity generation from a thermoelectric module. Appl. Energy 2014, 114, 80–90. [Google Scholar] [CrossRef]
- Adhithya, K.; Anand, R.; Balaji, G.; Harinarayanan, J. Battery charging using thermoelectric generation module in automobiles. IJRET Int. J. Res. Eng. Technol. 2015, 4, 296–303. [Google Scholar]
- Ebling, D.G.; Krumm, A.; Pfeiffelmann, B.; Gottschald, J.; Bruchmann, J.; Benim, A.C.; Stunz, A. Development of a system for thermoelectric heat recovery from stationary industrial processes. J. Electron. Mater. 2016, 45, 3433–3439. [Google Scholar] [CrossRef]
- Francioso, L.; De Pascali, C.; Sglavo, V.; Grazioli, A.; Masieri, M.; Siciliano, P. Modelling, fabrication and experimental testing of an heat sink free wearable thermoelectric generator. Energy Convers. Manag. 2017, 145, 204–213. [Google Scholar] [CrossRef]
- Ma, Q.; Fang, H.; Zhang, M. Theoretical analysis and design optimization of thermoelectric generator. Appl. Therm. Eng. 2017, 127, 758–764. [Google Scholar] [CrossRef]
- Wang, Y.; Dai, C.; Wang, S. Theoretical analysis of a thermoelectric generator using exhaust gas of vehicles as heat source. Appl. Energy 2013, 112, 1171–1180. [Google Scholar] [CrossRef]
- Esram, T.; Chapman, P.L. Comparison of photovoltaic array maximum power point tracking techniques. IEEE Trans. Energy Convers. 2007, 22, 439–449. [Google Scholar] [CrossRef] [Green Version]
- Laird, I.; Lovatt, H.; Savvides, N.; Lu, D.; Agelidis, V.G. Comparative study of maximum power point tracking algorithms for thermoelectric generators. In Proceedings of the 2008 Australasian Universities Power Engineering Conference, Sydney, NSW, Australia, 14–17 December 2008; pp. 1–6. [Google Scholar]
- Kim, R.Y.; Lai, J.S. A seamless mode transfer maximum power point tracking controller for thermoelectric generator applications. In Proceedings of the 2007 IEEE Industry Applications Annual Meeting, New Orleans, LA, USA, 23–27 September 2007; pp. 977–984. [Google Scholar]
- Pilawa-Podgurski, R.C.; Pallo, N.A.; Chan, W.R.; Perreault, D.J.; Celanovic, I.L. Low-power maximum power point tracker with digital control for thermophotovoltaic generators. In Proceedings of the 2010 Twenty-Fifth Annual IEEE Applied Power Electronics Conference and Exposition (APEC), Palm Springs, CA, USA, 21–25 February 2010; pp. 961–967. [Google Scholar]
- Bunthern, K.; Long, B.; Christophe, G.; Bruno, D.; Pascal, M. Modeling and tuning of MPPT controllers for a thermoelectric generator. In Proceedings of the 2014 First International Conference on Green Energy ICGE 2014, Sfax, Tunisia, 25–27 March 2014; pp. 220–226. [Google Scholar]
- Kollimalla, S.K.; Mishra, M.K. A novel adaptive P&O MPPT algorithm considering sudden changes in the irradiance. IEEE Trans. Energy Convers. 2014, 29, 602–610. [Google Scholar]
- Pandey, A.; Dasgupta, N.; Mukerjee, A.K. High-performance algorithms for drift avoidance and fast tracking in solar MPPT system. IEEE Trans. Energy Convers. 2008, 23, 681–689. [Google Scholar] [CrossRef] [Green Version]
- Montecucco, A.; Siviter, J.; Knox, A.R. Simple, fast and accurate maximum power point tracking converter for thermoelectric generators. In Proceedings of the 2012 IEEE Energy Conversion Congress and Exposition (ECCE), Raleigh, NC, USA, 15–20 September 2012; pp. 2777–2783. [Google Scholar]
- Wu, S.J.; Wang, S.; Yang, C.J.; Xie, K.R. Energy management for thermoelectric generators based on maximum power point and load power tracking. Energy Convers. Manag. 2018, 177, 55–63. [Google Scholar] [CrossRef]
- Marroquín-Arreola, R.; Salazar-Pérez, D.; Ponce-Silva, M.; Hernández-De León, H.; Aqui-Tapia, J.A.; Lezama, J.; Saavedra-Benítez, Y.I.; Escobar-Gómez, E.N.; Lozoya-Ponce, R.E.; Mota-Grajales, R. Analysis of a DC-DC Flyback Converter Variant for Thermoelectric Generators with Partial Energy Processing. Electronics 2021, 10, 619. [Google Scholar] [CrossRef]
- Laird, I.; Lu, D. Steady state reliability of maximum power point tracking algorithms used with a thermoelectric generator. In Proceedings of the IEEE international symposium on circuits and systems (ISCAS), Beijing, China, 19–23 May 2013; pp. 1316–1319. [Google Scholar]
- Li, M.; Xu, S.; Chen, Q.; Zheng, L.R. Thermoelectric generator based dc-dc conversion networks for automotive applications. J. Electron. Mater. 2011, 40, 1136–1143. [Google Scholar] [CrossRef]






















| Symbol | Parameter | Value |
|---|---|---|
| Open-circuit voltage | 21.3 V | |
| Internal resistance of the TEGs | 4.4 | |
| Load | 48.22 | |
| Output voltage | 30.5 V | |
| Output power | 19.29 W | |
| Primary inductor | 64.62 H | |
| Parasitic resistance of | 915 m | |
| Secondary inductor | 6.65 H | |
| Parasitic resistance of | 143 m | |
| K | Transformer coupling | 0.9 |
| M | Mosfet model IRF540N | |
| Drain source resistor | 50 m | |
| D | Diode model 1N4934 | |
| Input capacitor | 10 F | |
| Output capacitor | 10 F | |
| Switching frequency | 100 kHz |
| Case | Technique | Parameter | Value |
|---|---|---|---|
| 1 | P&O | 20.78 W | |
| 1 | IOCV&FL | 21.98 W | |
| 2 | P&O | 21.77 W | |
| 2 | IOCV&FL | 22.72 W | |
| 3 | P&O | 18.84 W | |
| 3 | IOCV&FL | 19.80 W |
Publisher’s Note: MDPI stays neutral with regard to jurisdictional claims in published maps and institutional affiliations. |
© 2022 by the authors. Licensee MDPI, Basel, Switzerland. This article is an open access article distributed under the terms and conditions of the Creative Commons Attribution (CC BY) license (https://creativecommons.org/licenses/by/4.0/).
Share and Cite
Marroquín-Arreola, R.; Lezama, J.; Hernández-De León, H.R.; Martínez-Romo, J.C.; Hoyo-Montaño, J.A.; Camas-Anzueto, J.L.; Escobar-Gómez, E.N.; Conde-Díaz, J.E.; Ponce-Silva, M.; Santos-Ruiz, I. Design of an MPPT Technique for the Indirect Measurement of the Open-Circuit Voltage Applied to Thermoelectric Generators. Energies 2022, 15, 3833. https://doi.org/10.3390/en15103833
Marroquín-Arreola R, Lezama J, Hernández-De León HR, Martínez-Romo JC, Hoyo-Montaño JA, Camas-Anzueto JL, Escobar-Gómez EN, Conde-Díaz JE, Ponce-Silva M, Santos-Ruiz I. Design of an MPPT Technique for the Indirect Measurement of the Open-Circuit Voltage Applied to Thermoelectric Generators. Energies. 2022; 15(10):3833. https://doi.org/10.3390/en15103833
Chicago/Turabian StyleMarroquín-Arreola, Ricardo, Jinmi Lezama, Héctor Ricardo Hernández-De León, Julio César Martínez-Romo, José Antonio Hoyo-Montaño, Jorge Luis Camas-Anzueto, Elías Neftalí Escobar-Gómez, Jorge Evaristo Conde-Díaz, Mario Ponce-Silva, and Ildeberto Santos-Ruiz. 2022. "Design of an MPPT Technique for the Indirect Measurement of the Open-Circuit Voltage Applied to Thermoelectric Generators" Energies 15, no. 10: 3833. https://doi.org/10.3390/en15103833
APA StyleMarroquín-Arreola, R., Lezama, J., Hernández-De León, H. R., Martínez-Romo, J. C., Hoyo-Montaño, J. A., Camas-Anzueto, J. L., Escobar-Gómez, E. N., Conde-Díaz, J. E., Ponce-Silva, M., & Santos-Ruiz, I. (2022). Design of an MPPT Technique for the Indirect Measurement of the Open-Circuit Voltage Applied to Thermoelectric Generators. Energies, 15(10), 3833. https://doi.org/10.3390/en15103833

