A Multi-Point Geostatistical Seismic Inversion Method Based on Local Probability Updating of Lithofacies
Abstract
:1. Introduction
2. Principle and Methods
2.1. Inversion Principle and Multi-Point Geostatistical Inversion Method
2.2. Method Improvement
2.3. Inversion Steps
- Check the data. Check whether the seismic data and well data are complete, including lithology, density, p-wave velocity, and s-wave velocity information.
- Statistical analysis of the data. When the shear wave information cannot be obtained from the logging data, it can be estimated using empirical formulas. The probability density functions of the different elastic parameters of the lithofacies are established to provide a basis for the subsequent elastic parameter sampling. The plot of the lithofacies versus the elastic parameters is established to provide a basis for the fluid prediction.
- The attribute values of the initial reservoir elastic parameters are given. According to the statistical well data, the initial elastic parameter attribute values, including the density, p-wave velocity, and s-wave velocity, are assigned to the simulation grid.
- Build training images. Commonly, unconditional modeling methods such as object-based stochastic modeling, sedimentary process modeling, multi-point simulation results, outcrop and modern deposition models, digital geological sketches, and physical simulation interpretation are used to confirm the working area’s reservoir characteristics for the training images.
- Scan the training images to establish a search tree. Only the data events that actually appear in the training image are saved in the search tree. In order to limit the geometric configuration of the data events and prevent it from being too large, the maximum number of searched data needs to be defined. Build a search tree based on the sample of the largest search data.
- i.
- Griding and assignment of the well data and elastic parameters. Each conditional data point is assigned to the nearest grid node in the simulation grid. If multiple conditional data points are assigned to the same grid node, the nearest one is assigned to the center of the grid node.
- ii.
- Define the path through the remaining nodes of the simulated grid. A path is a vector that contains all of the indexes of the grid nodes to be simulated in sequence. Random, one-way (i.e., the nodes are accessed in a regular order starting from one side of the grid), or any other path can be used. The simulation path is from a dense well area to a sparse well area and finally to a no well area.
- iii.
- Search for domains that simulate node X. They consist at most of n nodes {x1, x2, …, xN} that have recently been assigned to or simulated in the simulation grid. If the field of X is not found in the first iteration (such as the first unconditionally simulated node), a node Y is randomly selected in the TI, and its value (Z(y) to Z(x)) is assigned in the simulation grid. Then, proceed to the next node of the path.
- iv.
- Determine the search tree’s conditional probability P(A|B).
- v.
- Determine whether there is a point at which in the previous simulation, the elastic parameters were reserved. If there is, using the permanent ratio of the updating theory, probability P(A|B) will update to P(A|B,C). Otherwise, the update is still the conditional probability P(A|B).
3. Model Testing
3.1. Theoretical Model Testing
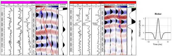
3.2. Real Reservoir Testing
4. Discussion
5. Conclusions
Author Contributions
Funding
Conflicts of Interest
Abbreviations
| LPUMI | a multi-point geostatistical inversion method based on the local probability updating method for the inversion of lithofacies. |
| MCMC | Markov chain Monte Carlo. |
| ASR | adaptive spatial resampling. |
References
- Ghaderpour, E. Multichannel antileakage least-squares spectral analysis for seismic data regularization beyond aliasing. Acta Geophys. 2019, 67, 1349–1363. [Google Scholar] [CrossRef]
- Bosch, M.; Mukerji, T.; Gonzalez, E.F. Seismic inversion for reservoir properties combining statistical rock physics and geostatistics: A review. Geophysics 2010, 75, 165–176. [Google Scholar] [CrossRef] [Green Version]
- Zhang, F.; Xiao, Z.; Yin, X. Bayesian stochastic inversion with seismic data constraints. Oil Geophys. Prospect. 2014, 49, 176–182. [Google Scholar]
- Journel, A.G.; Huijbregts, C.J. Mining Geostatistics; Academic Press: New York, NY, USA, 1978. [Google Scholar]
- Haas, A.; Dubrule, O. Geostatistical inversion-a sequential method of stochastic reservoir modelling constrained by seismic data. First Break. 1994, 12, 561–569. [Google Scholar] [CrossRef]
- Deutsch, C.V. GSLIB Geostatistical Software Library and User’S Guide; Oxford University Press: Oxford, UK, 1992. [Google Scholar]
- Bortoli, L.J.; Alabert, F.A.; Hass, A.; Journel, A.G. Constraining Stochastic Images to Seismic Data; Geostatistics Tróia’92. Spring: Dordrecht, The Netherlands, 1993; pp. 325–337. Available online: https://www.semanticscholar.org/paper/Constraining-Stochastic-Images-to-Seismic-Data-Bortoli-Alabert/20d8acea057bcc1d7f875a204689c2ee1243ad73 (accessed on 21 December 2021).
- González, E.F.; Mukerji, T.; Mavko, G. Seismic inversion combining rock physics and multiple-point geostatistics. Geophysics 2008, 73, 11–21. [Google Scholar] [CrossRef]
- Yang, P.J.; Yin, X.Y. Non-linear quadratic programming Bayesian prestack inversion. Chin. J. Geophys. 2008, 51, 1876–1882. (In Chinese) [Google Scholar]
- Zhang, G.; Wang, D.; Yin, X. Seismic parameters estimation using MCMC method. Oil Geophys. Prospect. 2011, 46, 605–609. [Google Scholar]
- Wang, P.; Li, Y.; Zhao, R. Lithology inversion using post-stack MCMC method. Prog. Geophys. 2015, 30, 1918–1925. [Google Scholar]
- Azevedo, L.; Demyanov, V. Multi-scale uncertainty assessment in geostatistical seismic inversion. Geophysics 2019, 84, R355–R369. [Google Scholar] [CrossRef]
- Pereira, P.; Calçôa, I.; Azevedo, L.; Nunes, R.; Soares, A. Iterative geostatistical seismic inversion incorporating local anisotropies. Comput. Geosci. 2020, 24, 1589–1604. [Google Scholar] [CrossRef]
- Caers, J.; Srinivasan, S.; Journel, A.G. Geostatistical quantification of geological information for a Fluvial-Type North Sea Reservoir. In Proceedings of the SPE Annual Technical Conference and Exhibition, SPE-56655-MS. Houston, TX, USA, 3–6 October 1999. [Google Scholar]
- Strebelle, S.; Journel, A.G. Reservoir modeling using multiple-point statistics. In Proceedings of the SPE Annual Technical Conference and Exhibition, SPE-71324-MS. New Orleans, LA, USA, 30 September–3 October 2001. [Google Scholar]
- Yin, Y.; Zhang, C.; Li, J.; Shi, S. Research progress and Prospect of multi-point geostatistics. J. Palaeogeogr. 2011, 13, 245–253. [Google Scholar]
- Yang, P. Geostatistical inversion: From two points to multiple points. Prog. Geophys. 2014, 29, 2293–2300. [Google Scholar]
- Yang, P. Multi-point geostatistical random simulation based on pattern clustering and matching. Prog. Geophys. 2018, 33, 279–284. [Google Scholar]
- Guardiano, F.B.; Srivastava, R.M. Multivariate Geostatistics: Beyond Bivariate Moments. In Geostatistics Tróia ’92, Quantitative Geology and Geostatistic; Kluwer Academic Publications: Dordrecht, The Netherlands, 1993; pp. 133–144. [Google Scholar]
- Jeong, C.; Mukerji, T.; Mariethoz, G. A fast approximation for seismic inverse modeling: Adaptive spatial resampling. Math. Geosci. 2017, 49, 845–869. [Google Scholar] [CrossRef]
- Liu, X.; Li, J.; Chen, X.; Li, C.; Guo, K.; Zhou, L. A stochastic inversion method integrating multi-point geostatistics and sequential Gaussian simulation. Chin. J. Geophys. 2018, 61, 2998–3007. [Google Scholar]
- Liming, S.; Wuyang, Y.; Fengchang, Y.; Xingyao, Y.; Xueshan, Y. Review and prospect of seismic inversion technology. Oil Geophys. Prospect. 2015, 50, 184–202. [Google Scholar]
- Ling, Y.; Xiao, Y.; Sun, D.; Lin, J.; Gao, J. Influence factors analysis and seismic attribute interpretation of post-stack thin reservoir inversion. Geophys. Prospect. Pet. 2008, 47, 531–558. [Google Scholar]
- Azevedo, L.; Nunes, R.; Soares, A.; Mundin, E.C.; Neto, G.S. Integration of well data into geostatistical seismic amplitude variation with angle inversion for facies estimation. Geophysics 2015, 80, 113–128. [Google Scholar] [CrossRef]
- Azevedo, L.; Soares, A. Geostatistical Methods for Reservoir Geophysics; Springer International Publishing: Cham, Switzerland, 2017. [Google Scholar]
- Tarantola, A. Inverse Problem Theory and Methods for Model Parameter Estimation; Society for Industrial and Applied Mathematics: Philadelphia, PA, USA, 2005; pp. 269–285. [Google Scholar]
- Mariethoz, G.; Renard, P.; Straubhaar, J. The direct sampling method to perform multiple-point geostatistical simulations. Water Resour. Res. 2010, 46, 1–14. [Google Scholar] [CrossRef] [Green Version]
- Journel, A.G. Combining knowledge from diverse sources: An alternative to traditional data independence hypotheses. Math. Geol. 2002, 34, 573–596. [Google Scholar] [CrossRef]
- Arpat, B.G. Sequential Simulation with Patterns. Doctoral Dissertation, Stanford University, Stanford, CA, USA, 2005. [Google Scholar]


















Publisher’s Note: MDPI stays neutral with regard to jurisdictional claims in published maps and institutional affiliations. |
© 2022 by the authors. Licensee MDPI, Basel, Switzerland. This article is an open access article distributed under the terms and conditions of the Creative Commons Attribution (CC BY) license (https://creativecommons.org/licenses/by/4.0/).
Share and Cite
Wang, Z.; Chen, T.; Hu, X.; Wang, L.; Yin, Y. A Multi-Point Geostatistical Seismic Inversion Method Based on Local Probability Updating of Lithofacies. Energies 2022, 15, 299. https://doi.org/10.3390/en15010299
Wang Z, Chen T, Hu X, Wang L, Yin Y. A Multi-Point Geostatistical Seismic Inversion Method Based on Local Probability Updating of Lithofacies. Energies. 2022; 15(1):299. https://doi.org/10.3390/en15010299
Chicago/Turabian StyleWang, Zhihong, Tiansheng Chen, Xun Hu, Lixin Wang, and Yanshu Yin. 2022. "A Multi-Point Geostatistical Seismic Inversion Method Based on Local Probability Updating of Lithofacies" Energies 15, no. 1: 299. https://doi.org/10.3390/en15010299
APA StyleWang, Z., Chen, T., Hu, X., Wang, L., & Yin, Y. (2022). A Multi-Point Geostatistical Seismic Inversion Method Based on Local Probability Updating of Lithofacies. Energies, 15(1), 299. https://doi.org/10.3390/en15010299
