Next Article in Journal
Effect of Adding Surfactants to a Solution of Fertilizer on the Granulation Process
Previous Article in Journal
Laminar Burning Velocities of Hydrogen-Blended Methane–Air and Natural Gas–Air Mixtures, Calculated from the Early Stage of p(t) Records in a Spherical Vessel
 
 
Font Type:
Arial Georgia Verdana
Font Size:
Aa Aa Aa
Line Spacing:
Column Width:
Background:
Article

A Study on Sustainable Consumption of Fuel—An Estimation Method of Aircraft

1
CAAC Academy, Civil Aviation Flight University of China, Guanghan 618307, China
2
School of Management, Northwestern Polytechnical University, 127 West Youyi Road, Xi’an 710072, China
3
China Eastern Technology Application Research and Development Center Co., LTD, Shanghai 201707, China
*
Author to whom correspondence should be addressed.
Energies 2021, 14(22), 7559; https://doi.org/10.3390/en14227559
Submission received: 15 October 2021 / Revised: 1 November 2021 / Accepted: 3 November 2021 / Published: 12 November 2021

Abstract

:
Though the development of China’s civil aviation and the improvement of control ability have strengthened the safety operation and support ability effectively, the airlines are under the pressure of operation costs due to the increase of aircraft fuel price. With the development of optimization controlling methods in flight management systems, it becomes increasingly challenging to cut down flight fuel consumption by control the flight status of the aircraft. Therefore, the airlines both at home and abroad mainly rely on the accurate estimation of aircraft fuel to reduce fuel consumption, and further reduce its carbon emission. The airlines have to take various potential factors into consideration and load more fuel to cope with possible negative situation during the flight. Therefore, the fuel for emergency use is called PBCF (Performance-Based Contingency Fuel). The existing PBCF forecasting method used by China Airlines is not accurate, which fails to take into account various influencing factors. This paper aims to find a method that could predict PBCF more accurately than the existing methods for China Airlines.This paper takes China Eastern Airlines as an example. The experimental data of flight fuel of China Eastern Airlines Co, Ltd. were collected to find out the relevant parameters affecting the fuel consumption, which is followed by the establishment of the LSTM neural network through the parameters and collected data. Finally, through the established neural network model, the PBCF addition required by the airline with different influencing factors is output. It can be seen from the results that the all the four models are available for the accurate prediction of fuel consumption. The amount of data of A319 is much larger than that of A320 and A330, which leads to higher accuracy of the model trained by A319. The study contributes to the calculation methods in the fuel-saving project, and helps the practitioners to learn about a particular fuel calculation method. The study brought insights for practitioners to achieve the goal of low carbon emission and further contributed to their progress towards circular economy.

1. Introduction

This paper presents a method to estimate the total fuel consumption of aircraft during flight using LSTM (a special neural network) method. The model established in paper was used in the simulation model of rapid fuel consumption prediction. The typical neural assisted the model of fuel consumption is established based on the data from aircraft performance manuals and the related literature. The data used in the study apply to four types of aircraft: A319, A320, A330, and A350. The method proposed in the paper gets more accurate results than the primitive fuel forecasting methods for China Eastern Airlines Co., Ltd. And this method can be extended to other models besides the four mentioned in this paper.
With the continuous rise of global Aircraft fuel price, the high proportion of fuel cost in civil aviation transportation cost has affected the survival and development of enterprises seriously. According to the statistical data of the International Air Transport Association (IATA), Aircraft fuel accounted for more than 40% of the operating costs of airlines in 2015, which made a total of 25 airlines of different sizes in the world going bankrupt or out of service due to high international fuel prices [1]. In the past, at the peak of epidemic the mid-May 2020 outage, the number of global flights was a sixth of what it was before. It made a devastating impact on the travel industry, the front-line companies that operate the aviation system and other parts of the supply chain. Under the dual impact of COVID-19 and aviation fuel prices, the economic interests of airlines have been strongly affected.
Controlling aircraft fuel cost has become one of the core tasks of the aviation sector. As the technology of flight management systems becomes more and more mature, it becomes more challenging to cut down aircraft fuel consumption by improving aircraft performance simply. Therefore, most airlines focus their attentions on reducing fuel consumption by estimating the aircraft fuel loading accurately to adjust the state of the aircraft during flight. The management personnel will consider various potential negative factors and load more fuel to deal with the impact of possible adverse factors during the flight. Therefore, this part of the fuel for dealing with unexpected emergencies is called PBCF (Performance-Based Contingency Fuel). By reducing the PBCF carry-on, the weight of the aircraft can be reduced and the wear and tear on equipment during takeoff and landing can also be mitigated. Therefore, controlling the addition of PBCF can reduce the operating cost of airlines from many perspectives. The current standard for PBCF loading is usually 10% of the fuel volume of the airline. The advisory circular issued by the Civil Aviation of China (CAAC), “Guidelines for the Optimization and Implementation of Air Carrier Fuel Policy” [2], explains the PBCF policy. Through the actual route fuel volume data, it is found that the calculation method of PBCF issued by CAAC is not flexible. There are only 3% and 5% standards, in many cases, they do not meet the requirements, so usually, the 10% standard is used. The prediction of airline fuel consumption accurately and the adoption of a more reasonable fuel policy can reduce PBCF carrying to achieve the purpose of energy saving and emission reduction. Therefore, it is necessary to find a precise method to predict PBCF. Reducing unpredictable fuel and building fuel economy control systems in the controllable parts of computerized flight plans is a top priority.
Therefore, a gap exists in present studies. The excessive carrying of PBCF will not only waste aviation fuel and cause wear and tear of parts, but also hinder the airlines’ implementation of relevant low-carbon policies. In retrospect, aircraft fuel forecasting through big data will play an essential role in airport planning research. This provides a simple and fast method for simulating the fuel consumption of aircraft during flight, through which we improve the fuel prediction model. These improvements are of great practical significance. The research objectives of this paper are:
  • By developing a neural network-based method to accurately predict unpredictable fuel, we can reduce jet fuel consumption during flight and save falling airline profits.
  • Establish an accurate calculation fuel consumption model by using the latest aircraft performance and the relevant literature information launched by airlines, as well as neural network methods.
  • Through more accurate prediction of unpredictable fuel, reduce fuel waste and the impact of “fuel-burning” phenomenon on the environment, and make contributions to the green circular economy.

2. Literature Review

2.1. Aviation Industry Carbon Emission

The air transport’s climate problem has become a serious problem, so CORSIA was published to control it: the Carbon Offsetting and Reduction Scheme for International Aviation (CORSIA) as agreed at International Civil Aviation Organization (ICAO) level in October 2016.
Since 1997, ICAO has been studying possible policy measures to limit or reduce GHG emissions from international aviation. The publication of the international Civil Aviation Organization’s 37th General Assembly (Resolution A37-19), which developed targets for carbon neutral growth from 2020 and gas reduction by 2020, essentially means that net carbon emissions from aviation in any year after 2020 should be lower than the net emissions in the baseline year of 2020. CORSIA aims to support targets to reduce gas emissions from 2020. Resolution A39-3 provides a calculation of the amount of offsets airlines must purchase to compensate for the additional emissions generated by aviation growth after 2020 [3].
To measure the effectiveness of approaches to reducing aviation emissions, various sectors have developed various tools to measure different types of aviation emissions. Back in the mid-1980s, emission and Diffusion Modeling Systems (EDMS) were developed. EDMS was used by the EPA to assess aviation emissions, but it did not work well, so it was replaced by the Aviation Environment Design Tool [4].
Low-carbon economy has become the mainstream trend of world economic development, and aviation industry cannot be an exception. The burning of fuel is a major component of aviation’s carbon emissions. The addition of fuel beyond normal standards will cause unnecessary carbon emissions. Therefore, the continuous development of accurate fuel consumption estimation models is needed to contribute to the economic and low-carbon development of aviation.

2.2. Neural Network for Aircraft Fuel

At present, there have been a lot of studies that link energy consumption with neural network and use the precise and nonlinear characteristics of neural network to predict energy consumption.
Hybrid fuzzy neural techniques combining neural networks and fuzzy logic modeling have long been used in the long-term prediction of power and energy systems [5], and this technique has successfully produced accurate results. Energy [6] reported the multiple linear regression analysis model for long-term forecasting, which has been widely used in many forecasting problems and has shown good results [3].
Senzig considering that the model requires comprehensive aerodynamic information or an extensive database of aircraft operations, as well as data on aircraft related states, it meets limited acceptance [7]. Whether the ANN model proposed by Trani [8] is accurate or not, it is necessary to improve the model, including the optimization of its input form and modeling architecture.
In the subsequent studies, many scholars have improved the prediction of the neural network of aviation fuel, and added the neural network model of takeoff, cruise and landing. In 2004, A. A. Trani,. Decide make a artificial neural network to calculate the waste of fuel consumption. The results show that the three-layer artificial neural network with nonlinear transfer function can represent the complex aircraft fuel consumption function accurately during the climbing, cruising and descending phases of flight [8]. Matthias Bartel studied the fuel consumption power model for cruising thrust and determined a new empirical constant. The results show that the model can predict engine performance more accurately and be used for initial performance analysis [9]. In 2011, Enis T. Turgut established a statistical significance model to determine the influence of a specific glide angle on aircraft fuel consumption during descent [10]. In 2012, Harshad Khadilkar used flight data to estimate fuel consumption during taxiing [11]. In 2016, Tolga Baklacioglu used a neural network optimized by genetic algorithms to simulate fuel flow rates during flight. The model incorporates the dependence of fuel consumption relative to true airspeed and altitude changes during cruise flight [12]. Genetic algorithms were used to design the optimal network architecture for time and energy.
The existing neural network model for fuel consumption has been relatively mature, but there is a lack of a standard neural network for various types of fuel consumption prediction method. Therefore, it is necessary to find a prediction model of aircraft fuel consumption based on neural network which can be applied to various aircraft types.

3. Methodology

The classic neural network which is a three-level neural network was shown in Figure 1. The red circles represent the input layer, the purple ones represent the middle layer (also known as the hidden layer) and the green ones represent the output layer.
The following tips should be noted when designing the neural network:
  • When creating a neural network, the number of nodes in each input layer and output layer will not change, and the number of hidden layers in the middle will change freely.
  • The line segments and arrows in the neural network simulation graph indicate which direction the data will flow in the prediction process, but the data flow in training is quite different from this.
  • The key to a structural diagram is not the circles (representing neurons), but the lines connecting neurons (representing connections between neurons).Each connecting line corresponds to a different weight (its value is called a weight) that needs to be trained.
In the traditional neural network, the model ignores the processing at the last moment and what information can be used for the next moment. Each time, the model only pays attention to the processing at the current moment. For example, It is straightforward to speculate the events in the current moment, if we know the information about the events before the moment in the film when we want to speculate the events that occur at each moment in a movie.
A traditional neural network has no memory, so when it looks at events from moment to moment, it doesn’t use information that already exists. Recursive neural network (RNN) is a method of neural network memory of historical information.
RNN is a unique neural network structure proposed according to the view that human cognition is based on experience and memory. It is different from the traditional neural network. It takes into account the input of the previous moment, giving the network “memory” of the content of the previous moment. RNN is also called recursive neural network because it can remember the practice that happened in the past and apply it to the judgment that is generated in the present. The input of the hidden layer includes not only the output of the input layer, but also the output of the hidden layer at the last moment.
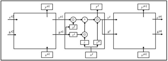
The fuel consumption of aircraft can be affected by many factors during flight. Therefore, a neural network which is more sensitive to previous information should be sought when choosing a neural network for aircraft fuel prediction. LSTM neural network is a special RNN. Through the design of a memory storage unit, it can avoid gradient disappearance and explosion effectively. Therefore, this experiment builds a fuel consumption prediction model based on LSTM neural network, which can describe the long-term and short-term characteristics of fuel consumption changes smoothly. The structure of the LSTM neural network is shown in Figure 2.
In the LSTM neural network, the input time series are xt−1, xt, xt+1; Transmission state that changes slowly: c; Fast changing transmission state: h; The predicted time series of output: yt−1, y t, yt+1; Gating state of forgetting gate, input gate and output gate: zf, zi, zo, and the input data are converted to between (0–1) through Sigmoid function; z converts the data at the corresponding time to between (−1–1) through the tanh activation function.
yt is the predicted result after normalization at time t, which can be obtained by Sigmoid activation by the product of W′ with the augmented matrix composed of ct and ht. W′ is the parameter matrix, and its parameter values will be updated during training iteratively. The specific formula is as follows:
c t = z f c t 1 + z i z
h t = z o tan h ( c t )
y t = sigmoid (   W ( c t | h t ) )
The formula refers to the operation of multiplying the corresponding elements of a matrix.
The application principle of neural network method in aircraft fuel consumption is relatively simple. The fuel consumption data from individual aircraft flight performance manuals and the related literature are introduced into the network. Through the iterative process of neural network, network performance data can be generated. This process is widely known as machine learning. When a large number of data resources can be provided, the network can accurately estimate the fuel consumption of aircraft during flight.

4. Result

4.1. Data Sources of Fuel Consumption

Data were extracted from four types of aircraft (A319, A320, A330, and A350). The fuel consumption data are extracted from the database of China Eastern Airlines Co., Ltd., which is used to develop the neural network model. Airbus A320 is a 150-seat airliner developed and produced by Airbus in Europe. It was the first commercial aircraft to use a digital fly-by-wire flight control system, and the first commercial airliner to relax its static stability design. The Airbus A319, a member of the Airbus A320 family, is a scaled-down version of the A320. Using the same fuel capacity as the A320-200 and a lower passenger capacity (124 passengers), this gives it a range of 3900 nautical miles (7200 km), the longest of the Airbus A320 models. Airbus A330 is a medium-long range, wide-body jet aircraft with high capacity, produced by Airbus Group in Europe in June 1987. It is designed to replace Airbus A300 and Airbus A310. Airbus A350 is a twin-engine long-range wide-body aircraft developed by European airbus company. It is a new generation of airbus series of medium and large medium to ultra-long range wide-body aircraft. It is the same as the A330 to replace the earlier Airbus A330 and A340 family models.
The flight manual consists of different charts that relate fuel consumption to flight performance parameters such as Mach number, altitude, weight, and atmospheric temperature conditions. The data retrieval program converts all digital maps into usable tabular data describing the aircraft’s performance in various flight conditions. Therefore, related factors affecting aircraft fuel consumption were obtained through flight manuals and the related literature. All data used in this study are from China Eastern Airlines Co., Ltd.

4.2. Design of Neural Network

In the process of designing an LSTM predictive neural network, the following steps should be paid attention to:
  • Select the neuronal transfer function suitable for this research,
  • The number of neurons in each layer,
  • Selection of loss function,
  • Selection of the number of hidden layers in neural network.
TensorFlow is a deep learning system developed by Google that provides a quick introduction to neural networks. TensorFlow is an interface for implementing machine learning algorithms, and a framework for implementing machine learning algorithms [13].
Multiple Layer Perceptron Network based on TensorFlow structures is a typical artificial neural network, has more vital generalization ability and self-learning ability. Multiple Layer Perceptron Network comprises multiple connection layers, including input layer, hidden layer, and output layer. The neurons in the network layer are connected with the neurons in the adjacent layer, but the neurons in the same layer are not connected. The fuel consumption analysis model built in this experiment takes air length, wind speed, distance, load, height, and other data information as the input variables of the system and takes the predicted value of fuel consumption as the output variables of the system (Figure 3). The quantitative relationship between input and output is established through machine learning analysis methods and practical tools, which provide a reference for predicting fuel consumption and effectively controlling fuel consumption.
Four flights of China Eastern Airlines Co., Ltd.: Chengdu-Lhasa (model: A319), Chengdu-Urumqi (model: A320), Chengdu-Lhasa (model: A330), and Chengdu-Sanya (model: A350) were adopted as the modeling object. Airbus A320 series is a single aisle short-range 150-seat class aircraft developed and produced by European Airbus company. The Airbus A319 is a scaled-down version of the Airbus A320 family. Airbus A330 is a high-capacity twin-aisle wide-body airliner produced by the European Airbus Group. The A350 is an improvement on the Airbus A330, mainly to increase range and reduce operating costs. The research institute information of China Eastern Airlines Co., Ltd. is used as the data source to obtain air length, wind speed, distance, industry load, altitude and other data characteristics. 372 pieces of data obtained from four types of aircraft inspection data from January 2021 to March 2021 were counted. The experimental data were divided into 75% training set and 25% test set according to random distribution.
The characteristic data of each dimension need to be standardized. Before constructing the model, the input feature data of each dimension is standardized to eliminate the order of magnitude difference between the extracted input feature data of each dimension. This way, it can avoid the increase of model error caused by different value ranges of input data. The standardized calculation formula of characteristic data is:
l ˜ w m = i w m l ¯ m σ m
In Equation:   l ˜ w m is the mth-dimensional standardized data of a real ship monitoring data w; i w m is the original value of the mth dimension of data w; σ m is the standard deviation of the mth-dimensional data of all training data. l ¯ m is the average value of all training data in the mth dimension.
The processing framework of fuel consumption analysis model based on TensorFlow neural network is shown in Figure 4 (Fuel consumption model processing framework).
The model’s predicted output is the fuel consumption, and the input of the model is six physical quantities processed by standardization. These six input characteristic quantities were shown in Table 1. The analysis model adopts the multi-layer perceptron network as shown in the figure, including six input layer nodes, one output layer node, and 2 hidden layers. In the LSTM neural network, each hidden layer of A319 contains 64 and 32 neurons, each hidden layer of A320 includes 90 and 32 neurons, and each hidden layer of A330 includes 90 and 32 neurons. Each hidden layer of the A330 includes 64 and 32 neurons. The hidden layer and the number of neurons in the hidden layer are determined by the nonlinear relationship between the data and multiple tests in the event.
The fuel consumption analysis model of airspeed was established based on the data of the training set. The error back propagation algorithm is used to adjust the undetermined parameters of the neural network model. Means Square Error (MSE) was used as the loss function, and Root Mean Square Prop (RMSProp) was used as the adaptive learning rate optimization algorithm.

4.3. Training the Network

To simplify the neural network model development and training analysis, the TensorFlow neural network model is adopted. TensorFlow is a second-generation machine learning system developed by Google. It overcomes the limitation that the first generation system which can only establish neural network algorithm. TensorFlow is a framework for implementing and executing machine learning algorithms in the form of TensorFlow on the Graph.
Throughout the project, several programs or templates were developed in TensorFlow to perform the following neural network calculations.
  • Training the Network,
  • Testing the trained model,
  • Realizing the forecast of aircraft fuel consumption.
For each of the four given aircraft types, the data was divided into a training set (75%) and a test set (25%). The training set is used to train the parameters of the neural network. In the training process of neural network, the following inputs are needed:
  • The number of input and output,
  • Input data,
  • Hidden layer and output layer is fixed,
  • The Maximum number of cycles per run,
  • Accuracy required in the training process.
In general, all programs developed in this section can be viewed as computational templates that are fully reusable for any number of aircraft. In this project, we modeled four different types of aircraft to verify the feasibility of using a neural network for data fuel consumption of different aircraft types.

4.4. Selection of Training Algorithms

LSTM is the most effective method in this study. The neural network used in fuel consumption model is a nonlinear optimization technology. The ultimate goal is to improve network performance so that accurate values can be predicted. In the network various weights are constantly changing, constantly output parameters. In each training operation, by means of a gradient descent principle, the error between the output of the network and the real value will become smaller and smaller until the goal of minimum error is reached.
LSTM method also has its own advantages and disadvantages. It has certain advantages in sequence modeling and has the function of long term memory.Simple to implement. The problems of gradient disappearance and gradient explosion in long sequence training are solved. However, it has disadvantages in parallel processing. Compared with some of the latest networks, the effect is mediocre.

4.5. Training Results

After iteration training, the data prediction analysis of the test set is obtained. In Figure 5, Figure 6, Figure 7and Figure 8, shows the blue line represents the fuel consumption data predicted by the model, and the red line represents the actual fuel consumption. The larger the vertical intercept of the two lines, the larger the prediction error. It can be seen from the figure that most of the daily fuel consumption predicted by the fuel consumption analysis model matches the actual results. It can be seen from Figure 5, Figure 6 and Figure 7 that the simulated data of A319 is closer to the real fuel consumption, while the values of A320 and A330 are only partially similar. The possible reason is that in the process of neural network training, the amount of data of A319 is much larger than that of A320 and A330, which leads to higher accuracy of the model trained by A319.
The accuracy of the test set data on the model is shown in Table 2. Combined with the fuel consumption of the test data, the average absolute error of the analysis model of fuel consumption is about 10.3%, 12.1%, 15.9%, and 16.5%. The analysis results show that the four models trained by LSTM neural network can predict fuel consumption more accurately.
In model training based on machine learning, the number of iterations can change model training. The number of iterations affects the accuracy of the prediction. After about 500 iterations, the error of A319 will not change significantly. A320 and A330 did not reach the appropriate error range in the iterative process. After about 250 times of A350, the training set and test set error began to close (Figure 9, Figure 10, Figure 11 and Figure 12).
The implementation of neural network model can be extended to various types of fast simulation models only with small adjustments. Compared with percentile method, neural network model method has less constraint and more accurate fuel consumption prediction. Schilling proved that the neural network method can be simulated under normal CPU consumption, which will improve the efficiency of the network [14]. In addition, this neural network method for predicting aircraft fuel consumption could be applied to a wider range of aircraft. By increasing the input dimension, more data features can be added to accurately predict aircraft fuel under different conditions.

5. Discussion

The selected LSTM neural network has certain credibility in predicting aircraft fuel. When determining the loading standard of PBCF of a assign flight, the predicted fuel amount of the neural network can be used as the assumed actual fuel amount to redefine PBCF.
The PBCF prediction method based on percentile level is more stable than that based on neural network. However, percentile method cannot determine the degree of influence of each flight parameter. Neural network is an artificial intelligence algorithm whose core idea is to predict aviation fuel consumption by modifying the weight of each parameter on fuel consumption. Because of the randomness of initial weight and threshold, the prediction performance of fuel quantity on route is unstable, and the calculation before and after will have great deviation. Neural network method has great potential in data input and can be greatly improved.
In general, the percentile grade-based PBCF prediction method has a high lower limit due to its simplicity and stability. However, the PBCF prediction method based on the neural network has great potential and a high upper limit because it can consider a various flight factors. Using the data owned by China Eastern Airlines Co., Ltd., the neural network method is more reliable by accumulating a large number of data, thus improving its upper and lower limits and potential.
Airlines have accumulated a lot of flight data in the process of operating the aviation industry. If these data are used effectively, they will become an effective asset of the airline company. However some studies have found that these data are not being used well. Therefore, the propose of this paper is use the flight data of aircraft to predict the flight fuel consumption. Enis T. Turgut established a statistically significant model to determine the impact of a specific glide Angle on aircraft fuel consumption during descent [10]. This paper discusses more possible effects on fuel consumption than Enis T. Turgut’s results. Gano B. Chatterji estimated fuel consumption based on actual flight trajectory data, resistance and fuel flow model [14]. Compared with the conclusion of Gano B. Chatterji, this method can continuously estimate fuel data of multiple routes. Tasos Nikoleris and Gano B. Chatterji compared the impact of descending track on fuel consumption by comparing different descending track [11]. Compared with the former, this paper used a large amount of historical data to make the conclusion more accurate.
With the development of circular economy, the requirement of carbon emission for aviation industry is getting attention. The proposal of carbon-neutral provisions such as the EU ETS and CORSIA shows that the world is taking action on aviation’s carbon emissions. The burning of aircraft fuel is the main component of aviation carbon emissions. Excessive aircraft fuel will increase the weight of the aircraft, and the load of the aircraft will increase the fuel consumption. Therefore adding excessive aircraft fuel will create excessive carbon emissions and waste energy.
This paper hopes to provide a set of standard forecasting methods for PBCF. This model only needs to modify the data of different models and the parameters of influencing factors to predict fuel consumption through network learning.

6. Conclusions and Limitations

In order to improve the economic efficiency of airlines and comply with the requirements of carbon emission policies. The study designed a accurate aircraft fuel forecasting model, thus reducing the waste of PBCF. Using the data characteristics provided by the aircraft performance manual and the data provided by China Eastern Airlines Co., Ltd., a representative neural network-assisted fuel consumption model was established. The fuel consumption of four aircraft types (A319, A320, A330, A350) is estimated by using this neural network. In setting up the neural network, different hidden layers and the number of neurons are designed for different types of aircraft, and the appropriate neural network can more predict the fuel more accurately for different kinds of aircraft. The predict results are compared with the actual fuel consumption energy and accurate in the possible fast simulation program.
Fuel consumption is modeled from the abundant flight data of airlines. Airlines have a tremendous amount of flight data. These flight data parameters are complete and high record density. In the experiment, these data are used to construct the neural network model and sufficient data can fully reflect the fuel consumption characteristics. The calculation results of the fuel consumption model of a neural network show that the model has good performance of a neural network, and the properly trained network is an accurate and efficient means to calculate the fuel consumption. The added benefit of this approach is that only aircraft’s flight performance is required to describe the complete fuel combustion behavior.
This experiment has additional significance. Accurate fuel prediction can bring economic benefits to airlines, and bring certain guiding significance for sustainable development and green economy. Reduce excess fuel carrying effectively avoid fuel waste and “fuel burning fuel” phenomenon. It promote the reduction of environmental pollution and waste of resources.
This study is favourable for calculating methods in fuel saving projects and it allows practitioners to understand specific fuel calculation methods. The study controls the amount of aircraft fuel required per flight. It also provides inspiration for enterprises to achieve sustainable and low carbon emission goals. Controlling fuel consumption reduces the potential environmental pollution and provides a foundation for the circular economy transformation of enterprises.
Although this model can accurately predict the fuel consumption of different models, there are still the following limitations that need to be improved:
The model includes six factors which influence the fuel consumption, such as Air length, Wind speed, Distance, Load, Height, and Others. However more factors need to be added, the addition of data features will result in a more accurate result.
The model includes the whole process of the flight. However the fuel consumption during the three stages (Take off, Climb out, and Cruise Phase) in the flight is different. Therefore, fuel consumption of Take off, Climb out, and Cruise Phase should be modeled respectively in the following three steps to obtain accurate data.

Author Contributions

Authors, L.L. and S.Y.; methodology, LSTM. Software, Jupyter nootebook; Validation: Y.T.; Resources: China Eastern airlines; Formal analysis, J.S.; Data curation, 6 November 2021; writing—original draft preparation, L.L.; Visualization, S.Y.; Supervision, Y.T.; All authors have read and agreed to the published version of the manuscript.

Funding

This research was funded by Educational Talents Program of Civil Aviation Administration of China, grant number No.14002600100019J104; Safety Capability Project of Civil Aviation Administration of China, grant number No.14002600100020J124 and Youth Foundation of Civil Aviation Flight University of China, grant number No.Q2019-087.

Institutional Review Board Statement

Not applicable.

Informed Consent Statement

Informed consent was obtained from all subjects involved in the study.

Data Availability Statement

China Eastern Technology Application Research and Development Center Co., LTD.

Conflicts of Interest

The authors declare no conflict of interest.

References

  1. Kerosene Price. OL. Available online: http://www.iata.org/whatwedo/economics/fuelMonitor/ (accessed on 25 October 2021).
  2. Department of Flight Standards, Civil Aviation Administration of China. Air Carrier Fuel Policy Optimization and Implementation Guide: AC-121-FS-136; Civil Aviation Administration of China: Beijing, China, 2019.
  3. Hsu, C.C.; Chen, C.Y. Regional load forecasting in Twaiwan-applications of artificial neural networks. Energy Convers. Manag. 2003, 44, 1941–1949. [Google Scholar] [CrossRef] [Green Version]
  4. U.S. Federal Aviation Administration. Aviation Environment Design Tool; U.S. Department of Transportation: Washington, DC, USA, 2017.
  5. Padmakumari, K.; Mohandas, K.P.; Thiruvengadam, S. Long term distribution demand forecasting using neural fuzzy computations. Electr. Power Energy Sysyems 1999, 21, 315–322. [Google Scholar] [CrossRef]
  6. Mohamed, Z.; Bodger, P. Forecasting electricity consumption in New Zealand using economic and demographic variables. Energy 2005, 30, 1833–1843. [Google Scholar] [CrossRef] [Green Version]
  7. Senzig, D.A.; Fleming, G.G.; Iovinelli, R.J. Modeling of Terminal-Area Airplane Fuel Consumption. J. Aircr. 2009, 46, 1089–1093. [Google Scholar] [CrossRef] [Green Version]
  8. Trani, A.; Wing-Ho, F.; Schilling, G.; Baik, H.; Seshadri, A. A Neural Network Model to Estimate Aircraft Fuel Consumption. In Proceedings of the Aviation Technology, Integration and Operations (ATIO) Forum, Chicago, IL, USA, 20–22 September 2004. [Google Scholar]
  9. Bartel, M. Simplified Thrust and Fuel Consumption Models for Modern Two-Shaft Turbofan Engines. J. Aircr. 2008, 45, 1450–1456. [Google Scholar] [CrossRef]
  10. Enis, T. Turgut.Estimating Aircraft Fuel Flow for a Three-Degree Flight Path Angle Descent. J. Aircr. 2011, 48, 1099–1106. [Google Scholar]
  11. Nikoleris, T.; Gano, B.; Chatterji, G.B. Comparison of Fuel Consumption of Descent Trajectories under Arrival Metering. J. Guid. Navig. Control Conf. 2012, 6, 1853–1864. [Google Scholar]
  12. Khadilkar, H.; Balakrishnan, H. Estimation of aircraft taxi fuel burn using flight data recorder archives. J. Transp. Res. Part D 2012, 17, 532–537. [Google Scholar] [CrossRef]
  13. Chen, G.; Ye, D.; Xing, Z.; Chen, J.; Cambria, E. Ensemble application of con- volutional and recurrent neural networks for multi-label text categorization. In Proceedings of the International Joint Conference on Neural Networks, Anchorage, AK, USA, 14–19 May 2017; IEEE: Piscataway, NJ, USA, 2017; pp. 2377–2383. [Google Scholar]
  14. Schilling, G. Modeling Fuel Consumption with a Neural Network; Virginia Polytechnic Institute and State University: Blacksburg, VA, USA, 1996. [Google Scholar]
Figure 1. Classic neural network.
Figure 1. Classic neural network.
Energies 14 07559 g001
Figure 2. LSTM neural network structure.
Figure 2. LSTM neural network structure.
Energies 14 07559 g002
Figure 3. Fuel consumption model processing framework.
Figure 3. Fuel consumption model processing framework.
Energies 14 07559 g003
Figure 4. Multi-layer perceptron network structure diagram.
Figure 4. Multi-layer perceptron network structure diagram.
Energies 14 07559 g004
Figure 5. A319 fuel consumption forecast.
Figure 5. A319 fuel consumption forecast.
Energies 14 07559 g005
Figure 6. A320 fuel consumption forecast.
Figure 6. A320 fuel consumption forecast.
Energies 14 07559 g006
Figure 7. A330 fuel consumption forecast.
Figure 7. A330 fuel consumption forecast.
Energies 14 07559 g007
Figure 8. A350 fuel consumption forecast.
Figure 8. A350 fuel consumption forecast.
Energies 14 07559 g008
Figure 9. A319 Variation of iteration number error.
Figure 9. A319 Variation of iteration number error.
Energies 14 07559 g009
Figure 10. A320 Variation of iteration number error.
Figure 10. A320 Variation of iteration number error.
Energies 14 07559 g010
Figure 11. A330 Variation of iteration number error.
Figure 11. A330 Variation of iteration number error.
Energies 14 07559 g011
Figure 12. A350 Variation of iteration number error.
Figure 12. A350 Variation of iteration number error.
Energies 14 07559 g012
Table 1. Six input characteristic quantities.
Table 1. Six input characteristic quantities.
NumberCharacteristic
1Air length
2Wind speed
3Distance
4Load
5Height
6Other
Table 2. Test the accuracy of the data set on the model.
Table 2. Test the accuracy of the data set on the model.
Fuel ConsumptionA319A320A330A350
Mean absolute error/t0.10320.12120.15950.1651
Mean square error/t0.66250.42990.3475−0.2718
Publisher’s Note: MDPI stays neutral with regard to jurisdictional claims in published maps and institutional affiliations.

Share and Cite

MDPI and ACS Style

Li, L.; Yuan, S.; Teng, Y.; Shao, J. A Study on Sustainable Consumption of Fuel—An Estimation Method of Aircraft. Energies 2021, 14, 7559. https://doi.org/10.3390/en14227559

AMA Style

Li L, Yuan S, Teng Y, Shao J. A Study on Sustainable Consumption of Fuel—An Estimation Method of Aircraft. Energies. 2021; 14(22):7559. https://doi.org/10.3390/en14227559

Chicago/Turabian Style

Li, Lisha, Shuming Yuan, Yue Teng, and Jing Shao. 2021. "A Study on Sustainable Consumption of Fuel—An Estimation Method of Aircraft" Energies 14, no. 22: 7559. https://doi.org/10.3390/en14227559

APA Style

Li, L., Yuan, S., Teng, Y., & Shao, J. (2021). A Study on Sustainable Consumption of Fuel—An Estimation Method of Aircraft. Energies, 14(22), 7559. https://doi.org/10.3390/en14227559

Note that from the first issue of 2016, this journal uses article numbers instead of page numbers. See further details here.

Article Metrics

Back to TopTop