You are currently viewing a new version of our website. To view the old version click .
Energies
  • Article
  • Open Access

28 May 2021

Fault-Tolerant Control Strategy with Asymmetric Phase Currents for Single to Four-Phase Open-Circuit Faults of Six-Phase PMSM

,
,
and
1
Science and Technology on Electromagnetic Compatibility Laboratory, China Ship Development and Design Centre, Wuhan 430064, China
2
Key Laboratory of Control of Power Transmission and Transformation, Department of Electrical Engineering, Shanghai Jiao Tong University, Shanghai 200240, China
3
School of Electric Engineering, Shanghai University of Electric Power, Shanghai 200090, China
*
Author to whom correspondence should be addressed.
This article belongs to the Section A: Sustainable Energy

Abstract

Multi-phase motors and generators are regarded with great fault tolerance capability, especially on open-circuit faults. Various mathematics analytical methods are applied for their fault control. In this paper, a fault-tolerant control strategy with asymmetric phase current for the open-circuit faults with arbitrary phases in the six-phase PMSM (six-phase permanent magnetic synchronous motor, 6P-PMSM) system, is proposed for better electrical and dynamical performance of the machine. An innovative mathematical model for PMSM under one to four-phase-open circuit faults are established considering the asymmetry of the machine. Combining with time-varying relations in machines’ working conditions, targeted decoupling transformation matrixes of every kind of open-circuit faults are settled by voltage equations under different faults. Modified control strategy with a connection between the neutral point and the inverter’s DC side is presented, which aims at increasing the system redundancy and reducing the amplitude of phase currents. Besides, improved control loops with two layers are put forward as well, with which the PMSM system acquires fewer harmonics in phase current and smoother electromagnetic torque. Simulation and experimental results of open-circuit faults are provided for verification of the theoretical analysis.

1. Introduction

With the development of power electronics, high power facilities have been regarded as the trend of electric drive and generator. Multi-phase motors thus are getting more and more attention [1,2]. Dual three-phase PMSM have more strengths of multi-phase electrical machines, including high power density, low torque fluctuation, improved fault tolerance and increased control objects as compared to other multi-phase electrical machines [3]. Among these advantages, improving fault tolerance is of great significance in terms of operation safety and power quality [4] of PMSM. To increase the reliability under one or several phases, open-circuit faults, innovations on system structure and control strategies are becoming new research trends [5,6,7,8,9,10].
In terms of multi-phase electrical machines, redundancy allows more types of faults happening [11]. Redundancy of PMSM is always realized by increasing windings or adopting the inverter with more switches combination which provides more control modes [12,13,14]. Except for reforms on windings and switch numbers, improvements of the machine structure are mainly aimed at two aspects. Changing the stator structure and winding distribution limits the short-circuit current and decreases the damage of circuit faults [12,15]. Optimizing the quantity and distribution of the slot changes the lumped parameters of the stator, while minimizes the mutual inductance and raises the independence of each phase [3].
Many novel control strategies are proposed for the fault tolerance of PM (permanent magnetic) machines. For open-circuit faults, the vanished currents in the open phases are expected to be rectified by the survived phase currents. New amplitudes and phases of the currents are settled with the undetermined coefficient method and other correlative algorithms [16,17,18,19,20,21]. Alternatively, with decoupling transformation, currents are transferred to field-oriented and field-orthogonal directions [22,23] and reshaped according to the dynamic and electromagnetic performance [24,25]. Common shortages of these control strategies are harmonics and torque ripples generated by the machine asymmetry under faults, which reflects the conflicts between the complex condition of the machine and the simplification of the analysis model.
This paper mainly focuses on control strategies innovation. Considering the asymmetric working condition of the machines under open-circuit faults, some time-varying contents could be added into the mathematical model of the PM machines, which will increase the flexibility and accuracy of the fault-tolerant control. Besides, an improvement on the decoupling method could help the torque, power, and to be controlled more independently, which could be realized by adjustment of transformation matrixes and current loop structure.
In this paper, a novel fault-tolerant control strategy is introduced, which takes account of model simplification and control effects. Based on the optimal phase current solutions under one to four-phase open-circuit faults, decoupling transformation matrixes from every phase to static and rotating coordinates are recalculated and reselected. Meanwhile, a subsystem for harmonics suppression is established. Modifications in the current loop structure have been proposed by taking into consideration the periodic asymmetry of the machine under faults. A simulation model with MATLAB/Simulink and experimental platform are built separately for proving that the proposed fault-tolerant control strategy can response to the open faults in any number of phases under four in 6P-PMSM.

3. Subspace for Harmonics Suppression

With the decentralized distribution of windings, there are always fifth, seventh and harmonics with other times in the phase currents. To eliminate these harmonics, the subspace aimed at separating and suppressing them is established. Harmonics should meet several conditions: (1) They exist in all the phases except the open ones. (2) The time integrals of them on the d-q axes are 0. (3) They satisfy the current restrictions of the PMSM system. Therefore, if the vector Z representing the subspace which contains six components is created, combining the three conditions, the elements in the column of open phases are 0. Besides, vector Z should be orthogonal to the matrix C2s/6s:
C 2 s / 6 s   Z = 0 0
The subspace should also meet the corresponding current restriction to the kind of fault, including (5) and (13). The restriction of the vector length is added in place of the copper loss minimization condition (6):
Z   = S
where S is the length value which should be near the values of all the rows of the static coordinate transfer matrix. Cases of three phases open are divided by different control strategies. Under the control strategy with the neutral point current, (15) is also needed. While, under control strategy without the neutral point current, the unique solution of the matrix Z is zero vector. When a four-phase open fault happens, the solution of elements in the matrix is nonexistent. Therefore, in these cases, the subspace can be canceled. With the above conditions, vector Z of any possible open circuit fault type can be confirmed. Values of matrix Z under one and two-phase-open fault and the three-phase-open fault with neutral point current are shown in Table 8.
Table 8. Matrix Z under One to Three-Phase-Open Fault Cases.
According to the above analysis, the tolerant control strategy with harmonics elimination is shown in Figure 5. Z+ is the pseudo-inverse matrix of Z. The part in the red box is applied with traditional PI control, which will be introduced in the next Section 4 in detail.
Figure 5. Tolerant control strategy with harmonics elimination.

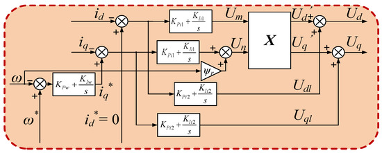
4. Dual Current Loops for Deeping Decoupling

For the traditional current control, two current loops are set for id and iq separately. According to the voltage equations in (9), the current control diagram under multi-phase open circuit fault should be as Figure 6.
Figure 6. Traditional current control.
The control strategy in Figure 6 ignores the monomials which contain Rs and Ll. Therefore, the equations are always incompletely decoupled and the torque current iq is unstable which makes the electromagnetic torque unable to balance the load torque all the time. It reflects in that the rotating speed, as well as id and iq fluctuate in a non-negligible range.
To eliminate the bad influences caused by the incomplete decoupling, an improved strategy for more complete decoupling of the current equations is designed as shown in Figure 7.
Figure 7. Dual current loops control.
Instead of decoupling the whole voltages with matrix X, the new strategy divides the voltages Ud, Uq, and Uz into the time-varying part and the time-invariant part, which correspond to the monomials with X and the monomials without X in (9). For the values of these two parts are independent, the parameters in different layers of PI controllers should be linear independent, which makes the outputs of the inner and outer layers the unique solutions corresponding to the time-varying and time-invariant parts of the d-q voltages.
The improved strategy sets two layers in the current loops, which could be called dual current loops. Taking id as an example, the inner loop that acquires Um is multiplied with the time-varying matrix X, and the outer loop that acquires the voltage Udl is added directly to the output of the inner loop. The sum of the two parts is much closer to the accurate value of Ud than that from the traditional current loop.
Taken the difference between the real value and reference value of the electrical speed as the system output, and the load torque as the input, the block diagram could be simplified into Figure 8. G1(s), G2(s) and G3(s) are the simplified transfer functions which are relevant to the parameters of PMSM. Thus, the open-loop transfer function of the PMSM system could be expressed as:
G s y s ( s ) = Δ ω T L = G 3 ( G 1 + 1 ) ( G 1 + 1 ) + G 3 G 2 G 1 ( K P w + K I w s )
Figure 8. The transfer function of rotating speed.
If the control strategy in Figure 6 is applied, with parameters in Table 8, the root locus is shown in Figure 9a, which moves by the change of the phase leakage inductance Ll.
Figure 9. Root locus. (a) Traditional current control. (b) Dual current loops control.
If the control strategy in Figure 7 is applied, G1(s) for the time-varying and time-invariant parts are different. For the time-varying part, it is expressed as G11(s) while for the time-invariant part is G12(s).
G 11 ( s ) = K P i 1 s + K I i 1 L q s 2 G 12 ( s ) = K P i 2 s + K I i 2 L l s 2 + R s s
For the time-varying part, the roots are independent of Ll so it is always stable. For the time-invariant part, the roots move by the change of Ll which is shown in Figure 9b.
As can be seen in Figure 9, when the phase leakage inductance Ll increases and exceeds a specific value, the system tends to be unstable. Even if the Ll is small, root locus has some circles and discrete poles around the second harmonic points (0, ±j2ω*) on the imaginary axis, which means there will be a rotating speed fluctuation at 2ω* without attenuation no matter how small the phase leakage inductance is. Comparatively, the dual current loops control is much improved. By increasing Ll, all root locus is at the left of the imaginary axis, which means the system is always stable. Additionally, there are no pole points on the imaginary axis, which means the speed fluctuations can be eliminated with proper control parameters.

5. Simulation and Experimental Results

To verify the effectiveness of the fault-tolerance control for multiphase open circuit, simulation and experimental studies are carried out. Table 9 shows the simulation parameters of the PMSM system shown in Figure 2.
Table 9. Parameters of Simulation.
Figure 10 shows the waveforms of phase currents, d-q currents, speed and electromagnetic torque in different faults and situations. The transfer time is 1.0 s. Figure 10a–d is from normal operation to four-phase open-circuit faults which are controlled with dual current control. Figure 10e is the waveforms from two-phase to three-phase open-circuit fault with traditional current loop control, which displays the comparison of waveforms with the two kinds of current control introduced in Section 4. Figure 10f displays the moment of changing control strategy from the one without neutral point current to the one with neutral point current under the three-phase open-circuit fault.
Figure 10. Simulation results. (a) From normal operation to Phase f open fault with dual current loops control. (b) From Phase f open to Phases e, f open fault with dual current loops control. (c) From Phases e, f open to Phases c, e, f open fault with dual current loops control. (d) From Phases c, e, f open fault without neutral point current to Phases c, d, e, f open fault with dual current loops control. (e) From Phases e, f open to Phases c, e, f open fault with traditional current control. (f) Phases c, e, f open fault from “no-neutral-current strategy” to “neutral-current strategy” with dual current loops control.
According to Figure 10, when the number of open phase increases, with the tolerant control, phase currents changes in terms of amplitude and phase position, maximum of phase currents rises for providing the same torque with one phase less, rotating speed fluctuation grows with the reason that asymmetry of the PMSM is aggravated. Compared with the traditional current control, phase currents have much fewer harmonics and approach to sine waves, and the torque fluctuation is suppressed apparently.
The neutral point current is taken into the system when the four-phase open fault-tolerant control or the special three-phase open fault-tolerant control starts. However, when there is a neutral point current in the system, harmonics of high frequency in phase currents increase within a little scale. That is because the inductance of PMSM loses the current filtering effect of neutral point current part whose high-frequency contents are generated by the inverters. Generally, control effects reflected in the simulation results achieve the desired targets and coincide with the theoretical analysis.
Taken Phases c, e, f open fault with no neutral point current as an example, harmonics analysis of Phase a current is shown as Figure 11. The picture above is under traditional current control while the below is under dual current loops control. With the dual current loops control, the third, fifth and seventh harmonics are suppressed apparently, and the total harmonics distortion (THD) are decreased from 15.02% to 2.80%, which verifies the effectiveness of the current control.
Figure 11. Harmonics analysis of phase a current under the two kinds of current control.
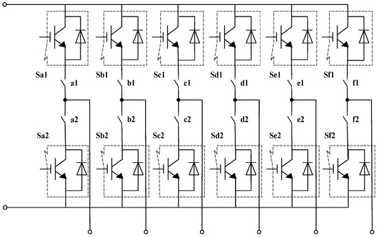
An experimental platform is designed as shown in Figure 12.
Figure 12. The PMSM experimental system.
The 6P-PMSM with three pole pairs are connected to another same PMSM, which works as a generator with three power resistors of 10 Ω as the load. Two three-phase inverters are controlled by the digital controller of TMS320F28335 DSP. The experimental system is charged by a 340 V DC source which can provide the power of 3.4 kW at most. Combining the power of the DC source and the PMSM, electric speed reference of the PMSM are set as 500 r/min.
The phase currents and the corresponding id and iq under the one to four-phase open fault with dual current loops control in Figure 7 are shown in Figure 13. The phase currents of PMSM are almost the same as the relative phase position and amplitude in simulation results. Small differences between the experiment and simulation results are caused by the inevitable measurement errors of rotor position and deviation between the mathematical model and the experimental facility.
Figure 13. Experimental results under dual current loops control: (a) Phase f open fault. (b) Phases e and f open fault. (c) Phases c, e and f open fault without neutral point current. (d) Phases c, e and f open fault with neutral point current. (e) Phases c, d, e and f open fault.
When the PMSM works as 500 r/min, the normal phase currents are about 5.6 A. Hence, to protect the facility, the maximum phase current under different fault cases is limited to 8.5 A. According to the analysis in Section 5, maximum of phase currents rises for providing the same torque with the phases less, so with the fixed phase current limit, the output torque of the PMSM decreases as the working phases reduce. According to (11), the torque is proportional to iq, so iq decreases as well. Figure 13c,d are the experimental results under three-phase open fault with the different control strategies. Figure 13c is without the neutral point current and Figure 13d is with the neutral point current, which outputs the same torque. As can be seen, the amplitude of phase currents in Figure 13d is much smaller than that in Figure 13c, which proves the reduction effect on the phase currents of the strategy with neutral point current. Figure 13e is the waveforms under four-phase open fault with the neutral point current. Compared with the three-phase open fault with the neutral point current, the amplitude of phase currents increases, which proves the analysis and the simulation result as well.
The distortions in the phase currents and the fluctuations in id and iq are mainly caused by the saliency of the motor poles. The theoretical analysis is based on the condition of the non-salient PMSM system. Therefore, according to (9), the coefficients of the differential term in ud and uq are the same, which decides the PI parameters of id and iq are the same. However, the PMSM in the experiment is with the salient poles, which will cause the fluctuations in id and iq as well as the distortions in the phase currents. These phenomena can be relieved by applying the PMSM with less saliency or adapting the PI parameters according to the specific Ld and Lq of the experimental PMSM.
Figure 14 shows the experimental results of Phases c, e and f open fault under two kinds of control, where Figure 14a is using dual current loops control and Figure 14b is using traditional current control. We can see that the speed is more stable under dual current loops control.
Figure 14. Experimental results of Phases c, e and f open fault under two kinds of control: (a) Dual current loops control. (b) Traditional current control.

6. Conclusions

In this paper, tolerant control strategies under one to four phases open circuit faults in a 6P-PMSM system are proposed. To maintain the output torque stable, the optimal solution of phase currents under different faults are found, which are changed in both amplitude and phase position. Matrix X representing the asymmetry of the PMSM under all kinds of one to four-phase open circuit faults are calculated, which improves the decoupling and current loop control. Besides, to solve the problem of incomplete decoupling caused by stator resistance and leakage inductance, dual current loops control is proposed. By stability analysis, the innovative control strategy is proved to realize more complete decoupling and increase system reliability. With the series of tolerant control strategies, PMSM can output stable electromagnetic torque and phase current with little THD under one to three-phase-open faults without connection and four-phase open with the connection between the neutral point of PMSM and the midpoint of the inverter’s DC side. Simulation and experiment are built which can not only verify better fault tolerant control strategy to realize the high-performance control of PMSM, but also achieve motor’s smooth operation for single to four phases open circuit faults in asymmetric operation state.
In the future, due to the small amount of calculation and strong practicability, the control method can be widely used in the driving system of aerospace related equipment, large-capacity offshore wind power generation in the field of energy, EMU motors in the field of transportation, ship driving system and other aspects.

Author Contributions

Conceptualization, C.H.; methodology, L.Z.; formal analysis, Z.C.; investigation, G.Y. All authors have read and agreed to the published version of the manuscript.

Funding

This work was supported by the National Natural Science Foundation of China (NSFC) under Grant 52077135, and Shanghai Natural Science Foundation (SNSF) under Grant 18ZR1418400.

Institutional Review Board Statement

Not applicable.

Data Availability Statement

Data sharing not applicable.

Conflicts of Interest

The authors declare no conflict of interest.

References

  1. Levi, E. Multiphase Electric Machines for Variable-Speed Applications. IEEE Trans. Ind. Electron. 2008, 55, 1893–1909. [Google Scholar] [CrossRef]
  2. Levi, E. Advances in Converter Control and Innovative Exploitation of Additional Degrees of Freedom for Multiphase Machines. IEEE Trans. Ind. Electron. 2016, 63, 433–448. [Google Scholar] [CrossRef]
  3. Cao, W.; Mecrow, B.C.; Atkinson, G.J.; Bennett, J.W.; Atkinson, D.J. Overview of Electric Motor Technologies Used for More Electric Aircraft (MEA). IEEE Trans. Ind. Electron. 2012, 59, 3523–3531. [Google Scholar]
  4. Jin, N.; Hu, S.; Gan, C.; Ling, Z. Finite States Model Predictive Control for Fault Tolerant Operation of Three-Phase Bidirectional AC/DC Converter Under Unbalanced Grid Voltages. IEEE Trans. Ind. Electron. 2017, 65, 819–829. [Google Scholar] [CrossRef]
  5. Chen, Q.; Liu, G.; Zhao, W.; Sun, L.; Shao, M.; Liu, Z. Design and Comparison of Two Fault-Tolerant Interior-Permanent-Magnet Motors. IEEE Trans. Ind. Electron. 2014, 61, 6615–6623. [Google Scholar] [CrossRef]
  6. Mecrow, B.C.; Jack, A.G.; Atkinson, D.J.; Green, S.R.; Atkinson, G.J.; King, A.; Green, B. Design and testing of a four-phase fault-tolerant permanent-magnet machine for an engine fuel pump. IEEE Trans. Energy Convers. 2004, 19, 671–678. [Google Scholar] [CrossRef]
  7. Barcaro, M.; Bianchi, N.; Magnussen, F. Faulty Operations of a PM Fractional-Slot Machine with a Dual Three-Phase Winding. IEEE Trans. Ind. Electron. 2011, 58, 3825–3832. [Google Scholar] [CrossRef]
  8. Zhao, W.; Cheng, M.; Chau, K.T.; Cao, R.; Ji, J. Remedial Injected-Harmonic-Current Operation of Redundant Flux-Switching Permanent-Magnet Motor Drives. IEEE Trans. Ind. Electron. 2013, 60, 151–159. [Google Scholar] [CrossRef]
  9. Freire, N.M.A.; Cardoso, A.J.M.; Fault-Tolerant, A. Direct Controlled PMSG Drive for Wind Energy Conversion Systems. IEEE Trans. Ind. Electron. 2014, 61, 821–834. [Google Scholar] [CrossRef]
  10. Durán, M.J.; Prieto, J.; Barrero, F. Space Vector PWM With Reduced Common-Mode Voltage for Five-Phase Induction Motor Drives Operating in Overmodulation Zone. IEEE Trans. Power Electron. 2013, 28, 4030–4040. [Google Scholar] [CrossRef]
  11. Mohammadpour, A.; Parsa, L. Global Fault-Tolerant Control Technique for Multiphase Permanent-Magnet Machines. IEEE Trans. Ind. Appl. 2015, 51, 178–186. [Google Scholar] [CrossRef]
  12. Jiang, X.; Li, Q.; Huang, W.; Cao, R.; Dual-Winding, A. Fault-Tolerant Motor Drive System Based on the Redundancy Bridge Arm. IEEE Trans. Ind. Electron. 2019, 66, 654–662. [Google Scholar] [CrossRef]
  13. Tousizadeh, M.; Che, H.S.; Selvaraj, J.; Rahim, N.A.; Ooi, B. Performance Comparison of Fault-Tolerant Three-Phase Induction Motor Drives Considering Current and Voltage Limits. IEEE Trans. Ind. Electron. 2019, 66, 2639–2648. [Google Scholar] [CrossRef]
  14. Druant, J.; Vyncke, T.; de Belie, F.; Sergeant, P.; Melkebeek, J. Adding Inverter Fault Detection to Model-Based Predictive Control for Flying-Capacitor Inverters. IEEE Trans. Ind. Electron. 2015, 62, 2054–2063. [Google Scholar] [CrossRef]
  15. Arumugam, P.; Hamiti, T.; Brunson, C.; Gerada, C. Analysis of Vertical Strip Wound Fault-Tolerant Permanent Magnet Synchronous Machines. IEEE Trans. Ind. Electron. 2014, 61, 1158–1168. [Google Scholar] [CrossRef]
  16. Zhao, W.; Cheng, M.; Hua, W.; Jia, H.; Cao, R. Back-EMF Harmonic Analysis and Fault-Tolerant Control of Flux-Switching Permanent-Magnet Machine with Redundancy. IEEE Trans. Ind. Electron. 2011, 58, 1926–1935. [Google Scholar] [CrossRef]
  17. Bianchi, N.; Bolognani, S.; Pre, M.D. Strategies for the Fault-Tolerant Current Control of a Five-Phase Permanent-Magnet Motor. IEEE Trans. Ind. Appl. 2007, 43, 960–970. [Google Scholar] [CrossRef]
  18. Wang, X.; Zhong, Q.; Deng, Z.; Yue, S. Current-Controlled Multiphase Slice Permanent Magnetic Bearingless Motors with Open-Circuited Phases: Fault-Tolerant Controllability and Its Verification. IEEE Trans. Ind. Electron. 2012, 59, 2059–2072. [Google Scholar] [CrossRef]
  19. Bennett, J.W.; Atkinson, G.J.; Mecrow, B.C.; Atkinson, D.J. Fault-Tolerant Design Considerations and Control Strategies for Aerospace Drives. IEEE Trans. Ind. Electron. 2012, 59, 2049–2058. [Google Scholar] [CrossRef]
  20. Che, H.S.; Duran, M.; Levi, E.; Jones, M.; Hew, W.P.; Rahim, N.A. Post-fault operation of an asymmetrical six-phase induction machine with single and two isolated neutral points. In Proceedings of the 2013 IEEE Energy Conversion Congress and Exposition, Denver, CO, USA, 15–19 September 2013; pp. 1131–1138. [Google Scholar]
  21. Munim, W.N.W.A.; Duran, M.J.; Che, H.S.; Bermúdez, M.; González-Prieto, I.; Rahim, N.A.; Unified, A. Analysis of the Fault Tolerance Capability in Six-Phase Induction Motor Drives. IEEE Trans. Power Electron. 2017, 32, 7824–7836. [Google Scholar] [CrossRef]
  22. Liu, Y.; Stettenbenz, M.; Bazzi, A.M. Smooth Fault-Tolerant Control of Induction Motor Drives with Sensor Failures. IEEE Trans. Power Electron. 2018, 34, 3544–3552. [Google Scholar] [CrossRef]
  23. Stettenbenz, M.; Liu, Y.; Bazzi, A. Smooth switching controllers for reliable induction motor drive operation after sensor failures. In Proceedings of the 2015 IEEE Applied Power Electronics Conference and Exposition (APEC), Charlotte, CA, USA, 15–19 March 2015; pp. 2407–2411. [Google Scholar]
  24. Lim, C.; Levi, E.; Jones, M.; Rahim, N.A.; Hew, W. A Fault-Tolerant Two-Motor Drive with FCS-MP-Based Flux and Torque Control. IEEE Trans. Ind. Electron. 2014, 61, 6603–6614. [Google Scholar] [CrossRef]
  25. Guzman, H.; Duran, M.J.; Barrero, F.; Bogado, B.; Toral, S. Speed Control of Five-Phase Induction Motors with Integrated Open-Phase Fault Operation Using Model-Based Predictive Current Control Techniques. IEEE Trans. Ind. Electron. 2014, 61, 4474–4484. [Google Scholar] [CrossRef]
Publisher’s Note: MDPI stays neutral with regard to jurisdictional claims in published maps and institutional affiliations.

Article Metrics

Citations

Article Access Statistics

Multiple requests from the same IP address are counted as one view.