FPGA-Based System for Electromagnetic Interference Evaluation in Random Modulated DC/DC Converters
Abstract
1. Introduction
2. FPGA-Based Systems Design
2.1. FPGA Hardware
2.2. PWM Modulator Algorithm
2.3. Random Number Generator
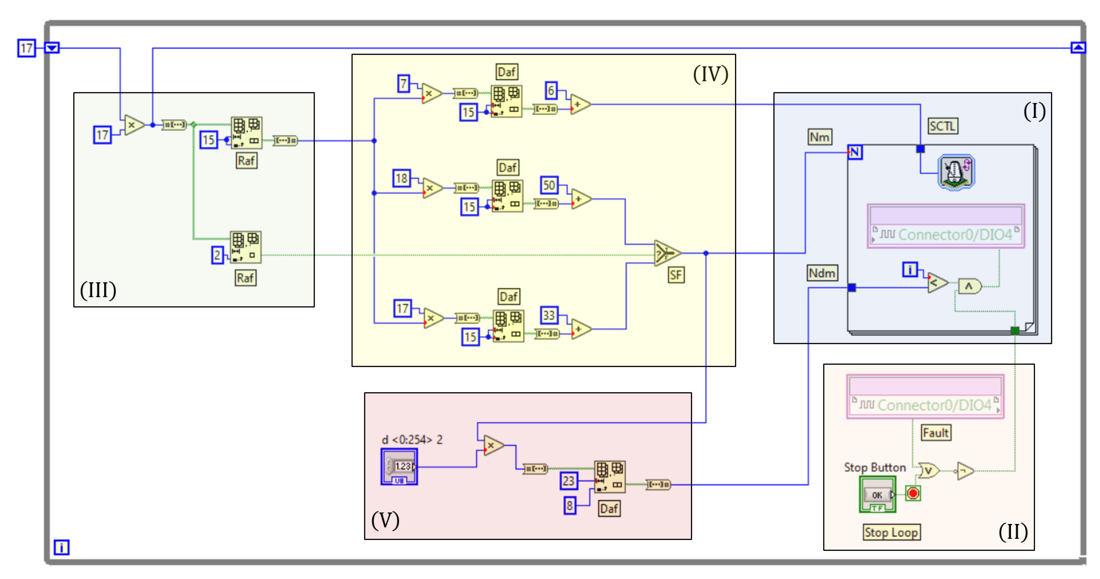
2.4. FPGA Implementation
2.4.1. Single Randomization
2.4.2. RanM with —Additional Randomization
2.4.3. RanM2—Split Distribution of Variable
2.4.4. RanM2 with
3. Experimental Results
4. Discussion and Analysis of Results
5. Conclusions
Author Contributions
Funding
Conflicts of Interest
Abbreviations
| AV | Average |
| DetM | Deterministic Modulation |
| DSP | Digital Signal Processors |
| EMC | ElectroMagnetic Compatibility |
| EMI | ElectroMagnetic Interference |
| FPGA | Filed-Programmable Gate Array |
| HSF | Harmonic Spread Factor |
| LGG | Linear Congruential Generator |
| LISN | Line Impedance Stabilization Network |
| Probability Density Function | |
| QP | Quasi Peak |
| PWM | Pulse-Width Modulation |
| RanM | Pseudo-Random Modulator |
References
- Estrela, V.V.; Saotome, O.; Loschi, H.J.; Hemanth, J.; Farfan, W.S.; Aroma, J.; Saravanan, C.; Grata, E.G. Emergency response cyber-physical framework for landslide avoidance with sustainable electronics. Technologies 2018, 6, 42. [Google Scholar] [CrossRef]
- Smoleński, R. Selected conducted electromagnetic interference issues in distributed power systems. Bull. Pol. Acad. Sci. Tech. Sci. 2009, 57, 383–393. [Google Scholar] [CrossRef][Green Version]
- Peng, Q.; Jiang, Q.; Yang, Y.; Liu, T.; Wang, H.; Blaabjerg, F. On the Stability of Power Electronics-Dominated Systems: Challenges and Potential Solutions. IEEE Trans. Ind. Appl. 2019, 55, 7657–7670. [Google Scholar] [CrossRef]
- Yuan, B.; Liu, M.X.; Ng, W.T.; Lai, X.Q. Hybrid Buck Converter With Constant Mode Changing Point and Smooth Mode Transition for High-Frequency Applications. IEEE Trans. Ind. Electron. 2019, 67, 1466–1474. [Google Scholar] [CrossRef]
- Arunkumari, T.; Indragandhi, V. An overview of high voltage conversion ratio DC-DC converter configurations used in DC micro-grid architectures. Renew. Sustain. Energy Rev. 2017, 77, 670–687. [Google Scholar] [CrossRef]
- Loschi, H.; Ferreira, L.; Nascimento, D.; Cardoso, P.; Carvalho, S.; Conte, F. EMC Evaluation of Off-Grid and Grid-Tied Photovoltaic Systems for the Brazilian Scenario. J. Clean Energy Technol. 2018, 6, 125–133. [Google Scholar] [CrossRef]
- Bojarski, J.; Smolenski, R.; Lezynski, P.; Sadowski, Z. Diophantine equation based model of data transmission errors caused by interference generated by DC-DC converters with deterministic modulation. Bull. Pol. Acad. Sci. Tech. Sci. 2016, 64, 575–580. [Google Scholar] [CrossRef]
- Lezynski, P. Random modulation in inverters with respect to electromagnetic compatibility and power quality. IEEE J. Emerg. Sel. Top. Power Electron. 2017, 6, 782–790. [Google Scholar] [CrossRef]
- Kubík, Z.; Skála, J. Electromagnetic Interference from DC/DC Converter of Photovoltaic System. In Proceedings of the International Conference on Applied Electronics (AE), Pilsen, Czech Republic, 15 April 2019; pp. 1–4. [Google Scholar]
- Lezynski, P.; Smolenski, R.; Loschi, H.; Thomas, D.; Moonen, N. A novel method for EMI evaluation in random modulated power electronic converters. Measurement 2020, 151, 107098. [Google Scholar] [CrossRef]
- National Instruments Corporation, Multifunction RIO, NI R Series Multifunction RIO User Manual NI 781xR, NI 783xR, Ni 784xR, and NI 785xR Devices. Technical Report 370489G-01 . June 2009. Available online: https://www.ni.com/pdf/manuals/370489g.pdf (accessed on 8 May 2020).
- Lai, Y.S.; Chen, B.Y. New random PWM technique for a full-bridge DC/DC converter with harmonics intensity reduction and considering efficiency. IEEE Trans. Power Electron. 2013, 28, 5013–5023. [Google Scholar] [CrossRef]
- Chatterjee, S.; Garg, A.K.; Chatterjee, K.; Kumar, H. Chaotic PWM spread spectrum scheme for conducted noise mitigation in DC-DC converters. In Proceedings of the International Conference on Energy, Power and Environment: Towards Sustainable Growth, Shillong, India, 12 June 2015; pp. 1–6. [Google Scholar]
- Marsala, G.; Ragusa, A. Spread spectrum in random PWM DC-DC converters by PSO&GA optimized randomness levels. In Proceedings of the 5th International Symposium on Electromagnetic Compatibility (EMC-Beijing), Beijing, China, 28–31 October 2017; pp. 1–6. [Google Scholar]
- Gamoudi, R.; Chariag, D.E.; Sbita, L. A Review of Spread-Spectrum-Based PWM Techniques—A Novel Fast Digital Implementation. IEEE Trans. Power Electron. 2018, 33, 10292–10307. [Google Scholar] [CrossRef]
- Liou, W.R.; Villaruza, H.M.; Yeh, M.L.; Roblin, P. A digitally controlled low-EMI SPWM generation method for inverter applications. IEEE Trans. Ind. Inform. 2013, 10, 73–83. [Google Scholar] [CrossRef]
- Jing, H.; Weiying, Z.; Jinhong, L. Study on improving EMC of APFC converter with chaotic spread-spectrum technique. In Proceedings of the 2nd Advanced Information Technology, Electronic and Automation Control Conference, Chongqing, China, 25–26 March 2017; pp. 433–437. [Google Scholar]















| Component/Function | Specification |
|---|---|
| Transistors type | IXGH40N60C2D1 |
| (max) | 40 A |
| 40 ns | |
| 180 ns | |
| Transistor Gate Drivers | HCPL-316J |
| Converter Power | 1800 W (max) |
| DC capacitors | 1500 μF |
| Max DC voltage | 450 V |
| Load | sliding resistor 320 Ω (max), 1.5 A (max) |
© 2020 by the authors. Licensee MDPI, Basel, Switzerland. This article is an open access article distributed under the terms and conditions of the Creative Commons Attribution (CC BY) license (http://creativecommons.org/licenses/by/4.0/).
Share and Cite
Loschi, H.; Lezynski, P.; Smolenski, R.; Nascimento, D.; Sleszynski, W. FPGA-Based System for Electromagnetic Interference Evaluation in Random Modulated DC/DC Converters. Energies 2020, 13, 2389. https://doi.org/10.3390/en13092389
Loschi H, Lezynski P, Smolenski R, Nascimento D, Sleszynski W. FPGA-Based System for Electromagnetic Interference Evaluation in Random Modulated DC/DC Converters. Energies. 2020; 13(9):2389. https://doi.org/10.3390/en13092389
Chicago/Turabian StyleLoschi, Hermes, Piotr Lezynski, Robert Smolenski, Douglas Nascimento, and Wojciech Sleszynski. 2020. "FPGA-Based System for Electromagnetic Interference Evaluation in Random Modulated DC/DC Converters" Energies 13, no. 9: 2389. https://doi.org/10.3390/en13092389
APA StyleLoschi, H., Lezynski, P., Smolenski, R., Nascimento, D., & Sleszynski, W. (2020). FPGA-Based System for Electromagnetic Interference Evaluation in Random Modulated DC/DC Converters. Energies, 13(9), 2389. https://doi.org/10.3390/en13092389

