Novel Soft-Switching Integrated Boost DC-DC Converter for PV Power System
Abstract
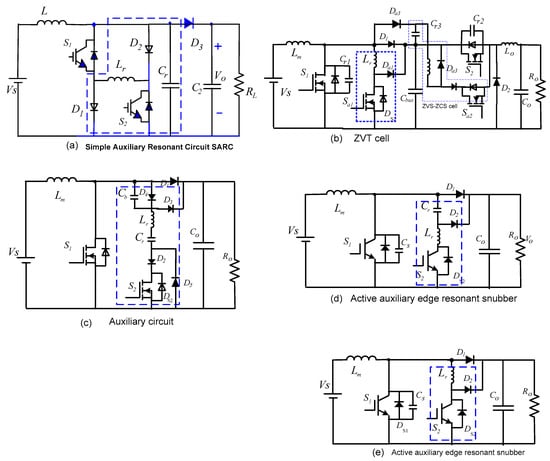
1. Introduction
- (1)
- (2)
- The auxiliary circuits increase the complexity of the system because they consist of several active and passive components. Moreover, the auxiliary semiconductor switches require a floating gate drive.
- (3)
- The elements of auxiliary circuits suffer from a higher voltage and current stresses.
- (4)
- The conduction losses are high in auxiliary circuit components [14].
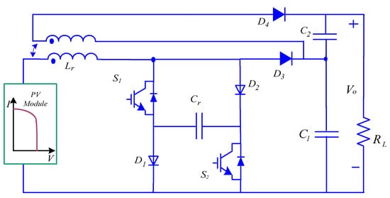
2. Design of the Circuit
- (1)
- Higher step-up voltage gain can be obtained due to the occurrence of edge resonance formed by elements Lr and Cr.
- (2)
- Power losses are reduced due to soft-switching operation; this improves efficiency.
- (3)
- ER-SC involves a module or modules as the basis of a configurable design by simple circuit construction and H-bridge IGBT module.
- (4)
- The current participation operation is obtainable between S1 and S2, which is efficient for the applications that have high current input.
- (5)
- The PWM gate signal for S1 and S2 can be general; thereafter, the gate driver circuits are simpler than that for the conventional converter.
3. Principle of Operation
3.1. Interval 1: to ≤ t < t1 (S1 and S2: ON, D1, D2, and D3: OFF)
3.2. Interval 2: (S1 and S2: ON, D1, and D2: ON and D3: OFF); t1 ≤ t < t2
3.3. Interval 3: (S1 and S2: OFF, D2, and D1: ON and D3: OFF); t2 ≤ t < t3
3.4. Interval 4: (S1 and S2: OFF, D2, and D1: ON and D3: ON); (t3 ≤ t ≤ t4)
3.5. Interval 5: (S1 and S2: OFF, D1 D2: OFF and D3: ON); (t4 ≤t ≤t5)
4. Analysis of Gain Voltage of the Converter
5. Circuit of Control
6. Experimental Results
7. Power Loss Analyses
8. Conclusions
Author Contributions
Funding
Conflicts of Interest
References
- Lopez-Lapena, O.; Teresa Penella, M.; Gasulla, M. A New MPPT Method for Low-Power Solar Energy Harvesting. IEEE Trans. Ind. Electron. 2010, 57, 3129–3138. [Google Scholar] [CrossRef]
- Aghazadeh, H.; Kojabadi, H.; Yazdankhah, A. Stand-alone PV generation system with maximum power point tracking. In Proceedings of the 9th IEEE International Conference on Environment and Electrical Engineering, Prague, Czech Republic, 16–19 May 2010. [Google Scholar]
- Kadri, R.; Gaubert, J.-P.; Champenois, G. Nondissipative string current diverter for solving the cascaded dc–dc converter connection problem in photovoltaic power generation system. IEEE Trans. Power Electron. 2012, 27, 1249–1258. [Google Scholar] [CrossRef]
- Das, M.; Agarwal, V. Design and analysis of a high-efficiency dc–dc converter with soft switching capability for renewable energy applications requiring high voltage gain. IEEE Trans. Power Electron. 2016, 63, 2936–2944. [Google Scholar] [CrossRef]
- Choi, H.-S.; Cho, B.H. Novel zero current switching (ZCS) PWM switch cell minimizing additional conduction loss. IEEE Trans. Power Electron. 2002, 49, 165–172. [Google Scholar]
- Al Muzahid, M.; Ansari, M.; Salam, K.; Zaman, H. A High voltage gain DC-DC boost converter for PV cells. Glob. Sci. Technol. J. 2015, 3, 64–76. [Google Scholar]
- Zhu, Y.; Chen, M.; Lee, X.; Tsutomu, Y. A novel quasi-resonant soft-switching Z-source inverter. In Proceedings of the 2012 IEEE International Conference on Power and Energy (PECon), Kota Kinabalu, Malaysia, 2–5 December 2012; pp. 292–297. [Google Scholar]
- Sang-Hoon, P.; Gil-Ro, C.; Yong-Chae, J.; Chung-Yuen, W. Design and application for PV generation system using a soft-switching boost converter with SARC. IEEE Trans. Power Electron. 2010, 57, 515–522. [Google Scholar] [CrossRef]
- Yao, T.; Nan, C.; Ayyanar, R. A new soft-switching topology for switched inductor high gain boost. IEEE Trans. Ind. Appl. 2018, 54, 2449–2458. [Google Scholar] [CrossRef]
- Kim, Y.-H.; Shin, S.-C.; Lee, J.-H.; Jung, Y.-C.; Won, C.-Y. Soft-switching current-fed push-pull converter for 250-W AC module applications. IEEE Trans. Power Electron. 2014, 29, 863–872. [Google Scholar]
- Doo-Yong, J.; Young-Hyok, J.; Sang-Hoon, P.; Yong-Chae, J.; Chung-Yuen, W. Interleaved soft-switching boost converter for photovoltaic power-generation system. IEEE Trans. Power Electron. 2011, 26, 1137–1145. [Google Scholar]
- Sayed, K.H.; Kwon, S.-K.; Nishida, K.; Nakaoka, M. New DC rail side soft-switching PWM DC-DC converter with voltage doubler rectifier for PV generation interface. In Proceedings of the International Power Electronics Conference (IPEC-Hiroshima 2014—ECCE ASIA), Hiroshima, Japan, 18–21 May 2014. [Google Scholar]
- Jain, N.; Jain, P.K.; Joos, G. A zero voltage transition boost converter employing a soft switching auxiliary circuit with reduced conduction losses. IEEE Trans. Power Electron. 2004, 19, 130–139. [Google Scholar] [CrossRef]
- Moschopoulos, G.; Jain, P.K.; Liu, Y.-F.; Joos, G. A zero-voltage-switched PWM boost converter with an energy feedforward auxiliary circuit. IEEE Trans. Power Electron. 1999, 14, 653–662. [Google Scholar] [CrossRef]
- Ogura, K.; Chandhaket, S.; Ahmed, T.; Nakaoka, M. Boost chopper-fed ZVS-PWM DC-DC converter with parasitic oscillation surge suppression-based auxiliary edge resonant snubber. In Proceedings of the 25th International Telecommunications Energy Conference, Yokohama, Japan, 23 October 2003; pp. 20–26. [Google Scholar]
- Jung-Goo, C.; Ju-Won, B.; Geun-Hie, R.; Iouri, K. Novel zero-voltage-transition PWM multiphase converters. IEEE Trans. Power Electron. 1998, 13, 213–219. [Google Scholar] [CrossRef]
- Meneses, D.; Blaabjerg, F.; García, Ó.; Cobos, J.A. review and comparison of step-up transformer less topologies for photovoltaic AC-module application. IEEE Trans. Power Electron. 2013, 28, 2649–2663. [Google Scholar] [CrossRef]
- Li, W.; He, X. Review of nonisolated high-step-up dc/dc converters in photovoltaic grid-connected applications. IEEE Trans. Ind. Electron. 2011, 58, 1239–1250. [Google Scholar] [CrossRef]
- Kima, H.E.; Kima, J.K.; Kima, H.G.; Leea, K.; Kimb, J.; Yoob, D.; Shina, D. A high efficiency photovoltaic module integrated converter with the asymmetrical half-bridge flyback converter. Sol. Energy 2010, 84, 1376–1381. [Google Scholar] [CrossRef]
- Do, H.L. Analysis and implementation of a zero-voltage-switching cascade boost converter. Int. J. Electron. 2012, 99, 623–641. [Google Scholar] [CrossRef]
- Choi, H.-C.; Shin, H.-B. A new soft-switched PWM boost converter with a lossless auxiliary circuit. Int. J. Electron. 2006, 93, 805–817. [Google Scholar] [CrossRef]
- Iskender, I.; Genc, N. Design and analysis of a novel zero-voltage-transition interleaved boost converter for renewable power applications. Int. J. Electron. 2010, 97, 1051–1070. [Google Scholar] [CrossRef]
- Khan, A.; Batarseh, I. Zero-voltage switching boost converter for power factor correction. Int. J. Electron. 1995, 78, 1177–1188. [Google Scholar] [CrossRef]
- Sayed, K. A high efficiency DC-DC converter with LC resonant in the load-side of HFT and voltage doubler for solar PV systems. Int. J. Power Electron. 2017, 8, 232–248. [Google Scholar] [CrossRef]
- Sayed, K.; El-Zohri, E.; Mahfouz, H. Analysis and design for interleaved ZCS buck DC-DC converter with low switching losses. Int. J. Power Electron. 2017, 8, 210–231. [Google Scholar] [CrossRef]
- Sayed, K.; Gabbar, H. Supervisory control of a resilient DC microgrid for commercial buildings. Int. J. Process Syst. Eng. 2017, 4, 99–118. [Google Scholar] [CrossRef]
- Abdel-Salam, M.; Sayed, K.; Ahmed, A.; Amery, M.; Swify, M. Design, implementation and operation of a standalone residential photovoltaic system. Int. J. Power Energy Convers. 2017, 8, 47–67. [Google Scholar] [CrossRef]
- Sathyan, S.; Suryawanshi, H.M.; Singh, B.; Chakraborty, C.; Verma, V.; Ballal, M.S. ZVS–ZCS high voltage gain integrated boost converter for DC microgrid. IEEE Trans. Ind. Electron. 2016, 63, 715–721. [Google Scholar] [CrossRef]
- Hauke, B. Basic Calculation of a Boost Converter’s Power Stage. In Application Report, SLVA372C, 09; Texas Instruments: Dallas, TX, USA, 20 November; Revised January 2014.
- Sayed, K.; Hasanien, B. Current source ZCS PFM DC-DC converter for magnetron power supply. In Proceedings of the IEEE Middle East Power Systems Conference, MEPCON 08, Aswan, Egypt, 12–15 March 2008; pp. 464–469. [Google Scholar]
- Lee, H.-J.; Kim, Y.H. Analysis and design of a ZVT resonant boost converter using an auxiliary resonant circuit. Electronics 2019, 8, 466. [Google Scholar] [CrossRef]
- Jotham Jeremy, L.; Ai Ooi, C.; Teh, J. Non-isolated conventional DC-DC converter comparison for a photovoltaic system: A review. J. Renew. Sustain. Energy 2020, 12, 013502. [Google Scholar] [CrossRef]
- Moradisizkoohi, H.; Elsayad, N.; Mohammed, O. A soft-switched DC/DC converter using integrated dual half-bridge with high voltage gain and low voltage stress for DC microgrid applications. Inventions 2018, 3, 63. [Google Scholar] [CrossRef]
- Fares, A.M.; Klumpner, C.; Sumner, M. A novel modular multiport converter for enhancing the performance of photovoltaic-battery based power systems. Appl. Sci. 2019, 9, 3948. [Google Scholar] [CrossRef]
- Bassi, H.; Salam, Z.; Ramli, M.Z.; Sindi, H.; Rawa, M. Hardware approach to mitigate the effects of module mismatch in a grid-connected photovoltaic system: A review. Energies 2019, 12, 4321. [Google Scholar] [CrossRef]
- Sayed, K.; Abo-Khalil, A.G.; Alghamdi, A.S. Optimum resilient operation and control dc microgrid based electric vehicles charging station powered by renewable energy sources. Energies 2019, 12, 4240. [Google Scholar] [CrossRef]
- Viinamäki, J.; Suntio, T.; Kuperman, A. Grid-forming-mode operation of boost-power-stage converter in PV-generator-interfacing applications. Energies 2017, 10, 1033. [Google Scholar] [CrossRef]
- Suntio, T.; Messo, T.; Aapro, A.; Kivimäki, J.; Kuperman, A. Review of PV generator as an input source for power electronic converters. Energies 2017, 10, 1076. [Google Scholar] [CrossRef]
















| Parameter | Value, Unit |
|---|---|
| Rated output power Po | 500 W |
| Input voltage Vin | 30 V |
| Output voltage Vo | 100 V |
| Boost inductor Lr = L1 = L2 | 900 μH |
| Mutual inductance M | 770 μH |
| Resonant capacitor Cr | 60 nF |
| Variable load resistor Ro | 20 Ohm |
| Output smoothing capacitor C1 = C2 | 500 μF |
| Switching frequency | 40 kHz |
| Photovoltaic Module | Monocrystalline, 250.0 Watt, Vmp = 30.7 V, Imp = 8.15 A |
| Parameter | Proposed | Ref. [6] | Ref. [7] | Ref. [8] | Ref. [3] |
|---|---|---|---|---|---|
| Input voltage | 30 | 150–230 | 100–200 V | 90–256 | 23 |
| Output voltage | 100 | 380 | 300 | 400 | 30 |
| Voltage gain | 3 | 2.53 | 1.5–3 | 1–4 | 1.5 |
| Switching frequency | 40 k | 30 k | 100 k | 100 kHz | 100 k |
| Rated power | 500 W | 700 W | 1000 | 250 | 10–60 W |
| Efficiency | 97 | 96 | 97 | 95 | 92–94% |
© 2020 by the authors. Licensee MDPI, Basel, Switzerland. This article is an open access article distributed under the terms and conditions of the Creative Commons Attribution (CC BY) license (http://creativecommons.org/licenses/by/4.0/).
Share and Cite
Sayed, K.; Gronfula, M.G.; Ziedan, H.A. Novel Soft-Switching Integrated Boost DC-DC Converter for PV Power System. Energies 2020, 13, 749. https://doi.org/10.3390/en13030749
Sayed K, Gronfula MG, Ziedan HA. Novel Soft-Switching Integrated Boost DC-DC Converter for PV Power System. Energies. 2020; 13(3):749. https://doi.org/10.3390/en13030749
Chicago/Turabian StyleSayed, Khairy, Mohammed G. Gronfula, and Hamdy A. Ziedan. 2020. "Novel Soft-Switching Integrated Boost DC-DC Converter for PV Power System" Energies 13, no. 3: 749. https://doi.org/10.3390/en13030749
APA StyleSayed, K., Gronfula, M. G., & Ziedan, H. A. (2020). Novel Soft-Switching Integrated Boost DC-DC Converter for PV Power System. Energies, 13(3), 749. https://doi.org/10.3390/en13030749

