Investigation and Mitigation of Temporary Overvoltage Caused by De-Energization on an Offshore Wind Farm
Abstract
1. Introduction
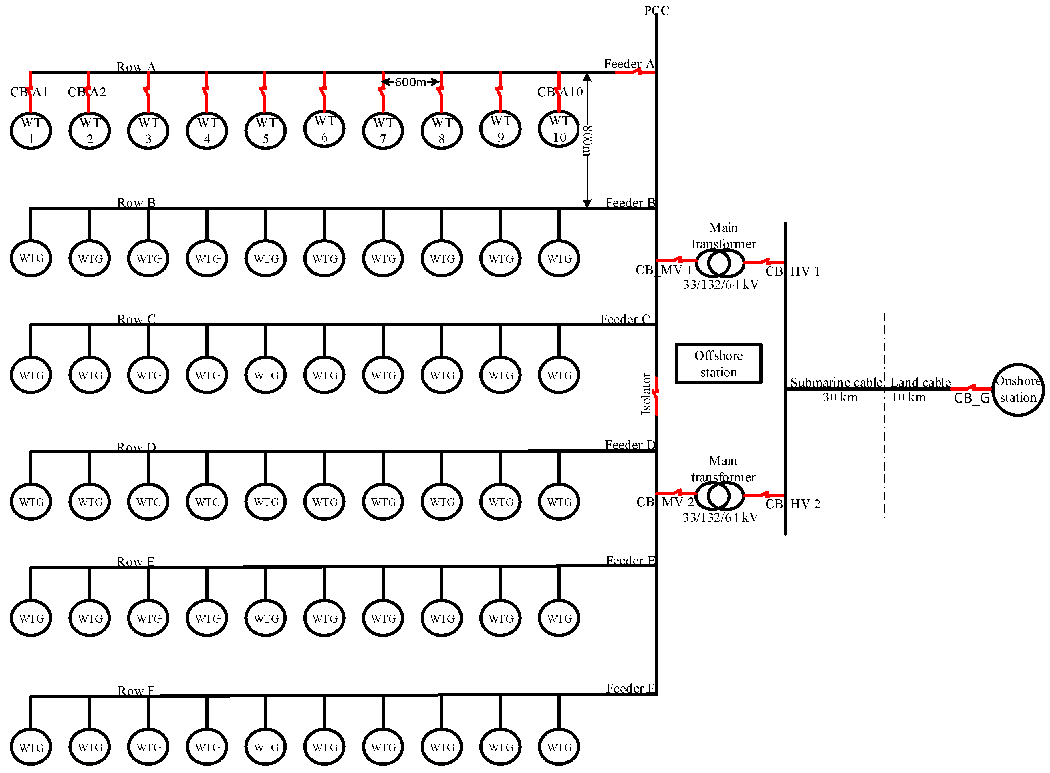
2. Modeling
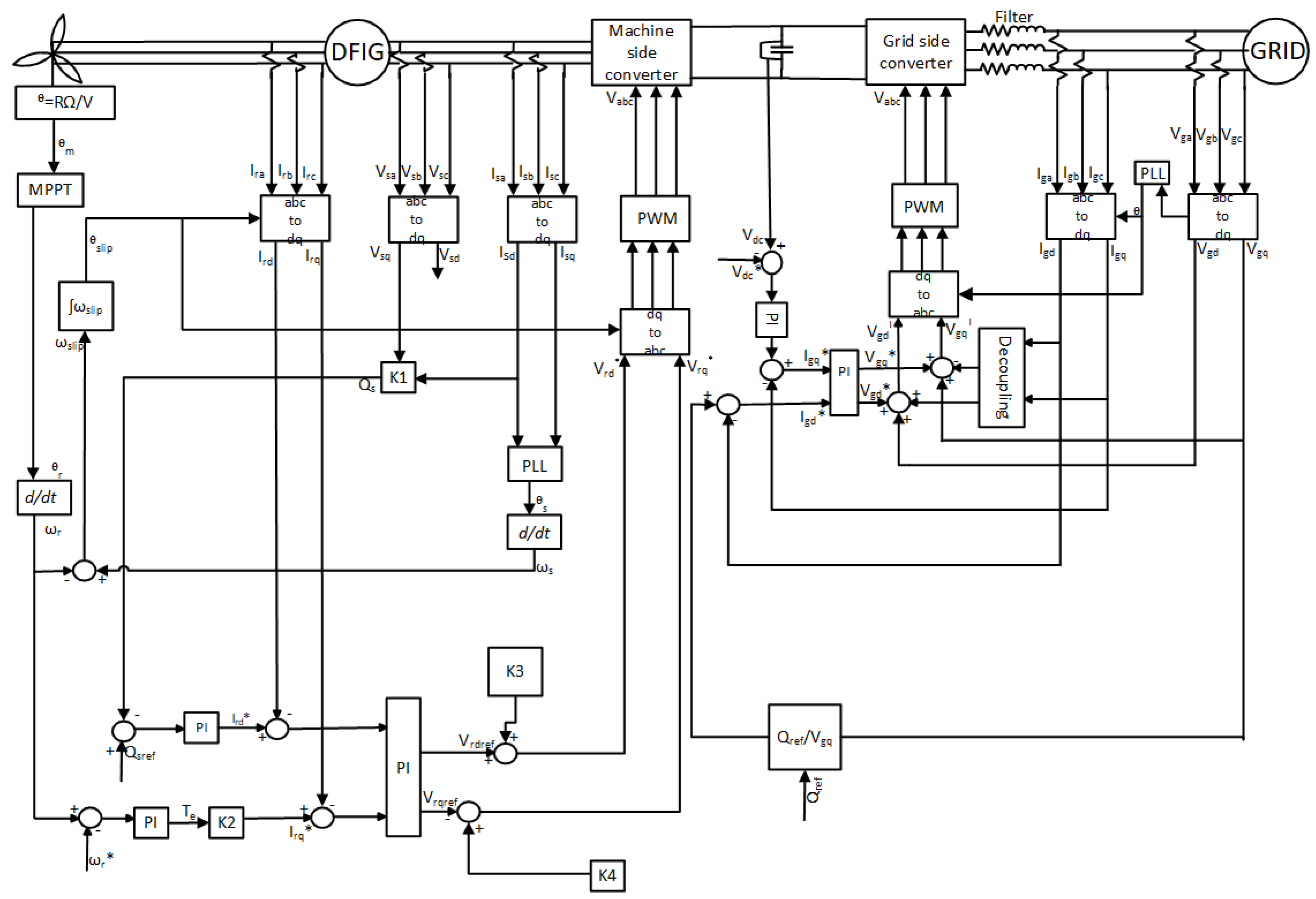
2.1. Wind Turbine Model
2.1.1. Modeling of DFIG Wind Turbine Configuration
2.1.2. Control of Back-to-Back Converter
2.2. Transformers
2.3. Cables and Circuit Breakers
3. De-Energization of One Wind Turbine in a Row
3.1. Opening of the Three Poles of the Circuit Breaker
3.2. Opening of the Two Poles of the Circuit Breaker
3.3. Opening of the One Pole of the Circuit Breaker
4. De-Energization of Feeder on the MV Bus
4.1. Opening of One of the Incoming Feeders on the MV Bus
4.2. Opening of One of the Outgoing Feeders on the MV Bus
5. De-Energization at the Onshore Substation
6. Influence of Nonlinear Characteristic of the Transformer on Ferroresonant Overvoltage
7. Mitigation of Overvoltage
7.1. Use of Damping Resistor
7.2. Use of Shunt Reactor
7.3. Use of Surge Arrester
8. Conclusions
Author Contributions
Funding
Conflicts of Interest
References
- IEC 60071-1. Insulation Co-ordination-Part1: Definitions, Principles and Rules; International Electrotechnical Commission: Geneva, Switzerland, 2006; p. 67. [Google Scholar]
- IEEE Draft Guide for the Application of Neutral Grounding in Electrical Utility Systems, Part IV—Distribution. In IEEE PC62.92.4/D6.2, September 2014; IEEE: Piscataway, NJ, USA, 2014; pp. 1–38.
- Global Wind Energy Council. 2014 Marked a Record Year for Global Wind Power 2013. Available online: http://www.gwec.net/global-figures/wind-energy-global-status/ (accessed on 5 February 2020).
- Pierrat, L.; Tran-Quoc, T.; Lam-Du, S. Overvoltages following load rejection on a system with a series-compensated transmission line and saturated transformers. In Proceedings of the 8th Mediterranean Electrotechnical Conference on Industrial Applications in Power Systems, Computer Science and Telecommunications (MELECON 96), Bari, Italy, 16 May 1996. [Google Scholar]
- Han, C.; Martin, D.E.; Lezama, M.R. Transient Over-Voltage (TOV) and its suppression for a large wind farm utility interconnection. In Proceedings of the 2009 International Conference on Sustainable Power Generation and Supply, Nanjing, China, 6–7 April 2009. [Google Scholar]
- Liljestrand, L.; Sannino, A.; Breder, H.; Thorburn, S. Transients in collection grids of large offshore wind parks. Wind Energy Int. J. Prog. Appl. Wind Power Convers. Technol. 2008, 11, 45–61. [Google Scholar] [CrossRef]
- Badrzadeh, B.; Hogdahl, M.; Isabegovic, E. Transients in Wind Power Plants—Part I: Modeling Methodology and Validation. IEEE Trans. Ind. Appl. 2012, 48, 794–807. [Google Scholar]
- Badrzadeh, B.; Zamastil, M.H.; Singh, N.K.; Breder, H.; Srivastava, K.; Reza, M. Transients in Wind Power Plants; Part II: Case Studies. IEEE Trans. Ind. Appl. 2012, 48, 1628–1638. [Google Scholar]
- Chennamadhavuni, A.; Munji, K.K.; Bhimasingu, R. Investigation of transient and temporary overvoltages in a wind farm. Power System Technology (POWERCON). In Proceedings of the 2012 IEEE International Conference on Power System Technology (POWERCON), Auckland, New Zealand, 30 October–2 November 2012. [Google Scholar]
- King, R.; Moore, F.; Jenkins, N.; Haddad, A.; Griffiths, H.; Osborne, M. Switching transients in offshore wind farms–impact on the offshore and onshore networks. In International Conference on Power Systems Transients; IPST: Delft, The Netherlands, 2011. [Google Scholar]
- Karaagac, U.; Mahseredjian, J.; Cai, L. Ferroresonance conditions in wind parks. Electr. Power Syst. Res. 2016, 138, 41–49. [Google Scholar] [CrossRef]
- Cigre. Guidelines for Representation of Network Elements When Calculating Transients; Cigre Technical Brochure: Paris, France, 1990. [Google Scholar]
- Prikler, L.; Høidalen, H.K. ATPdraw Version 5.6 for Windows 9x/NT/2000/XP/Vista-Users’ Manual; European EMTP ATP Users Group: Main, Germany, 2009. [Google Scholar]
- Jedut, L.; Rosolowski, E.; Nayir, A. Modeling and control of wind turbine. In Proceedings of the 6th International Conference on Technical and Physical Problems of Power Engineering (ICTPE), Tabriz, Iran, 14–16 September 2010. [Google Scholar]
- Nayir, A.; Rosolowski, E.; Jedut, L. Modeling and control of wind turbine and fault. In Proceedings of the 7th International Conference on Technical and Physical Problems of Engineering (ICTPE), Lefkosa, Northern Cyprus, 7–9 July 2011. [Google Scholar]
- Nayir, A.; Rosolowski, E.; Jedut, L. Analysis of short circuit faults in a system fed by wind turbine. In Proceedings of the 2012 International Conference on R enewable Energy Research and Applications (ICRERA), Nagasaki, Japan, 11–14 November 2012. [Google Scholar]
- Calzolari, G.; Saldana, C. Modeling of Doubly Fed Induction Machine Based Wind Turbine in ATP: Challenges and experiences. In Proceedings of the International Conference on Power Systems Transients (IPST), Vancouver, BC, Canada, 18–20 July 2013. [Google Scholar]
- Akinrinde, A.; Swanson, A.; Tiako, R. Dynamic behavior of wind turbine generator configurations during ferroresonant conditions. Energies 2019, 12, 639. [Google Scholar] [CrossRef]
- Akinrinde, A.O.; Swanson, A.; Tiako, R. Effect of ferroresonance on wind turbine: Comparison of ATP/EMTP and matlab/simulink. Indones. J. Electr. Eng. Comput. Sci. 2019, 14, 1581–1594. [Google Scholar] [CrossRef]
- Aristi, I.A. Modeling of Switching Transients in Nysted Offshore Wind Farm and Its Comparison with Measurements: EMT Simulations with Power Factory and PSCAD. Master’s Thesis, Technical University of Denmark, DTU, Lyngby, Denmark, 2008. [Google Scholar]
- ABB. XLPE Submarine Cable Systems-Attachment to XLPE Submarine Cable Systems-Users Guide; ABB’s High-Voltage Cable Unit; ABB: Stockholm, Sweden, 2010. [Google Scholar]
- ABB. Submarine Cable Systems-Attachment to XLPE Land Cable Systems-Users Guide; ABB’s High-Voltage Cable Unit; ABB: Stockholm, Sweden, 2010. [Google Scholar]
- Charalambous, C.; Wang, Z.; Osborne, M.; Jarman, P. Sensitivity studies on power transformer ferroresonance of a 400 kV double circuit. IET Gener. Transm. Distrib. 2008, 2, 159–166. [Google Scholar] [CrossRef]
- Ang, S.P.; Wang, Z. Ferroresonance Simulation Studies of Transmission Systems. Ph.D. Thesis, University of Manchester, Manchester, UK, 2010. [Google Scholar]
- Akinrinde, A.O.; Swanson, A.; Tiako, R. Investigation and Analysis of Temporary Overvoltages Caused by Filter Banks at Onshore Wind Farm Substation. Int. J. Renew. Energy Res. (IJRER) 2017, 7, 770–777. [Google Scholar]
- IEEE Standard for Metal-Oxide Surge Arresters for AC Power Circuits (>1 kV); IEEE Std C62.11-2012 (Revision of IEEE Std C62.11-2005); IEEE: Piscataway, NJ, USA, 2012; p. 121.
- ABB. Data sheet Surge Arrester Polim-D, PI-3 Outdoor; ABB: Wettingen, Switzerland, 2013; p. 4. [Google Scholar]

















| Parameters | Values (Ohm) |
|---|---|
| Rotor inductance | 0.033 |
| Rotor resistance | 0.0073 |
| stator inductance | 0.029 |
| Stator resistance | 0.0023 |
| Mutual inductance | 0.8436 |
| Transformer | Parameters | Primary | Secondary | Tertiary |
|---|---|---|---|---|
| Wind turbine transformer | Vector group | D | Y | D |
| L (Ω) | 0.0327 | 13.41 | 0.12 | |
| R (Ω) | 0.002 | 0.42 | 0.0038 | |
| Main transformer | Vector group | Y | Y | D |
| L (Ω) | 1.88 | 50.5 | 118 | |
| R (Ω) | 0.057 | 1.61 | 3.63 |
| a | b | n |
|---|---|---|
| 1.1558 | 0.0694 | 5 |
| 0.5149 | 0.0088 | 7 |
| 0.2680 | 0.00094 | 9 |
| 0.1811 | 0.0000985 | 11 |
| a | b | n | Overvoltage (PU) |
|---|---|---|---|
| 1.1558 | 0.0694 | 5 | 3.77 |
| 0.5149 | 0.0088 | 7 | 3.88 |
| 0.2680 | 0.00094 | 9 | 4.12 |
| 0.1811 | 0.0000985 | 11 | 4.33 |
© 2020 by the authors. Licensee MDPI, Basel, Switzerland. This article is an open access article distributed under the terms and conditions of the Creative Commons Attribution (CC BY) license (http://creativecommons.org/licenses/by/4.0/).
Share and Cite
Akinrinde, A.; Swanson, A.; Davidson, I. Investigation and Mitigation of Temporary Overvoltage Caused by De-Energization on an Offshore Wind Farm. Energies 2020, 13, 4439. https://doi.org/10.3390/en13174439
Akinrinde A, Swanson A, Davidson I. Investigation and Mitigation of Temporary Overvoltage Caused by De-Energization on an Offshore Wind Farm. Energies. 2020; 13(17):4439. https://doi.org/10.3390/en13174439
Chicago/Turabian StyleAkinrinde, Ajibola, Andrew Swanson, and Innocent Davidson. 2020. "Investigation and Mitigation of Temporary Overvoltage Caused by De-Energization on an Offshore Wind Farm" Energies 13, no. 17: 4439. https://doi.org/10.3390/en13174439
APA StyleAkinrinde, A., Swanson, A., & Davidson, I. (2020). Investigation and Mitigation of Temporary Overvoltage Caused by De-Energization on an Offshore Wind Farm. Energies, 13(17), 4439. https://doi.org/10.3390/en13174439

