Next Article in Journal
Design and Implementation of Position Sensorless Field-Excited Flux-Switching Motor Drive Systems
Next Article in Special Issue
Simulation of Incidental Distributed Generation Curtailment to Maximize the Integration of Renewable Energy Generation in Power Systems
Previous Article in Journal
Analysis of the Thermal Environment in Pedestrian Space Using 3D Thermal Imaging
Previous Article in Special Issue
Location and Sizing of Micro-Grids to Improve Continuity of Supply in Radial Distribution Networks
 
 
Font Type:
Arial Georgia Verdana
Font Size:
Aa Aa Aa
Line Spacing:
Column Width:
Background:
Article

Recloser-Based Decentralized Control of the Grid with Distributed Generation in the Lahsh District of the Rasht Grid in Tajikistan, Central Asia

1
Department of Automated Electric Power Systems, Novosibirsk State Technical University, Novosibirsk 630073, Russia
2
Research Center for Ecology and Environment of Central Asia, Xinjiang Institute of Ecology and Geography, Chinese Academy of Sciences, Urumqi 830011, China
3
State Key Laboratory of Desert and Oasis Ecology, Xinjiang Institute of Ecology and Geography, Chinese Academy of Sciences, Urumqi 830011, China
4
Ministry of Energy and Water Resources of the Republic of Tajikistan, Dushanbe 734064, Tajikistan
5
Department of Automated Electrical Systems, Ural Federal University, Ekaterinburg 620002, Russia
6
Andritz Hydro GmbH, Vienna 1120, Austria
7
Department of Electric Drive and Electric Machines, Tajik Technical University named after Academic M. S. Osimi, Dushanbe 734042, Tajikistan
8
Department of Electric Power Station, Tajik Technical University named after Academic M. S. Osimi, Dushanbe 734042, Tajikistan
*
Author to whom correspondence should be addressed.
Energies 2020, 13(14), 3673; https://doi.org/10.3390/en13143673
Submission received: 27 May 2020 / Revised: 1 July 2020 / Accepted: 15 July 2020 / Published: 16 July 2020

Abstract

Small-scale power generation based on renewable energy sources is gaining popularity in distribution grids, creating new challenges for power system control. At the same time, remote consumers with their own small-scale generation still have low reliability of power supply and poor power quality, due to the lack of proper technology for grid control when the main power supply is lost. Today, there is a global trend in the transition from a power supply with centralized control to a decentralized one, which has led to the Microgrid concept. A microgrid is an intelligent automated system that can reconfigure by itself, maintain the power balance, and distribute power flows. The main purpose of this paper is to study the method of control using reclosers in the Lahsh district of the Rasht grid in Tajikistan with distributed small generation. Based on modified reclosers, a method of decentralized synchronization and restoration of the grid normal operation after the loss of the main power source was proposed. In order to assess the stable operation of small hydropower plants under disturbances, the transients caused by proactive automatic islanding (PAI) and restoration of the interconnection between the microgrid and the main grid are shown. Rustab software, as one of the multifunctional software applications in the field of power systems transients study, was used for simulation purposes. Based on the simulation results, it can be concluded that under disturbances, the proposed method had a positive effect on the stability of small hydropower plants, which are owned and dispatched by the Rasht grid. Moreover, the proposed method sufficiently ensures the quality of the supplied power and improves the reliability of power supply in the Lahsh district of Tajikistan.

Graphical Abstract

1. Introduction

At present, many technologies provide high-quality and reliable power supply to consumers locally, having the opportunity in emergency conditions to get power from backup sources. That is why centralized electrification of power supply to remote rural areas is a hugely complicated problem to be accomplished by grid companies.
The Tajikistan power system faces these difficulties for several reasons being (1) power supply is centralized, and (2) there is power shortage during the autumn-winter period.
These two factors force the regulation of power generation, which is strongly reflected in the rural areas making up about 70% of Tajikistan’s population [1].
Tajikistan is a country where that has a huge stock of hydro resources. Consequently, Tajikistan ranks first among Central Asian countries, and eighth in the world, as noted by Zhan-Kristof et al. [2], for hydropower research. The country possesses 4% of all world hydro-energy potential [1]. Fishov et al. [3] analyzed the condition and progress of Tajikistan’s hydro-energy potential, which exceeds 527 billion kWh per year, and the country exploits only 6.6% of it [4]. Potential reserves of small hydropower are 184.46 billion kWh per year [1].
In the field of small hydropower, the CASA-1000 (Central Asia South Asia) [5] project is of paramount importance to Tajikistan. The role envisioned for the project is to limit the export of excess power to neighboring countries during the summer. It is also important to recognize the effects not only of large-scale hydropower (LHPP) plants but also small-scale hydropower plants (SHPPs) on power generation. Implementation of the project will allow the efficient use of SHPPs and the development of this energy sector in Tajikistan.
The 0.4–10 kV rural distribution grids are characterized by longline length and complex structure. The key disadvantages of such grids are low reliability, inadmissible values of power quality indices, and significant power losses. Cherkasova [6] has explored energy efficiency issues, including the reliability and safety of rural electrical grids. The transmission outages can make up 40–90% of the total number of outages. Moreover, due to the significant degradation of rural distribution grids, the reliability of power supply is also deteriorating. For example, in the 6–20 kV grids, 30 blackouts/year × 100 km of line length occurs on average, and in the 0.4 kV grids, 100 blackouts/year × 100 km [7]. It is possible to reduce the number of blackouts using auto-reclosing in transmission lines. As Cherkasova [8] shows in her research on the monitoring and analysis of failures, about 60% of power line damage is unsustainable and eliminated by auto-reclosing. However, since rural distribution grids were built in the 1960s and 1970s in Tajikistan, it is impossible to use auto-reclosing based on old oil circuit breakers at the distribution center. A significant part of outages and interruptions can be reduced, and as a consequence, the reliability of power supply will increase. The use of sectionalizing points when the feeder is divided by switching devices is known to be an effective means of reliability increase. With the development of engineering and technologies based on automatic sectionalizing points (ASP), it is possible to significantly increase the reliability of power supply, especially in rural areas. The use of reclosers can serve as a good opportunity for that purpose.
With the progress of power electronics and control theory, the Microgrid concept emerged, which reflected in the research studies conducted in the USA, Europe, and Asia. Zhou et al. [9] have considered key problems and prospects of microgrid progress. Barnes et al. [10] have considered a principle of work versions of microgrid management. Zaidi et al. [11] discussed a new approach to modeling intellectual microgrids with automatic load control consumers.
The microgrid is a small and independent system that combines small-scale generation (SSG), consumers, energy storage systems, as well as control devices, forming an integrated controlled power supply system. The microgrid is an intelligent automated system that can reconfigure itself, manage power generation and load (maintain power balance), and distribute power flows.
In the present work, the problem of connecting the microgrid based on small generation to an external power grid is solved using its direct connection to the grid. We applied the methods in Zhdanov [12], namely the fixed-point iteration method, equal area criterion, and the method of superposition for determining the stability of power plants operating in parallel with the grid. To simulate the method used in the present article, the Rustab software based on RastrWin3 (2.3, JSC “Scientific and Technical Center of Unified Power System”, Yekaterinburg, Russia) was used. It is a multifunctional software devoted to the study of electromagnetic and electromechanical transients during different load flow calculations [13]. The RastrWin3 software includes Eurostag and Mustang libraries, which allow us to calculate, analyze, and optimize the load flow states; to monitor the power generation/consumption; to calculate short circuit currents and to carry out asymmetrical load flow.
Currently, the transition from a centralized to a decentralized power supply system based on the microgrid is relevant. It allows us to efficiently use to distribute power sources over the grid, including renewable energy sources (RES). Therefore, decentralized synchronization and control of the normal operation restoration during the parallel operation of the separated grid and generators is considered in the present work. The control method using modified reclosers with distributed small generation in the Lahsh district of the Rasht grid of Tajikistan is studied. Based on the methodology above, the stability of all available SHPPs under disturbances in the Rasht grid was estimated.
Frequent emergency disturbances in the external network will lead to emergency shutdowns of the SHPPs power units, which feed consumers located in the local network of the Lahsh district. Consequently, consumers of this local network remain without power, and the available capacity of SHPPs is underutilized. Therefore, the goal of this work is to study ways of decentralized management using reclosers of a local network with SHPPs in the rural Lahsh district of Rasht electric networks of Tajikistan.
The paper is structured as follows: Section 2 provides an overview of the literature; Section 3 describes information about the object of study and a problem description; Section 4 discusses methods and tools for solving the problems under consideration; Section 5 presents the results obtained, as well as plans for further research; Section 6 gives the conclusions.

2. Literature Review

A review of research works devoted to the decentralization of grids control is presented in several publications. In Wang et al. [14] study, a decentralized power control system consisting of three integrated microgrids and working both independently and in parallel with the main power grid is considered. The microgrid may contain such power sources as a microturbine unit (under distribution grid operator control), wind turbines, solar panels operating stochastically. When the microgrid is in interconnected mode, the distribution grid operator and each microgrid connected to the grid are considered as separate objects with individual goals, which are minimization of operating costs. In an islanded mode, each microgrid’s goal is to provide a reliable power source for its consumers. Tani et al. [15,16] study power control in decentralized power systems using wind turbines with photovoltaic panels and energy storage systems. An energy storage system is needed for a quick response to correct the imbalance between generation and load caused by sudden fluctuations in wind, sun, or consumers. In this work, the energy consumption control method based on a frequency approach using a fluctuating distribution of wind power/load is shown. The main advantage of the control method in Tani et al. [16] is that the used frequency approach takes the dynamic characteristics of the power sources into account and allows them to increase the operating time of the main power sources and reduce the size of the energy storage system. Kargarian et al. [17] considered the decentralized algorithms to determine the optimum power flow in electric power systems. The algorithms offered in their work can be used for the accelerated process of deciding large-scale problems of optimization that are difficult to solve centrally, as well as to control systems with several independent operating objects. Dou et al. [18] proposed double-tier strategies for decentralized online optimization management for an isolated microgrid without communication network channels to ensure frequency security and minimize operating costs. Qi et al. [19] considered a decentralized approach to optimal performance, based on analytical cascading of goals, to optimize the performance of AC/DC hybrid distribution networks. Yin et al. [20] have offered real-time decentralized energy management for multi-source hybrid energy systems that adapts to sudden changes in system configuration. Koukoula et al. [21] offer a new fully decentralized method of controlling congestion in radial distribution networks. The authors propose an algorithm for detecting and eliminating local restrictions on power flows without the need for centralized control. Shi et al. [22] developed a distributed energy management strategy for optimal microgrid performance, considering the distribution network and its associated limitations.
Reclosers are widely used in various countries around the world. Examples can be drawn from several studies. Sazykin et al. [23] considered the decentralized control of 6–10 kV distribution grids and planned to achieve this by installing reclosers that would act like sectionalizers. The placement of reclosers for different versions of the grid design was determined analytically. Reliability indices of the grid under consideration were calculated. Andrianova et al. [24] analyzed the use of reclosers in 6–35 kV rural distribution grids for decentralized control. Reliability indices such as SAIFI (System Average Interruption Frequency Index) and SAIDI (System Average Interruption Duration Index), as well as power supply quality indices, were calculated before and after installation of reclosers. It was noted that the number of load shedding events reduced by 15 times, and the duration of load loss was reduced by 26 times when reclosers were installed in distribution grids. Popovic et al. [25] presented the methodology for optimizing and coordinating placement of reclosers and generators in distribution grids. It was noted that optimal placement contributes to the improvement of system reliability and voltage profile and the reduction of power losses. The locations of reclosers and generators were determined using a genetic algorithm, which helped to improve the overall reliability of the grid. The study [26] was devoted to finding the optimal placement of reclosers in the grid. The reliability index SAIFI was calculated for various grid designs using the developed method. De Bruyn et al. [27] studied the behavior of recloser in the case of distributed wind energy presence in the grid. Misoperations and dead zones of relay protection were found and appropriately addressed using the developed improved version of the method. Sazykin et al. [28] examined the criteria of optimal recloser placement in 6–10 kV distribution grids. The results indicated a reduction in the number and duration of load loss events, with the total energy not served value being reduced from 69.7% to 83.5%.
A review of research on divisive protection and emergency automation can be found in some papers. Onisova [29] has reviewed the basic functions and principles of divisive protections in electric power systems, formulated new requirements for divisive protections, and has proposed improvements in devisive voltage automation. Fishov et al. [30] considered the problem of integrating small generation into electric networks. They offer new technical solutions aimed at ensuring the reliability and cost-effectiveness of systems with distributed small generation through highly automated emergency control in line with the modern SMART GRID concept. Ilyushin et al. [31] presented the features of separation of power plants from the power system with their own needs and load at a voltage of 6–20 kV. Formulated requirements for the speed of unloading during the forced separation of the power plant from the power system. Ilyushin [32] formulated possible limitations in the application of multi-parameter dividing automation related to the peculiarities of active power regulation and the settings of relay protection devices of generating installations of distributed generation facilities. Shabad [33] considered schemes and calculations of the settings of divisive protection, designed to prevent various emergencies in distribution electric networks and power plants. Kalentionok et al. [34] examined the problem of creating divisive automation in industrial enterprises that have their own generating units. The authors’ proposed algorithms for the operation of dividing automation, which ensure the minimum possible power imbalances in the allocation of generating units for stand-alone operation, as well as possible parameters for its operation.

3. Data and Materials

Small generation in Tajikistan includes SSG plants with a capacity of 10–10,000 kW. From 1990–2013, many SHPPs of various capacities were built and commissioned in Tajikistan. Gulomzoda et al. [35] reflect this in their analysis of the development of small hydropower in Tajikistan. The construction dynamics of these SHPPs is shown in Figure 1.
The country continues to build SHPPs under the “Long-term program for the construction of SHPPs during 2009–2020.” Construction of 189 SHPPs is part of the program, with a total installed capacity of 103 MW (Table 1).
The “Barqi Tojik” Open Joint-Stock Holding Company (OJSHC) energy company is responsible for power supply in the majority of the country’s regions, including the Lahsh district of the Rasht grids. The Rasht region has 6 SHPPs [3], and the generation retrospective is shown in Figure 2.
As can be seen from the figures above, the plant utilization factor (which means the ratio of the total actual energy produced or supplied by SHPPs in the Rasht grid over a definite period, to the energy that would have been produced if the plant had operated continuously at the maximum rating) differs from the assigned one, since the capacity of SHPPs is not used correctly. The reasons for the decrease in power generation are mainly frequent disturbances in the grid leading to the shutdown of power units, the operation of the generation units only in stand-alone mode, the impact of external factors, and others.
Frequent disturbances in the Lahsh grid strongly affect consumers, since they lose power both from the main grid and from the local SHPPs. Consequently, it is crucial to solve the problem of customer outage, reducing energy not served, ensuring the quality of supplied power, and improving the reliability of the power system in the Lahsh district of the Rasht grid in Tajikistan. Figure 3 shows a geographical map of the grid under study in the Lahsh district.

4. Methodology

4.1. Microgrids Control and Operation

At present, the transition from a centralized control of power supply to a decentralized one, especially for remote consumers, is highly relevant. In this case, it allows the use of electric power sources distributed over the grid, including RES, called distributed generation (DG). Gulomzoda et al. [36] and Ismoilov et al. [37] considered technologies for controlling the modes of local power supply systems with a low generation, as well as their system effects. Along with the development of power electronics and control theory, the concept of the Microgrid [9,10,11] arose. The microgrid is a small and independent system that combines small-scale generation (SSG), consumers, energy storage systems, as well as control devices, forming an integrated controlled power supply system. Figure 4 shows the basic structure of a hybrid microgrid.
The microgrid can be either in interconnected mode, where the microgrid exchanges power with the main grid through the distribution substation transformer, or in the islanded mode, where the microgrid is disconnected from the main grid, and operates autonomously, serving its own local demand using DG and other distributed energy resources. During contingency Microgrid can be independently disconnected from the main grid and operate autonomously. After eliminating the contingency, microgrid can again reconnect to the main grid. Thus, microgrid is an intelligent automated system that is able to reconfigure by itself, maintain power balance and distribute power flows.
This study presents the solution of microgrid (on the base of small generation) connection problem by means of synchronous coupling or the use of microgrid in the grid without centralized control. A prerequisite is the integration of SHPPs into the grid, the integration of several local power supply systems (on the base of SHPPs) into islanded or interconnected power systems.

4.2. Combined Use of Emergency Control and Reclosers

Proactive automatic islanding (PAI) is one of the most important elements for solving the problems under consideration. Gezha et al. [38] considered automation to solve the problem of safe direct connection to the main network of a local power supply system based on small generation. This type of emergency control has proven its efficiency, and it can be applied both to future SSG projects and to existing facilities, which were not initially considered for use in that way. In order to ensure reliable parallel operation of the microgrid in terms of emergency control, a unique method of emergency control was suggested and implemented. Fishov et al. [39] developed a method for emergency control of the mode of parallel operation of synchronous generators in electric networks. The concept behind it is the proactive islanding of the microgrid at selected points when a contingency occurs. After that, the transition to the island mode is made with the synchronization and transition to normal operating conditions with a proper equipment loading schedule. This type of emergency control has already proved its efficiency in test conditions. It was tested in the Berezovoe district, Pervomayskiy area of Novosibirsk, in the Russian Federation.
Another key element of decentralized operation and control of Microgrids is an automatic recloser. Fishov et al. [40] considered a decentralized reconfiguration of the electrical network with a microgrid using advanced reclosers. Reclosers perform the functions of isolation and redundancy in 6–10 kV distribution grids of radial and network types with long transmission lines. The recloser includes a vacuum circuit-breaker, power conversion systems, an auxiliary DC control power system, a microprocessor-based protection and control system, and SCADA communications ports and software. Previously Buzin et al. [41] investigated modern relay protection and automation of 6–10 kV overhead power lines.
The reclosing is that the lines connecting the microgrid to the power system are restricted for grids with generation facilities (SSG in this case). The synchronization conditions should be met in order for these lines to be switched on. If not, out-of-step switching may result in significant dynamic torque, which represents a possible threat to generators and their auxiliaries. Hachaturov [42] presented the principles of synchronization and the consequences of the non-synchronous inclusion of power plant generators in the network. It should be considered when reclosers are to be installed in grids with generation facilities. This work examines whether it is possible to use reclosers for the recovery of power generators parallel operation.
Modern reclosers do not possess synchronization properties needed in grids with SSG penetration. Since reclosers are located away from generators, the synchronization is not carried out using the generator circuit breakers but the reclosers. The following modification was made: the synchronization package was added to the control cabinet of a vacuum circuit-breaker. The functional control diagram is shown in Figure 5.
In Figure 5, the high-voltage equipment includes the Q—vacuum circuit-breaker; ST1, ST2—auxiliary transformers; TV1, TV2—voltage transformers, and a TA—current transformer. The control cabinet is the power supply unit; the control system unit; the relay protection and the control unit (RP and A); the measurement unit; the battery; the GSM modem (in case if SCADA connection is not provided); the monitor and the synchronization package.
The recloser operation modification allows extending the range of control capabilities by adding the synchronization package to the cabinet. The synchronization package receives such measurement signals as voltage module and phase measured by voltage transformers (TV1, TV2) and frequency on both sides of a vacuum circuit-breaker.
The following synchronization conditions are to be met:
| U i U j | < d U p h . | δ i δ j | < δ p e r m . | f i f j | < s p e r m . }
where U i —root-mean-square voltage value in the “from” bus of the transmission line, kV; U j —root-mean-square voltage value in the “to” bus of the transmission line, kV; d U p h . —permissible voltage drop of the transmission line, kV; δ i —voltage phase angle in the “from” bus of the transmission line, el.; δ j —voltage phase angle in the “from” bus of the transmission line, el.; δ p e r m . —permissible phase angle difference of the transmission line, el.; f i —frequency in the “from” bus of the transmission line, Hz; f j —frequency in the “to” bus of the transmission line, Hz; s p e r m . —permissible slip of the transmission line, Hz.
If based on values of the mentioned parameters, the synchronization conditions are met, then the synchronizer transmits a signal to the control unit passing through the relay protection and control unit in order to switch on the vacuum circuit-breaker. The process of synchronization can be seen on the monitor.
Such microprocessor-based devices as «АС-М» [43], «Sprint-М» [44] and «SYNCHROTACT» [45] are used as synchronizers. These devices provide compliance with all synchronization conditions. They carry out the functions of measurement, analysis, and, if necessary, synchronization parameters adjustment. When all conditions are met, the synchronizer sends a signal to switch on the recloser. Additionally, the synchronizers are capable of self-testing and displaying state data, which can be considered as an advantage.

4.3. Methods of Ensuring Generators Stability

Parallel operation of power plants in a local grid or connection with a bulk power system exerts a considerable impact on such things as improvement of adequacy and operational reliability of power supply, power losses reduction, optimization of generation reserves to increase export interconnection power flows, among others.
However, any unforeseen disturbance of the power system state (for example, any kind of fault) causes swinging of synchronous machines, and if strong enough, machines or entire power plants may fall out of synchronism, threatening the whole power system stability. Therefore, stability studies of power plants are still of high relevance and importance, regardless of the way a power system is controlled.
Swinging of synchronous generators might be caused by sudden sharp load drop or rise, outage of a transmission line, a transformer, or a generator, with a fault being the most dangerous one. Generally, transmission outages are followed by sudden changes in the output of power plants. Rotors of generators and turbines respond to disturbances with some time delay due to significant inertia. As a result, the power balance between generator and turbine shifts, resulting in excess torque of the generator, in turn causing rotor speed increase.
According to the fixed-point iteration method [12], the rotor acceleration is:
α = Δ M T j = Δ P T j
where T j —inertia constant, kg·m2/s2; Δ M = M m e c h M e l —excess torque of turbine, determined by the difference between mechanical torque and electrical torque, Nm; Δ P —excess power of the generator, MW.
Taking into account that angular acceleration of the rotor is the second derivative of rotor angle with respect to time α = d 2 δ / d t 2 ; and the difference between turbine power and generator power output Δ P = P 0 P m sin δ , the swing equation of rotor is:
T j d 2 δ d t 2 = P 0 P m sin δ
Solving the Equation (3) shows how to load angle changes over time and allows the estimation of generator stability.
The stable parallel operation of two power plants can be estimated using the fixed-point iteration method and equal area criterion. The power output of each power plant is:
P 1 = E 1 2 y 11 sin α 11 + E 1 E 2 y 12 sin ( δ 12 α 12 )   P 2 = E 2 2 y 22 sin α 22 E 1 E 2 y 12 sin ( δ 12 + α 12 ) }
where P 1 , P 2 —the power output of the first and the second power plant, respectively; E 1 , E 2 —EMF of the first and the second power plant, respectively; y 11 , y 22 , y 12 —self-admittances of both power plants and mutual admittance, respectively; δ 12 —angle difference between power plants; α 11 , α 22 , α 12 —absolute acceleration of the first power plant generator rotor, the second power plant generator rotor, and their relative acceleration, respectively.
Absolute rotor acceleration of both power plants, and also their relative acceleration is:
α 1 = 360 f T j 1 Δ P 1   α 2 = 360 f T j 2 Δ P 2   }
α 12 = α 1 α 2 = 360 f ( Δ P 1 T j 1 Δ P 2 T j 2 )
where f —utility frequency;
Δ P 1 , Δ P 1 —excess power of generators:
Δ P 1 = P 0 P 1 sin δ   Δ P 2 = P 0 P 2 sin δ }
Hence, the stability of power plants working in parallel can be estimated based on the equal area criterion (equality of deceleration and acceleration areas).
The stability of systems with complex structures can be analyzed using the superposition technique. The power equation for a system with n —generators is:
P 1 = E 1 2 y 11 sin α 11 + E 1 E 2 y 12 sin ( δ 12 α 12 ) + E 1 E 3 y 13 sin ( δ 13 α 13 ) + + E 1 E n y 1 n sin ( δ 1 n α 1 n ) ; P 2 = E 2 E 1 y 21 sin ( δ 21 α 21 ) + E 2 2 y 22 sin α 22 + E 2 E 3 y 23 sin ( δ 23 α 23 ) + + E 2 E n y 2 n sin ( δ 2 n α 2 n ) ;                    .     .     .          P ( n 1 ) = E ( n 1 ) E 1 y ( n 1 ) 1 sin ( δ ( n 1 ) 1 α ( n 1 ) 1 ) + E ( n 1 ) E 2 y ( n 1 ) 2 sin ( δ ( n 1 ) 2 α ( n 1 ) 2 ) + .   .   .   .   .   . + E ( n 1 ) 2 y ( n 1 ) ( n 1 ) sin α ( n 1 ) ( n 1 ) + E ( n 1 ) E n y ( n 1 ) n sin ( δ ( n 1 ) n α ( n 1 ) n ) ; P n = E n E 1 y n 1 sin ( δ n 1 α n 1 ) + E n E 2 y n 2 sin ( δ n 2 α n 2 ) + .   .   .   .   .   . + E n E ( n 1 ) y n ( n 1 ) sin ( δ n ( n 1 ) α n ( n 1 ) ) + E n 2 y n n sin α n n }
Consequently, the excess power of each generator can be found using the methods mentioned above, despite the complexity of the system structure. Expressions (5)–(7), and angle-time curves form the basis of generators stability analysis.

4.4. Power Flow Studies Software

The Rustab software (package of RastrWin3) was used in this study. This software is widely used in Russia and CIS countries for transient studies in power systems [13]. RastrWin3 includes Eurostag and Mustang libraries, which makes power flow and optimization studies possible, as well as adequacy estimation and faults analysis (including asymmetrical load flow).
The huge range of Rustab capabilities was used in the research in order to create a model of the small hydro of the Lahsh Microgrid and to study its transient stability and power flow states. The examples of models considered were a fault, substation relay protection, recloser-based PAI, auto-reclosing with synchronism check, and others. In addition, seasonal variations of load were simulated as well.

5. Results and Discussions

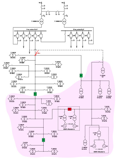
Simulations were carried out for a grid of rural areas in the Lahsh district in Tajikistan, Central Asia. The two small hydro plants are located in the area. Power is supplied in either island mode or using the external 10 kV grid interconnection. This is due to frequent disturbances in the external grid, which may lead to generator outages in case of parallel operation and, therefore, the whole feeder interruption. Reclosers installation in different parts of the feeder is suggested (Figure 6), considering the high values of outage rates, loss of load, and energy not supplied.
Four reclosers were suggested to be placed, two of which (R1, R2) separated the microgrid from the external one (highlighted part of the grid in Figure 6) and reconnected them if synchronization conditions were met. Recloser R3 is used to connect (switched-on state) two parts of the microgrid in the island mode and to avoid shunt connection (switched-off state). Recloser R4 was used for under-frequency load shedding (UFLS).
Without those reclosers, generators of small hydropower plants would fall out of synchronism each time a disturbance occurs. An example of such an event is shown in Figure 7.
Figure 7 shows that after a disturbance, the generator falls out of synchronism since its rotor angle constantly increases. In this case, the power plant has lost its stability.
As suggested, reclosers are placed according to the power balance of power generators capacity and customer load (Figure 6). Such placement allows automatic rapid separation of the microgrid from the external grid during disturbances. The PAI was used to perform this function [20,21]. The improved recloser was used for disturbance recovery. The combined use of all mentioned devices and methods has prevented generators from falling out of synchronism and has maintained stable operation in the island mode. In addition, the smooth transition from the latter to parallel operation with the external grid was achieved (Figure 8, Figure 9, Figure 10 and Figure 11).
Figure 8 shows a curve of the change in the angle of the generator’s rotor, and Figure 9, Figure 10 and Figure 11 show the curves of the transition process on the microgrid network when an emergency disturbance occurs. On the listed curves, the vertical bars indicated by the letters A–E are action indicators. Curves 9–11 show the following dependencies: changes in currents through reclosers R1, R2—I (R1), I (R2), A; power of generators G1–G4—P (G1), P (G2), P (G3), P (G4), MW; Microgrid frequency—f, Hz. The PAI acted according to the algorithms aimed at forcing generator outages depending on the value of the microgrid load. The simulation scenario was as follows: when a fault occurs (Figure 6), PAI acts ahead of current relay protection and sends signals to reclosers R1, R2 to switch off and to recloser R3 to switch on (point A, at t = 1.5 s, Figure 9, Figure 10 and Figure 11) and generators to turn off (point C, at t = 2.27 s, G1, G2 on Figure 9 and G3, G4 in Figure 10). It eliminates excess power in the microgrid being separated. In case of power shortage in the Microgrid UFLS acts and sends a signal to recloser R4 to switch off (point C, at t = 4.85 s, Figure 11); then current relay protection acts (point B at t = 2 s, Figure 9, Figure 10 and Figure 11) and sends signals to circuit-breaker Q6 to switch off, causing a fault to self-clear and circuit-breaker Q6 to reconnect automatically (point D, at t = 5 s, Figure 9, Figure 10 and Figure 11). When voltage appears on both sides of reclosers R1, R2, the mechanism of auto-reclosing with a synchronism check is triggered. If synchronization conditions are met, then reclosers R1, R2 switch on, and recloser R3 switches off (point E, at t = 6, 5 s, Figure 9, Figure 10, and Figure 11). The power supply of customers is restored. No more load losses occur due to the available generation in the grid.
The simulation results prove the efficiency of the suggested method, which leads to the improvement of the small hydro plant stability. This, in its turn, provides the required power quality and power supply reliability for customers in the Lahsh district. The suggested method of power system control is planned to be applied in other regions of Tajikistan in Central Asia with distributed generation. In addition, at the next stage of the study, this method will be applied for studying voltage control capabilities, reliability analysis, and the influence of reclosers placement on these parameters.

6. Conclusions

The suggested method of distributed synchronization of the microgrid connection to the external grid was studied. The obtained data of the object under study was analyzed and used in the simulation. The wide range of Rustab package functions was used to simulate disturbances and study transient stability of the small hydro plants in the Lahsh Microgrid in Tajikistan.
The suggested modified recloser was used in the study. Using such reclosers makes it possible to decentralize emergency control, provide independent operation of the sectionalizing point, minimize human error, ensure fast recovery of supply in areas untouched by disturbance, and, as a consequence, keep the values of energy not served to a minimum. Automation and control in overhead power lines based on reclosers were considered by Vorotnickij et al. [46,47].
According to the results of the simulation, the suggested method has a positive impact on the ability of small hydropower plants in the Rasht grid to withstand disturbances. It provides the required power quality and improves power supply reliability in remote areas of Tajikistan’s Lahsh district.

Author Contributions

All authors have made valuable contributions to this work. A.G. (Anvari Ghulomzoda) and A.F. engaged in the development, research of the main part of the work, and wrote the manuscript; M.S. assisted in modeling and software; A.G. (Aminjon Gulakhmadov) and X.C. helped revise the manuscript structure and funding; K.R., K.G., and J.A. helped in the calculation and organization of data. All authors have read and agreed to the published version of the manuscript.

Funding

This research was funded by the Strategic Priority Research Program of the Chinese Academy of Sciences, Pan-Third Pole Environment Study for a Green Silk Road (Grant No. XDA20060303), the International Cooperation Project of the National Natural Science Foundation of China (Grant No. 41761144079), the Xinjiang Tianchi Hundred Talents Program (Grant No. Y848041), and the project of the Research Center of Ecology and Environment in Central Asia (Grant No. Y934031).

Acknowledgments

The authors are thankful to the Ministry of Energy and Water Resources of the Republic of Tajikistan and the Rasht electric networks OJSHC “Barqi Tojik” for providing the data for this research work.

Conflicts of Interest

The authors declare no conflicts of interest.

References

  1. Tajikistan. Rapid Assessment and Gap Analysis. Available online: https://www.undp.org/content/dam/tajikistan/docs/library/UNDP_TJK_SE4ALL_Rapid_Assessment_and_gap_analysis_Rus.pdf (accessed on 10 April 2020).
  2. Zhan-Kristof, F.; Varasteh, E.; Jako, R.; Chobanova, B.; Bilolov, F. Tajikistan: In-Depth Energy Efficiency Review; Spotinov Print LLC: Brussels, Belgium, 2013; pp. 76–79. ISBN 978-905948-138-1. [Google Scholar]
  3. Fishov, A.G.; Gulomzoda, A.H.; Kasobov, L.S. Analysis of the state and direction of development of small hydropower of Tajikistan. Polytech. Bull. Ser. Eng. Stud. 2019, 1, 13–20. [Google Scholar]
  4. Barki Tojik OJSHC. Available online: http://www.barqitojik.tj (accessed on 15 April 2020).
  5. CASA-1000. Available online: http://www.casa-1000.org/indexr.php (accessed on 17 April 2020).
  6. Cherkasova, N.I. Fundamentals of Managing Technological Risks and the Efficient Functioning of Power Supply Systems for Agricultural Consumers. Ph.D. Thesis, Altai State Technical University, Barnaul, Russia, 15 December 2017. [Google Scholar]
  7. Standing Order of PJSC “ROSSETI” on a Unified Technical Policy in the Electric Grid Complex; Protocol No.138.; PJSC Rosseti: Moscow, Russia, 2013.
  8. Cherkasova, N.I. Analysis of the state of rural electric networks of 10 kV in the light of failure monitoring. Polzunovsky Bull. 2012, 4, 49–54. [Google Scholar]
  9. Zhou, X.; Guo, T.; Ma, Y. An Overview on Microgrid Technology. In Proceedings of the 2015 IEEE International Conference on Mechatronics and Automation (ICMA), Beijing, China, 2–5 August 2015; pp. 76–81. [Google Scholar]
  10. Barnes, M.; Kondoh, J.; Asano, H.; Oyarzabal, J.; Ventakaramanan, G.; Lasseter, R.; Hatziargyriou, N.; Green, T. Real-World MicroGrids-An Overview. In Proceedings of the 2007 IEEE International Conference on System of Systems Engineering, San Antonio, TX, USA, 16–18 April 2007; pp. 1–8. [Google Scholar]
  11. Zaidi, A.A.; Kupzog, F. Microgrid Automation—A Self-Configuring Approach. In Proceedings of the 2008 IEEE International Multitopic Conference, Karachi, Pakistan, 23–24 December 2008; pp. 565–570. [Google Scholar]
  12. Zhdanov, P.S. Stability Issues of Electrical Systems; Energy: Moscow, Russia, 1979; pp. 77–105. ISBN 31.27-01-6112.11. [Google Scholar]
  13. RastrWin. Available online: http://www.rastrwin.ru (accessed on 7 May 2020).
  14. Wang, Z.; Chen, B.; Wang, J.; Kim, J. Decentralized Energy Management System for Networked Microgrids in Grid-Connected and Islanded Modes. IEEE Trans. Smart Grid 2016, 7, 1097–1105. [Google Scholar] [CrossRef]
  15. Tani, A.; Camara, M.B.; Dakyo, B. Energy Management in the Decentralized Generation Systems Based on Renewable Energy—Ultracapacitors and Battery to Compensate the Wind/Load Power Fluctuations. IEEE Trans. Ind. Appl. 2015, 51, 1817–1827. [Google Scholar] [CrossRef]
  16. Tani, A.; Camara, M.B.; Dakyo, B. Energy Management in the Decentralized Generation Systems Based on Renewable Energy Sources. In Proceedings of the 2012 International Conference on Renewable Energy Research and Applications (ICRERA), Nagasaki, Japan, 11–14 November 2012; pp. 1–6. [Google Scholar]
  17. Kargarian, A.; Mohammadi, J.; Guo, J.; Chakrabarti, S.; Barati, M.; Hug, G.; Kar, S.; Baldick, R. Toward Distributed/Decentralized DC Optimal Power Flow Implementation in Future Electric Power Systems. IEEE Trans. Smart Grid 2018, 9, 2574–2594. [Google Scholar] [CrossRef]
  18. Dou, C.; An, X.; Yue, D.; Li, F. Two-Level Decentralized Optimization Power Dispatch Control Strategies for an Islanded Microgrid without Communication Network. Int. Trans. Electr. Energy Syst. 2017, 27, e2244. [Google Scholar] [CrossRef]
  19. Qi, C.; Wang, K.; Fu, Y.; Li, G.; Han, B.; Huang, R.; Pu, T. A Decentralized Optimal Operation of AC/DC Hybrid Distribution Grids. IEEE Trans. Smart Grid 2018, 9, 6095–6105. [Google Scholar] [CrossRef]
  20. Yin, H.; Zhao, C.; Ma, C. Decentralized Real-Time Energy Management for a Reconfigurable Multiple-Source Energy System. IEEE Trans. Ind. Inform. 2018, 14, 4128–4137. [Google Scholar] [CrossRef]
  21. Koukoula, D.I.; Hatziargyriou, N.D. Gossip Algorithms for Decentralized Congestion Management of Distribution Grids. IEEE Trans. Sustain. Energy 2016, 7, 1071–1080. [Google Scholar] [CrossRef]
  22. Shi, W.; Xie, X.; Chu, C.-C.; Gadh, R. Distributed Optimal Energy Management in Microgrids. IEEE Trans. Smart Grid 2015, 6, 1137–1146. [Google Scholar] [CrossRef]
  23. Sazykin, V.G.; Kudrjakov, A.G. Actual Issues of Technical Sciences: Theoretical and Practical Aspects. Collective Monograph; Aeterna: Ufa, Russia, 2017; pp. 64–87. [Google Scholar]
  24. Andrianova, L.P.; Kabashov, V.J.; Hajrislamov, D.S. Reliable indicators of SAIFI and SAIDI rural electric networks with intelligent sectional reclosers. Bull. Bashkir State Agrar. Univ. 2019, 3, 83–92. [Google Scholar] [CrossRef]
  25. Popović, D.H.; Greatbanks, J.A.; Begović, M.; Pregelj, A. Placement of Distributed Generators and Reclosers for Distribution Network Security and Reliability. Int. J. Electr. Power Energy Syst. 2005, 27, 398–408. [Google Scholar] [CrossRef]
  26. Karpov, A.I.; Akimov, D.A. Integral Indicators Improvement (SAIFI) of Power Supply Reliability in Electric Distribution Systems Based on Reclosers Placement Optimization. In Proceedings of the 2018 IEEE Conference of Russian Young Researchers in Electrical and Electronic Engineering (EIConRus), Moscow, Russia, 29 January–1 February 2018; pp. 663–666. [Google Scholar]
  27. De Bruyn, S.; Fadiran, J.; Chowdhury, S.; Chowdhury, S.P.; Kolhe, P. The Impact of Wind Power Penetration on Recloser Operation in Distribution Networks. In Proceedings of the 2012 47th International Universities Power Engineering Conference (UPEC), London, UK, 4–7 September 2012; pp. 1–6. [Google Scholar]
  28. Sazykin, V.; Kudryakov, A.; Bagmetov, A. Criteria for Optimizing the Place of Reklouser Installation in the 6-10 KV Distribution Network. Electrotech. Syst. Complexes 2018, 1, 33–39. [Google Scholar] [CrossRef]
  29. Onisova, O.A. Subdivision Protection in Electric Power Systems Containing Low-Power Electric Power Plants. Power Technol. Eng. 2014, 48, 322–330. [Google Scholar] [CrossRef]
  30. Fishov, A.G.; Landman, A.K.; Serdyukov, O.V. SMART Technologies for Connecting to Electric Networks and Control Small Generation Modes. In Proceedings of the VIII International Scientific and Technical Conference “Electricity through the Eyes of Youth—2017”, Samara, Russia, 2–6 October 2017; pp. 27–34. [Google Scholar]
  31. Ilyushin, P.V.; Pazderin, A.V. Requirements for dividing automation of distributed generation facilities, taking into account the influence of adjacent network parameters and load. Electr. Transm. Distrib. 2018, 4, 42–47. [Google Scholar]
  32. Ilyushin, P.V. Features of the implementation of multi-parameter dividing automation in energy areas with distributed generation facilities. Relay Prot. Autom. 2018, 2, 12–24. [Google Scholar]
  33. Shabad, M.A. Fission Protections—Automation of Division During Failures, 7th ed.; Dyakov, A.F., Ed.; Energoprogress: Moscow, Russia, 2006; pp. 5–37. [Google Scholar]
  34. Kalentionok, E.V.; Filipchik, Y.D. Methodological approaches to the creation of dividing automation in industrial enterprises with generating power plants. Energy Proc. Higher Educ. Establ. Energy Assoc. CIS 2010, 6, 14–19. [Google Scholar]
  35. Gulomzoda, A.; Fishov, A.G.; Nikroshkina, S.V. Development of Small-Scale Hydropower Generation in Tajikistan. In Proceedings of the 2019 8th International Academic and Research Conference of Graduate and Postgraduate Students, Novosibirsk, Russia, 28 March 2019; pp. 123–126. [Google Scholar]
  36. Gulomzoda, A.; Fishov, A.G.; Nikroshkina, S.V. Technology of Managing the Modes of Local Energy Supply Systems. In Proceedings of the 2018 2nd All Russia Academic and Research Conference of Graduate and Postgraduate Students, Novosibirsk, Russia, 20 December 2018; pp. 70–72. [Google Scholar]
  37. Ismoilov, S.T.; Gulomzoda, A.H.; Rahimov, F.M. Putting distributed generation into the network to provide system services. In Proceedings of the 11th International Conference on Mining, Construction and Energy, Tula, Russia, 5–6 November 2015; pp. 362–367. [Google Scholar]
  38. Gezha, E.N.; Glazyrin, V.E.; Glazyrin, G.V.; Ivkin, E.S.; Marchenko, A.I.; Semendjaev, R.J.; Serdjukov, O.V.; Fishov, A.G. System automation for the integration of local power supply systems with synchronous low generation into electrical networks. Prot. Eng. 75 Years Dep. RP APS NRU MPEI 2018, 2, 24–31. [Google Scholar]
  39. Fishov, A.G.; Mukatov, B.B.; Marchenko, A.I. Method for Emergency Control of the Mode of Parallel Operation of Synchronous Generators in Electrical Networks. RU Patent 2662728, 30 July 2018. [Google Scholar]
  40. Fishov, A.G.; Ghulomzoda, A.H.; Kasobov, L.S. Decentralised reconfiguration of a Microgrid electrical network using reclosers. Proc. Irkutsk State Tech. Univ. 2020, 24, 382–395. [Google Scholar] [CrossRef]
  41. Buzin, S.; Vorotnickij, V. Modern Relay Protection and Automation for the Automation of 6–10 Kv Overhead Electrical Networks; Technical Report; RK Tavrida Elektrik Ltd.: Krasnodar, Russia, 2010; pp. 1–4. [Google Scholar]
  42. Hachaturov, A.A. Non-Synchronous Switching and Resynchronization in Power Systems, 2nd ed.; Energy: Moscow, Russia, 1977; pp. 11–25. ISBN 621-311-018-5. [Google Scholar]
  43. Beljaev, N.A. Synthesis of Adaptive Synchronization Systems for Generators with an Electric Network Based on Automatic Control Methods with a Reference Model. Master’s Thesis, Tomsk Polytechnic University, Tomsk, Russia, 7 October 2015. (In Russian). [Google Scholar]
  44. Sprint-M Accurate Automatic Synchronization Device. Available online: https://www.rza.ru/catalog/zahita-i-avtomatika-stancionnogo-oborudovaniya/sprint-m.php?sphrase_id=29938&click=130 (accessed on 7 April 2020).
  45. Synchrotact. Sync Devices and Systems. Available online: https://new.abb.com/power-electronics (accessed on 25 March 2020).
  46. Reliability of Distribution Electric Networks 6 (10) Kv Automation Using Reclosers. Available online: http://www.news.elteh.ru/arh/2002/17/08.php (accessed on 23 April 2020).
  47. Vorotnickij, V.; Buzin, S. The Recloser is a New Level of Automation and Control of Overhead Lines of 6 (10) kV. Available online: http://www.news.elteh.ru/arh/2005/33/11.php (accessed on 27 April 2020).
Figure 1. Construction dynamics of the small-scale hydropower plants (SHPPs) from 1990–2013.
Figure 1. Construction dynamics of the small-scale hydropower plants (SHPPs) from 1990–2013.
Energies 13 03673 g001
Figure 2. (a) The power generation and (b) the plant utilization factor of small-scale hydropower plants (SHPPs) in the Rasht grids.
Figure 2. (a) The power generation and (b) the plant utilization factor of small-scale hydropower plants (SHPPs) in the Rasht grids.
Energies 13 03673 g002
Figure 3. The geographical map of the grid under study of the Lahsh district in Tajikistan.
Figure 3. The geographical map of the grid under study of the Lahsh district in Tajikistan.
Energies 13 03673 g003
Figure 4. The basic structure of a hybrid microgrid.
Figure 4. The basic structure of a hybrid microgrid.
Energies 13 03673 g004
Figure 5. The functional control diagram of the modified recloser.
Figure 5. The functional control diagram of the modified recloser.
Energies 13 03673 g005
Figure 6. Model of the rural area grid of the Lahsh region of Tajikistan, Central Asia.
Figure 6. Model of the rural area grid of the Lahsh region of Tajikistan, Central Asia.
Energies 13 03673 g006
Figure 7. The angle-time curve in case of disturbance: (a) ±180° curve; (b) incremental angle curve.
Figure 7. The angle-time curve in case of disturbance: (a) ±180° curve; (b) incremental angle curve.
Energies 13 03673 g007
Figure 8. The angle-time curve in disturbance conditions while using the suggested method.
Figure 8. The angle-time curve in disturbance conditions while using the suggested method.
Energies 13 03673 g008
Figure 9. The microgrid transient response with 20% of the maximum load.
Figure 9. The microgrid transient response with 20% of the maximum load.
Energies 13 03673 g009
Figure 10. The microgrid transient response with 60% of the maximum load.
Figure 10. The microgrid transient response with 60% of the maximum load.
Energies 13 03673 g010
Figure 11. The microgrid transient response with 100% of the maximum load.
Figure 11. The microgrid transient response with 100% of the maximum load.
Energies 13 03673 g011
Table 1. The prospect of SHPP building according to the program.
Table 1. The prospect of SHPP building according to the program.
Stages/CapacityShort-Term Stage (2009–2011), UnitsMedium-Term Stage (2012–2015), UnitsLong-Term Stage (2016–2020), Units
Up to 100 kW202121
100 to 1000 kW343725
Over 1000 kW12127
Total667053
Total power, kW43,35032,85026,801

Share and Cite

MDPI and ACS Style

Ghulomzoda, A.; Gulakhmadov, A.; Fishov, A.; Safaraliev, M.; Chen, X.; Rasulzoda, K.; Gulyamov, K.; Ahyoev, J. Recloser-Based Decentralized Control of the Grid with Distributed Generation in the Lahsh District of the Rasht Grid in Tajikistan, Central Asia. Energies 2020, 13, 3673. https://doi.org/10.3390/en13143673

AMA Style

Ghulomzoda A, Gulakhmadov A, Fishov A, Safaraliev M, Chen X, Rasulzoda K, Gulyamov K, Ahyoev J. Recloser-Based Decentralized Control of the Grid with Distributed Generation in the Lahsh District of the Rasht Grid in Tajikistan, Central Asia. Energies. 2020; 13(14):3673. https://doi.org/10.3390/en13143673

Chicago/Turabian Style

Ghulomzoda, Anvari, Aminjon Gulakhmadov, Alexander Fishov, Murodbek Safaraliev, Xi Chen, Khusrav Rasulzoda, Kamol Gulyamov, and Javod Ahyoev. 2020. "Recloser-Based Decentralized Control of the Grid with Distributed Generation in the Lahsh District of the Rasht Grid in Tajikistan, Central Asia" Energies 13, no. 14: 3673. https://doi.org/10.3390/en13143673

APA Style

Ghulomzoda, A., Gulakhmadov, A., Fishov, A., Safaraliev, M., Chen, X., Rasulzoda, K., Gulyamov, K., & Ahyoev, J. (2020). Recloser-Based Decentralized Control of the Grid with Distributed Generation in the Lahsh District of the Rasht Grid in Tajikistan, Central Asia. Energies, 13(14), 3673. https://doi.org/10.3390/en13143673

Note that from the first issue of 2016, this journal uses article numbers instead of page numbers. See further details here.

Article Metrics

Back to TopTop