Abstract
Non-invasive diagnostic methods for electric machines’ diagnostics, which can be used during their operation in a drive system, are needed in many branches of the production industry. For the reliable condition assessment of electric machines, especially those operating in drive systems, various tools and methods have been suggested. One diagnostic method that has not been fully recognized and documented is a diagnostic method based on zero-sequence voltage component (ZSV) applications for the condition assessment of induction machines. In this paper, the application of ZSV in induction machine diagnostics is proposed. A factor that speaks in favor of applying this signal in such diagnostics is the high sensitivity of the signal to damage occurrence, and the distinct change of extracted symptoms in the case of asymmetry. It is possible to obtain a high signal amplitude, which simplifies its processing and the elaboration of reliable diagnostic factors. This ZSV-based method is also able to be applied to big machines used in industry. Due to the saturation effects visible in the ZSV signal, new diagnostic symptoms can appear, which allows for an easier condition assessment of certain machines. The usefulness of the described diagnostic method in machine condition assessment was shown through an equivalent circuit modeling process, finite element analysis, and laboratory tests of the machine.
1. Introduction
Electric machine fault detection using diagnostic signal analysis is one of the most commonly used diagnostic methods. Currently, in the electric machine fault detection process, it is one of the most relevant diagnostic approaches for machine condition assessment based on the measured signals of the operating machine. Non-invasive electric machine fault detection methods that can be used during the machine’s operation in a drive system are very important in many industry branches. Unpredictable machine damage might lead to production stopping, and large economic losses.
For over 30 years, electric machine fault detection methods have constantly been developed and improved. This is still a current research topic, and many researchers continue to seek new diagnostic tools and methods. For reliable machine condition assessment, especially of those in critical drive systems with high expected reliability, objective methods, tools, and means for realizing the diagnostic process are required. The most important induction machine diagnostic methods are based on the frequency analysis of signals (FFT). In the literature, these methods are known as motor current signature analysis (MCSA). The most representative, simple, and easy to illustrate diagnostic method is induction machine rotor cage fault detection, based on the analysis of left sideband slip harmonics f0(1 − 2s) (LHP).
For all these methods, it is important to have a formula for extracting characteristic features and diagnostic factors for the machine technical condition assessment.
In most cases, all analyses are able to be carried out during the machine’s steady operating state. For signals collected during the dynamic operating state, time-frequency signal analysis methods are used.
Generally, based on the induction machine’s start-up current, the usefulness of these methods when used during dynamic states is clear.
In many papers, the state-of-art on electric machine diagnostic methods is presented. In selected papers, one can find the state-of-art on diagnostic methods and their respective development directions [1,2,3]. In diagnostic-related issues, the definition of damage types and their classification, diagnostic methods, software for diagnostics, and modernity of the used approach and maintenance, as well as their compatibility with Industry 4.0 philosophy, are very important.
One of the research fields in induction machine diagnostics is induction motor cage fault detection. In the literature, one can find applications of various signals and methods. Stator current-based analysis methods [4,5,6,7,8,9], zero-sequence component of stator current [10,11,12,13,14,15], zero-sequence component of voltage [6,13,16,17,18,19], and zero-sequence component of axial flux [20,21,22,23,24,25,26,27], were all taken into account. These methods allow for the detection of various rotor cage asymmetries. In the literature, one can also find descriptions of many methods of rotor eccentricity fault detection. Similarly to rotor cage damage, for diagnosis of eccentricity-related faults, one can use stator current [5,7,28,29,30], the zero-sequence component of current [10,31], or the zero-sequence component of voltage or axial flux [32,33,34,35]. Another issue that has been widely discussed in the diagnostic-related literature is bearing fault detection. The most commonly used diagnostic signals are vibration and noise [36]. Bearing faults can be detected through the symptoms contained in the stator current [5,29,37] and axial flux [33,38]. In the case of stator winding short circuit detection, based on the experience of various authors, one can state that the most appropriate signal for detecting this type of fault is axial flux [23,24,39]. One may also encounter the application of the stator current [28,40,41] and the zero-sequence component of current [10]. The zero-sequence component of flux and zero-sequence voltage have been used for sensorless control [42]. One can also see the application of the current zero-sequence component of machines supplied from an inverter for the control algorithm [43]. This paper proves that the zero-sequence component of current should be damped, since it does not contribute to torque generation but causes harmful effects, such as power loss and torque ripple [43]. The zero-sequence component of current has also been used in the diagnostic process for converter fault detection [44,45]. In the paper exploring this, a practical online method of open switch fault detection was presented. The negative sequence component of the stator current has also been used for rotor asymmetry detection [46]. In this paper, an algorithm of low computational complexity, used for the induction machine’s rotor asymmetry detection, was presented. The proposed approach is based on calculation of the negative sequence component of stator start-up currents, and allows for visualization of the characteristic pattern of the transient state lower bandwidth component (LSH) [46]. Analysis of the possibilities for fault detection in induction machines based on rotor cage bars current measurement has also been presented [47]. Types of electrical and magnetic asymmetries and their influence on rotor cage bar currents were investigated. The competitive accuracy of induction machine fault detection and its advantages over traditional statistical methods [48] have been shown using deep learning methods [49]. Convolutional neural networks (CNNs) were applied in order to automatically extract solid functions from images in grey scale to diagnose faults in induction machines. It is possible to carry out non-invasive fault detection of electric machines using thermal imaging [50]. In the investigation of this approach, the authors developed an original method for thermal images’ feature extraction, and described fault detection techniques that could be useful for the protection of the three-phase induction motor and other types of electric rotating machines, such as DC motors, generators, and synchronous motors. Using computational fluid dynamics and a module for thermal analysis, one can accurately investigate the influence of an asymmetric rotor on the thermal efficiency of the motor [51]. An interesting approach in diagnostics is advanced fault detection of rotors in big induction machines based on internal measurement of the air gap magnetic flux [52]. The experiment was carried out in the laboratory, but it can be applied to big induction machines with Hall sensors used in mining processes. The complex hybrid diagnostic approach is based on various factors related to mechanical and electrical faults [53]. The state-of-the-art early fault detection and its application for rotating machines is described in [54]. In this paper, a survey and summary on early fault diagnosis tests of gears, rotors, and bearings were described. One of the diagnostic methods that has not been fully recognized and documented in the literature is a diagnostic method, which uses zero-sequence voltage for induction machine condition assessment. In this paper, an application of ZSV for the detection of various faults of induction machine rotors was proposed. A factor that is favorable for the use of this signal for diagnostics is the high signal sensitivity to faults, and the visible change of extracted symptoms in the case of asymmetry occurrence. It is possible to obtain a high signal amplitude, which simplifies its processing and development of reliable diagnostic factors. The ZSV-based method can be implemented and practically applied in big machines used in industry. Due to the saturation effects visible in the ZSV signal, new diagnostic symptoms allow for a simpler machine condition assessment. This paper presents a full chain of research on the application of the ZSV signal for fault detection. First, a mathematical model of the machine based on the winding function, including magnetic saturation faults, such as eccentricity and rotor cage asymmetry, was developed. The mathematical model allowed us to extract the formula for the zero-sequence voltage and then, using the assumptions for the machine’s steady state, the formulas for typical fault frequency components were derived. In order to verify the correctness of the mathematical formulas, finite element analysis and laboratory tests were carried out. The procedure of the experiment and results verification are presented in Figure 1.
Figure 1.
Diagram of the workflow for the tests and result validation.
The rest of the paper is organized as follows: In Section 2, the concept of ZSV application to induction machine fault detection is described. Section 3 contains a description of three methodologies of permeance function derivation, including the influence of magnetic saturation for various types of eccentricity faults. The winding function-based mathematical model of a cage induction motor for estimating characteristic frequencies contained in the zero-sequence voltage signal is presented in Section 4. Section 5 presents an Finite Element Model (FEM) of the machine, which was used for validation of the winding function-based machine mathematical model. In Section 6, the results obtained from the FEM model and laboratory measurements are presented. In Section 7, the analysis of the results is presented. Finally, conclusions are given in Section 8.
2. Application of ZSV to Induction Motor Fault Detection
The zero-sequence component of voltage is defined as the sum of all phase voltages induced in stator winding, divided by three:
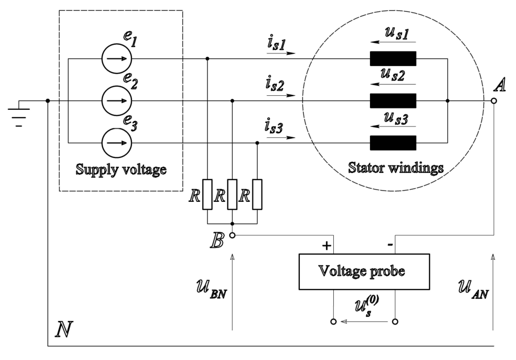
where is the stator winding resistance matrix, is the stator current vector, is the stator flux linkage vector, and is the mutual stator-rotor flux linkage vector. The method for ZSV measurement is shown in Figure 2 [13,18].
Figure 2.
Circuit for measurement of the zero-sequence voltage.
The defining voltage equations are shown below:
Next, by adding both sides and dividing by three, one can obtain:
Balance resistors R were used in the measurement system in order to symmetrize the supply voltages. These resistors are necessary in the case of asymmetry of the supply voltage amplitudes. In the case of symmetrical supply voltages, the voltage is equal to zero, so ZSV can be measured with reference to neutral wire N:
During the initial measurements, it was noticed that motor fault occurrence and supply voltage asymmetry have a strong impact on the ZSV waveform. Figure 3 shows the FFT of the analyzed cases: (a) Symmetry, (b) broken bars, and (c) eccentricity proved that the frequency spectra contained harmonics, which can be identified by means of known MCSA patterns.
Figure 3.
ZSV time waveforms and frequency spectra of the cage induction motor.
After the initial analysis of these frequency spectra, one can observe some similarities; however, in the case of ZSV, the dominant harmonic is the harmonic coming from the magnetic circuit saturation. One can conclude that taking into account this effect in the mathematical model allows for developing the right formulas for specific types of faults.
3. Permeance Function Including the Influence of Magnetic Circuit Saturation for Different Types of Eccentricity
In order to interpret registered ZSV signals, the tests started with the development of the right mathematical model of the induction motor. The basis of such a model is the permeance function, which takes into account the influence of magnetic circuit saturation and variable air gap width caused by eccentricity. Such a permeance function can be derived using amplitude modulation, as presented in Figure 4.
Figure 4.
Illustration of the permeance function derivation method.
The function that models the variation of magnetic permeance depending on the saturation of the magnetic circuit depends on the magnetizing current vector and the electrical angle . It can be defined as [17,55,56,57]:
where . The research described in the author’s paper [57] proves that for a satisfactory saturation effects approach, two series components are sufficient.
Figure 5 shows an example graph of the magnetizing current vector , representing the maximum value of EMF in the stator circuit for the pole pair number p = 1. In the case of a higher number of pole pairs, it is more convenient to use the electrical angle, defined as :
Figure 5.
Magnetizing current vector diagram, where x is the angular position with reference to the stator, is the magnetizing current vector, and is the phase of the magnetizing current vector.
The constant component of series (8), , can be interpreted as a function that models permeance decrease uniformly around the entire circumference of the machine due to magnetic core saturation. The same effect can be achieved by increasing the air gap length. The second component of the series models the saturation during a local increase of the air gap length in the place pointed out by the electrical angle of the magnetizing current vector.
Another factor impacting the permeance is the mechanical changes of the air gap length caused by the stator and rotor slotting and eccentricity. In this paper, we only considered the effects of permeance variation caused by eccentricity.
Individual functions defining permeance variations caused by eccentricity are the reciprocal of the magnetic field contour length function between the stator and rotor:
In order to derive such a function, first it is necessary to find the air gap magnetic field distribution using the FEM method or simplified method, which is based on geometrical dependencies [58].
The individual permeance function for a non-uniform air gap can be approached by a Fourier series of two variables, x and φ:
where , .
Depending on the type of eccentricity, the function assumes a general form for different eccentricity types, as shown in Table 1.
Table 1.
Permeance function for different types of eccentricity.
Considering the functions for modeling magnetic circuit saturation (8) and the eccentric position of the rotor (10), while neglecting the slotting of the stator and rotor, one can approximate the permeance of the motor with the formula obtained from amplitude modulation:
where:
Considering the magnetic permeance model, one should pay attention to the order of harmonic m, which was developed from the sum of harmonic orders generated by saturation and eccentricity. Combinations of numbers for certain m coming from Equation (13) will be crucial while deriving the assumptions regarding frequency pattern generation necessary for harmonics identification in the ZSV spectrum. The final number of function components (11) depends on the limitations of the permeance model. The more components included, the more accurately the model maps the real state. However, during the diagnostic process, it is better to base it on the most relevant fault symptoms, hence the set should be limited.
The next state in the mathematical model derivation for ZSV interpretation is the development of inductance formulas. The method of sinusoidal equivalent windings and the previously defined permeance function (11) were used for this task. The first part of this formula [59,60] has been thoroughly investigated.
Mutual inductance between windings „a” and „b”, whose magnetic axes are in positions and , is of the form:
where is the number of winding loops a and b; is the winding factors a and b for harmonics and ; is the stator inner radius; is the axial length of the magnetic core; is the magnetic permeability of the vacuum; p is the pole pair number; and z is the radial coordinate.
For stator winding:
For rotor winding:
Each of the stator windings “a” and “b” (Figure 6) of the pole pair number equal to p wound symmetrically on the stator generates an electromotive force, which can be approximated by a Fourier series of harmonic orders for winding “a” and for winding “b” (15), belonging to the same set , .
Figure 6.
Cross-section of the induction machine showing the vectors of the stator and rotor magnetic field.
Currents flowing in the symmetrical rotor cage of N number of bars generate magnetic fields, which can be approximated by a Fourier series with harmonics numbers for winding “a” and for winding “b” (16).
Coefficient Q1, presented in Equation (14), can take only two values: 0 or 1, depending on the logical condition described below:
Logical condition (17) determines whether, for specified magnetic field harmonics and , generated by windings a and b, respectively, for a given permeance harmonic m, the inductance exists. This condition can be reduced to the following, where: , , and :
Such derived coefficients will be used for the estimation of all necessary parameters for the mathematical model [57,60,61] of the machine.
4. Mathematical Model of the Cage Induction Motor
Using inductance Equation (14), the mathematical model of the motor based on voltage equations was derived and its transformation to a symmetrical components coordinate system was performed:
Such a transformation leads to a simplified inductance matrix, which helps to determine the orders of harmonics in each matrix cell.
For the stator self-inductance matrix :
where R is the row number {0, 1, 2} and C is the column number {0, 1, 2}, related to the symmetrical component of the stator current vector .
For the mutual stator-rotor inductance matrix :
where R is the row number {0, 1, 2} and C is the column number {0, 1,…, N − 1} related to the symmetrical component of the rotor current vector .
For further mathematical analysis of the model, only stator voltage equations were considered, from which the formula for the zero-sequence voltage component was derived:
where , , , , and is the resistance/leakage inductance of stator winding, .
The equations are in the general form, but in the case of the zero-sequence voltage analysis of the motor with the start connection of the winding, it should be assumed that .
In Equation (24), four voltages related to the specific matrix were extracted intentionally. From each of these components, diagnostic patterns can be obtained. The initial analysis noted that the stator voltage induced by the rotor magnetic flux contained the most diagnostic signals compared to the other voltages [57]; hence, this voltage was subjected to further considerations.
Voltage is a derivative of the product of the first row of the matrix and a vector of the rotor current symmetrical components . Since the frequency of the rotor current base harmonic can be easily estimated, it is sufficient to only consider the inductance related to the p-th symmetrical component of the rotor current and reduce to the form:
Using the formula: , , and defining the current , the formula was obtained:
which after extending leads to:
Using steady-state assumptions: , , , , , and , where is the supply frequency , the formula was obtained:
from which the formulas for characteristic frequencies contained in the zero-sequence stator voltage component could be derived.
Formula for symmetry and eccentricity cases:
where is the supply frequency and is the rotational frequency of the rotor.
Formula for the rotor cage asymmetry case:
In the case of rotor cage asymmetry caused by bar damage, for example, additional harmonics whose frequencies are defined by or , where , appear in the p-th and (N-p)-th symmetrical component of the current. An example of such a spectrum obtained from simulation of the circuit model of the machine in MATLAB is shown in Figure 7, where one can observe new harmonics emerging due to rotor cage damage. Due to this phenomena, Formula (29) was transformed to the form shown below:
Figure 7.
Example spectrum of the p-th (blue color) and (N-p)-th (red color) symmetrical component of rotor currents for healthy machines and machines with a broken rotor cage bar.
Although the formulas for specific frequencies (Table 2) are the same (excluding rotor cage asymmetry), the calculated frequencies vary among each other since takes different values depending on the type of asymmetry. Gathering all previous assumptions and formulas, the process of characteristic frequencies calculation can be algorithmized knowing only the pole pair number p and rotor cage bars number N. The algorithm is presented in Figure 8.
Table 2.
Characteristic frequencies for particular fault types.
Figure 8.
Algorithm of the characteristic frequency derived for known p and N.
Algorithm of Characteristic Frequencies Calculation for a Given Type of Asymmetry
- Define the set of harmonic orders approximating the magnetic field of the stator and rotor , following the assumptions.
- Define the set of harmonic orders, which model the air gap magnetic permeance , determined by eccentricity sets: , and magnetic core saturation .
- Generate the combination of harmonic orders from sets , , and , respectively, which meet the inductance existence condition below:
- Select the combination of harmonic orders generated in point 3, which are related to the cell located in the 0-th row and p-th column of the stator-rotor mutual inductance matrix. Such combinations meet the condition:
- Generate frequency patterns using Formulas (30) and (32), and next select the right patterns depending on the type of fault, according to Table 2.
An example of characteristic frequencies generation for a particular type of motor fault for a motor of N = 28 stator slots and pole pair number p = 2.
Assumptions:
- The magnetic field of the stator winding with pole pair p = 2 and the magnetic field of the rotor cage with rotor bars numbering N = 28 were approximated by a Fourier series containing harmonics and , respectively.
- In the permeance function, the following harmonic orders were included: , where: , , and .
Considering Formulas (30) and (32) and the condition , the formulas for the frequency calculation were generated for each case and placed in Table 3, Table 4, Table 5, Table 6 and Table 7.
Table 3.
Harmonic orders and formulas for the symmetry case.
Table 4.
Harmonic orders and formulas for the static eccentricity case.
Table 5.
Harmonic orders and formulas for the dynamic eccentricity case.
Table 6.
Harmonic orders and formulas for the mixed eccentricity case.
Table 7.
Harmonic orders and formulas for the broken rotor cage.
The generated frequencies were identified based on Table 2 and associated with a specific machine’s condition. Characteristic frequencies, which were generated with the magnetic core saturation effect, included those where . The most interesting formula cases occurred for . In this case, the formulas contained a triple supply frequency, which brought about a new quality of damage identification. Obviously, there were more generated formulas for the declared sets, especially for mixed eccentricity. For this paper, the most relevant frequencies up to 1 kHz were selected. The algorithm of the generation of the reference frequencies has low computational cost and is not more complex than the algorithm used for the MCSA method. The mathematical model of the machine is also quite simple in terms of computational cost.
5. FEM Analysis
Careful analysis of the machine mathematical model provided a tool for identification of the zero sequent component’s frequency spectrum content in the form of generated frequency patterns. The next stage of tests was the verification of the correctness of the formulas, which started with FEM analysis.
For simulation of a 2-D model of the induction motor, the Maxwell 2D with Transient Solver add-on was used as a part of the Maxwell-ANSYS environment. The investigated machine was an Sg112M-4 motor whose parameters were as follows: PN = 4 kW, UN = 400 V, IN = 8.1 A, nN = 1430 rpm, p = 2, air gap length = 0.3 mm, machine core length = 117 mm, inside stator radius = 59 mm, outside stator radius = 92.04 mm, number of stator slots Ns = 36, and rotor cage bars number N = 28. The geometry of the examined motor was modeled based on the schema of the machine’s winding, and technical drawings of the stator and rotor. M19 steel with a non-linear magnetizing curve was used in the model. Figure 9 shows the electric circuit model in the FEM software, and the B-H curve.
Figure 9.
Electric circuit model in the FEM software, the B-H curve, the stator, and rotor slots’ dimensions: (a) stator winding connection to supply the voltage and measurement equipment in the Maxwell Circuit Editor; (b) B-H curve of the M19 steel sheet; (c) stator slot, where: = 6.7 mm, = 3 mm, = 14.2 mm; (d) rotor slot, where = 5.3 mm, = 2.4 mm, = 1 mm, = 16.85 mm.
A chain of simulations was performed for the following cases of machine condition: (1) Healthy motor, (2) dynamic eccentricity 77%, (3) static eccentricity 77%, (4) mixed eccentricity (dynamic 20% and static 20%), and (5) with broken rotor cage bars. The eccentric assembly of the rotor used in the FEM simulations is shown in Figure 10. Modeling of rotor cage asymmetry was done by increasing the resistance of a specific bar 100 times, while eccentricity was modeled by shifting the rotor axis with respect to the stator axis.
Figure 10.
Modeling of eccentricity.
Stator winding was connected in a Y configuration and supplied from a symmetrical three-phase voltage URMS = 400 V. The rotational speed of the rotor was set to 1450 rpm in all cases. Rotor skew was not taken into account in the model, so one can expect to see a frequency spectrum in which the harmonics of frequencies, due to the multiple rotor cage bars, will achieve higher amplitudes. The simulation time was set to 10 s with 0.1-ms steps. Such parameters allowed us to obtain the frequency spectrum up to 5 kHz, with sufficient resolution for harmonics identification.
6. Results
The following two sections contain the results obtained from FEM simulation and laboratory measurements.
6.1. Simulation Results
In Figure 11, one can see the results of zero-sequence voltage analysis for different fault cases.

Figure 11.
ZSV spectra for the following cases: (a) symmetry, (b) static eccentricity, (c) dynamic eccentricity, (d) mixed eccentricity, and (e) damaged rotor cage.
Signal time waveforms obtained from the simulation were then processed and subjected to FFT analysis. Next, using the formulas contained in Table 2, harmonics associated with specific motors were found and classified (bold blue color—symmetry, red—dynamic eccentricity, green—static eccentricity, purple—mixed eccentricity, black—rotor cage damage). Each harmonic was also labeled with the corresponding formula. Additionally, the ZSV spectrum of the motor with broken rotor cage bars was zoomed in on, and compared with the ZSV spectrum of a healthy motor, as shown in Figure 12.
Figure 12.
Comparison of ZSV spectra for the following cases: (a) symmetry (blue color) and (b) rotor cage fault (black color).
The amplitudes of the harmonics indicated by the previously generated formulas were measured and compared to harmonics amplitudes of the same frequency for a healthy motor. The measurement results were organized and are listed in Table 8 and Table 9. Each indicated harmonic shows the relevant increase of the amplitude in case of a fault. Of all fault types, rotor cage asymmetry has the strongest impact on the ZSV spectrum, in form of harmonics separated by from those identified for a healthy motor.
Table 8.
Results of harmonics amplitude measurements of the characteristic frequency for a given type of eccentricity, obtained from FEM simulations.
Table 9.
Results of harmonics amplitude measurements of the characteristic frequency for a rotor cage fault, obtained from FEM simulations.
The results of FEM analysis proved that the results shown before the modeling method of the phenomena in an induction machine are correct. Model-based derived formulas were successfully applied in motor fault identification. FEM models provide the possibility to accurately shift the symmetry axes of both the stator and rotor. It allows for the creation of a machine model with dynamic or static eccentricity, which might not always be feasible in the laboratory. FEM modeling of motor faults allows the inclusion of unique construction features, which could be too hard to model mathematically. Moreover, it should be mentioned that the motor used during the simulation was supplied from a perfect sinusoidal voltage source, which eliminated the impact of higher harmonics; hence, the obtained frequency spectra can be treated as a reference.
6.2. Laboratory Tests
Laboratory tests were carried out for the machine, with geometry based on an Sg112M-4 motor whose parameters were as follows: PN = 4 kW, UN = 400 V, IN = 8.1 A, nN = 1430 rpm, p = 2, number of stator slots Ns = 36, and rotor cage bars number N = 28. This machine (Figure 13) was modeled using FEM software. A machine with three types of rotors was measured: (a) Symmetrical, (b) broken bars, and (c) mixed eccentricity. The motor was loaded with a resistance-loaded separately excited DC generator PZM5545, whose parameters were PN = 4.5 kW, UN = 230 V, IN = 19.6 A, nN = 1450 rpm, and If = 0.86 A.
Figure 13.
Laboratory testbench for diagnostic tests.
For measurements of the motor with rotor cage asymmetry, a rotor with two adjacent broken bars was used, and for measurements of the machine’s eccentricity case, a rotor assembled on eccentrically mounted bearing shields and an eccentrically mounted shaft of the rotor was used. During mechanical machining of bearing shields, the symmetry axis was shifted by 0.12 mm, which allowed a static eccentricity level of to be obtained. Additionally, during mechanical machining of the rotor, while mounting the steel sheet on the rotor shaft, its symmetry axis was shifted by 0.12 mm, which allowed a dynamic eccentricity level of to be obtained.
Thanks to the modifications of bearing shields and the rotor of the machine of interest, a mixed eccentricity was obtained.
A machine with mixed eccentricity was obtained eventually. This means that in the frequency spectrum of the measured signal, there were harmonics not only associated with mixed eccentricity but also with static and dynamic eccentricity. As a result, in the spectrum analysis, all three types of eccentricity were visible. A diagram of the electric system used in the laboratory tests is presented in Figure 14.
Figure 14.
Measurement system where ASM is the cage induction motor, DCM is the separately excited DC generator, is the resistor, is the field winding, R is the resistor 100 kΩ, and DAQ is the measuring card.
Input signals were provided to the analog inputs of a National Instruments BNC 6259 measurement card. Signals were registered for 60 s with a 10 kS/s sampling frequency. In order to minimize the electromagnetic distortion of the signal, shielded cables were used. Before each measurement, the shafts of the motor and loading machine were aligned in order to eliminate mechanical vibration caused by shaft misalignment. In all cases, the machine was loaded in such a way that the stator current was 5 A.
The obtained voltage waveforms were subjected to FFT analysis. Based on formulas for characteristic frequencies contained in Table 2, harmonics indicating specific fault types were highlighted (Figure 15).
Figure 15.
ZSV spectrum measured during laboratory tests for eccentricity case.
Similarly to the FEM analysis, the spectra obtained from laboratory tests were analyzed using FFT. Harmonics indicated by the formulas obtained from the mathematical model were selected, and their amplitudes were measured and compared with the amplitudes of a healthy machine. The results, together with calculated differences, are listed in Table 10. In this particular case of machine eccentricity (dyn. , sta. ), harmonic amplitudes related to mixed eccentricity increased the most. Their amplitudes in the case of a healthy motor are almost as low as those of the noise, contrary to the amplitudes of harmonics related to dynamic and static eccentricity. One could conclude that the identification of eccentricity based on harmonics analysis is unambiguous. The harmonic amplitudes are listed in Table 10 for faulty and healthy cases.
Table 10.
Results of harmonics amplitude measurements of characteristic frequencies for a given type of eccentricity, obtained from laboratory tests.
Rotor cage faults manifest their presence in ZSV by the strongest harmonics appearing close to harmonics related to saturation and the number of rotor cage bars. The differences between harmonic amplitudes obtained from measurements for healthy and damaged motors are not as high as in the case of FEM simulation. This is due to the fact that a symmetrical machine is far from perfect, as it exhibits some asymmetry. The ZSV spectrum of the rotor with one broken bar is presented in Figure 16, where the characteristic harmonics and their formulas are marked. The harmonic amplitudes are listed in Table 11.
Figure 16.
ZSV spectrum measured during laboratory tests for the case of a broken rotor cage bar: (a) window around 150 Hz, (b) window around 732 Hz.
Table 11.
Results of harmonics amplitude measurements of the characteristic frequency for a rotor cage fault, obtained from laboratory tests.
Laboratory tests, similarly to the FEM simulation, also proved the correctness of the applied fault identification procedure in the ZSV spectrum. Each highlighted the harmonic, excluding and , for the rotor cage fault case responded with an amplitude increase during the appearance of damage. As the results showed, ZSV responds most strongly to rotor cage faults and mixed eccentricity.
7. Discussion
7.1. Algorithm
The presented method of frequency pattern generation, based on a mathematical model, became a tool that could be used for ZSV spectrum interpretation. The results obtained from FEM analysis and laboratory tests proved the correctness of the method, indicating that the harmonics increased their amplitudes due to the occurrence of a fault. The algorithm allows for the selection of only the most relevant harmonics for observation, by choosing the lowest possible numbers related to asymmetry of the rotor and eccentricity. When using module functions in the algorithm, one does need to know the type of inductance matrix influenced by the pole pair number and rotor cage bars number . Moreover, the algorithm derives the formulas only for the harmonic orders for which the inductance exists, and rejects all the other combinations. The algorithm can be easily implemented in a programming environment, such as MATLAB, with prior declaration of the selected harmonics set.
7.2. Rotor Cage Asymmetry and Dynamic Eccentricity
When analyzing frequency patterns obtained from the algorithm and measurement results, it is apparent that the harmonics sets assigned to rotor cage asymmetry and dynamic eccentricity coincide. By properly selecting the harmonic order related to Formula (32) and related to Formula (30), the same frequencies were obtained. Therefore, ZSV-based diagnosis of rotor cage faults and dynamic eccentricity is unambiguous. When observing the amplitudes of these harmonics in the spectrum obtained from FEM analysis and measurements, one can notice a difference. First of all, ZSV reacts most strongly to rotor cage asymmetry. However, according to the authors of this article, one can confuse the symptoms of a rotor cage fault with dynamic eccentricity.
7.3. Static Eccentricity
One of the advantages of eccentricity diagnosis based on spectral analysis of ZSV is the possibility to diagnose static eccentricity, which is not always possible with MCSA since the harmonics coincide with those of a symmetrical motor. The algorithm presented before clearly indicates the harmonics that appear when this type of fault occurs. The only existing issue with static eccentricity diagnosis is that a motor’s inner asymmetry or unbalanced supply voltage might cause similar symptoms, which can be excluded through additional measurements [57]. For instance, one of the methods of separating from voltage supply asymmetry is ZSV measurement with an artificial neutral point, as shown in Figure 2.
7.4. Mixed Eccentricity
Simulations of the FEM model or equivalent circuit model have one undisputed advantage. They allow for accurate fault modeling; hence, the obtained results can be treated as a reference. The spectra of such waveforms contain harmonics related to symmetry and specific types of faults. However, such a situation does not occur in a real machine. During a machine’s eccentricity diagnosis, in the ZSV spectrum, one may notice harmonics related to dynamic, static, and mixed eccentricity. The latter type of eccentricity is the key to general eccentricity diagnosis, since it cannot be confused with a rotor cage fault nor with the voltage supply or stator winding asymmetry. In spectra obtained from FEM simulations and laboratory measurements, one can always indicate the harmonics of frequencies , and , and , but many others are also easy to identify.
7.5. Drawbacks of ZSV-Based Cage Induction Motor Fault Detection
A drawback of ZSV-based diagnosis of cage induction motors is the method of measurement, shown on Figure 2. Induction motors operating in industry are usually supplied from a medium voltage source; hence, the measurement system should be certified and appropriately adapted. Another important issue is the accessibility of a neutral point of stator winding, which might not be accessible on a machine’s terminal box, making the measurement impossible to carry out. However, there are situations when a neutral point is grounded via a resistor for safety reasons, which might be successfully used for measurement.
8. Conclusions
In summary, this paper presents the entire cycle of research on the application of zero-sequence voltage (ZSV) for induction machine diagnostics, which began with a poly-harmonic model of an induction motor, including eccentricity, rotor cage asymmetry, and magnetic circuit saturation.
This method is based on the analysis of the ZSV frequency spectrum and comparison of harmonics amplitudes obtained for a healthy motor and a motor with faults. This involves measurement of a healthy motor and obtaining the ZSV spectrum, which can then be used as a reference. Although in modern drive systems and other induction motor applications condition monitoring is used, in some cases it is unavailable. This means that sometimes it is impossible to obtain the required signals of the machine from the period when the machine was healthy. In such cases, only the FEM simulation and mathematical model of the machine can provide the reference ZSV spectrum and harmonics amplitudes. This might be a limitation for this method, as the machine models have a limited accuracy. In order to obtain accurate results from FEM simulation, the geometry of the examined machine must be known. Moreover, when including magnetic core saturation effects, the steel sheet of the machine’s magnetic core must be known and well modeled. During FEM simulation, very often only the magnetization curve of the steel sheet is used instead of the full hysteresis loop, which might affect the obtained results.
When performing fault detection of induction motors using the ZSV-based method, it is important to have a reliable reference. When such reference signals cannot be obtained by measurement, FEM analysis and a mathematical model of the machine must be sufficient. Such an approach requires some experience for the person performing the diagnostic analysis.
This method can be quite easily implemented during control tests, such as in electrical machinery repairs or at the workplace in industry. Additionally, at the production stage of the machine in the factory, it would be possible to start serial assembly of additional elements enabling the measurement of the residual voltage, with low financial outlays. This signal, in combination with a signal proportional to the axial flux, vibrations, temperature, or other useful signals, could be very useful in the construction of smart machines that meet the assumptions of the Industry 4.0 concept.
Author Contributions
Conceptualization, A.D. and M.S.; methodology, A.D.; software, A.D.; validation, A.D. and M.S.; formal analysis, M.S.; investigation, A.D. and M.S.; resources, A.D.; data curation, A.D.; writing—original draft preparation, A.D. and M.S; writing—review and editing, M.S.; visualization, A.D.; supervision M.S. All authors have read and agreed to the published version of the manuscript.
Funding
This research, which was carried out under the theme Institute E-2, was founded by the subsidies on science granted by the Polish Ministry of Science and Higher Education.
Conflicts of Interest
The authors declare no conflict of interest.
References
- Merizalde, Y.; Hernández-Callejo, L.; Duque-Perez, O. State of the art and trends in the monitoring, detection and diagnosis of failures in electric induction motors. Energies 2017, 10, 1056. [Google Scholar] [CrossRef]
- Henao, H.; Capolino, G.A.; Fernandez-Cabanas, M.; Filippetti, F.; Bruzzese, C.; Strangas, E.; Pusca, R.; Estima, J.; Riera-Guasp, M.; Hedayati-Kia, S. Trends in fault diagnosis for electrical machines: A review of diagnostic techniques. IEEE Ind. Electron. Mag. 2014, 8, 31–42. [Google Scholar] [CrossRef]
- Bellini, A.; Filippetti, F.; Tassoni, C.; Capolino, G. Advances in diagnostic techniques for induction machines. IEEE Trans. Ind. Electron. 2008, 55, 4109–4126. [Google Scholar] [CrossRef]
- Khelfi, H.; Hamdani, S. Induction motor rotor fault diagnosis using three-phase current intersection signal. Electr. Eng. 2019. [Google Scholar] [CrossRef]
- Miljković, D. Brief review of motor current signature analysis. HDKBR Info Mag. 2015, 5, 14–26. Available online: https://hrcak.srce.hr/148715 (accessed on 2 June 2020).
- Concari, C.; Franceschini, G.; Tassoni, C. Rotor fault detection in closed loop induction motors drives by electric signal analysis. In Proceedings of the 2008 18th International Conference on Electrical Machines, Vilamoura, Portugal, 6–9 September 2008; pp. 1–6. [Google Scholar]
- Burriel-Valencia, J.; Puche-Panadero, R.; Martinez-Roman, J.; Sapena-Bano, A.; Pineda-Sanchez, M. Fault diagnosis of induction machines in a transient regime using current sensors with an optimized slepian window. Sensors 2018, 18, 146. [Google Scholar] [CrossRef]
- Zhen, D.; Wang, Z.; Li, H.; Zhang, H.; Yang, J.; Gu, F. An improved cyclic modulation spectral analysis based on the CWT and its application on broken rotor bar fault diagnosis for induction motors. Appl. Sci. 2019, 9, 3902. [Google Scholar] [CrossRef]
- Zolfaghari, S.; Noor, S.B.M.; Rezazadeh Mehrjou, M.; Marhaban, M.H.; Mariun, N. Broken rotor bar fault detection and classification using wavelet packet signature analysis based on fourier transform and multi-layer perceptron neural network. Appl. Sci. 2018, 8, 25. [Google Scholar] [CrossRef]
- Gyftakis, K.N.; Kappatou, J.C. The zero-sequence current as a generalized diagnostic mean in Δ-connected three-phase induction motors. IEEE Trans. Energy Convers. 2014, 29, 138–148. [Google Scholar] [CrossRef]
- Gyftakis, K.N.; Antonino-Daviu, J.A.; Kappatou, J.C. The influence of the induction motor rotor geometry on the higher harmonic index of the zero-sequence current. In Proceedings of the 2016 19th International Conference on Electrical Machines and Systems (ICEMS), Chiba, Japan, 13–16 November 2016; pp. 1–5. [Google Scholar]
- Gyftakis, K.N.; Antonino-Daviu, J.A.; Garcia-Hernandez, R.; McCulloch, M.D.; Howey, D.A.; Cardoso, A.J.M. Comparative experimental investigation of broken bar fault detectability in induction motors. IEEE Trans. Ind. Appl. 2016, 52, 1452–1459. [Google Scholar]
- Briz, F.; Degner, M.W.; Garcia, P.; Dicz, A.B. Induction machine diagnostics using zero sequence component. In Proceedings of the Fourtieth IAS Annual Meeting, Kowloon, Hong Kong, 2–6 October 2005; Volume 1, pp. 34–41. [Google Scholar]
- Antonino-Daviu, J.A.; Gyftakis, K.N.; Garcia-Hernandez, R.; Razik, H.; Cardoso, A.J.M. Comparative influence of adjacent and non-adjacent broken rotor bars on the induction motor diagnosis through MCSA and ZSC methods. In Proceedings of the IECON 2015-41st Annual Conference of the IEEE Industrial Electronics Society, Yokohama, Japan, 9–12 November 2015; pp. 001680–001685. [Google Scholar]
- Morinigo-Sotelo, D.; Romero-Troncoso, R.J.; Panagiotou, P.A.; Antonino-Daviu, J.A.; Gyftakis, K.N. Reliable detection of rotor bars breakage in induction motors via MUSIC and ZSC. IEEE Trans. Ind. Appl. 2018, 54, 1224–1234. [Google Scholar] [CrossRef]
- Hou, Z.; Huang, J.; Liu, H.; Ye, M.; Liu, Z.; Yang, J. Diagnosis of broken rotor bar fault in open- and closed-loop controlled wye-connected induction motors using zero-sequence voltage. IET Electr. Power Appl. 2017, 11, 1214–1223. [Google Scholar] [CrossRef]
- Drozdowski, P.; Duda, A. Influence of magnetic saturation effects on the fault detection of induction motors. Arch. Electr. Eng. 2014, 63, 489–506. [Google Scholar] [CrossRef]
- Garcia, P.; Briz, F.; Degner, M.W.; Diez, A.B. Diagnostics of induction machines using the zero sequence voltage. In Proceedings of the 39th IAS Annual Meeting, Seattle, WA, USA, 3–7 October 2004; Volume 2, pp. 735–742. [Google Scholar]
- Oumaamar, M.E.K.; Khezzar, A.; Boucherma, M.; Razik, H.; Andriamalala, R.N.; Baghli, L. Neutral voltage analysis for broken rotor bars detection in induction motors using hilbert transform phase. In Proceedings of the 2007 IEEE Industry Applications Annual Meeting, New Orleans, LA, USA, 23–27 September 2007; pp. 1940–1947. [Google Scholar]
- Nemec, M.; Ambrožič, V.; Fišer, R.; Nedeljković, D.; Drobnič, K. Induction motor broken rotor bar detection based on rotor flux angle monitoring. Energies 2019, 12, 794. [Google Scholar] [CrossRef]
- Zamudio-Ramírez, I.; Osornio-Ríos, R.A.; Antonino-Daviu, J.A.; Quijano-Lopez, A. Smart-sensor for the automatic detection of electromechanical faults in induction motors based on the transient stray flux analysis. Sensors 2020, 20, 1477. [Google Scholar] [CrossRef]
- Iglesias-Martínez, M.E.; Antonino-Daviu, J.A.; Fernández de Córdoba, P.; Conejero, J.A. Rotor fault detection in induction motors based on time-frequency analysis using the bispectrum and the autocovariance of stray flux signals. Energies 2019, 12, 597. [Google Scholar] [CrossRef]
- Capolino, G.; Romary, R.; Hénao, H.; Pusca, R. State of the art on stray flux analysis in faulted electrical machines. In Proceedings of the 2019 IEEE Workshop on Electrical Machines Design, Control and Diagnosis (WEMDCD), Athens, Greece, 22–23 April 2019; pp. 181–187. [Google Scholar]
- Romary, R.; Pusca, R.; Lecointe, J.P.; Brudny, J.F. Electrical machines fault diagnosis by stray flux analysis. In Proceedings of the 2013 IEEE Workshop on Electrical Machines Design, Control and Diagnosis (WEMDCD), Paris, France, 11–12 March 2013; pp. 247–256. [Google Scholar]
- Gyftakis, K.N.; Panagiotou, P.A.; Lee, S.B. The role of the mechanical speed frequency on the induction motor fault detection via the stray flux. In Proceedings of the 2019 IEEE 12th International Symposium on Diagnostics for Electrical Machines, Power Electronics and Drives (SDEMPED), Toulouse, France, 27–30 August 2019; pp. 201–207. [Google Scholar]
- Panagiotou, P.A.; Arvanitakis, I.; Lophitis, N.; Gyftakis, K.N. FEM study of induction machines suffering from rotor electrical faults using stray flux signature analysis. In Proceedings of the 2018 XIII International Conference on Electrical Machines (ICEM), Alexandroupoli, Greece, 3–6 September 2018; pp. 1861–1867. [Google Scholar]
- Gyftakis, K.N.; Panagiotou, P.A.; Palomeno, E.; Lee, S.B. Introduction of the zero-sequence stray flux as a reliable diagnostic method of rotor electrical faults in induction motors. In Proceedings of the IECON 2019-45th Annual Conference of the IEEE Industrial Electronics Society, Lisbon, Portugal, 14–17 October 2019; pp. 6016–6021. [Google Scholar]
- Faiz, J.; Ebrahimi, B.M.; Toliyat, H.A. Effect of magnetic saturation on static and mixed eccentricity fault diagnosis in induction motor. IEEE Trans. Magn. 2009, 45, 3137–3144. [Google Scholar] [CrossRef]
- Cusidó, J.; Romeral, L.; Ortega, J.A.; Garcia, A.; Riba, J. Signal injection as a fault detection technique. Sensors 2011, 11, 3356–3380. [Google Scholar] [CrossRef]
- Xu, X.; Han, Q.; Chu, F. Review of electromagnetic vibration in electrical machines. Energies 2018, 11, 1779. [Google Scholar] [CrossRef]
- Gyftakis, K.N.; Kappatou, J.C. The zero-sequence current spectrum as an on-line static eccentricity diagnostic mean in Δ-connected PSH-induction motors. In Proceedings of the 2013 9th IEEE International Symposium on Diagnostics for Electric Machines, Power Electronics and Drives (SDEMPED), Valencia, Spain, 27–30 August 2013; pp. 302–308. [Google Scholar]
- Constantin, A.; Fireţeanu, V. Efficiency in the detection of three important faults in induction motors through external magnetic field. In Proceedings of the 2015 9th International Symposium on Advanced Topics in Electrical Engineering (ATEE), Bucharest, Romania, 7–9 May 2015; pp. 430–435. [Google Scholar]
- Vitek, O.; Janda, M.; Hajek, V.; Bauer, P. Detection of eccentricity and bearings fault using stray flux monitoring. In Proceedings of the 8th IEEE Symposium on Diagnostics for Electrical Machines, Power Electronics & Drives, Bologna, Italy, 5–8 September 2011; pp. 456–461. [Google Scholar]
- Chernyavska, I.; Vítek, O. Analysis of air-gap eccentricity in inverter fed induction motor by means of motor current signature analysis and stray flux of motor. In Proceedings of the 2017 IEEE 11th International Symposium on Diagnostics for Electrical Machines, Power Electronics and Drives (SDEMPED), Tinos, Greece, 29 August–1 September 2017; pp. 72–76. [Google Scholar]
- Sobczyk, T.J.; Sułowicz, M.; Tulicki, J. Influence of winding’s active parts on axial flux in AC machines. In Proceedings of the 2019 IEEE 12th International Symposium on Diagnostics for Electrical Machines, Power Electronics and Drives (SDEMPED), Toulouse, France, 27–30 August 2019; pp. 208–213. [Google Scholar]
- Toh, G.; Park, J. Review of vibration-based structural health monitoring using deep learning. Appl. Sci. 2020, 10, 1680. [Google Scholar] [CrossRef]
- Areias, I.A.S.; Borges da Silva, L.E.; Bonaldi, E.L.; de Lacerda de Oliveira, L.E.; Lambert-Torres, G.; Bernardes, V.A. Evaluation of current signature in bearing defects by envelope analysis of the vibration in induction motors. Energies 2019, 12, 4029. [Google Scholar] [CrossRef]
- Frosini, L.; Harlişca, C.; Szabó, L. Induction machine bearing fault detection by means of statistical processing of the stray flux measurement. IEEE Trans. Ind. Electron. 2015, 62, 1846–1854. [Google Scholar] [CrossRef]
- Pusca, R.; Romary, R.; Ceban, A.; Brudny, J.-F. An online universal diagnosis procedure using two external flux sensors applied to the AC electrical rotating machines. Sensors 2010, 10, 10448–10466. [Google Scholar] [CrossRef]
- Zhang, D.; Liu, T. Effects of voltage sag on the performance of induction motor based on a new transient sequence component method. CES Trans. Electr. Mach. Syst. 2019, 3, 316–324. [Google Scholar] [CrossRef]
- Goh, Y.-J.; Kim, O. Linear method for diagnosis of inter-turn short circuits in 3-phase induction motors. Appl. Sci. 2019, 9, 4822. [Google Scholar] [CrossRef]
- Bottiglieri, G.; Consoli, A.; Scarcella, G.; Scelba, G. Zero-sequence flux and voltage of induction motors supplied with low-and high-frequency currents. IEEE Int. Electr. Mach. Drives Conf. 2007, 2, 1201–1207. [Google Scholar] [CrossRef]
- Silva, M.D.C.; Filho, A.L.F.; Abada, C.C. Evaluation of the effect of the zero and negative sequence components on the current and temperature of a three phase induction motor. In Proceedings of the 2016 17th International Conference on Harmonics and Quality of Power (ICHQP), Belo Horizonte, Brazil, 16–19 October 2016; pp. 937–942. [Google Scholar]
- Kubo, H.; Yamamoto, Y.; Kondo, T.; Rajashekara, K.; Zhu, B. Zero-sequence current suppression for open-end winding induction motor drive with resonant controller. In Proceedings of the 2016 IEEE Applied Power Electronics Conference and Exposition (APEC), Long Beach, CA, USA, 20–24 March 2016; pp. 2788–2793. [Google Scholar]
- Shahin, A.; Martin, J.; Pierfederici, S. Zero-sequence current based diagnostic method for open-switch fault detection in parallel inverters system. IEEE Trans. Power Electron. 2019, 34, 3750–3764. [Google Scholar] [CrossRef]
- Burriel-Valencia, J.; Puche-Panadero, R.; Riera-Guasp, M.; Sapena-Bano, A.; Pineda-Sanchez, M.; Martinez-Roman, J. Low computational cost algorithm for detecting rotor asymmetries in IM based on the negative sequence component of the startup currents. In Proceedings of the 2017 IEEE 11th International Symposium on Diagnostics for Electrical Machines, Power Electronics and Drives (SDEMPED), Tinos, Greece, 29 August–1 September 2017; pp. 628–634. [Google Scholar]
- Sobczyk, T.J.; Tulicki, J.; Weinreb, K.; Mielnik, R.; Sułowicz, M. Characteristic features of rotor bar current frequency spectrum in cage induction machine with inner faults. In Proceedings of the 2019 IEEE 12th International Symposium on Diagnostics for Electrical Machines, Power Electronics and Drives (SDEMPED), Toulouse, France, 27–30 August 2019; pp. 115–120. [Google Scholar]
- Dineva, A.; Mosavi, A.; Gyimesi, M.; Vajda, I.; Nabipour, N.; Rabczuk, T. Fault diagnosis of rotating electrical machines using multi-label classification. Appl. Sci. 2019, 9, 5086. [Google Scholar] [CrossRef]
- Hsueh, Y.-M.; Ittangihal, V.R.; Wu, W.-B.; Chang, H.-C.; Kuo, C.-C. Fault diagnosis system for induction motors by CNN using empirical wavelet transform. Symmetry 2019, 11, 1212. [Google Scholar] [CrossRef]
- Glowacz, A.; Glowacz, Z. Diagnosis of the three-phase induction motor using thermal imaging. Infrared Phys. Technol. 2017, 81, 7–16. [Google Scholar] [CrossRef]
- Xie, Y.; Guo, J.; Chen, P.; Li, Z. Coupled fluid-thermal analysis for induction motors with broken bars operating under the rated load. Energies 2018, 11, 2024. [Google Scholar] [CrossRef]
- Saad, K.; Mirzaeva, G. Advanced diagnosis of rotor faults in large induction motors based on internal flux measurement. In Proceedings of the 2016 IEEE Industry Applications Society Annual Meeting, Portland, OR, USA, 2–6 October 2016; pp. 1–8. [Google Scholar]
- Chang, H.-C.; Jheng, Y.-M.; Kuo, C.-C.; Hsueh, Y.-M. Induction motors condition monitoring system with fault diagnosis using a hybrid approach. Energies 2019, 12, 1471. [Google Scholar] [CrossRef]
- Wei, Y.; Li, Y.; Xu, M.; Huang, W. A review of early fault diagnosis approaches and their applications in rotating machinery. Entropy 2019, 21, 409. [Google Scholar] [CrossRef]
- Drozdowski, P. An equivalent permeance of the air-gap of induction motor in case of saturation. In Proceedings of the Seminar on Fundamentals of Electrotechnics and Circuit Theory, SPETO’94, Gliwice-Ustroń, Poland, 25–28 May 1994; tom 1. pp. 167–172. [Google Scholar]
- Drozdowski, P.; Duda, A. MATLAB-SIMULINK modelling of induction machine incorporating magnetic saturation. In Scientific; Institute of Electrical Machines Drives and Measurment of the Wrocław University of Technology: Wroclaw, Poland, 2012; Volume 66, pp. 92–101, Studies and Research No. 32, t. 2. [Google Scholar]
- Duda, A. Squirrel Cage Induction Motors Fault Diagnostics Using Influence of Magnetic Core Nonlinearity. Ph.D. Thesis, Cracow University of Technology, Kraków, Poland, 2018. [Google Scholar]
- Węgiel, T.; Weinreb, K.; Sułowicz, M. Main inductances of induction motor for diagnostically specialized mathematical models. Arch. Electr. Eng. 2010, 59, 51–66. [Google Scholar] [CrossRef]
- Sobczyk, T.J.; Drozdowski, P. Inductances of electrical machine winding with a nonuniform air-gap. Arch. Elektrotech. 1993, 76, 213–218. [Google Scholar] [CrossRef]
- Węgiel, T.; Weinreb, K.; Warzecha, A.; Sułowicz, M. Model of cage induction motor with saturated main magnetic circuit for diagnostic applications. Tech. Trans. 2005, Z.5-E/2005, 101–117. [Google Scholar]
- Tang, J.; Chen, J.; Dong, K.; Yang, Y.; Lv, H.; Liu, Z. Modeling and evaluation of stator and rotor faults for induction motors. Energies 2020, 13, 133. [Google Scholar] [CrossRef]
© 2020 by the authors. Licensee MDPI, Basel, Switzerland. This article is an open access article distributed under the terms and conditions of the Creative Commons Attribution (CC BY) license (http://creativecommons.org/licenses/by/4.0/).
















