From Non-Modular to Modular Concept of Bidirectional Buck/Boost Converter for Microgrid Applications
Abstract
1. Introduction
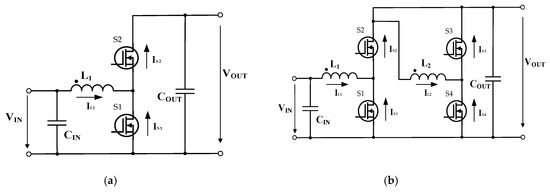
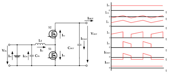
2. Bi-BB Converter from Non-Modular to Modular Topology—Properties Analysis
Current/Voltage Ripple Dependencies
3. Bi-BB Converter Design Guideline Considering Components Selection and Costs
4. Comparison of Operational Properties of Proposed Eight Modules Bi-BB Modular Converter and Bi-BB Non-Modular Interleaved Converter
4.1. Concepts Description
4.2. Operation Properties Comparisons
5. Conclusions
Author Contributions
Funding
Acknowledgments
Conflicts of Interest
Appendix A


| Number of Phases | Interval I | Interval II | Interval III | Interval IV | Interval m |
|---|---|---|---|---|---|
| 1 | |||||
| 2 | |||||
| 3 | |||||
| 4 | |||||
| ... | ... | ... | ... | ... | |
| n |
| N. | Interval I | Interval II | Interval III | Interval IV | Interval m |
|---|---|---|---|---|---|
| 1 | |||||
| 2 | |||||
| 3 | |||||
| 4 | |||||
| ... | ... | ... | ... | ... | |
| n |
Appendix B

References
- Forouzesh, M.; Siwakoti, Y.P.; Gorji, S.A.; Blaabjerg, F.; Lehman, B. Step-up DC-DC converters: A comprehensive review of voltage-boosting techniques, topologies, and applications. IEEE Trans. Power Electron. 2017, 32, 9143–9178. [Google Scholar] [CrossRef]
- Dawidziuk, J. Review and comparison of high-efficiency high power boost DC/DC converters for photovoltaic applications. Bull. Pol. Acad. Sci. Tech. Sci. 2011, 59, 499–506. [Google Scholar] [CrossRef]
- Davison, M.J.; Summers, T.J.; Townsend, C.D. A review of the distributed generation landscape, key limitations of traditional microgrid concept & possible solution using an enhanced microgrid architecture. In Proceedings of the 2017 IEEE Southern Power Electronics Conference (SPEC), Puerto Varas, Chile, 4–7 December 2017; pp. 1–6. [Google Scholar] [CrossRef]
- Abdelgawad, H.; Sood, V.K. A Comprehensive Review on Microgrid Architectures for Distributed Generation. In Proceedings of the 2019 IEEE Electrical Power and Energy Conference (EPEC), Montreal, QC, Canada, 16–18 October 2019; pp. 1–8. [Google Scholar] [CrossRef]
- Gupta, P.; Ansari, M.A. Analysis and Control of AC and Hybrid AC-DC Microgrid: A Review. In Proceedings of the 2019 2nd International Conference on Power Energy, Environment and Intelligent Control (PEEIC), Greater Noida, India, 18–19 October 2019; pp. 281–286. [Google Scholar] [CrossRef]
- Brahmendra Kumar, G.V.; Palanisamy, K. A Review on Microgrids with Distributed Energy Resources. In Proceedings of the 2019 Innovations in Power and Advanced Computing Technologies (i-PACT), Vellore, India, 22–23 March 2019; pp. 1–6. [Google Scholar] [CrossRef]
- Kondrath, N. Bidirectional DC-DC converter topologies and control strategies for interfacing energy storage systems in microgrids: An overview. In Proceedings of the 2017 IEEE International Conference on Smart Energy Grid Engineering (SEGE), Oshawa, ON, Canada, 14–17 August 2017; pp. 341–345. [Google Scholar] [CrossRef]
- Lai, C.M.; Lin, Y.C.; Lee, D. Study and implementation of a two-phase interleaved bidirectional dc/dc converter for vehicle and DC-microgrid systems. Energies 2015, 8, 9969–9991. [Google Scholar] [CrossRef]
- Esashika, H.; Natori, K.; Sato, Y. A Universal Control Method to Realize Plug-and-Play Converters for Microgrids. In Proceedings of the 2019 10th International Conference on Power Electronics and ECCE Asia (ICPE 2019—ECCE Asia), Busan, Korea, 27–30 May 2019; pp. 1–7. [Google Scholar]
- Ovcarcik, R.; Spanik, P.; Pavlanin, R. DC/DC converters used for a high input voltage based on a half-bridge topology. In Proceedings of the 6th European Conference of TRANSCOM: 6th European Conference of Young Research and Science Workers in Transport and Telecommunications, Žilina, Slovakia, 27–29 June 2005; pp. 57–62. [Google Scholar]
- Radika, P. High-efficiency DC-DC boost converter with passive regenerative snubber. J. Electr. Eng. Technol. 2014, 9, 501–507. [Google Scholar] [CrossRef]
- Perdulak, J.; Kovac, D.; Kovacova, I.; Ocilka, M.; Gladyr, A.; Mamchur, D.; Zachepa, I.; Vince, T.; Molnar, J. Effective utilization of photovoltaic energy using multiphase boost converter in compare with single phase boost converter. Commun. Sci. Lett. Univ. Zilina 2013, 15, 32–38. [Google Scholar]
- Kim, D.Y.; Won, I.K.; Lee, J.H.; Won, C.Y. Efficiency Improvement of Synchronous Boost Converter with Dead Time Control for Fuel Cell-Battery Hybrid System. J. Electr. Eng. Technol. 2017, 12, 1891–1901. [Google Scholar]
- De Caro, S.; Testa, A.; Triolo, D.; Cacciato, M.; Consoli, A. Low input current ripple converters for fuel cell power units. In Proceedings of the 2005 European Conference on Power Electronics and Applications, Dresden, Germany, 11–14 September 2005; pp. 1–10. [Google Scholar]
- Choe, G.Y.; Kim, J.S.; Kang, H.S.; Lee, B.K. An optimal design methodology of an interleaved boost converter for fuel cell applications. J. Electr. Eng. Technol. 2010, 5, 319–328. [Google Scholar] [CrossRef]
- Cacciato, M.; Consoli, A.; Attanasio, R.; Gennaro, F. Multi-stage converter for domestic generation systems based on fuel cells. In Proceedings of the 41st IAS Annual Meeting (IEEE Industry Applications Society), Tampa, FL, USA, 8–12 October 2006; pp. 230–235. [Google Scholar]
- Kascak, S. Analysis of Bidirectional converter with coupled inductor for electric drive application. In Proceedings of the 2016 International Conference on Mechatronics, Control and Automation Engineering, Heilongjiang, China, 7–10 August 2016; Atlantis Press: Paris, France, 2016; pp. 229–232. [Google Scholar]
- Cacciato, M.; Caricchi, F.; Giuhlii, F.; Santini, E. A critical evaluation and design of bi-directional DC/DC converters for super-capacitors interfacing in fuel cell applications. In Proceedings of the Conference Record of the 2004 IEEE Industry Applications Conference, 2004. 39th IAS Annual Meeting, Seattle, WA, USA, 3–7 October 2004; Volume 2, pp. 1127–1133. [Google Scholar] [CrossRef]
- Sallan, J.; Villa, J.L.; Llombart, A.; Sanz, J.F. Optimal Design of ICPT Systems Applied to Electric Vehicle Battery Charge. IEEE Trans. Ind. Electron. 2009, 56, 2140–2149. [Google Scholar] [CrossRef]
- Kozacek, B.; Kostal, J.; Frivaldsky, M. Analysis of Figure Of Merit—Power transistor’s qualitative parameter. In Proceedings of the 2015 16th International Scientific Conference on Electric Power Engineering (EPE), Kouty nad Desnou, Czech Republic, 20–22 May 2015; pp. 718–722. [Google Scholar] [CrossRef]
- Frivaldsky, M.; Drgona, P.; Kozacek, B.; Piri, M.; Pridala, M. Critical component’s figure of merite influence on power supply unit efficiency. In Proceedings of the 2016 ELEKTRO, Strbske Pleso, Slovakia, 16–18 May 2016; pp. 147–151. [Google Scholar] [CrossRef]
- Cacciato, M.; Consoli, A.; Crisafulli, V.; Abbate, N.; Vitale, G. Digital controlled bidirectional DC/DC converter for electrical and hybrid vehicles. In Proceedings of the 14th International Power Electronics and Motion Control Conference EPE-PEMC 2010, Ohrid, Macedonia, 6–8 September 2010; pp. 111–116. [Google Scholar] [CrossRef]
- Zaskalicky, P. Complex fourier series analysis of a three-phase induction motor supplied by a three-phase inverter with PWM output voltage control. In Proceedings of the 2014 16th International Power Electronics and Motion Control Conference and Exposition, Antalya, Turkey, 21–24 September 2014; pp. 1183–1188. [Google Scholar] [CrossRef]
- Cacciato, M.; Consoli, A.; Crisafulli, V.; Vitale, G.; Abbate, N. A new resonant active clamping technique for bi-directional converters in HEVs. In Proceedings of the 2010 IEEE Energy Conversion Congress and Exposition, Atlanta, GA, USA, 12–16 September 2010; pp. 1436–1441. [Google Scholar]
- Chakraborty, S.; Wu, H.N.; Hasan, M.M.; Tran, D.D.; El Baghdadi, M.; Hegazy, O. DC-DC Converter Topologies for Electric Vehicles, Plug-in Hybrid Electric Vehicles and Fast Charging Stations: State of the Art and Future Trends. Energies 2019, 12, 1569. [Google Scholar] [CrossRef]
- Li, W.H.; He, X.N. Review of Non-isolated High-Step-Up DC/DC Converters in Photovoltaic Grid-Connected Applications. IEEE Trans. Ind. Electron. 2011, 58, 1239–1250. [Google Scholar] [CrossRef]
- Garrigos, A.; Sobrino-Manzanares, F. Interleaved multi-phase and multi-switch boost converter for fuel cell application. Int. J. Hydrog. Energy 2015, 40, 8419–8432. [Google Scholar] [CrossRef]
- Gu, Y.; Zhang, D.L. Interleaved boost converter with ripple cancellation network. IEEE Trans. Power Electron. 2013, 28, 3860–3869. [Google Scholar] [CrossRef]
- Kascak, S.; Prazenica, M.; Jarabicova, M.; Konarik, R. Four/phase interleaved boost converter analysis and verification. Acta Electrotech. Inform. 2018, 18, 35–40. [Google Scholar] [CrossRef]
- Lin, P.; Zhao, T.; Wang, B.; Wang, Y.; Wang, P. A Semi-Consensus Strategy Toward Multi-Functional Hybrid Energy Storage System in DC Microgrids. IEEE Trans. Energy Convers. 2020, 35, 336–346. [Google Scholar] [CrossRef]
- Wang, B.; Wang, Y.; Xu, Y.; Zhang, X.; Gooi, H.B.; Ukil, A.; Tan, X. Consensus-based Control of Hybrid Energy Storage System with a Cascaded Multiport Converter in DC Microgrids. IEEE Trans. Sustain. Energy 2019. [Google Scholar] [CrossRef]
- Yoo, H.D.; Markevich, E.; Salta, G.; Sharon, D.; Aurbach, D. On the challenge of developing advanced technologies for electrochemical energy storage and conversion. Mater. Today 2014, 17, 110–121. [Google Scholar] [CrossRef]
- Chiu, H.J.; Lin, L.W.; Pan, P.L.; Tseng, M.H. A novel rapid charger for lead-acid batteries with energy recovery. IEEE Trans. Power Electron. 2006, 21, 640–647. [Google Scholar] [CrossRef]
- Dudrik, J.; Pástor, M.; Lacko, M.; Žatkovič, R. Zero-Voltage and Zero-Current Switching PWM DC–DC Converter Using Controlled Secondary Rectifier with One Active Switch and Nondissipative Turn-Off Snubber. IEEE Trans. Power Electron. 2018, 33, 6012–6023. [Google Scholar] [CrossRef]



















| Parameter | Value |
|---|---|
| Output voltage range from PV panels | 500–560 V DC |
| Output power from PV panels | 10 kW peak |
| Output voltage (DC bus voltage) | 600 V DC |
| Output MPPT converter power | 10 kW peak |
| Module Count | Output Voltage (V) | Input Voltage (V) | Output Power (W) | VDS (V) | ID (A) | RDSon (mΩ) |
|---|---|---|---|---|---|---|
| 1 (nonmodular) | 520 | 600 | 10,000 | 1200 (SiC) | 30 | 75 |
| 2 | 260 | 300 | 5000 | 650 (GaN) | 30 | 55 |
| 4 | 130 | 150 | 2500 | 650 (GaN) | 30 | 55 |
| 8 | 65 | 75 | 1250 | 100 (GaN) | 30 | 15 |
| 16 | 32.5 | 37.5 | 625 | 100 (GaN) | 45 | 15 |
| 20 | 26 | 30 | 500.5 | 100 (GaN) | 45 | 15 |
| T | CIN | COUT | L | PCB | Others | Total | |
|---|---|---|---|---|---|---|---|
| non modular (50 kHz) | 20 | 12 | 40 | 150 | 490 | 40 | 712 € |
| 2 modules (100 kHz) | 65 | 11 | 14 | 22 | 320 | 20 | 432 € |
| 4 modules (100 kHz) | 130 | 22 | 26 | 56 | 275 | 22 | 509 € |
| 8 modules (100 kHz) | 83 | 28 | 37 | 80 | 210 | 27 | 438 € |
| 16 modules (100 kHz) | 167 | 38 | 180 | 73 | 320 | 40 | 778 € |
| 20 modules (100 kHz) | 209 | 65 | 210 | 100 | 280 | 50 | 864 € |
| Input Voltage (Vdc) | Input Current (A) | Output Voltage (Vdc) | Output Current (A) | Switching Frequency (kHz) | Output Power (W) | Phase Shift (°) | |
|---|---|---|---|---|---|---|---|
| Non-modular converter | 90–110 | 10 | 200 | 5 | 150 | 1000 | 180 |
| Converter for modular concept | 10–14 | 10 | 25 | 5 | 500 | 125 | 45 |
| Inductors | Power Transistors | Input Capacitors | Output Capacitors | Gate Drivers | |
|---|---|---|---|---|---|
| Non-modular converter | 2 × PQ40 N87 material, 220uH | Cree C3M0065100K | 2 × 150uF/450 V Rubycon + MLCC 100nF | 2 × 270uF/450 V Nippon + MLCC 100nF | AD4223 SOIC16 |
| Converter for the modular concept | Bourns 15 µH automotive inductor | GaN systems GS61008T | 8 × MLCC 4.7 µF/100V, 2 × Nichicon 1500 µF/35 V electrolytic capacitors | - | LM5113 WSON10 |
© 2020 by the authors. Licensee MDPI, Basel, Switzerland. This article is an open access article distributed under the terms and conditions of the Creative Commons Attribution (CC BY) license (http://creativecommons.org/licenses/by/4.0/).
Share and Cite
Frivaldsky, M.; Kascak, S.; Morgos, J.; Prazenica, M. From Non-Modular to Modular Concept of Bidirectional Buck/Boost Converter for Microgrid Applications. Energies 2020, 13, 3287. https://doi.org/10.3390/en13123287
Frivaldsky M, Kascak S, Morgos J, Prazenica M. From Non-Modular to Modular Concept of Bidirectional Buck/Boost Converter for Microgrid Applications. Energies. 2020; 13(12):3287. https://doi.org/10.3390/en13123287
Chicago/Turabian StyleFrivaldsky, Michal, Slavomir Kascak, Jan Morgos, and Michal Prazenica. 2020. "From Non-Modular to Modular Concept of Bidirectional Buck/Boost Converter for Microgrid Applications" Energies 13, no. 12: 3287. https://doi.org/10.3390/en13123287
APA StyleFrivaldsky, M., Kascak, S., Morgos, J., & Prazenica, M. (2020). From Non-Modular to Modular Concept of Bidirectional Buck/Boost Converter for Microgrid Applications. Energies, 13(12), 3287. https://doi.org/10.3390/en13123287

