Evaluation of a Three-Phase Bidirectional Isolated DC-DC Converter with Varying Transformer Configurations Using Phase-Shift Modulation and Burst-Mode Switching
Abstract
1. Introduction
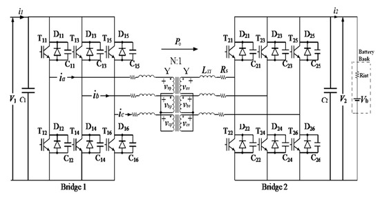
2. 3P-BIDC with Different Transformer Configurations and Different Power Transfer
2.1. Wye-Wye (Yy) Connection
2.2. Wye-Delta (Yd) and Delta-Wye (Dy) Connection
2.3. Delta-Delta (Dd) Connection
3. 3P-BIDC Simulation Model and Burst-Mode Strategy
4. 3P-BIDC Simulation Results
4.1. Operating Waveforms
4.2. Efficiency in Various Transformer Configurations
4.3. Analysis of Current Stress in Transformer and IGBT Switches
5. Power Loss Estimation
5.1. Distribution of Losses
5.1.1. Copper Loss
5.1.2. Conduction Loss
5.1.3. Snubber Loss
5.1.4. Switching Loss
5.1.5. Total Power Loss
5.2. Numerical Calculation of Losses
5.2.1. Power Loss at 0.12 p.u (δ = 4°) in Continuous Mode
- Copper loss
- Conduction loss
- Snubber loss
5.2.2. Power Loss at 0.34 p.u. (δ = 10°) in Continuous Mode
- Copper loss
- Conduction loss
5.2.3. Power Loss at 0.12 p.u. (δ = 7°) in Intermittent Mode
- Copper loss
- Conduction loss
- Snubber loss
5.2.4. Power Loss at 0.34 p.u. (δ = 19°) in Intermittent Mode
- Copper loss
- Conduction loss
6. Conclusions
Author Contributions
Funding
Conflicts of Interest
References
- De Doncker, R.W.A.A.; Divan, D.M.; Kheraluwala, M.H. A Three-Phase Soft-Switched High-Power-Density DC/DC Converter for High-Power Applications. IEEE Trans. Ind. Appl. 1991, 27, 63–73. [Google Scholar] [CrossRef]
- Tan, N.M.L.; Inoue, S.; Kobayashi, A.; Akagi, H. An energy storage system combining a 320-V, 12-F electric double layer capacitor bank with a bidirectional isolated DC-DC converter. IEEE Trans. Power Electron. 2008, 23, 2755–2765. [Google Scholar] [CrossRef]
- Nguyen, D.D.; Bui, N.T.; Yukita, K. Design and optimization of three-phase dual-active-bridge converters for electric vehicle charging stations. Energies 2019, 13, 150. [Google Scholar] [CrossRef]
- Lei, T.; Wu, C.; Liu, X. Multi-objective optimization control for the aerospace dual-active bridge power converter. Energies 2018, 11, 1168. [Google Scholar] [CrossRef]
- Tan, N.M.L.; Abe, T.; Akagi, H. Design and performance of a bidirectional isolated DC-DC converter for a battery energy storage system. IEEE Trans. Power Electron. 2012, 27, 1237–1248. [Google Scholar] [CrossRef]
- Baars, N.H.; Everts, J.; Huisman, H.; Duarte, J.L.; Lomonova, E.A. A 80-kW Isolated DC–DC Converter for Railway Applications. IEEE Trans. Power Electron. 2015, 30, 6639–6647. [Google Scholar] [CrossRef]
- De Din, E.; Siddique, H.A.B.; Cupelli, M.; Monti, A.; De Doncker, R.W. Voltage Control of Parallel-Connected Dual-Active Bridge Converters for Shipboard Applications. IEEE J. Emerg. Sel. Top. Power Electron. 2018, 6, 664–673. [Google Scholar] [CrossRef]
- Saeed, M.; Rogina, M.R.; Rodríguez, A.; Arias, M.; Briz, F. SiC-Based High Efficiency High Isolation Dual Active Bridge Converter for a Power Electronic Transformer. Energies 2020, 13, 1198. [Google Scholar] [CrossRef]
- Sathishkumar, P.; Krishna, T.N.; Khan, M.A.; Zeb, K.; Kim, H.-J. Digital Soft Start Implementation for Minimizing Start-Up Transients in High Power DAB-IBDC Converter. Energies 2018, 11, 956. [Google Scholar] [CrossRef]
- Calderon, C.; Barrado, A.; Rodriguez, A.; Alou, P.; Lazaro, A.; Fernandez, C.; Zumel, P. General Analysis of Switching Modes in a Dual Active Bridge with Triple Phase Shift Modulation. Energies 2018, 11, 2419. [Google Scholar] [CrossRef]
- Krismer, F.; Kolar, J.W. Closed form solution for minimum conduction loss modulation of DAB converters. IEEE Trans. Power Electron. 2012, 27, 174–188. [Google Scholar] [CrossRef]
- Everts, J. Closed-Form Solution for Efficient ZVS Modulation of DAB Converters. IEEE Trans. Power Electron. 2017, 32, 7561–7576. [Google Scholar] [CrossRef]
- Oggier, G.G.; Ordonez, M. High-efficiency DAB converter using switching sequences and burst mode. IEEE Trans. Power Electron. 2016, 31, 2069–2082. [Google Scholar] [CrossRef]
- Yan, G.; Li, Y.; Jia, Q. Comparative Analysis of Single and Three-phase Dual Active Bridge Bidirectional DC-DC Converter Based on the Phase-Shifting Control. In Proceedings of the 2016 International Conference on Energy, Power and Electrical Engineering (EPEE 2016), Shenzhen, China, 30–31 October 2016; pp. 326–333. [Google Scholar]
- Núñez, R.O.; Oggier, G.G.; Botterón, F.; García, G.O. A comparative study of Three–Phase Dual Active Bridge Converters for renewable energy applications. Sustain. Energy Technol. Assess. 2017, 23, 1–10. [Google Scholar] [CrossRef]
- Baars, N.H.; Everts, J.; Wijnands, C.G.E.; Lomonova, E.A. Performance Evaluation of a Three-Phase Dual Active Bridge DC-DC Converter with Different Transformer Winding Configurations. IEEE Trans. Power Electron. 2016, 31, 6814–6823. [Google Scholar] [CrossRef]
- Sharifuddin, N.S.M.; Tan, N.M.L.; Akagi, H. Low-load Efficiency Improvement of a Three-Phase Bidirectional Isolated DC-DC Converter (3P-BIDC) Via Enhanced Switching Strategy. Int. J. Eng. Technol. 2018, 7, 932–938. [Google Scholar] [CrossRef]
- Van Hoek, H.; Jacobs, K.; Neubert, M.; De Doncker, R.W. Enhanced operating strategy for a three-phase dual-active-bridge converter including frequency variation. In Proceedings of the 2015 IEEE 11th International Conference on Power Electronics and Drive Systems, Sydney, Australia, 9–12 June 2015; pp. 492–498. [Google Scholar]
- Choi, H.J.; Jung, S.H.; Jung, J.H. A Novel Switching Algorithm to improve Efficiency at light load conditions for Three-Phase DAB Converter in LVDC Application. In Proceedings of the 2018 International Power Electronics Conference (IPEC-Niigata 2018-ECCE Asia), Niigata, Japan, 20–24 May 2018; pp. 383–387. [Google Scholar]
- Haneda, R.; Akagi, H. Design and Performance of the 850-V 100-kW 16-kHz Bidirectional Isolated DC-DC Converter Using SiC-MOSFET/SBD H-Bridge Modules. IEEE Trans. Power Electron. 2020. Early Access. [Google Scholar] [CrossRef]
- Tan, Z.Y.; Tan, N.M.L.; Hussain, I.S. Theoretical Analysis of a Three-Phase Bidirectional Isolated DC-DC Converter Using Phase-Shifted Modulation. Int. J. Power Electron. Drive Syst. 2018, 9, 495–503. [Google Scholar] [CrossRef]
- Engel, S.P.; Soltau, N.; Stagge, H.; De Doncker, H. Dynamic and balanced control of three-phase high-power dual-active bridge DC-DC converters in DC-grid applications. IEEE Trans. Power Electron. 2013, 28, 1880–1889. [Google Scholar] [CrossRef]
- Wang, B.; Xiaoni, X.; Wu, S.; Wu, H.; and Ying, J. Analysis and implementation of LLC burst mode for light load efficiency improvement. In Proceedings of the 2009 Twenty-Fourth Annual IEEE Applied Power Electronics Conference and Exposition, Washington, DC, USA, 15–19 February 2009; pp. 58–64. [Google Scholar]
- Reverter, F.; Gasulla, M. Optimal Inductor Current in Boost DC/DC Converters Operating in Burst Mode Under Light-Load Conditions. IEEE Trans. Power Electron. 2016, 31, 15–20. [Google Scholar] [CrossRef]
- Vasic, D.; Liu, Y.P.; Costa, F.; Schwander, D. Piezoelectric transformer-based DC/DC converter with improved burst-mode control. In Proceedings of the 2013 IEEE Energy Conversion Congress and Exposition, Denver, CO, USA, 15–19 September 2013; pp. 147–153. [Google Scholar]
- Abramson, R.A.; Gunter, S.J.; Otten, D.M.; Afridi, K.K.; Perreault, D.J. Design and evaluation of a reconfigurable stacked active bridge dc/dc converter for efficient wide load-range operation. In Proceedings of the IEEE Applied Power Electronics Conference and Exposition (APEC), Tampa, FL, USA, 26–30 March 2017; pp. 3391–3401. [Google Scholar]
- Trescases, O.; Wen, Y. A survey of light-load efficiency improvement techniques for low-power dc-dc converters. In Proceedings of the 8th International Conference on Power Electronics-ECCE Asia, Jeju, Korea, 30 May–3 June 2011; pp. 326–333. [Google Scholar]
- Jang, Y.; Jovanovic, M.M.; Dillman, D.L. Light-Load Efficiency Optimization Method. In Proceedings of the Twenty-Fourth Annual IEEE Applied Power Electronics Conference and Exposition (APEC 2009), Washington, DC, USA, 15–19 February 2009; Volume 25, pp. 1138–1144. [Google Scholar]
- Akagi, H.; Yamagishi, T.; Tan, N.M.L.; Miyazaki, Y.; Kinouchi, S.I.; Koyama, M. Power-loss breakdown of a 750-V 100-kW 20-kHz bidirectional isolated DC-DC converter using SiC-MOSFET/SBD dual modules. IEEE Trans. Ind. Appl. 2015, 51, 420–428. [Google Scholar] [CrossRef]















| Parameters | Symbol | Values |
|---|---|---|
| Rated Power | PR | 3 kW |
| Dc-link voltage at bridge 1 | V1 | 300 Vu,w 520 Vv |
| Dc-link voltage at bridge 2 | V2 | 300 Vu,v 520 Vw |
| Range of phase-shift angle | ||
| Switching frequency | fs | 20 kHz |
| Dc-link capacitors | C1, C2 | 3 mF |
| Snubber capacitors | C11–C26 | 6 nF |
| Transformer turns ratio | N:1 | 1:1 |
| Transformer leakage inductances/phase | La, Lb, Lc | 36.5 μHu (0.15 p.u) 216 μHv (0.31 p.u) |
| LA, LB, LC | 36.5 μHu (0.15 p.u) 216 μHw (0.31 p.u) | |
| Transformer winding resistance/phase | Rs | 15 mΩ (0.0005 p.u) |
| Scenario | Dc-Link Voltage | Transformer Connection | ||
|---|---|---|---|---|
| V1 (V) | V2 (V) | HVS | LVS | |
| 1 | 300 | 300 | Wye | Wye |
| 2 | 520 | 300 | Wye | Delta |
| 3 | 300 | 520 | Delta | Wye |
| 4 | 300 | 300 | Delta | Delta |
| Po (p.u) | Transformer Configurations | ||||||||
|---|---|---|---|---|---|---|---|---|---|
| Yy and Dd | Yd | Dy | |||||||
| Efficiency (%) | EI (%) | Efficiency (%) | EI (%) | Efficiency (%) | EI (%) | ||||
| A | B | A | B | A | B | ||||
| 0.12 | 83.6 | 95.6 (m = 30%) | 12 | 89.6 | 93.5 (m = 10%) | 3.9 | 67.0 | 87.0 (m = 10%) | 20 |
| 0.24 | 92.6 | 99.2 (m = 30%) | 6.6 | 94.9 | 97.0 (m = 30%) | 2.1 | 81.8 | 90.9 (m = 10%) | 9.1 |
| 0.29 | 96.0 | 99.6 (m = 30%) | 3.6 | 96.0 | 97.3 (m = 30%) | 1.3 | 87.8 | 91.2 (m = 30%) | 3.4 |
| Po (p.u) | Transformer Configurations | ||||||||
|---|---|---|---|---|---|---|---|---|---|
| Yy and Dd | Yd | Dy | |||||||
| Power Loss (p.u.) | PLR (p.u.) | Power Loss (p.u.) | PLR (p.u.) | Power Loss (p.u.) | PLR (p.u.) | ||||
| A | B | A | B | A | B | ||||
| 0.12 | 0.024 | 0.006 (m = 30%) | 0.018 | 0.014 | 0.010 (m = 10%) | 0.004 | 0.049 | 0.02 (m = 10%) | 0.029 |
| 0.24 | 0.018 | 0.002 (m = 30%) | 0.016 | 0.014 | 0.008 (m = 30%) | 0.006 | 0.048 | 0.02 (m = 10%) | 0.028 |
| 0.29 | 0.013 | 0.001 (m = 30%) | 0.012 | 0.014 | 0.008 (m = 30%) | 0.006 | 0.044 | 0.03 (m = 30%) | 0.014 |
| Transformer Configurations | Range of Phase Shift Angle (rad) | |||
|---|---|---|---|---|
| Yy | ||||
| Yd | ||||
| Dy | ||||
| Dd |
© 2020 by the authors. Licensee MDPI, Basel, Switzerland. This article is an open access article distributed under the terms and conditions of the Creative Commons Attribution (CC BY) license (http://creativecommons.org/licenses/by/4.0/).
Share and Cite
Mohd Sharifuddin, N.S.; Tan, N.M.L.; Akagi, H. Evaluation of a Three-Phase Bidirectional Isolated DC-DC Converter with Varying Transformer Configurations Using Phase-Shift Modulation and Burst-Mode Switching. Energies 2020, 13, 2836. https://doi.org/10.3390/en13112836
Mohd Sharifuddin NS, Tan NML, Akagi H. Evaluation of a Three-Phase Bidirectional Isolated DC-DC Converter with Varying Transformer Configurations Using Phase-Shift Modulation and Burst-Mode Switching. Energies. 2020; 13(11):2836. https://doi.org/10.3390/en13112836
Chicago/Turabian StyleMohd Sharifuddin, Nuraina Syahira, Nadia M. L. Tan, and Hirofumi Akagi. 2020. "Evaluation of a Three-Phase Bidirectional Isolated DC-DC Converter with Varying Transformer Configurations Using Phase-Shift Modulation and Burst-Mode Switching" Energies 13, no. 11: 2836. https://doi.org/10.3390/en13112836
APA StyleMohd Sharifuddin, N. S., Tan, N. M. L., & Akagi, H. (2020). Evaluation of a Three-Phase Bidirectional Isolated DC-DC Converter with Varying Transformer Configurations Using Phase-Shift Modulation and Burst-Mode Switching. Energies, 13(11), 2836. https://doi.org/10.3390/en13112836

