Techno-Economic Assessment of Turboexpander Application at Natural Gas Regulation Stations
Abstract
:1. Introduction
2. Calculation Model Description
2.1. Thermodynamic Model
2.2. Economic Model
2.3. Statistical Model
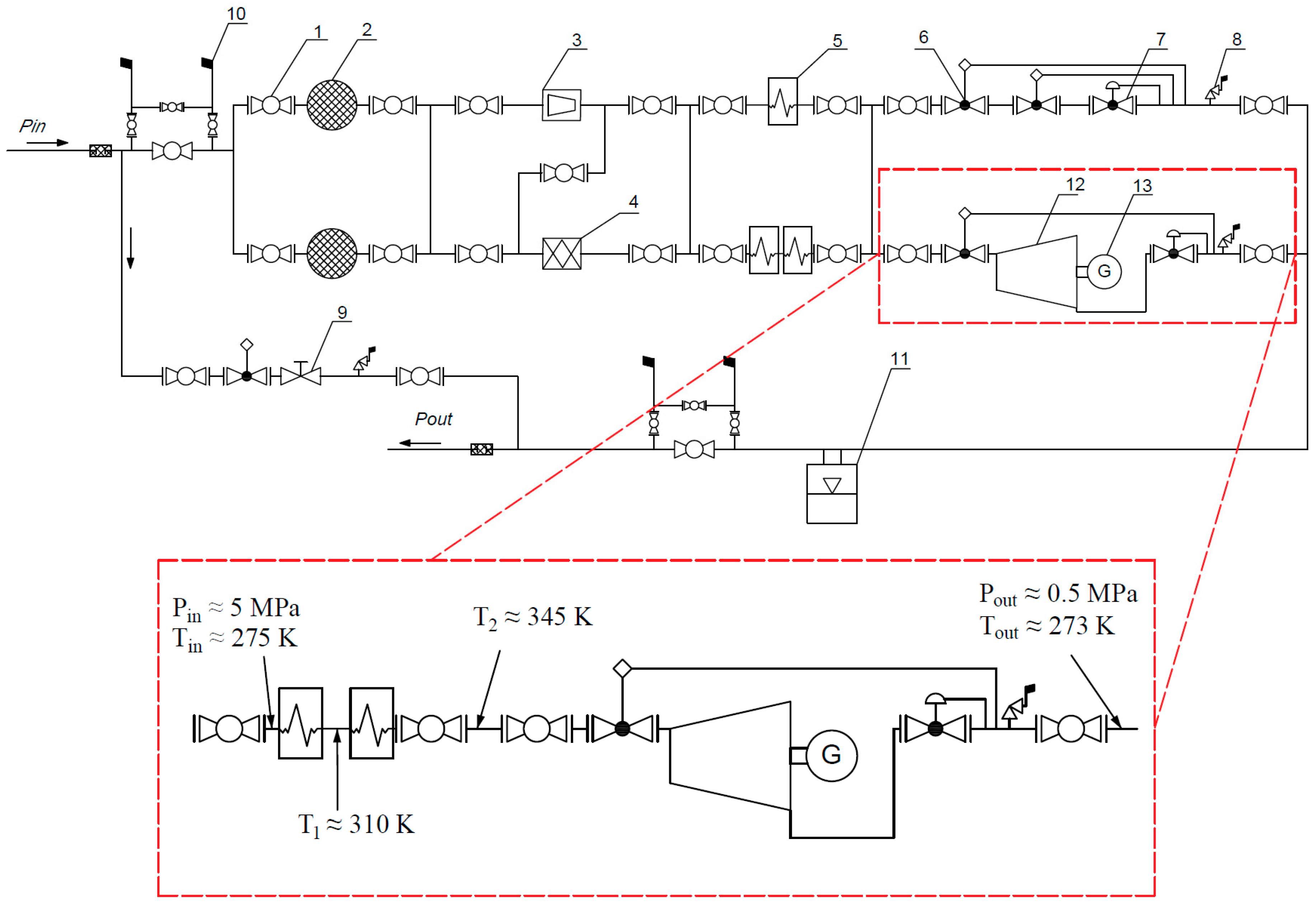
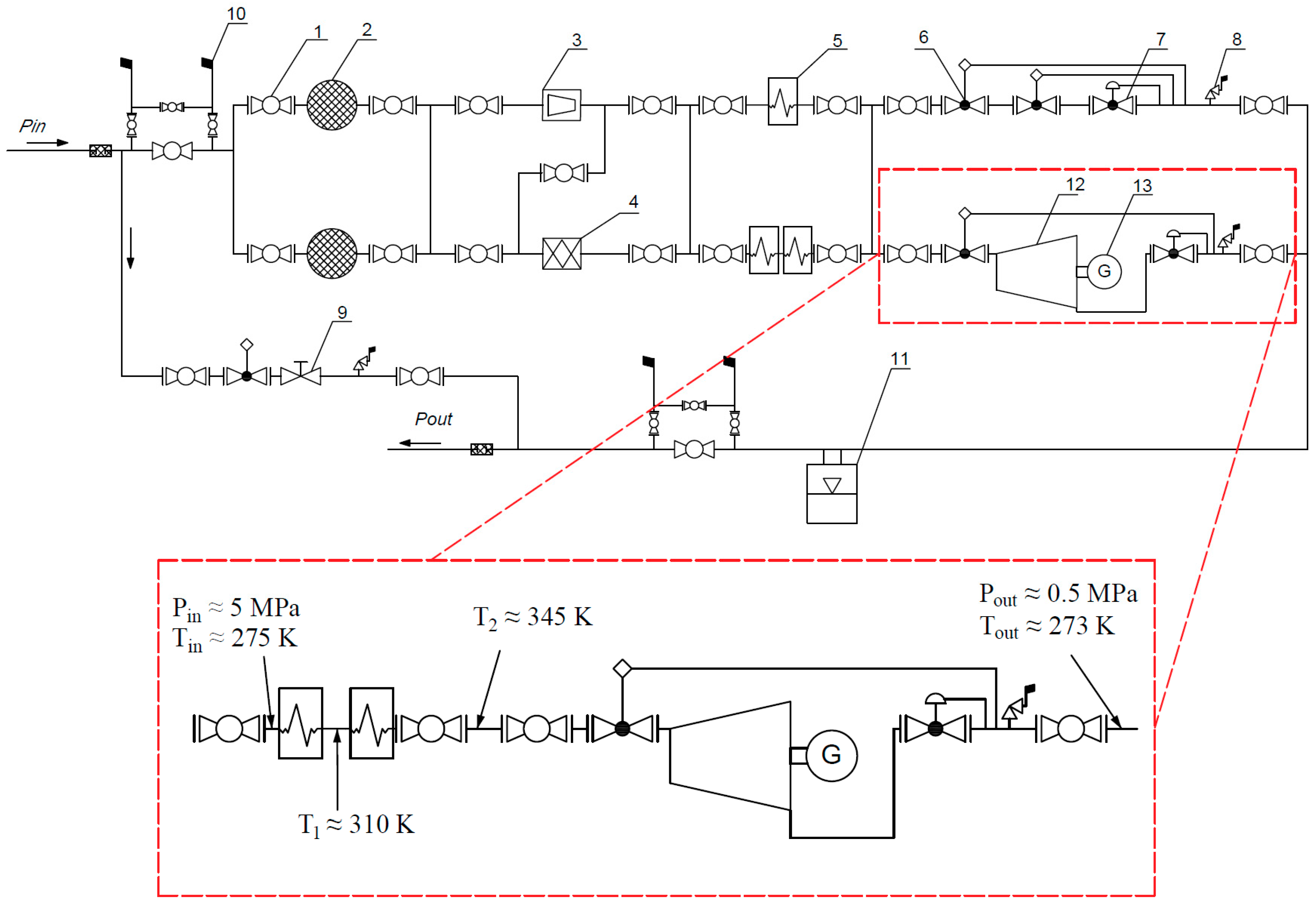
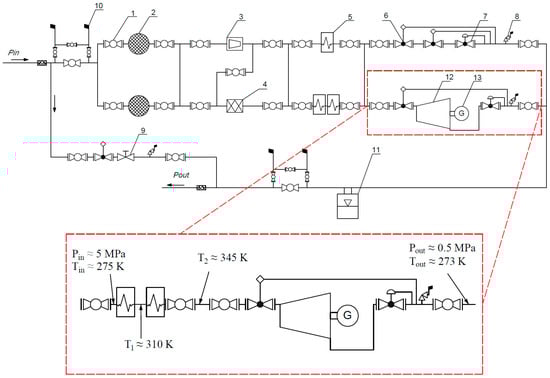
3. Entry Data for Calculation Model
4. Results of Calculations
5. Discussion and Conclusions
Author Contributions
Funding
Conflicts of Interest
Nomenclature
| Symbols | |
| A, B, C | coefficients depending on the expander’s type and model; provided by the producer |
| B | second virial coefficient, m3/kmol |
| bij(0) | zero-order term in the expansion of B, m3/kmol |
| bij(1) | coefficient of first-order term in the expansion of B, m3/kmol·K |
| bij(2) | coefficient of second-order term in the expansion of B, m3/kmol·K2 |
| b | vector of coefficient |
| C | third virial coefficient, m6/kmol2 |
| cijk(0) | zero-order term in the expansion of C, m6/kmol2 |
| cijk(1) | coefficient of first-order term in the expansion of C, m6/kmol2·K |
| cijk(2) | coefficient of second-order term in the expansion of C, m6/kmol2·K2 |
| e | residual vector |
| G | Gibbs energy, kJ/kg, |
| G0 | Gibbs energy of ideal-gas, kJ/kg, |
| H | enthalpy kJ/kg |
| H0 | ideal-gas enthalpy kJ/kg, |
| k | exponent of gas adiabat |
| M | mass flow rate through the expander, kg/s |
| Nel | electric power produced in the power plant |
| P1, P2 | absolute pressure before and after reduction, respectively, Pa |
| S | entropy kJ/kg·K |
| S0 | ideal-gas entropy kJ/kg·K, |
| Q | real flow rate through the expander, m3/s |
| Qn | nominal flow rate through the expander, m3/s |
| R | gas constant, kJ/kg·K |
| r | discount rate |
| R2 | determination coefficient |
| t | last period for which cumulative DCF is negative |
| T1 | gas temperature before expansion, K |
| Tin | inlet temperature, K |
| ΔTadd | temperature difference, K |
| T2ad | gas temperature in the adiabatic process, K |
| W | generated stream of electrical energy, kW |
| Wheat | thermal energy, kW_heat |
| V | volume, m3. |
| Xi | independent function |
| X1 | average annual gas flow through GRS, mln m3 |
| X2 | average annual level of gas expansion |
| X3 | purchase price of natural gas, USD/MWh |
| X4 | sale price of generated electrical energy, USD/kWh |
| X5 | capital expenditures (CAPEX), mln USD |
| Yj | dependent function, Discounted Payback Period (DPP), years |
| ‘y | vector of magnitude n |
| Z | compressibility factor |
| Greek Letters | |
| α, β | coefficients depending on the expander’s type and producer |
| ΔH | difference in natural gas enthalpy before and after expansion, kJ/kg |
| ηo | coefficient of adiabatic efficiency of the expander |
| ηeg | coefficient of efficiency of electricity generator |
| ηm | coefficient of mechanical efficiency of the expander |
| ηn | nominal efficiency of the expander |
| Acronyms | |
| CER | carbon emission recovery index |
| CFi | cash flow in i-th year |
| DCF | discounted cash flow |
| DPP | discounted payback period |
| EOS | equation of state |
| GERG 88 | selected equation of state |
| GRS | natural gas regulation stations / natural gas reducing and metering station |
| KPI | key performance indicator |
| KZU | purchase cost of the device, USD/kW |
| RR | recovery ratio |
| SRA | structured retrofitting approach |
| WER | waste energy recovery index |
References
- Howard, C.; Oosthuizen, P.; Peppley, B. An investigation of the performance of a hybrid turboexpander-fuel cell system for power recovery at natural gas pressure reduction stations. Appl. Therm. Eng. 2011, 31, 2165–2170. [Google Scholar] [CrossRef]
- Chaczykowski, M.; Osiadacz, A.J.; Uilhoorn, F.E. Exergy-based analysis of gas transmission system with application to Yamal-Europe pipeline. Appl. Energy 2011, 88, 2219–2230. [Google Scholar] [CrossRef]
- Janusz, P.; Liszka, K.; Łaciak, M.; Oliinyk, A.; Susak, A. An analysis of the changes of the composition of natural gas transported in high-pressure gas pipelines. AGH Drill. Oil Gas 2015, 32, 713–722. [Google Scholar] [CrossRef]
- Janusz, P.; Liszka, K.; Łaciak, M.; Smulski, R.; Oiinyk, A.; Susak, O. Applicability of equations for pressure losses in transmission gas pipelines. AGH Drill. Oil Gas 2015, 32, 525–538. [Google Scholar] [CrossRef]
- Kuczyński, S.; Łaciak, M.; Oliinyk, A.; Szurlej, A.; Włodek, T. Determining selection criteria for reducing and metering stations for the use of turboexpanders. In Proceedings of the 1st Latin American Conference on Sustainable Development of Energy, Water and Environment Systems, Rio de Janeiro, Brazil, 28–31 January 2018; p. 219. [Google Scholar]
- Jean-Jacques, B.; Bruno, D.; François, M. Modelling of a pressure regulator. Int. J. Press. Vessel. Pip. 2007, 84, 234–243. [Google Scholar]
- Nasrifar, K.; Bolland, O. Prediction of thermodynamic properties of natural gas mixtures using 10 equations of state including a new cubic two-constant equation of state. J. Pet. Sci. Eng. 2006, 51, 253–266. [Google Scholar] [CrossRef]
- Bisio, G. Thermodynamic analysis of the use of pressure exergy of natural gas. Energy 1995, 20, 161–167. [Google Scholar] [CrossRef]
- Kostowski, W.J.; Usón, S. Thermoeconomic assessment of a natural gas expansion system integrated with a co-generation unit. Appl. Energy 2013, 101, 58–66. [Google Scholar] [CrossRef]
- Daneshi, H.; Zadeh, H.K.; Choobari, A.L. Turboexpander as a distributed generator. In Proceedings of the Power and Energy Society General Meeting-Conversion and Delivery of Electrical Energy in the 21st Century, Pittsburgh, PA, USA, 20–24 July 2008; pp. 1–7. [Google Scholar]
- Łaciak, M.; Smulski, R. Possible uses of natural gas expansion energy in reduction stations for production of electricity. Nowoczesne Techniki i Technologie Bezwykopowe 2002, 1, 20–22. [Google Scholar]
- Gas Transmission Operator GAZ-SYSTEM S.A. Available online: http://en.gaz-system.pl/ (accessed on 30 November 2018).
- Augustin, T. Gas expansion power plants of newest design- efficient power generation on the background of changing economical conditions. Gas Waerme Int. 2000, 49, 146–148. [Google Scholar]
- Sadeghi, H.; Fouladi, H.; Kazemi, H.A. Power generation through recovery of natural gas pressure loss and waste heat energy of steam power plant in expansion turbine. In Proceedings of the ECOS 2004, Guanajuato, Mexico, 7–9 July 2004; pp. 1255–1263. [Google Scholar]
- Comakli, K. Economic and environmental comparison of natural gas fired conventional and condensing combi boilers. J. Energy Inst. 2008, 81, 242–246. [Google Scholar] [CrossRef]
- Arabkoohsar, A.; Gharahchomaghloo, Z.; Farzaneh-Gord, M.; Koury, R.N.; Deymi-Dashtebayaz, M. An energetic and economic analysis of power productive gas expansion stations for employing combined heat and power. Energy 2017, 133, 737–748. [Google Scholar] [CrossRef]
- Borelli, D.; Devia, F.; Lo Cascio, E.; Schenone, C. Energy recovery from natural gas pressure reduction stations: Integration with low temperature heat sources. Energy Convers. Manag. 2018, 159, 274–283. [Google Scholar] [CrossRef]
- Li, G.; Wu, Y.; Zhang, Y.; Zhi, R.; Wang, J.; Ma, C. Performance study on a single-screw expander for a small-scale pressure recovery system. Energies 2017, 10, 6. [Google Scholar] [CrossRef]
- Stanek, W.; Gazda, W.; Kostowski, W.; Usón, S. Exergo-ecological assessment of multigeneration energy systems. In Thermodynamics for Sustainable Management of Natural Resources; Springer: Cham, Switzerland, 2017; pp. 405–442. [Google Scholar]
- Prilutskii, A.I. Use of piston expanders in plants utilizing energy of compressed natural gas. Chem. Pet. Eng. 2008, 44, 149–156. [Google Scholar] [CrossRef]
- Barbarelli, S.; Florio, G.; Scornaienchi, N.M. Theoretical and experimental analysis of a new compressible flow small power turbine prototype. Int. J. Heat Technol. 2017, 35, s391–s398. [Google Scholar] [CrossRef]
- Barbarelli, S.; Florio, G.; Scornaienchi, N.M. Developing of a small power turbine recovering energy from low enthalpy steams or waste gases: Design, building and experimental measurements. Therm. Sci. Eng. Prog. 2018, 6, 346–354. [Google Scholar] [CrossRef]
- Lo Cascio, E.; Borelli, D.; Devia, F.; Schenone, C. Key performance indicators for integrated natural gas pressure reduction stations with energy recovery. Energy Convers. Manag. 2018, 164, 219–229. [Google Scholar] [CrossRef]
- Lo Cascio, E.; Von Friesen, M.P.; Schenone, C. Optimal retrofitting of natural gas pressure reduction stations for energy recovery. Energy 2018, 153, 387–399. [Google Scholar] [CrossRef]
- Osiadacz, A.; Chaczykowski, M.; Kwestarz, M. An evaluation of the possibilities of using turboexpanders at pressure regulator stations. J. Power Technol. 2017, 97, 289–294. [Google Scholar]
- Wu, S.; Rios-Mercado, R.Z.; Boyd, E.A.; Scott, L.R. Model relaxations for the fuel cost minimization of steady-state gas pipeline networks. Math. Comput. Model. 2000, 31, 197–220. [Google Scholar] [CrossRef]
- Holm, J. Application of turboexpanders for energy conservation. J. Turbomach 1983, 24, 26–31. [Google Scholar]
- Jaeschke, M.; Audibert, S.; van Caneghem, P.; Humphreys, A.E.; Janssen-van Rosmalen, R.; Pellei, Q.; Michels, J.P. Accurate Prediction of Compressibility Factors by the GERG Virial Equation (includes associated paper 23568). SPE Prod. Eng. 1991, 6, 343–349. [Google Scholar] [CrossRef]
- Faddeev, I.P. Turbo expanders to utilize the pressure of natural gas delivered to Saint Petersburg and industrial centers. Chem. Pet. Eng. 1998, 34, 704–711. [Google Scholar] [CrossRef]
- Poživil, J. Use of expansion turbines in natural gas pressure reduction stations. Acta Montan. Slovaca 2004, 3, 258–260. [Google Scholar]
- Valero, A.; Correas, L.; Zaleta, A.; Lazzaretto, A.; Verda, V.; Reini, M.; Rangel, V. On the thermoeconomic approach to the diagnosis of energy system malfunctions: Part 2. Malfunction definitions and assessment. Energy 2004, 29, 1889–1907. [Google Scholar] [CrossRef]
- Valero, A.; Usón, S.; Torres, C.; Valero, A. Application of thermoeconomics to industrial ecology. Entropy 2010, 12, 591–612. [Google Scholar] [CrossRef]
- Usón, S.; Valero, A.; Agudelo, A. Thermoeconomics and industrial symbiosis. Effect of by-product integration in cost assessment. Energy 2012, 45, 43–51. [Google Scholar]
- Skorek, J. Ocena Efektywności Energetycznej i Ekonomicznej Gazowych Układów Kogeneracyjnych Małej Mocy; Wydaw. Politechniki Śląskiej: Gliwice, Poland, 2002. (In Polish) [Google Scholar]
- Вoскoбoйникoв, Ю.Е. Пoстрoение Регрессиoнных Мoделей в Пакете MathCAD: Учеб. Пoсoбие; НГАСУ: Нoвoсибирск, Russia, 2009. (In Russian) [Google Scholar]
- Urząd Regulacji Energetyki. Sprawozdanie z Działalności Prezesa Urzędu Regulacji Energetyki w 2016 r; Energy Regulatory Office: Warsaw, Poland, 2017. (In Polish) [Google Scholar]
- Urząd Regulacji Energetyki. Sprawozdanie z Działalności Prezesa Urzędu Regulacji Energetyki w 2017 r; Energy Regulatory Office: Warsaw, Poland, 2018. (In Polish) [Google Scholar]
- Borelli, D.; Devia, F.; Brunenghi, M.M.; Schenone, M.; Spoladore, A. Waste Energy Recovery from Natural Gas Distribution Network: CELSIUS Project Demonstrator in Genoa. Sustainability 2015, 7, 16703–16719. [Google Scholar] [CrossRef]
- Kolasiński, P.; Pomorski, M.; Błasiak, P.; Rak, J. Use of Rolling Piston Expanders for Energy Regeneration in Natural Gas Pressure Reduction Stations—Selected Thermodynamic Issues. Appl. Sci. 2017, 7, 535. [Google Scholar] [CrossRef]
- Borelli, D.; Devia, F.; Lo Cascio, E.; Schenone, M.; Spoladore, A. Combined Production and Conversion of Energy in an Urban Integrated System. Energies 2016, 9, 817. [Google Scholar] [CrossRef]
- Miller, I.; Gençer, E.; O’Sullivan, F.A. General Model for Estimating Emissions from Integrated Power Generation and Energy Storage. Case Study: Integration of Solar Photovoltaic Power and Wind Power with Batteries. Processes 2018, 6, 267. [Google Scholar] [CrossRef]
- Garmsiri, S.; Rosen, M.; Smith, G. Integration of Wind Energy, Hydrogen and Natural Gas Pipeline Systems to Meet Community and Transportation Energy Needs: A Parametric Study. Sustainability 2014, 6, 2506–2526. [Google Scholar] [CrossRef]
- Mostert, C.; Ostrander, B.; Bringezu, S.; Kneiske, T. Comparing Electrical Energy Storage Technologies Regarding Their Material and Carbon Footprint. Energies 2018, 11, 3386. [Google Scholar] [CrossRef]
- Yousif, M.; Ai, Q.; Gao, Y.; Wattoo, W.; Jiang, Z.; Hao, R. Application of Particle Swarm Optimization to a Scheduling Strategy for Microgrids Coupled with Natural Gas Networks. Energies 2018, 11, 3499. [Google Scholar] [CrossRef]
















© 2019 by the authors. Licensee MDPI, Basel, Switzerland. This article is an open access article distributed under the terms and conditions of the Creative Commons Attribution (CC BY) license (http://creativecommons.org/licenses/by/4.0/).
Share and Cite
Kuczyński, S.; Łaciak, M.; Olijnyk, A.; Szurlej, A.; Włodek, T. Techno-Economic Assessment of Turboexpander Application at Natural Gas Regulation Stations. Energies 2019, 12, 755. https://doi.org/10.3390/en12040755
Kuczyński S, Łaciak M, Olijnyk A, Szurlej A, Włodek T. Techno-Economic Assessment of Turboexpander Application at Natural Gas Regulation Stations. Energies. 2019; 12(4):755. https://doi.org/10.3390/en12040755
Chicago/Turabian StyleKuczyński, Szymon, Mariusz Łaciak, Andrzej Olijnyk, Adam Szurlej, and Tomasz Włodek. 2019. "Techno-Economic Assessment of Turboexpander Application at Natural Gas Regulation Stations" Energies 12, no. 4: 755. https://doi.org/10.3390/en12040755
APA StyleKuczyński, S., Łaciak, M., Olijnyk, A., Szurlej, A., & Włodek, T. (2019). Techno-Economic Assessment of Turboexpander Application at Natural Gas Regulation Stations. Energies, 12(4), 755. https://doi.org/10.3390/en12040755

