Non-Linear Control for Variable Resistive Bridge Type Fault Current Limiter in AC-DC Systems
Abstract
1. Introduction
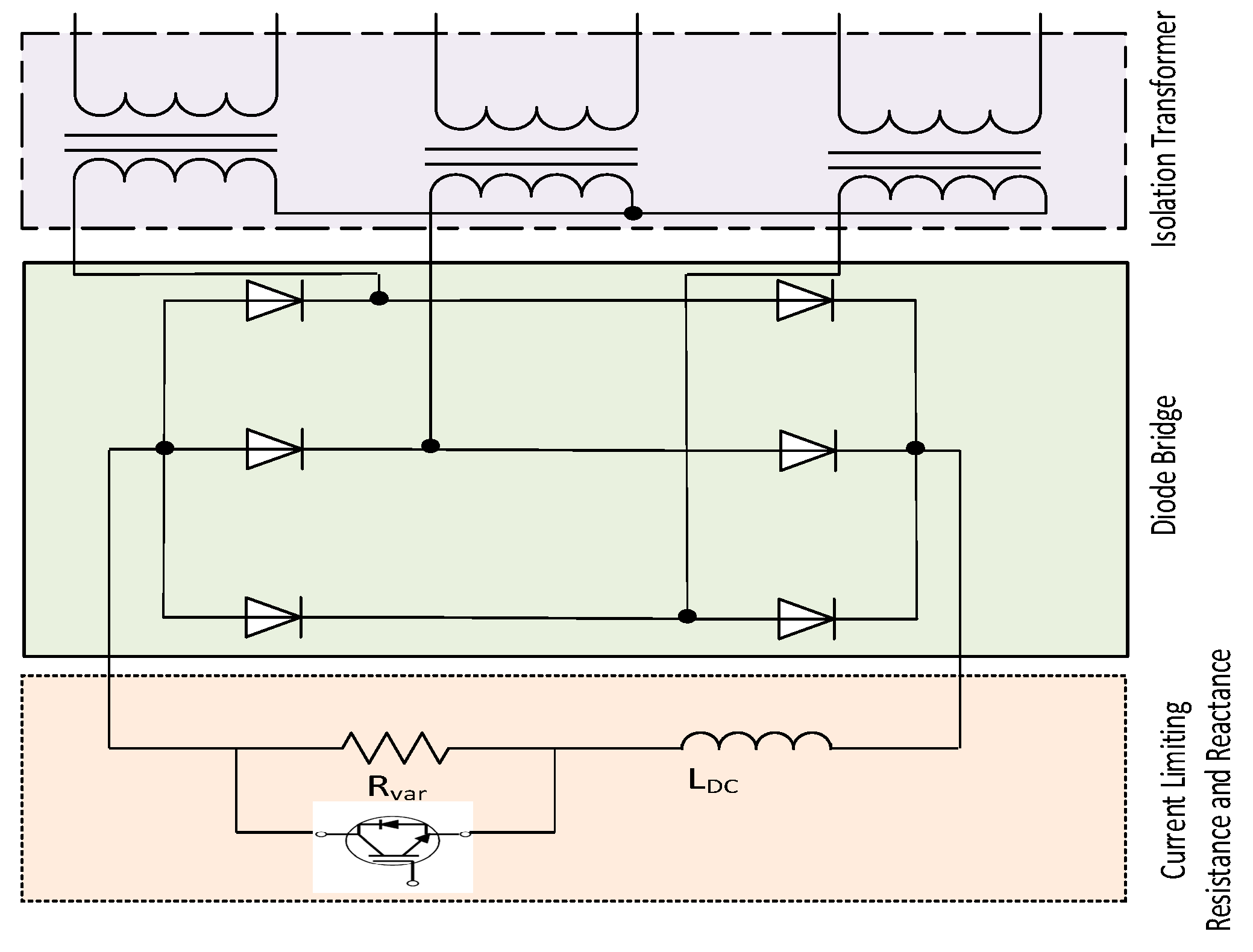
2. Variable Resistive Bridge Type Fault Current Limiter
2.1. VRBFCL Structrue and Operation
2.2. Non-linear Control of VRBFCL
3. System Modelling and Controller Design
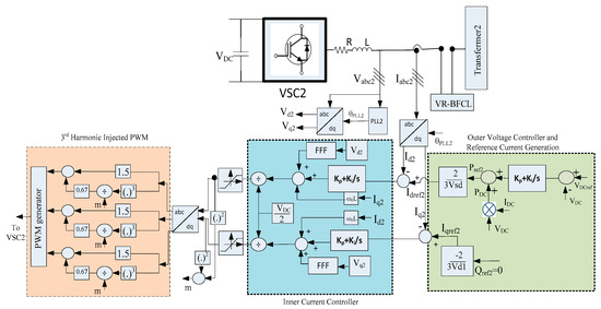
3.1. Control of VSC1
3.2. Control of VSC2
4. Results and Discussion
4.1. RTDS Implementation
4.2. Simulation Considerations
- (i)
- without FCL
- (ii)
- with fixed duty controller VR-BFCL
- (iii)
- with proposed non-linear controller VR-BFCL
4.3. Symmetrical Fault Application
4.4. Unsymmetrical Faults Application
4.5. Index-Based Comparison
5. Conclusions
Author Contributions
Acknowledgments
Conflicts of Interest
Nomenclature
| Abbreviations | |
| 1LG | Single line to ground fault |
| 3LG | Three line to ground fault |
| D | Duty cycle |
| FFF | Feed forward function |
| FRT | Fault ride through |
| HVDC | High voltage DC |
| IGBT | Insulated gate bipolar transistor |
| LCC | Line commutated converter |
| MTDC | Multiterminal HVDC |
| PCC | Point of common coupling |
| PI | Proportional integral |
| PLL | Phase locked loop |
| RTDS | Real time digital simulator |
| VR-BFCL | Variable resistive bridge type fault current limiter |
| VSC | Voltage source converter |
| Subscripts | |
| aceff | Effective value in AC side |
| d | Direct axis |
| max | Maximum |
| mes | Measured |
| min | Minimum |
| q | Quadrature axis |
| ref | Reference |
| var | Variable |
References
- Lee, J.-G.; Khan, U.A.; Lim, S.-W.; Shin, W.; Seo, I.-J.; Lee, B.-W. Comparative study of superconducting fault current limiter both for LCC-HVDC and VSC-HVDC systems. Phys. C Supercond. Appl. 2015, 518, 149–153. [Google Scholar] [CrossRef]
- Gole, A. Apparent increase in short circuit ratio (AISCR) as a measure of the impact of VSC converters on LCC converters in multi-infeed HVDC systems with VSC and LCC infeeds. In Proceedings of the 10th IET International Conference on AC and DC Power Transmission (ACDC 2012), Birmingham, UK, 4–5 December 2012; Institution of Engineering and Technology: Birmingham, UK, 2012; pp. 22–25. [Google Scholar]
- Alam, M.S.; Abido, M.A.; Al-hamouz, Z.M. Model Predictive Control Approach for Bridge-Type Fault Current Limiter in VSC-HVDC System. Arab. J. Sci. Eng. 2018, 1–11. [Google Scholar] [CrossRef]
- Elansari, A.S.; Finney, S.J.; Burr, J.; Edrah, M.F. Frequency control capability of VSC-HVDC transmission system. In Proceedings of the 11th IET International Conference on AC and DC Power Transmission, Birmingham, UK, 10–12 February 2015; pp. 1–6. [Google Scholar]
- Lei, B.; Zhang, T.; Fei, S. An improved nonlinear robust control design for grid-side converter of VSC-HVDC connected to wind power generation system. Electr. Eng. 2018, 100, 2309–2318. [Google Scholar] [CrossRef]
- Beddard, A.; Barnes, M. Modelling of MMC-HVDC systems—An overview. In Proceedings of the 12th Deep Sea Offshore Wind R&D Conference, Trondheim, Norway, 4–6 February 2015; pp. 201–212. [Google Scholar]
- Kalcon, G.; Adam, G.P.; Anaya-Lara, O.; Burt, G.; Lo, K.L. Analytical efficiency evaluation of two and three level VSC-HVDC transmission links. Int. J. Electr. Power Energy Syst. 2013, 44, 1–6. [Google Scholar] [CrossRef]
- Cao, J.; Du, W.; Wang, H.F. The impact of control design on dynamic behaviour of multi-terminal VSC-HVDC (MTDC) system under AC grid fault conditions. In Proceedings of the 7th IET International Conference on Power Electronics, Machines and Drives, Manchester, UK, 8–10 April 2014; pp. 1–6. [Google Scholar]
- Zhang, L.; Shi, J.; Wang, Z.; Tang, Y.; Yang, Z.; Ren, L.; Yan, S.; Liao, Y. Application of a novel superconducting fault current limiter in a VSC-HVDC system. IEEE Trans. Appl. Supercond. 2017, 27, 1–6. [Google Scholar] [CrossRef]
- Imran, S.; Shah, A.; Batool, M.; Khaliq, A.; Nawaz, F. DC Fault Protection Strategy for Medium Voltage Integrated Power System: Development and Assessment. Arab. J. Sci. Eng. 2018, 43, 2859–2872. [Google Scholar] [CrossRef]
- Alam, M.S.; Chowdhury, A.H. Power System Load Switching Monitoring Using Wavelet Transform Based Multiresolution Signal Decomposition. In Proceedings of the 6th International Conference on Electrical and Computer Engineering (ICECE), Dhaka, Bangladesh, 18–20 December 2010; pp. 18–20. [Google Scholar]
- Li, B.; Li, Y.; He, J. A DC fault handling method of the MMC-based DC system q. Electr. Power Energy Syst. 2017, 93, 39–50. [Google Scholar] [CrossRef]
- Zhang, B.; Zhao, C.; Guo, C.; Xiao, X.; Zhou, L. Controller Architecture Design for MMC-HVDC. Adv. Electr. Comput. Eng. 2014, 14, 9–16. [Google Scholar] [CrossRef]
- Agarwal, S.; Swetapadma, A.; Panigrahi, C. An Improved Method Using Artificial Neural Network for Fault Detection and Fault Pole Identification in Voltage Source Converter-Based High-Voltage Direct Current Transmission Lines. Arab. J. Sci. Eng. 2018, 43, 4005–4018. [Google Scholar] [CrossRef]
- Alam, M.S.; Abido, M.A.Y.; El-Amin, I. Fault Current Limiters in Power Systems: A Comprehensive Review. Energies 2018, 11, 1025. [Google Scholar] [CrossRef]
- Jo, H.C.; Joo, S.K. Superconducting fault current limiter placement for power system protection using the minimax regret criterion. IEEE Trans. Appl. Supercond. 2015, 25. [Google Scholar] [CrossRef]
- Blair, S.M.; Elders, I.M.; Booth, C.D.; Burt, G.M.; McCarthy, J.; Singh, N.K. Superconducting fault current limiter application in a power-dense marine electrical system. IET Electr. Syst. Transp. 2011, 1, 93–102. [Google Scholar] [CrossRef]
- Kim, M.H.; Kim, J.S.; You, I.K.; Lim, S.H.; Kim, J.C. A study on practical impedance of superconducting fault current limiter on bus tie in a power distribution system. J. Int. Counc. Electr. Eng. 2011, 1, 54–59. [Google Scholar] [CrossRef]
- Lee, J.-G.; Khan, U.A.; Hwang, J.-S.; Seong, J.-K.; Shin, W.-J.; Park, B.-B.; Lee, B.-W. Assessment on the influence of resistive superconducting fault current limiter in VSC-HVDC system. Phys. C Supercond. Appl. 2014, 504, 163–166. [Google Scholar] [CrossRef]
- Jo, H.C.; Joo, S.K.; Lee, K. Optimal placement of superconducting fault current limiters (SFCLs) for protection of an electric power system with distributed generations (DGs). IEEE Trans. Appl. Supercond. 2013, 23, 3–6. [Google Scholar] [CrossRef]
- Ye, L.Y.L.; Lin, L.L.L.; Juengst, K.-P. Application studies of superconducting fault current limiters in electric power systems. IEEE Trans. Appl. Supercond. 2002, 12, 900–903. [Google Scholar] [CrossRef]
- Alam, M.S.; Abido, M.A.Y. Fault Ride Through Capability Enhancement of a Large-Scale PMSG Wind System with Bridge Type Fault Current Limiters. Adv. Electr. Comput. Eng. 2018, 18, 43–50. [Google Scholar] [CrossRef]
- Hasan, M.; Rashid, G. Fault ride through capability improvement of DFIG based winds farm by fuzzy logic controlled parallel resonance fault current limiter. Electr. Power Syst. Res. 2016, 146, 1–8. [Google Scholar] [CrossRef]
- Tarafdar, M.T.; Jafari, M.; Naderi, S.B. Transient stability improvement using non-superconducting fault current limiter. In Proceedings of the 1st Power Electronic & Drive Systems & Technologies Conference (PEDSTC), Tehran, Iran, 17–18 February 2010; pp. 367–370. [Google Scholar]
- Hossain, M.K.; Ali, M.H. Transient stability augmentation of PV/DFIG/SG-based hybrid power system by parallel-resonance bridge fault current limiter. Electr. Power Syst. Res. 2016, 130, 89–102. [Google Scholar] [CrossRef]
- Sadi, M.A.H.; Ali, M.H. Transient stability enhancement by bridge type fault current limiter considering coordination with optimal reclosing of circuit breakers. Electr. Power Syst. Res. 2015, 124, 160–172. [Google Scholar] [CrossRef]
- Hossain, M.E. Performance analysis of diode-bridge-type non-superconducting fault current limiter in improving transient stability of DFIG based variable speed wind generator. Electr. Power Syst. Res. 2017, 143, 782–793. [Google Scholar] [CrossRef]
- Hagh, M.T.; Naderi, S.B.; Jafari, M. Application of non-superconducting fault current limiter to improve transient stability. In Proceedings of the IEEE International Conference on Power and Energy, Kuala Lumpur, Malaysia, 19–21 April 2010; pp. 646–650. [Google Scholar]
- Hagh, M.T.; Abapour, M. Nonsuperconducting fault current limiter with controlling the magnitudes of fault currents. IEEE Trans. Power Electron. 2009, 24, 613–619. [Google Scholar] [CrossRef]
- Ise, T.; Nguyen, H.; Kumgai, S. Reduction of inductance and current rating of the coil and enhancement of fault current limiting capability of a rectifier type superconducting fault current limiter. IEEE Trans. Appl. Supercond. 2001, 1, 1932–1935. [Google Scholar] [CrossRef]
- Manohar, P.; Ahmed, W. Superconducting fault current limiter to mitigate the effect of DC line fault in VSC-HVDC system. In Proceedings of the 2012 International Conference on Power, Signals, Controls and Computation, Kerala, India, 3–6 January 2012; pp. 1–6. [Google Scholar]
- Mourinho, F.A.; Motter, D.; Vieira, J.C.M.; Monaro, R.M.; Le Blond, S.P.; Zhang, M.; Yuan, W. Modeling and analysis of superconducting fault current limiters applied in VSC-HVDC systems. In Proceedings of the IEEE Power and Energy Society General Meeting, Denver, CO, USA, 26–30 July 2015; pp. 1–5. [Google Scholar]
- Hoshino, T.; Muta, I.; Nakamura, T.; Salim, K.M.; Yamada, M. Non-inductive variable reactor design and computer simulation of rectifier type superconducting fault current limiter. IEEE Trans. Appl. Supercond. 2005, 15, 2063–2066. [Google Scholar] [CrossRef]
- Kozak, J.; Majka, M.; Kozak, S.; Janowski, T. Comparison of inductive and resistive SFCL. IEEE Trans. Appl. Supercond. 2013, 23, 6–9. [Google Scholar] [CrossRef]
- Ko, S.; Lim, S. Analysis on magnetizing characteristics due to peak fault current limiting operation of a modified flux-lock-type SFCL with two magnetic paths. IEEE Trans. Appl. Supercond. 2016, 26, 4–8. [Google Scholar] [CrossRef]
- Han, T.H.; Ko, S.C.; Lim, S.H. Current limiting characteristics of a flux-lock type SFCL using two triggered HTSC elements. Phys. Procedia 2013, 45, 297–300. [Google Scholar] [CrossRef]
- Ko, S.C.; Han, T.H.; Lim, S.H. Study on peak current limiting characteristics of a flux-lock type SFCL with two magnetically coupled circuits. Phys. Procedia 2013, 45, 305–308. [Google Scholar] [CrossRef]
- Zhao, Y.; Saha, T.K.; Krause, O.; Li, Y. Performance analysis of resistive and flux-lock type SFCL in electricity networks with DGs. In Proceedings of the IEEE Power and Energy Society General Meeting, Denver, CO, USA, 26–30 July 2015; pp. 1–5. [Google Scholar]
- Onishi, T.; Kawasumi, M.; Sasaki, K.I.; Akimoto, R. An experimental study on a fast self-acting magnetic shield type superconducting fault current limiter. IEEE Trans. Appl. Supercond. 2002, 12, 868–871. [Google Scholar] [CrossRef]
- Heydari, H.; Abrishami, A.A.; Bidgoli, M.M. Comprehensive analysis for magnetic shield superconducting fault current limiters. IEEE Trans. Appl. Supercond. 2013, 23. [Google Scholar] [CrossRef]
- Naderi, S.B.; Jafari, M.; Tarafdar Hagh, M. Controllable resistive type fault current limiter (CR-FCL) with frequency and pulse duty-cycle. Int. J. Electr. Power Energy Syst. 2014, 61, 11–19. [Google Scholar] [CrossRef]
- Firouzi, M.; Gharehpetian, G.B.; Mozafari, B. Improvement of power system stability by using new switching technique in bridge-type fault current limiter. Electr. Power Components Syst. 2016, 43, 234–244. [Google Scholar] [CrossRef]
- Hasan, N.; Choudhury, S.H.; Alam, M.S. Performance analysis of a Ĉuk regulator applying variable switching frequency. Int. J. Phys. Sci. 2013, 8, 1753–1760. [Google Scholar] [CrossRef]
- Firouzi, M.; Gharehpetian, G.B.; Pishvaei, M. A dual-functional bridge type FCL to restore PCC voltage. Int. J. Electr. Power Energy Syst. 2013, 46, 49–55. [Google Scholar] [CrossRef]
- Wang, Z.-D.; Li, K.-J.; Ren, J.-G.; Sun, L.-J.; Zhao, J.-G.; Liang, Y.-L.; Lee, W.-J.; Ding, Z.-H.; Sun, Y. A Coordination Control Strategy of Voltage-Source-Converter-Based MTDC for Offshore Wind Farms. IEEE Trans. Ind. Appl. 2015, 51, 2743–2752. [Google Scholar] [CrossRef]
- Lu, M.; Hu, J.; Lin, L.; Xu, K. Zero DC voltage ride through of a hybrid modular multilevel converter in HVDC systems. IET Renew. Power Gener. 2017, 11, 35–43. [Google Scholar] [CrossRef]
- Li, R.; Fletcher, J.E. A novel MMC control scheme to increase the DC voltage in HVDC transmission systems. Electr. Power Syst. Res. 2017, 143, 544–553. [Google Scholar] [CrossRef]
- Alam, M.S.; Abido, M.A.Y. Fault ride-through capability enhancement of voltage source converter-high voltage direct current systems with bridge type fault current limiters. Energies 2017, 10, 1898. [Google Scholar] [CrossRef]
- Alam, M.S.; Hussein, A.; Abido, M.A.; Al-Hamouz, Z.M. VSC-HVDC system stability augmentation with bridge type fault current limiter. In Proceedings of the 6th International Conference on Clean Electrical Power, Santa Margherita Ligure, Italy, 27–29 June 2017; pp. 531–535. [Google Scholar]
- Liu, X.; Wang, P.; Loh, P.C. A hybrid AC/DC microgrid and its coordination control. IEEE Trans. Smart Grid 2011, 2, 278–286. [Google Scholar] [CrossRef]
- Alam, M.S.; Hossain, I.; Hossain, A.; Choudhory, S.H. Protection of Inverter-based Distributed Generation with Series Dynamic Braking Resistor: A Variable Duty Control Approach. In Proceedings of the 2018 10th International Conference on Electrical and Computer Engineering (ICECE), Dhaka, Bangladesh, 20–22 December 2018; pp. 253–256. [Google Scholar]
- Preitl, S.; Precup, R.-E. An extension of tuning relations after symmetrical optimum method for PI and PID controllers. Automatica 1999, 35, 1731–1736. [Google Scholar] [CrossRef]
- Baek, S.-M.; Park, J.-W. Nonlinear parameter optimization of FACTS controller via real-time digital simulator. IEEE Ind. Appl. 2012, 49, 2271–2278. [Google Scholar] [CrossRef]














| Parameter | Value |
|---|---|
| Rated power of AC/DC | 30 MVA |
| AC Grid voltage | 138 kV (L-L rms) |
| System Frequency | 60 c/s |
| Transformer voltage ratio | 138/18 kV (Delta/Y) |
| Transformer magnetizing resistance | 0.001 pu |
| Transformer magnetizing inductance | 0.001 pu |
| AC side resistor (R) | 88 mΩ |
| AC side reactor (L) | 8.5 mH |
| DC capacitor | 500 µF |
| DC voltage | 35 kV |
| VR-BFCL resistor (Rvar) | 100 mΩ |
| VR-BFCL inductor (LDC) | 30 mH |
| Current controller | 8.5 + 88/s |
| DC voltage controller | 0.1036 + 17.7/s |
| Feed forward function (FFF) | 1/(1 + 7.5 × 10−6 s) |
| Index Parameters, kV.sec | Values of Indices in Percent | ||
|---|---|---|---|
| Without FCL | With Fixed Duty VR-BFCL | With Proposed Nonlinear VR-BFCL | |
| dclinkvolt | 2.0276 | 0.6452 | 0.4623 |
| acpow | 7.8727 | 1.4493 | 0.6301 |
| linecurr | 0.3948 | 0.3360 | 0.3159 |
| Index Parameters, kV.sec | Values of Indices in Percent | ||
|---|---|---|---|
| Without FCL | With Fixed Duty VR-BFCL | With Proposed Nonlinear VR-BFCL | |
| dclinkvolt | 0.5321 | 0.4835 | 0.3831 |
| acpow | 0.6653 | 0.5155 | 0.4485 |
| linecurr | 0.3532 | 0.3029 | 0.3013 |
© 2019 by the authors. Licensee MDPI, Basel, Switzerland. This article is an open access article distributed under the terms and conditions of the Creative Commons Attribution (CC BY) license (http://creativecommons.org/licenses/by/4.0/).
Share and Cite
Alam, M.S.; Abido, M.A.Y.; Hussein, A.E.-D. Non-Linear Control for Variable Resistive Bridge Type Fault Current Limiter in AC-DC Systems. Energies 2019, 12, 713. https://doi.org/10.3390/en12040713
Alam MS, Abido MAY, Hussein AE-D. Non-Linear Control for Variable Resistive Bridge Type Fault Current Limiter in AC-DC Systems. Energies. 2019; 12(4):713. https://doi.org/10.3390/en12040713
Chicago/Turabian StyleAlam, Md Shafiul, Mohammad Ali Yousef Abido, and Alaa El-Din Hussein. 2019. "Non-Linear Control for Variable Resistive Bridge Type Fault Current Limiter in AC-DC Systems" Energies 12, no. 4: 713. https://doi.org/10.3390/en12040713
APA StyleAlam, M. S., Abido, M. A. Y., & Hussein, A. E.-D. (2019). Non-Linear Control for Variable Resistive Bridge Type Fault Current Limiter in AC-DC Systems. Energies, 12(4), 713. https://doi.org/10.3390/en12040713

