A General Transformer Evaluation Method for Common-Mode Noise Behavior
Abstract
:1. Introduction
2. Lumped Capacitance Model of the Transformer
2.1. Transformer CM Noise Model
2.2. CM Noise Circuit Model
3. Calculation of the CM Displacement Current Flowing through Transformer Coupling Path
3.1. PS Winding Arrangement
3.2. Sandwich Winding Arrangement
3.3. Interleaved Winding Arrangement
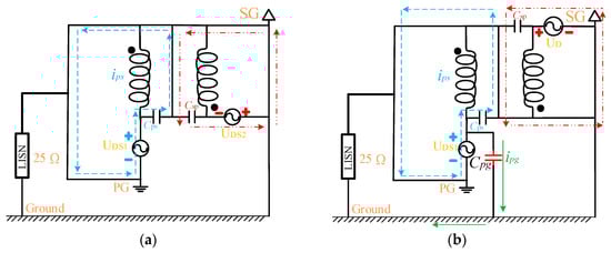
4. Evaluation Method of the Transformer
4.1. Previous Evaluation Method
4.2. Proposed Evaluation Method
4.2.1. Selection of Resistor R2
4.2.2. Ground Potential Difference
5. Experimental Results
5.1. Measurement Voltage Waveform
5.2. CQ Verification
5.3. Noise Spectrum Verification
6. Conclusions
- The measurement instruments are cheaper compared with professional EMI measurement instruments, and many transformer manufactures can easily use this evaluation method.
- The evaluation method can put the voltage potential distribution of the primary and secondary winding into consideration, which can reflect the CM noise behavior of the transformer.
- The resistance of R2 should be chosen appropriately.
- The voltage potential difference between the primary ground and the secondary ground can make a difference to the lumped equivalent CM noise capacitance of the transformer.
- Sinusoidal signal source is recommended as an excitation to be applied on the primary winding.
- The proposed evaluation method can effectively evaluate the CM noise behaviors of transformer only in capacitive coupling frequency range.
Author Contributions
Funding
Conflicts of Interest
References
- Chu, Y.; Wang, S. A generalized common-mode current cancelation approach for power converters. IEEE Trans. Ind. Electron. 2015, 62, 4130–4140. [Google Scholar] [CrossRef]
- Limits and Methods of Measurement of Radio Disturbance Characteristics of Information Technology Equipment; European Norm Standard EN 55022; CISPR, European Union: Brussels, Belgium, 2006.
- Chu, Y.; Wang, S.; Zhang, N.; Fu, D. A Common Mode Inductor With External Magnetic Field Immunity Low-Magnetic Field Emission and High-Differential Mode Inductance. IEEE Trans. Power Electron. 2015, 30, 6684–6694. [Google Scholar] [CrossRef]
- Chan, Y.P.; Pong, M.H.; Poon, N.K.; Liu, C.P. Effective switching mode power supplies common mode noise cancellation technique with zero equipotential transformer models. In Proceedings of the IEEE Applied Power Electronics Conference and Exposition (APEC), Palm Springs, CA, USA, 21–25 February 2010; pp. 571–574. [Google Scholar]
- Pentti, L.; Hyvonen, O. Electrically Decoupled Integrated Transformer Having at Least One Grounded Electric Shield. U.S. Patent 7733205 B2, 8 June 2010. [Google Scholar]
- Tokaldani, M.A.S.; Shafiei, N.; Ordonez, M. Planar Transformers with Near Zero Common Mode Noise for Flyback and Forward Converters. IEEE Trans. Power Electron. 2017, 32, 2687–2703. [Google Scholar]
- Xie, L.; Ruan, X.; Ji, Q.; Ye, Z. Shielding-cancellation technique for suppressing common mode EMI in isolated power converters. IEEE Trans. Ind. Electron. 2015, 62, 2814–2822. [Google Scholar] [CrossRef]
- Kong, P.; Wang, S.; Lee, F.C.; Wang, Z. Reducing common-mode noise in two-switch forward converter. IEEE Trans. Power Electron. 2011, 26, 1522–1533. [Google Scholar] [CrossRef]
- Chen, H.; Xiao, J. Determination of Transformer Shielding Foil Structure for Suppressing Common-Mode Noise in Flyback Converters. IEEE Trans. Magn. 2016, 52, 1–9. [Google Scholar] [CrossRef]
- Bai, Y.; Yang, X.; Li, X.; Zhang, D.; Chen, W. A novel balanced winding topology to mitigate EMI without the need for a Y-capacitor. In Proceedings of the 2016 IEEE Applied Power Electronics Conference and Exposition, Long Beach, CA, USA, 20–24 March 2016; pp. 3623–3628. [Google Scholar]
- Cochrane, D.; Chen, D.Y.; Boroyevic, D. Passive cancellation of common-mode noise in power electronic circuits. IEEE Trans. Power Electron. 2003, 18, 756–763. [Google Scholar] [CrossRef]
- Duerbaum, T.; Sauerlaender, G. Energy based capacitance model for magnetic devices. In Proceedings of the Sixteenth Annual IEEE Applied Power Electronics Conference and Exposition, Anaheim, CA, USA, 4–8 March 2001; pp. 109–115. [Google Scholar]
- Schellmanns, A.; Keradec, J.P.; Schanen, J.L.; Berrouche, K. Representing electrical behavior of transformers by lumped element circuits: A global physical approach. In Proceedings of the IEEE Industry Applications Conference, Phoenix, AZ, USA, 3–7 October 1999; pp. 2100–2107. [Google Scholar]
- Besri, A.; Chazal, H.; Keradec, J. Capacitive behavior of HF power transformer: Global approach to draw robust equivalent circuits and experimental characterization. In Proceedings of the IEEE Instrumentation and Measurement Technology Conference (IMTC), Singapore, 5–7 May 2009; pp. 1262–1267. [Google Scholar]
- Collins, J.A. An accurate method for modeling transformer winding capacitance. In Proceedings of the 16th Annual Conference of IEEE Industrial Electronics Society (IECON), Pacific Grove, CA, USA, 27–30 November 1990; pp. 1094–1099. [Google Scholar]
- Yang, Y.; Huang, D.; Lee, F.C.; Li, Q. Analysis and reduction of common mode EMI noise for resonant converters. In Proceedings of the IEEE Applied Power Electronics Conference and Exposition (APEC), Fort Worth, TX, USA, 16–20 March 2014; pp. 566–571. [Google Scholar]
- Xie, L.; Ruan, X.; Ye, Z. Equivalent Noise Source: An Effective Method for Analyzing Common-Mode Noise in Isolated Power Converters. IEEE Trans. Ind. Electron. 2016, 63, 2913–2924. [Google Scholar] [CrossRef]
- Li, Y.; Zhang, H.; Wang, S.; Sheng, H.; Chng, C.P.; Lakshmikanthan, S. Investigating Switching Transformers for Common Mode EMI Reduction to Remove Common Mode EMI Filters and Y-Capacitors in Flyback Converters. IEEE J. Emerg. Sel. Top. Power Electron. 2018, 6, 2287–2301. [Google Scholar] [CrossRef]
- Chen, Q.; Chen, W.; Song, Q.; Yongfa, Z. An evaluation method of transformer behaviors on common-mode conduction noise in SMPS. In Proceedings of the 2011 IEEE Ninth International Conference on Power Electronics and Drive Systems, Singapore, 5–8 December 2011; pp. 782–786. [Google Scholar]
- Yao, J.; Li, Y.; Zhao, H.; Wang, S.; Wang, Q.; Lu, Y.; Fu, D. Modeling and Reduction of Radiated Common Mode Current in Flyback Converters. In Proceedings of the 2018 IEEE Energy Conversion Congress and Exposition (ECCE), Portland, OR, USA, 23–27 September 2018; pp. 6613–6620. [Google Scholar]
- Padma, S.; Subramanian, S. Parameter Estimation of Single Phase Core Type Transformer Using Bacterial Foraging Algorithm. Engineering 2010, 2, 1–9. [Google Scholar] [CrossRef]
- Chen, H.; Zheng, Z.; Xiao, J. Determining the Number of Transformer Shielding Winding Turns for Suppressing Common-Mode Noise in Flyback Converters. IEEE Trans. Electromagn. Compat. 2018, 60, 1606–1609. [Google Scholar] [CrossRef]





















| Input | Output | Switching Frequency | Transformer |
|---|---|---|---|
| 90–230 V | 9 V/2 A | 85 kHz | EID22.5/12.3, PC95, NP = 20, NS = 2, PSP |
© 2019 by the authors. Licensee MDPI, Basel, Switzerland. This article is an open access article distributed under the terms and conditions of the Creative Commons Attribution (CC BY) license (http://creativecommons.org/licenses/by/4.0/).
Share and Cite
Fu, K.; Chen, W.; Lin, S. A General Transformer Evaluation Method for Common-Mode Noise Behavior. Energies 2019, 12, 1984. https://doi.org/10.3390/en12101984
Fu K, Chen W, Lin S. A General Transformer Evaluation Method for Common-Mode Noise Behavior. Energies. 2019; 12(10):1984. https://doi.org/10.3390/en12101984
Chicago/Turabian StyleFu, Kaining, Wei Chen, and Subin Lin. 2019. "A General Transformer Evaluation Method for Common-Mode Noise Behavior" Energies 12, no. 10: 1984. https://doi.org/10.3390/en12101984
APA StyleFu, K., Chen, W., & Lin, S. (2019). A General Transformer Evaluation Method for Common-Mode Noise Behavior. Energies, 12(10), 1984. https://doi.org/10.3390/en12101984

