Soil Thermal Balance Analysis for a Ground Source Heat Pump System in a Hot-Summer and Cold-Winter Region
Abstract
:1. Introduction
2. Methodology
2.1. Dynamic Heating and Cooling Loadings Simulation of the Hotel Building
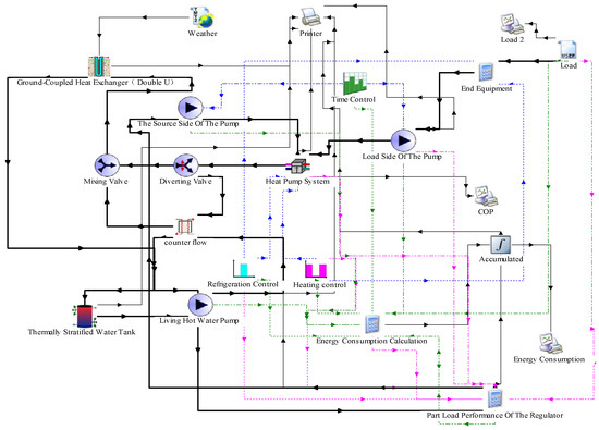
2.2. Ground Source Heat Pump System (GSHPS) Simulation Calculation Model
- —Inlet temperature of circulating liquid in heat pump source side, ;
- —Mass flow rate of circulating liquid in heat pump source side, ;
- —Specific heat of circulating liquid in heat pump source side, ;
- —Inlet temperature of circulating liquid in heat pump loading side, ;
- —Mass flow rate of circulating liquid in heat pump loading side, ;
- —Specific heat of circulating liquid in heat pump loading side, .
2.3. Evaluation Method
2.3.1. Thermal Imbalance Ratio
- —hourly heating or cooling load, kW;
- Cooling, s and cooling, e—start and end times for cooling;
- Heating, s and heating, e—start and end times for heating.
2.3.2. Average Soil Temperature
3. Results and Discussion
3.1. Calculation of Annual Dynamic Heating and Cooling Hourly Loadings
3.2. Soil Thermal Balance
3.3. Average Soil Temperature
4. Conclusions
- (1)
- GSHPSs with heat recovery maintained steady soil temperatures and thermal imbalance ratios over long-term use.
- (2)
- The problem of soil thermal imbalance can be satisfactorily solved by applying a GSHPS with heat recovery, especially in hot-summer and cold-winter areas. In addition, a yearly thermal balance scheme of the GSHPS was established, given that the system constitution was conducive to fundamentally eliminating soil thermal imbalance.
- (3)
- The thermal imbalance ratios of four cases, which were 44.3%, 35.6%, 28.1% and 8.0% respectively after 1-year of operation, reduced to 29.2%, 21.1%, 16.0% and 5.2% respectively after 20 years of operation. Furthermore, case 4 essentially demonstrated balanced heat extraction and rejection.
- (4)
- Combining the data analyses in Section 3.1 and Section 3.2, the soil temperatures of four cases all rose by 3.05 °C, 2.27 °C, 1.64 °C and 0.06 °C respectively, compared with initial temperatures. After 20 years, increases for the four cases were 8.78 °C, 5.25 °C, 3.44 °C and 0.34 °C respectively, revealing that the rise of soil temperatures decreased with increasing heat recovery ratios. All the four cases had a soil thermal imbalance, but that of case 4 was acceptable by practical engineering standards.
Author Contributions
Funding
Acknowledgments
Conflicts of Interest
Nomenclature
| Coefficient of performance | |
| Heat rejected to the soil in summer (kW) | |
| Cooling removed from the indoor enviroment (kW) | |
| Working consumed by the heat pump(kW) | |
| Outlet temperatures of circulating liquid in source side (°C) | |
| Outlet temperatures of circulating liquid in load side (°C) | |
| Inlet temperatures of circulating liquid in source side (°C) | |
| Inlet temperatures of circulating liquid in load side (°C) | |
| Mass flow rate of circulating liquid in heat pump source side (kJ/(kg·K)) | |
| Specific heat of circulating liquid in heat pump source side (kJ/(kg·K)) | |
| Mass flow rate of circulating liquid in heat pump load side (kJ/(kg·K)) | |
| Specific heat of circulating liquid in heat pump loading side (kJ/(kg·K)) | |
| Hourly heating or cooling load, kW | |
| The accumulated heating load, kW | |
| The accumulated cooling load, kW | |
| The accumulated heating extraction during heating period, kW | |
| The accumulated heating rejection during cooling period, kW | |
| The hourly heating COP | |
| The hourly cooling COP | |
| IR | Thermal imbalance ratio |
References
- Stuart, J.S.; Bale, V.R.; Marc, A.R. Geothermal heat pump systems: Status review and comparison with other heating options. Appl. Energy 2013, 101, 341–348. [Google Scholar] [CrossRef]
- You, T.; Wu, W.; Shi, W.X.; Wang, B.L.; Li, X.T. An overview of the problems and solutions of soil thermal imbalance of ground-coupled heat pumps in cold regions. Appl. Energy 2016, 177, 515–536. [Google Scholar] [CrossRef]
- Li, W.D.; Li, X.D.; Wang, Y.; Tu, J.Y. An integrated predictive model of the long-term performance of ground source heat pump (GSHP) systems. Energy Build. 2018, 159, 309–318. [Google Scholar] [CrossRef]
- Jiang, H.Y. System Performance Investigation and Optimization Retrofit of an Existing Ground Source Heat Pump System in the Severe Cold Zone of China. Master’s Thesis, Shandong Jianzhu University, Shandong, China, 13 June 2016. [Google Scholar]
- Che, W.H.; Bai, L.; Hua, Y.W.; Chang, W.T.; Chu, T.M. The Contribution of ground source heat pump to reduce the haze weather. J. Jilin Jianzhu Univ. 2015, 32, 43–45. [Google Scholar]
- Sarbu, I.; Sebarchievici, C. General review of ground-source heat pump systems for heating and cooling of buildings. Energy Build. 2014, 70, 441–454. [Google Scholar] [CrossRef]
- Spitler, J.; Bernier, M. Ground-source heat pump systems: The first century and beyond. HVAC R Res. 2011, 17, 891–894. [Google Scholar] [CrossRef]
- Aikens, K.A.; Choi, J.M. Current status of the performance of GSHP (ground source heat pump) units in the Republic of Korea. Energy 2012, 47, 77–82. [Google Scholar] [CrossRef]
- Bayer, P.; Saner, D.; Belay, S.; Rybach, L.; Blum, P. Greenhouse gas emission savings of ground source heat pump systems in Europe: A review. Renew. Sustain. Energy Rev. 2012, 16, 1256–1267. [Google Scholar] [CrossRef]
- Qian, H.; Wang, Y. Modeling the interactions between the performance of ground source heat pumps and soil temperature variations. Energy Sustain. Dev. 2014, 23, 115–121. [Google Scholar] [CrossRef]
- Ji, W.J.; You, T.; Bai, S.W. Effects of buried pipe design parameters on performance of ground-source heat pump systems in cold zone. Heat. Vent. Air Cond. 2015, 45, 113–118. [Google Scholar]
- Ruiz-Calvo, F.; Cervera-Vázquez, J.; Montagud, C.; Corberán, J.M. Reference data sets for validating and analyzing GSHP system based on an eleven-year operation period. Geothermics 2016, 64, 538–550. [Google Scholar] [CrossRef]
- Zhu, N.; Hu, P.F.; Xu, L.H.; Jiang, Z.G.; Lei, F. Recent research and applications of ground source heat pump integrated with thermal energy storage systems: A review. Appl. Therm. Eng. 2014, 71, 142–151. [Google Scholar] [CrossRef]
- Nguyen, H.V.; Law, Y.L.E.; Alavy, M.; Walsh, P.R.; Leong, W.H.; Dworkin, S.B. An analysis of the factors affecting hybrid ground-source heat pump installation potential in North America. Appl. Energy 2014, 125, 28–38. [Google Scholar] [CrossRef]
- Rad, F.M.; Fung, A.S.; Leong, W.H. Feasibility of combined solar thermal and ground source heat pump systems in cold climate, Canada. Energy Build. 2013, 61, 224–232. [Google Scholar] [CrossRef]
- Hu, P.F.; Hu, Q.S.; Lin, Y.L.; Yang, W.; Xing, L. Energy and exergy analysis of a ground source heat pump system for a public building in Wuhan, China under different control strategies. Energy Build. 2017, 152, 301–312. [Google Scholar] [CrossRef]
- Xia, L.; Ma, Z.J.; McLauchlan, C.; Wang, S. Experimental investigation and control optimization of a ground source heat pump system. Appl. Therm. Eng. 2017, 127, 70–80. [Google Scholar] [CrossRef]
- Yang, W.; Sun, L.; Chen, Y. Experimental investigations of the performance of a solar-ground source heat pump system operated in heating modes. Energy Build. 2015, 89, 97–111. [Google Scholar] [CrossRef]
- You, T.; Shi, W.X.; Wang, B.L.; Wu, W.; Li, X.T. A new ground-coupled heat pump system integrated with a multi-mode air-source heat compensator to eliminate thermal imbalance in cold regions. Energy Build. 2015, 107, 103–112. [Google Scholar] [CrossRef]
- Schibuola, L.; Tambani, C.; Zarrella, A.; Scarpa, M. Ground source heat pump performance in case of high humidity soil and yearly balanced heat transfer. Energy Convers. Manag. 2013, 76, 956–970. [Google Scholar] [CrossRef]
- Liu, X.R. Analysis of heat balance and regional characteristics of ground-coupled heat pump systems. Heat. Vent. Air Cond. 2008, 38, 57–59. [Google Scholar] [CrossRef]








| Items | Monthly Average Value (June–September) | Monthly Average Value (December–February) |
|---|---|---|
| Total solar irradiation (W/m²) | 175.6 | 102.7 |
| wind speeds (m/s) | 3.1 | 2.7 |
| air humidity (%) | 79 | 74 |
| Item | Conventional GSHPS | Heat Recovery GSHPS | ||
|---|---|---|---|---|
| Case 1 | Case 2 | Case 3 | Case 4 | |
| Borehole number | 38 | 31 | 27 | 17 |
| Heat recovery ratio | 0 | 18% | 30% | 53% |
| Buried pipe length | 3800 m | 3100 m | 2700 m | 1700 m |
| Borehole depth | 100 m | |||
| Geometry of the ground heat exchanger | Vertical U-Tube | |||
| Year | 1 | 2 | 3 | 4 | 5 | 6 | 7 | 8 | 9 | 10 |
| Case 1 | 44.3 | 39.5 | 36.7 | 34.9 | 33.7 | 32.8 | 32.2 | 31.7 | 31.3 | 30.9 |
| Case 2 | 35.6 | 30.2 | 27.3 | 25.7 | 24.7 | 23.9 | 23.4 | 23.0 | 22.7 | 22.4 |
| Case 3 | 28.1 | 23.0 | 20.5 | 19.2 | 18.4 | 17.9 | 17.5 | 17.2 | 17.0 | 16.8 |
| Case 4 | 8.0 | 6.5 | 5.7 | 5.3 | 5.2 | 5.1 | 5.0 | 5.0 | 5.0 | 5.0 |
| Year | 11 | 12 | 13 | 14 | 15 | 16 | 17 | 18 | 19 | 20 |
| Case 1 | 30.6 | 30.4 | 30.2 | 30.0 | 29.8 | 29.7 | 29.6 | 29.4 | 29.3 | 29.2 |
| Case 2 | 22.2 | 22.0 | 21.8 | 21.7 | 21.6 | 21.5 | 21.4 | 21.3 | 21.2 | 21.1 |
| Case 3 | 16.6 | 16.5 | 16.4 | 16.3 | 16.2 | 16.1 | 16.1 | 16.0 | 16.0 | 16.0 |
| Case 4 | 5.0 | 5.0 | 5.0 | 5.1 | 5.1 | 5.1 | 5.1 | 5.1 | 5.1 | 5.2 |
| Temperature Rise | ||||||||||
| Case 1 | 1.63 | 0.97 | 0.65 | 0.47 | 0.35 | 0.28 | 0.23 | 0.18 | 0.16 | 0.14 |
| Case 2 | 1.05 | 0.55 | 0.34 | 0.23 | 0.16 | 0.12 | 0.09 | 0.07 | 0.06 | 0.05 |
| Case 3 | 0.71 | 0.34 | 0.20 | 0.13 | 0.09 | 0.07 | 0.05 | 0.04 | 0.03 | 0.03 |
| Case 4 | 0.17 | 0.07 | 0.03 | 0.01 | 0.01 | 0.01 | 0.01 | −0.01 | 0 | 0 |
| Temperature Rise | ||||||||||
| Case 1 | 0.11 | 0.10 | 0.08 | 0.08 | 0.08 | 0.06 | 0.06 | 0.006 | 0.04 | 8.78 |
| Case 2 | 0.04 | 0.04 | 0.03 | 0.03 | 0.02 | 0.02 | 0.02 | 0.02 | 0.02 | 5.25 |
| Case 3 | 0.02 | 0.01 | 0.02 | 0.02 | 0.01 | 0.01 | 0.01 | 0.01 | 0.01 | 3.44 |
| Case 4 | 0 | 0 | −0.01 | 0 | 0 | 0 | −0.01 | 0 | 0 | 0.34 |
© 2018 by the authors. Licensee MDPI, Basel, Switzerland. This article is an open access article distributed under the terms and conditions of the Creative Commons Attribution (CC BY) license (http://creativecommons.org/licenses/by/4.0/).
Share and Cite
Zhao, Z.; Shen, R.; Feng, W.; Zhang, Y.; Zhang, Y. Soil Thermal Balance Analysis for a Ground Source Heat Pump System in a Hot-Summer and Cold-Winter Region. Energies 2018, 11, 1206. https://doi.org/10.3390/en11051206
Zhao Z, Shen R, Feng W, Zhang Y, Zhang Y. Soil Thermal Balance Analysis for a Ground Source Heat Pump System in a Hot-Summer and Cold-Winter Region. Energies. 2018; 11(5):1206. https://doi.org/10.3390/en11051206
Chicago/Turabian StyleZhao, Zhongchao, Rendong Shen, Weixian Feng, Yong Zhang, and Yanrui Zhang. 2018. "Soil Thermal Balance Analysis for a Ground Source Heat Pump System in a Hot-Summer and Cold-Winter Region" Energies 11, no. 5: 1206. https://doi.org/10.3390/en11051206
APA StyleZhao, Z., Shen, R., Feng, W., Zhang, Y., & Zhang, Y. (2018). Soil Thermal Balance Analysis for a Ground Source Heat Pump System in a Hot-Summer and Cold-Winter Region. Energies, 11(5), 1206. https://doi.org/10.3390/en11051206

