Impact of Heat Pump-Driven Liquid Desiccant Dehumidification on the Energy Performance of an Evaporative Cooling-Assisted Air Conditioning System
Abstract
:1. Introduction
2. Humidification Methods
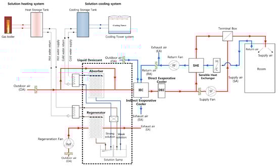
2.1. System Overview
2.2. Operation Modes
2.3. Conventional Liquid Desiccant Unit
2.4. Heat Pump-Driven Liquid Desiccant Unit
3. Energy Simulation
3.1. Simulation Overview
3.2. Liquid Desiccant Unit Model
3.2.1. Absorber Model
3.2.2. Regenerator Model
3.2.3. Solution Cooling and Heating Loads
3.3. Heat Pump Model
4. Simulation Results
4.1. Comparison of Supply Air Condition
4.2. Energy Consumption Comparison
5. Conclusions
Acknowledgments
Author Contributions
Conflicts of Interest
Nomenclature
| temperature (°C) | |
| humidity ratio (kg/kg) | |
| thermal load (W) | |
| mass flow rate (kg/s) | |
| volumetric flow rate (m3/s) | |
| vapor pressure (kPa) | |
| pressure drop (kPa) | |
| concentration | |
| enthalpy (kJ/kg) | |
| heat of vaporization of water (=2257 kJ/kg) | |
| a0–a2 b0–b2 c0–c2 | coefficients of vapor pressure equation |
| A1–A5 B1–B5 | coefficients of water to water heat pump model for cooling mode |
Greek Symbols
| difference | |
| efficiency | |
| density (kg/m3) |
Subscripts
| designated points in liquid desiccant unit | |
| equilibrium | |
| moisture | |
| absorber | |
| regenerator | |
| desiccant solution | |
| inlet | |
| outlet | |
| load side | |
| source side | |
| cooling mode | |
| reference |
Abbreviations
| ASHRAE | american society of heating, refrigerating, and air-conditioning engineers |
| COP | coefficient of performance |
| DBT | dry bulb temperature |
| WBT | wet bulb temperature |
| HP | heat pump |
| HPLD | heat pump driven liquid desiccant |
| LD | liquid desiccant |
| LiCl | lithium chloride |
| LD-IDECOAS | liquid desiccant and evaporative cooling-assisted 100% outdoor air system |
| HPLD-IDECOAS | heat pump driven liquid desiccant and evaporative cooling-assisted 100% outdoor air system |
| NTU | number of transfer units |
| SHE | sensible heat exchanger |
| PLR | part load ratio |
| Freq | frequency |
| OA | outdoor air |
| SA | supply air |
| RA | return air |
| DEC | direct evaporative cooler |
| IEC | indirect evaporative cooler |
| HC | heating coil |
References
- Goetzler, C.J.W.; Zogg, R.; Young, J. Energy Savings Potential and RD & D Opportunities for Non-Vapor-Compression HVAC Technologies; Navigant Consulting, Inc.: Burlington, VA, USA, 2014. [Google Scholar]
- Kim, M.; Park, J.; Sung, M.; Choi, A.; Jeong, J. Annual operating energy savings of liquid desiccant and evaporative-cooling-assisted 100% outdoor air system. Energy Build. 2014, 76, 538–550. [Google Scholar] [CrossRef]
- Sahlot, M.; Riffat, S.B. Desiccant cooling systems : A review. Int. J. Low-Carbon Technol. 2016, 1–17. [Google Scholar] [CrossRef]
- Katejanekarn, T.; Chirarattananon, S.; Kumar, S. An experimental study of a solar-regenerated liquid desiccant ventilation pre-conditioning system. Sol. Energy 2009, 83, 920–933. [Google Scholar] [CrossRef]
- Gommed, K.; Grossman, G. Experimental investigation of a liquid desiccant system for solar cooling and dehumidification. Sol. Energy 2007, 81, 131–138. [Google Scholar] [CrossRef]
- Jain, S.; Tripathi, S.; Das, R.S. Experimental performance of a liquid desiccant dehumidification system under tropical climates. Energy Convers. Manag. 2011, 52, 2461–2466. [Google Scholar] [CrossRef]
- Alizadeh, S. Performance of a solar liquid desiccant air conditioner—An experimental and theoretical approach. Sol. Energy 2008, 82, 563–572. [Google Scholar] [CrossRef]
- Sami, M.; Riffat, S.B. Performance analysis of a combined Building Integrated PV / T Collector with a liquid desiccant enhanced dew point cooler. Energy Procedia 2016, 91, 717–727. [Google Scholar] [CrossRef]
- Yamaguchi, S.; Jeong, J.; Saito, K.; Miyauchi, H.; Harada, M. Hybrid liquid desiccant air-conditioning system: Experiments and simulations. Appl. Therm. Eng. 2011, 31, 3741–3747. [Google Scholar] [CrossRef]
- Bergero, S.; Chiari, A. Performance analysis of a liquid desiccant and membrane contactor hybrid air-conditioning system. Energy Build. 2010, 42, 1976–1986. [Google Scholar] [CrossRef]
- Zhang, T.; Liu, X.; Jiang, Y. Performance optimization of heat pump driven liquid desiccant dehumidification systems. Energy Build. 2012, 52, 132–144. [Google Scholar] [CrossRef]
- Niu, X.; Xiao, F.; Ma, Z. Investigation on capacity matching in liquid desiccant and heat pump hybrid air-conditioning systems. Int. J. Refrig. 2012, 35, 160–170. [Google Scholar] [CrossRef]
- Kim, M.H.; Park, J.S.; Jeong, J.W. Energy saving potential of liquid desiccant in evaporative-cooling-assisted 100% outdoor air system. Energy 2013, 59, 726–736. [Google Scholar] [CrossRef]
- Park, J.; Jeong, J. Operating Energy Savings of a Liquid Desiccant and Evaporative Cooling-Assisted Air-Handling System in Marine Applications. Energies 2017, 10, 487. [Google Scholar] [CrossRef]
- Ahmed, A.M.; Abdalla, K.N. Experimental study of heat and mass transfer of Solar Powered liquid desiccant regeneration system. In Proceedings of the Annual Conference of Postgraduate Studies and Scientific Research (Basic and Engineering Studies Board), Khartoum, Sudan, 17–20 February 2012; Volume 1, pp. 299–304. [Google Scholar]
- Grossman, G. A Liquid Desiccant System Dehumidification. J. Sol. Energy Eng. 2004, 126, 879–885. [Google Scholar] [CrossRef]
- Kumar, R. Studies on Stand Alone Liquid Desiccant Based Air-conditioning Systems; Indian Institute of Technology: Delhi, India, 2008. [Google Scholar]
- Bhatia, I.A. Fundamentals of Mechanical Refrigeration Systems; PDH Center: Fairfax, VA, USA, 2012. [Google Scholar]
- Business & Government Energy Management Division. Refrigeration and Heat Pumps; Energy Management Series 11; Energy, Mines, and Resources Canada: Devon, AB, Canada, 1985.
- Self, S.; Rosen, M.; Reddy, B. Energy Analysis and Comparison of Advanced Vapour Compression Heat Pump Arrangements. In Proceedings of the eSim 2012: The Canadian Conference on Building Simulation, Halifax, NS, Canada, 1–4 May 2012; pp. 463–477. [Google Scholar]
- ASHRAE. Handbook—HVAC Systems and Equipment; ASHRAE: New York, NY, USA, 2016; Chapter 39. [Google Scholar]
- Ergonomics of the Thermal Environment—Analytical Determination and Interpretation of Thermal Comfort Using Calculation of the PMV and PPD Indices and Local Thermal Comfort Criteria; International Standard; ISO: Geneva, Switzerland, 2005.
- ASHRAE. International Weather for Energy Calculations, version 2; ASHRAE: New York, NY, USA, 2011. [Google Scholar]
- Schoen, L.J.; Alspach, P.F.; Arens, E.A.; Aynsley, R.M.; Bean, R.; Eddy, J.; Int-hout, D.; Khalil, E.E.; Simmonds, P.; Stoops, J.L.; et al. Thermal Environmental Conditions for Human Occupancy; ASHRAE: New York, NY, USA, 2013. [Google Scholar]
- Chung, T.; Luo, C. Vapor Pressures of the Aqueous Desiccants. J. Chem. Eng. 1999, 44, 1024–1027. [Google Scholar] [CrossRef]
- Fumo, N.; Goswami, D.Y. Study of an aqueous lithium chloride desiccant system: Air dehumidification and desiccant regeneration. Sol. Energy 2002, 72, 351–361. [Google Scholar] [CrossRef]
- Chung, T.; Wu, H. Dehumidification of Air by Aqueous Triethylene Glycol Solution in a Spray Tower Dehumidification of Air by Aqueous Triethylene. Sep. Sci. Technol. 2017, 6395. [Google Scholar] [CrossRef]
- Chung, T.; Wu, H. Comparison between Spray Towers with and without Fin Coils for Air Dehumidification Using Triethylene Glycol Solutions and Development of the Mass-Transfer Correlations. Ind. Eng. Chem. Res. 2000, 39, 2076–2084. [Google Scholar] [CrossRef]
- Lai, M.; Chang, Y.; Wang, C.; Wu, H. Analysis of the Absorption-Dehumidification Process Variables Using the Experimental Design Methodology. Sep. Sci. Technol. 2007. [Google Scholar] [CrossRef]
- Zurigat, Y.H. Air dehumidification by triethylene glycol desiccant in a packed column. Energy Convers. Manag. 2004, 45, 141–155. [Google Scholar] [CrossRef]
- Longo, G.A.; Gasparella, A. Experimental and theoretical analysis of heat and mass transfer in a packed column dehumidifier/regenerator with liquid desiccant. Int. J. Heat Mass Transf. 2005, 48, 5240–5254. [Google Scholar] [CrossRef]
- Liu, X.H.; Yi, X.Q.; Jiang, Y. Mass transfer performance comparison of two commonly used liquid desiccants : LiBr and LiCl aqueous solutions. Energy Convers. Manag. 2015. [Google Scholar] [CrossRef]
- Hines, A.L. Comparison between Random and Structured Packings for Dehumidification of Air by Lithium Chloride Solutions in a Packed Column and Their Heat and Mass Transfer Correlations. Ind. Eng. Chem. Res. 1996, 35, 192–198. [Google Scholar]
- Chen, X.Y.; Li, Z.; Jiang, Y.; Qu, K.Y. Analytical solution of adiabatic heat and mass transfer process in packed-type liquid desiccant equipment and its application. Sol. Energy 2006, 80, 1509–1516. [Google Scholar] [CrossRef]
- Babakhani, D.; Soleymani, M. An analytical solution for air dehumidi fi cation by liquid desiccant in a packed column. Int. Commun. Heat Mass Transf. 2009, 36, 969–977. [Google Scholar] [CrossRef]
- Xiao, F.; Ge, G.; Niu, X. Control performance of a dedicated outdoor air system adopting liquid desiccant dehumidification. Appl. Energy 2011, 88, 143–149. [Google Scholar] [CrossRef]
- Seenivasan, D.; Selladurai, V.; Senthil, P. Optimization of Liquid Desiccant Dehumidifier Performance Using Taguchi Method. Adv. Mech. Eng. 2014. [Google Scholar] [CrossRef]
- Jin, H. Parameter Estimation Based Models of Water Source Heat Pumps. Ph.D. Thesis, Oklahoma State University, Stillwater, OK, USA, 2002. [Google Scholar]
- Tang, C.C. Modeling Packaged Heat Pumps in a Quasi-steady State Energy Simulation Program. Master’s Thesis, Oklahoma State University, Stillwater, OK, USA, 2005. [Google Scholar]
- Madani, H.; Claesson, J. Experimental Analysis of a Variable Capacity Heat Pump System Focusing on the Compressor and Inverter Loss Behavior. In Proceedings of the International Refrigeration and Air Conditioning Conference, West Lafayette, IN, USA, 12–15 July 2010. [Google Scholar]
- Park, D.J.; Yu, K.H.; Yoon, Y.S.; Kim, K.H.; Kim, S.S. Analysis of a building energy efficiency certification system in Korea. Sustainability 2015, 7, 16086–16107. [Google Scholar] [CrossRef]













| Region | LD | IEC | DEC | Heating Coil |
|---|---|---|---|---|
| A | ON | ON | ON | OFF |
| B | OFF | ON (outlet enthalpy: 42.1 kJ/kg) | ON (outlet temperature: 15 °C) | OFF |
| C | OFF | OFF | ON (outlet temperature: 15 °C) | OFF |
| D | OFF | ON (dry mode) | OFF | ON/OFF (maintaining neutral deck temperature) |
| Location | Seoul, Republic of Korea (TMY2 weather data) | |
| Volume | 1875 () | |
| Window-Wall Ratio | 0.12 | |
| U-Value | Ceiling | 1.706 |
| Wall | 0.524 | |
| Window | 5.68 | |
| Schedules | HVAC | ASHRAE Standard 90.1 (2013) |
| Occupancy | ASHRAE Standard 90.1 (2013) | |
| Internal Heat Gains | People | 75 W/person (sensible, latent) |
| Equipment | 230 W/person (sensible) | |
| Lighting | 130 (sensible) | |
| Dehumidification Process | |||
| 4.58208 | −0.159174 | 0.0072594 | |
| −18.3816 | 0.5661 | −0.019314 | |
| 21.312 | −0.666 | 0.01335 | |
| Regeneration Process | |||
| 16.294 | −0.8893 | 0.01927 | |
| 74.3 | −1.8035 | −0.01872 | |
| −226.4 | 7.49 | −0.039 |
| Reference Values | |||||
| ( | 5.678 × 10−4 | ||||
| ( | 5.678 × 10−4 | ||||
| (nominal capacity) | 14,215.35 | ||||
| (W) | 1320.00 | ||||
| (-) | 4.00 | ||||
| ( | 283.00 | ||||
| Model Coefficients | |||||
| A1 | A2 | A3 | A4 | A5 | |
| −2.8581 × 100 | 4.3425 × 100 | −9.6592 × 10−1 | 1.0978 × 10−1 | 4.6779 × 10−2 | |
| B1 | B2 | B3 | B4 | B5 | |
| −8.3346 × 100 | 4.3775 × 10−1 | 9.0091 × 100 | 3.6343 × 10−2 | −2.6220 × 10−1 | |
| System | OA | LD | IEC | DEC | |||||||
|---|---|---|---|---|---|---|---|---|---|---|---|
| T (°C) | (kg/kg) | Eff. (-) | T (°C) | (kg/kg) | Eff. (-) | T (°C) | (kg/kg) | Eff. (-) | T (°C) | (kg/kg) | |
| LD-IDECOAS | 33.7 | 0.0166 | 0.87 | 30.63 | 0.0085 | 0.75 | 21.69 | 0.0085 | 0.95 | 15.87 | 0.0109 |
| HPLD-IDECOAS | 33.7 | 0.0166 | 0.84 | 26.75 | 0.0074 | 0.75 | 18.72 | 0.0074 | 0.95 | 13.49 | 0.0099 |
© 2018 by the authors. Licensee MDPI, Basel, Switzerland. This article is an open access article distributed under the terms and conditions of the Creative Commons Attribution (CC BY) license (http://creativecommons.org/licenses/by/4.0/).
Share and Cite
Shin, J.-H.; Park, J.-Y.; Jo, M.-S.; Jeong, J.-W. Impact of Heat Pump-Driven Liquid Desiccant Dehumidification on the Energy Performance of an Evaporative Cooling-Assisted Air Conditioning System. Energies 2018, 11, 345. https://doi.org/10.3390/en11020345
Shin J-H, Park J-Y, Jo M-S, Jeong J-W. Impact of Heat Pump-Driven Liquid Desiccant Dehumidification on the Energy Performance of an Evaporative Cooling-Assisted Air Conditioning System. Energies. 2018; 11(2):345. https://doi.org/10.3390/en11020345
Chicago/Turabian StyleShin, Jang-Hoon, Joon-Young Park, Min-Suk Jo, and Jae-Weon Jeong. 2018. "Impact of Heat Pump-Driven Liquid Desiccant Dehumidification on the Energy Performance of an Evaporative Cooling-Assisted Air Conditioning System" Energies 11, no. 2: 345. https://doi.org/10.3390/en11020345
APA StyleShin, J.-H., Park, J.-Y., Jo, M.-S., & Jeong, J.-W. (2018). Impact of Heat Pump-Driven Liquid Desiccant Dehumidification on the Energy Performance of an Evaporative Cooling-Assisted Air Conditioning System. Energies, 11(2), 345. https://doi.org/10.3390/en11020345

