Three-Phase Saturated-Core Fault Current Limiter
Abstract
:1. Introduction
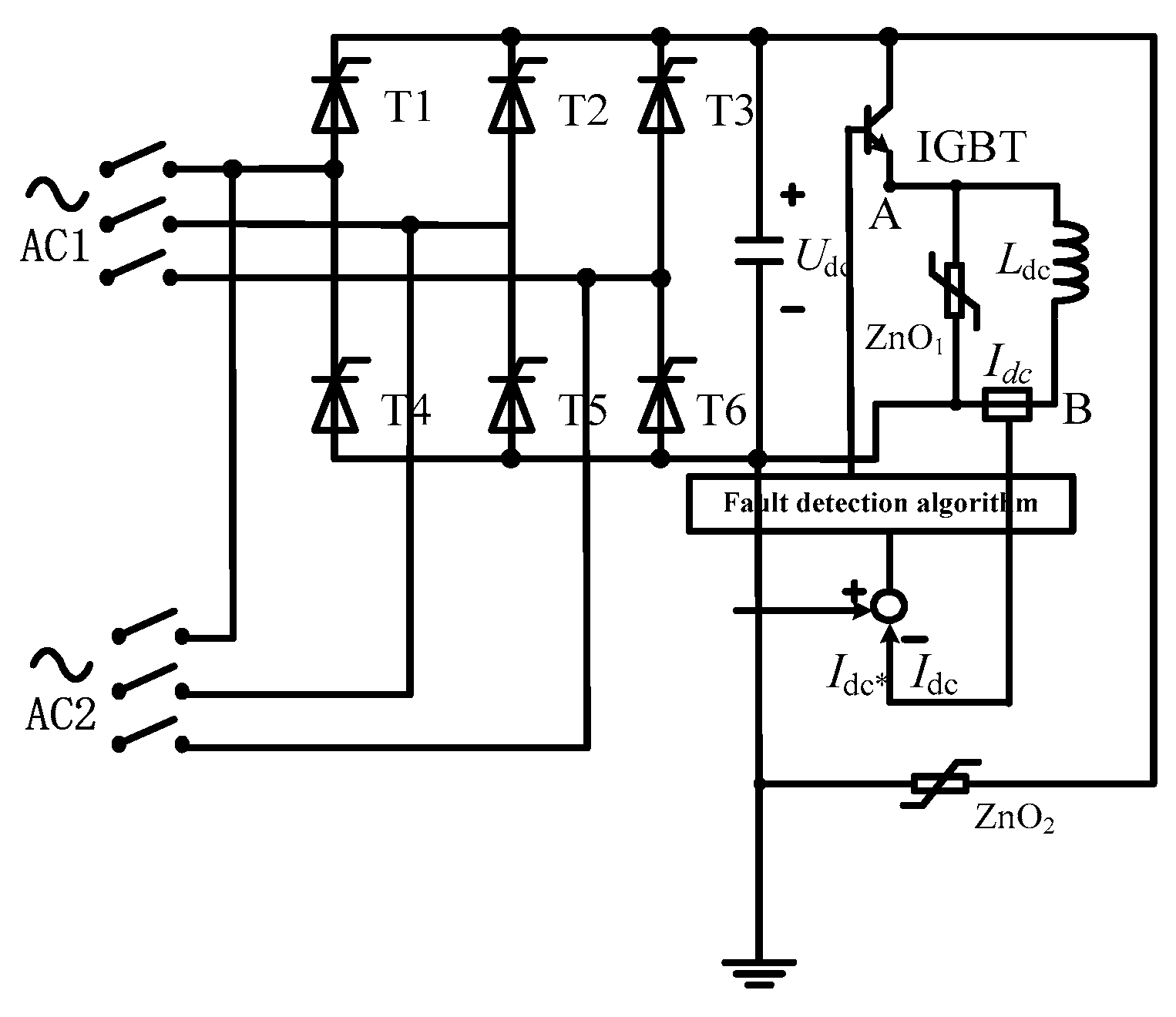
2. Structure and Operational Principle of CTSFCL
2.1. Leakage Magnetic Flux
2.2. Air Gaps
2.3. Control Principle of the DC Power Supply
- When the CTSFCL is put into operation for the first time, AC2 does not supply power, and AC1 supplies power to the system and charges the DC excitation coil to a high voltage of about 1000 V. At the same time, the control system adjusts the output current of the DC power supply to the DC coil through hysteresis control to stabilize its value at 40 A.
- When the DC current is stabilized at 40 A, AC1 is switched off, whileAC2 is switched on to supply the DC excitation coil with a low voltage of approximately50 V. The supply current of the DC excitation coil remains stable at 40 A.
- When the fault signal is received, the IGBT transistor is immediately switched off, and the DC excitation coil is discharged through ZnO1. As a result, high voltage is generated, whileZnO2 is used to protect IGBT from possible damage.
3. Simulation Results
3.1. Saturation in the Normal State
3.2. Impact on the Grid
3.3. Current Limiting Capability
3.4. DC Control
3.5. Impedancesof Different Air-Gaps
4. Experimental Results
4.1. Normal State
4.2. Fault Status
5. Conclusions
Author Contributions
Funding
Conflicts of Interest
References
- Kies, A.; Schyska, B.U.; von Bremen, L. Curtailment in a highly renewable power system and its effect on capacity factors. Energies 2016, 9, 510. [Google Scholar] [CrossRef]
- Sun, X.; Zhang, B.; Tang, X.; McLellan, B.C.; Höök, M. Sustainable Energy Transitions in China: Renewable Options and Impacts on the Electricity System. Energies 2016, 9, 980. [Google Scholar] [CrossRef]
- Lu, J.; Wang, W.; Zhang, Y.; Cheng, S. Multi-Objective Optimization of Hybrid Renewable Energy System Using an Enhanced Multi-Objective Evolutionary Algorithm. Energies 2017, 10, 674. [Google Scholar]
- Chen, L.; Chen, H.; Yang, J.; Yu, Y.; Zhen, K.; Liu, Y.; Ren, L. Coordinated Control of Superconducting Fault Current Limiter and Superconducting Magnetic Energy Storage for Transient Performance Enhancement of Grid-Connected Photovoltaic Generation System. Energies 2017, 10, 56. [Google Scholar] [CrossRef]
- Xue, S.; Gao, F.; Sun, W.; Li, B. Protection Principle for a DC distribution system with a resistive superconductive fault current limiter. Energies 2015, 8, 4839–4852. [Google Scholar] [CrossRef]
- Oliveira, F.; Amorim, A.; Encarnação, L.; Fardin, J.; Orlando, M.; Silva, S.; Simonetti, D. Enhancing LVRT of DFIG by using a superconducting current limiter on rotor circuit. Energies 2016, 9, 16. [Google Scholar] [CrossRef]
- Chen, L.; Tu, X.; Chen, H.; Yang, J.; Wu, Y.; Shu, X.; Ren, L. Technical Evaluation of Superconducting Fault Current Limiters Used in a Micro-Grid by Considering the Fault Characteristics of Distributed Generation, Energy Storage and Power Loads. Energies 2016, 9, 769. [Google Scholar] [CrossRef]
- Li, B.; Li, C.; Guo, F.; Xin, Y. Overcurrent protection coordination in a power distribution network with the active superconductive fault current limiter. IEEE Trans. Appl. Superconduct. 2014, 24, 1–4. [Google Scholar]
- Li, B.; Li, C.; Guo, F. Application studies on the active sisfcl in electric transmission system and its impact on line distance protection. IEEE Trans. Appl. Superconduct. 2015, 25, 1–9. [Google Scholar] [CrossRef]
- Li, B.; Li, C.; Guo, F.; Xin, Y.; Wang, C.; Pang, X. Coordination of superconductive fault current limiters with zero-sequence current protection of transmission lines. IEEE Trans. Appl. Superconduct. 2014, 24, 1–5. [Google Scholar]
- Xin, Y.; Gong, W.Z.; Niu, X.Y.; Gao, Y.Q.; Guo, Q.Q.; Xiao, L.X.; Cao, Z.J.; Hong, H.; Wu, A.G.; Li, Z.H.; et al. Manufacturing and test of a 35 kV/90 MVA saturated iron-core type superconductive fault current limiter for live-grid operation. IEEE Trans. Appl. Supercond. 2009, 19, 1934–1937. [Google Scholar] [CrossRef]
- Xin, Y.; Gong, W.Z.; Hong, H.; Gao, Y.Q.; Niu, X.Y.; Zhang, J.Y.; Sun, Y.W.; Ren, A.L.; Wang, H.Z.; Zhang, L.F.; et al. Development of a 220 kV/300 MVA superconductive fault current limiter. Supercond. Sci. Technol. 2012, 25, 105011. [Google Scholar] [CrossRef]
- Wei, Z.; Xin, Y.; Jin, J.; Li, Q. Optimized design of coils and iron cores for a saturated iron core superconducting fault current limiter. IEEE Trans. Appl. Supercond. 2016, 26, 1–4. [Google Scholar] [CrossRef]
- Yuan, J.; Zhong, Y.; Wei, L.; Liao, S.; Gao, Y.; Muramatsu, K.; Chen, B. A novel three-phase compact saturated-core fault current limiter. IEEE Trans. Magn. 2017, 53, 1–2. [Google Scholar]
- Yuan, J.; Zhong, Y.; Lei, Y.; Tian, C.; Guan, W.; Gao, Y.; Muramatsu, K.; Chen, B. A novel hybrid saturated core fault current limiter topology considering permanent magnet stability and performance. IEEE Trans. Magn. 2017, 53, 1–4. [Google Scholar] [CrossRef]
- Pellecchia, A.; Klaus, D.; Masullo, G.; Marabotto, R.; Morandi, A.; Fabbri, M.; Goodhand, C.; Helm, J. Development of a saturated core fault current limiter with open magnetic cores and magnesium diboride saturating coils. IEEE Trans. Appl. Supercond. 2017, 27, 1–7. [Google Scholar] [CrossRef]
- Knott, J.C.; Moscrop, J.W. Increasing energy efficiency of saturated-core fault current limiters with permanent magnets. IEEE Trans. Magn. 2013, 49, 4132–4136. [Google Scholar] [CrossRef]
- Jia, Y.; Yuan, J.; Shi, Z.; Zhu, H.; Geng, Y.; Zou, J. Simulation method for current-limiting effect of saturated-core superconducting fault current limiter. IEEE Trans. Appl. Supercond. 2016, 26, 1–4. [Google Scholar] [CrossRef]
- Zhang, C.; Tang, Y.; Xu, Y.; Ren, L.; Wang, Z.; Liang, S. Analysis of magnetic circuit and leakage magnetic field of a saturated iron-core superconducting fault current limiter. IEEE Trans. Appl. Supercond. 2017, 27, 1–5. [Google Scholar] [CrossRef]
- Jia, Y.; Ainslie, M.D.; Hu, D.; Yuan, J. Numerical simulation and analysis of a saturated-core-type superconducting fault current limiter. IEEE Trans. Appl. Supercond. 2017, 27, 1–5. [Google Scholar] [CrossRef]
- Belov, A.; Belyakov, V.; Belyakova, T.; Bondarenko, V.; Firsov, A.; Hon, A.; Kaparkova, M.; Krylova, N.; Kukhtin, V.; Lamzin, E.; et al. Computational technique for analysis of superconductive fault current limiters with saturated core. IEEE Trans. Appl. Supercond. 2014, 24, 1–5. [Google Scholar] [CrossRef]
- Zhang, W.; Hu, X.; Zhou, H.; Wang, S.; Liu, D.; Zhu, Y. Experimental research on an improved saturated core high temperature superconducting fault current limiter. Trans. China Electrotech. Soc. 2014, 29, 169–176. [Google Scholar]
- Zhang, W.; Hu, X.; Zhou, H. Experimental research on a novel saturated core high temperature superconducting fault current limiter. Trans. China Electrotech. Soc. 2015, 35, 494–501. [Google Scholar]
- Yuan, J.; Lei, Y.; Wei, L.; Tian, C.; Chen, B.; Du, Z. A novel bridge-type hybrid saturated-core fault current limiter based on permanent magnets. IEEE Trans. Magn. 2015, 51, 1–4. [Google Scholar]
- Wei, L.; Chen, B.; Yuan, J.; Tian, C.; Zhong, Y.; Li, X.; Gao, Y.; Muramatsu, K. Performance and optimization study of a novel compact permanent-magnet-biased fault current limiter. IEEE Trans. Magn. 2017, 53, 1–4. [Google Scholar] [CrossRef]
- Wei, L.; Chen, B.; Liu, Y.; Tian, C.; Yuan, J.; Bu, Y.; Zhu, T. Performance investigation and optimization of a novel hybrid saturated-core fault-current limiter considering the leakage effect. Energies 2018, 11, 61. [Google Scholar] [CrossRef]
- Aliabad, A.D.; Zarchi, S.H. Optimal design and analysis of a variable reactor fault current limiter. IET Electr. Power Appl. 2017, 11, 1619–1626. [Google Scholar] [CrossRef]
- Nikulshin, Y.; Wolfus, Y.; Friedman, A.; Yeshurun, Y.; Rozenshtein, V.; Landwer, D.; Garbi, U. Saturated core fault current limiters in a live grid. IEEE Trans. Appl. Supercond. 2016, 26, 1–4. [Google Scholar] [CrossRef]
- Cui, J.B.; Sun, Y.W.; Hong, H.; Niu, X.Y.; Tian, B.; Li, Q.; Zhang, J.Y.; Gong, W.Z.; Xin, Y. Study on field suppression unit in DC excitation system for saturated iron-core superconducting fault current limiter. IEEE Int. Conf. Appl. Supercond. Electromagn. Devices 2014, 24, 1–4. [Google Scholar] [CrossRef]
- Xin, Y.; Gong, W.Z.; Gao, Y.Q.; Niu, X.Y.; Guo, Q.Q.; Li, Z.H.; Hong, H.; Cao, Z.J.; Tian, B.; Wang, Y.; et al. Introduction of structure and performance of 35 kV/90 MVA. Rare Met. Mater. Eng. 2008, 37 (Suppl. S4). [Google Scholar]






















| Symbol | Definition | Symbol | Definition |
|---|---|---|---|
| μ0 | Permeability of vacuum | Rc1 | Reluctance of the left inner limb |
| μr | Relative permeability | Rc2 | Reluctance of the right inner limb |
| μe | Effective relative permeability | Ro | Reluctance of the air-gap |
| l | Length of the flux | Ru | Reluctance of the yoke |
| lg | Height of the AC coil | RlCSFCL | Reluctance of the leakage magnetic fluxes of the CSFCL |
| ha | Height of the window core | RlSFCL | Reluctance of the leakage magnetic fluxes of the SFCL |
| hb | Length of the window core | Gu | Conductance of the yoke |
| dac | Height of the upper and lower iron yokes | GlCSFCL | Conductance of the leakage magnetic fluxes of the CSFCL |
| N | Number of coil turns | GlSFCL | Conductance of the leakage magnetic fluxes of the SFCL |
| I | Current in coils | Φ | Magnetic flux passing through the core |
| S | Cross-sectional area of core | δ | Length of the air gap |
| HL | Field strength of the core | Hδ | Field strength of the air gap |
| Bl | Magnetic flux density of the core | Bδ | Magnetic flux density of the air-gap |
| Leq1 | Inductance of the left AC coil of the CSFCL | Leq3 | Inductance of the left AC coil of the SFCL |
| Leq2 | Inductance of the right AC coil of the CSFCL | Leq4 | Inductance of the right AC coil of the SFCL |
| Component | Parameter | Value |
|---|---|---|
| Iron Cores | Material | 35JN300 |
| AC\DC limb, length | 550 mm | |
| DC limb cross-section, mm2 | 40,000 | |
| AC limb cross-section, mm2 | 40,000 | |
| AC Coil | Number of turns | 228 |
| Frequency | 50 Hz | |
| Conductor | Copper | |
| Height of AC coils | 448 mm | |
| DC Coil | Current | 40 A (rated) |
| Number of turns | 600 | |
| Height of DC coils | 448 mm |
| RAB (Ω) | RBC (Ω) | RCA (Ω) |
|---|---|---|
| 0.5955 | 0.5930 | 0.5945 |
| Irated (A) | UFCL (kV) | Active loss (kW) | Pkt (kW) | Ptot (kW) |
|---|---|---|---|---|
| 5.038 | 0.1104 | 0.1303 | 0.1283 | 0.1496 |
| Parameter | Without CTSFCL | With CTSFCL | ||||
|---|---|---|---|---|---|---|
| Voltage RMS (kV) | UAB | UBC | UCA | UAB | UBC | UCA |
| 10.04 | 10.07 | 10.05 | 10.02 | 10.03 | 10.03 | |
| Fault current (A) | IA | IB | IC | IA | IB | IC |
| 25.1993 | 5.22466 | 5.46946 | 7.80392 | 3.69343 | 3.53247 | |
| Current limiting ratio (%) | - | - | - | 30.97 | 70.69 | 64.59 |
| Parameter | Without CTSFCL | With CTSFCL | ||||
|---|---|---|---|---|---|---|
| Voltage RMS (kV) | UAB | UBC | UCA | UAB | UBC | UCA |
| 10.01 | 10.03 | 10.03 | 10.02 | 10.01 | 10.02 | |
| Fault current (A) | IA | IB | IC | IA | IB | IC |
| 26.1183 | 24.5581 | 5.4994 | 7.7932 | 8.1272 | 3.5619 | |
| Current limiting ratio (%) | - | - | - | 29.84 | 33.09 | 64.77 |
| Parameter | Without CTSFCL | With CTSFCL | ||||
|---|---|---|---|---|---|---|
| Voltage RMS (kV) | UAB | UBC | UCA | UAB | UBC | UCA |
| 10.01 | 10.02 | 10.04 | 10.02 | 10.02 | 10.03 | |
| Fault current (A) | IA | IB | IC | IA | IB | IC |
| 22.9869 | 22.4298 | 5.13107 | 6.88382 | 7.23384 | 3.55277 | |
| Current limiting ratio (%) | - | - | - | 29.95 | 32.25 | 69.24 |
| Parameter | Without CTSFCL | With CTSFCL | ||||
|---|---|---|---|---|---|---|
| Voltage RMS (kV) | UAB | UBC | UCA | UAB | UBC | UCA |
| 10.00 | 10.02 | 10.03 | 10.03 | 10.04 | 10.05 | |
| Fault current (A) | IA | IB | IC | IA | IB | IC |
| 26.4765 | 25.7164 | 25.8286 | 7.89816 | 8.06718 | 7.73427 | |
| Current limiting ratio (%) | - | - | - | 29.83 | 31.37 | 29.94 |
| Parameter | SFCL [30] | CTSFCL |
|---|---|---|
| Capacity | 90 MVA | 200 kVA |
| DC power at normal operation | 0.982 MVA | 2 kVA |
| Ratio of DC power to capacity | 1.09% | 1% |
| Impedance at normal operation Znormal/Ω | <0.35 | <21.9 |
| Impedance at limitedConditions Zlimited/Ω | 0.896 | 500 |
| Zlimited/Znormal | 2.56 | 22.83 |
© 2018 by the authors. Licensee MDPI, Basel, Switzerland. This article is an open access article distributed under the terms and conditions of the Creative Commons Attribution (CC BY) license (http://creativecommons.org/licenses/by/4.0/).
Share and Cite
Shen, H.; Mei, F.; Zheng, J.; Sha, H.; She, C. Three-Phase Saturated-Core Fault Current Limiter. Energies 2018, 11, 3471. https://doi.org/10.3390/en11123471
Shen H, Mei F, Zheng J, Sha H, She C. Three-Phase Saturated-Core Fault Current Limiter. Energies. 2018; 11(12):3471. https://doi.org/10.3390/en11123471
Chicago/Turabian StyleShen, Haocong, Fei Mei, Jianyong Zheng, Haoyuan Sha, and Changjia She. 2018. "Three-Phase Saturated-Core Fault Current Limiter" Energies 11, no. 12: 3471. https://doi.org/10.3390/en11123471
APA StyleShen, H., Mei, F., Zheng, J., Sha, H., & She, C. (2018). Three-Phase Saturated-Core Fault Current Limiter. Energies, 11(12), 3471. https://doi.org/10.3390/en11123471

