Severity Analysis of Hazardous Material Road Transportation Crashes with a Bayesian Network Using Highway Safety Information System Data
Abstract
:1. Introduction
- Analyze the crash characteristics and identify the contributing factors that influence HAZMAT road transportation crashes.
- Quantify the associations between risk factors and different HAZMAT crash severity outcomes.
- Investigate the role of machine learning approaches in the application of HAZMAT crash severity prediction.
2. Literature Review
3. Materials and Methods
3.1. Crash Data
- Fatality (K);
- Severe or incapacitating injury (A);
- Evident or non-incapacitating injury (B);
- Possible or compliant injury (C);
- Property damage only (O).
3.2. Random Forests
3.3. Bayesian Networks
3.3.1. Structure Learning of Bayesian Networks
3.3.2. Parameter Learning of Bayesian Networks
- Assign an initial value for the model parameter.Given the observation variable , the hidden variable , is the joint distribution, is the conditional probability distribution. represents the maximum likelihood parameter, which is quantified by the log-likelihood function:
- E-step: in the ith iteration, the value of the current model parameter becomes , given the observed data Y and , calculate the conditional expectation of the log-likelihood function.
- M-step: based on the joint probability distribution estimation in the E-step, find an updating parameter that maximizes the expected log-likelihood.
4. Results and Discussions
4.1. Variable Selection
4.2. Bayesian Network Development
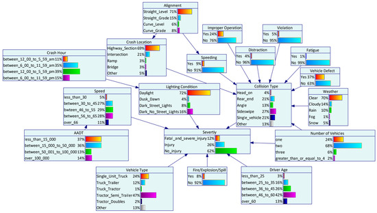
4.3. Bayesian Network Inference Results and HAZMAT Crash Characteristics Analysis
4.3.1. Driver Characteristics
4.3.2. Road Characteristics
4.3.3. Crash Characteristics
4.3.4. Vehicle Characteristics
4.3.5. Environmental Characteristics
4.4. Model Validation
4.5. Implications of Study Findings
- Enhance safety education, training, and driver monitoring to reduce inappropriate driving behavior, especially fatigue driving, distraction driving, violation, and speeding.
- Improve traffic management and supervision of special locations (such as intersections, ramps, and bridges) with high crash probability on HAZMAT road transportation route. Dynamic monitoring and rapid response system should be established to reduce potential crash risks in these locations.
- HAZMAT carriers may prioritize the fleet management, scheduling, and routing options to avoid the time of midnight or early morning, poor lighting conditions, and adverse weather for potential increased crash risks.
- Spatially or temporally separate HAZMAT vehicles and other vehicles may effectively reduce the fatal and severe injury crash probability, especially for head-on crashes. A dedicated lane or designated time period may help reduce multi-vehicle crashes and prevent post-crash HAZMAT release, fire, and explosion risk.
- Traffic management, safety education, and enforcement strategies must collaborate to ensure safe HAZMAT road transportation.
5. Conclusions
- Driver behaviors have a significant influence on the HAZMAT crash injury severity. It is alarming to find that fatigue, violation, distraction, and speeding increase the probability of fatal and severe injury by 70.45%, 54.9%, 30.7%, and 26.9%, respectively. It implies the importance of safety education programs and enhanced driver monitoring and warning techniques to reduce risky driving behaviors.
- Special roadway locations (such as intersections, ramps, and bridges) and higher speed limits (over 66 mph) pose increased fatal and severe HAZMAT crash risks. Identifying zones with a higher possibility of crash risk, enhancing transportation management, and supervision in such locations, and setting up a dynamic response system might reduce the occurrence of severe injury HAZMAT crashes.
- Among all HAZMAT collision types, head-on crashes increase the probability of fatal and severe injury crashes by 222.5%. In contrast, sideswipe and single-vehicle crashes significantly reduce the likelihood of fatal and severe injuries. When a HAZMAT crash involves fire/explosion/spill, the probability of fatal and severe HAZMAT crashes increases by 93.3%. In terms of the total number of vehicles involved in the HAZMAT crashes, more than or equal to four vehicles would result in an increase of 141.7% of the probability of fatal and severe injury crashes.
- Although 74.5% of the HAZMAT crashes occurred during daytime, crashes that occur during midnight, early morning (12:00–5:59 a.m.), and night (6:00–11:59 p.m.) are more likely to cause fatal and severe injuries. Poor lighting conditions (dusk/dawn, dark-lighted, and dark-unlighted) and adverse weather conditions are closely associated with fatal and severe HAZMAT crashes.
- By using a five-fold cross-validation strategy, the combined random forest and Bayesian network models can effectively predict HAZMAT crash injury severity with an overall accuracy of 85.8%. Specifically, the relationship between variables is inherently considered in the Bayesian network. The proposed model can provide reliable crash severity prediction performance and reveal the complex interdependency between the contributing factors.
Author Contributions
Funding
Institutional Review Board Statement
Informed Consent Statement
Data Availability Statement
Acknowledgments
Conflicts of Interest
References
- Census Bureau. 2017 Commodity Flow Survey, Hazardous Materials Series; U.S. Department of Commerce: Washington, DC, USA, 2020. Available online: https://www.census.gov/programs-surveys/cfs.html (accessed on 21 January 2022).
- Federal Motor Carrier Safety Administration. Large Truck and Bus Crash Facts 2019; United States Department of Transportation: Washington, DC, USA, 2021. Available online: https://www.fmcsa.dot.gov/safety/data-and-statistics/large-truck-and-bus-crash-facts-2019 (accessed on 21 January 2022).
- Pipeline and Hazardous Materials Safety Administration. Office of Hazardous Material Safety; 10 Year Incident Summary Reports; U.S. Department of Transportation: Washington, DC, USA, 2021. Available online: https://portal.phmsa.dot.gov/analytics/saw.dll?Portalpages&PortalPath=%2Fshared%2FPublic%20Website%20Pages%2F_portal%2F10%20Year%20Incident%20Summary%20Reports (accessed on 21 January 2022).
- Zhou, L.; Guo, C.; Cui, Y.; Wu, J.; Lv, Y.; Du, Z. Characteristics, cause, and severity analysis for hazmat transportation risk management. Int. J. Environ. Res. Public Health 2020, 17, 2793. [Google Scholar] [CrossRef] [PubMed] [Green Version]
- Abkowitz, M.D.; DeLorenzo, J.P.; Duych, R.; Greenberg, A.; McSweeney, T. Assessing the economic effect of incidents involving truck transport of hazardous materials. Transp. Res. Rec. J. Transp. Res. Board 2001, 1763, 125–129. [Google Scholar] [CrossRef]
- Lord, D.; Qin, X.; Geedipally, S.R. Highway Safety Analytics and Modeling; Elsevier: Amsterdam, The Netherlands, 2021; pp. 399–400. [Google Scholar]
- Oggero, A.; Darbra, R.M.; Munoz, M.; Planas, E.; Casal, J. A survey of accidents occurring during the transport of hazardous substances by road and rail. J. Hazard. Mater. 2006, 133, 1–7. [Google Scholar] [CrossRef] [PubMed]
- Yang, J.; Li, F.; Zhou, J.; Zhang, L.; Huang, L.; Bi, J. A survey on hazardous materials accidents during road transport in China from 2000 to 2008. J. Hazard. Mater. 2010, 184, 647–653. [Google Scholar] [CrossRef]
- Shen, X.; Yan, Y.; Li, X.; Xie, C.; Wang, L. Analysis on tank truck accidents involved in road hazardous materials transportation in China. Traffic Inj. Prev. 2014, 15, 762–768. [Google Scholar] [CrossRef]
- Zhao, L.; Qian, Y.; Hu, Q.-M.; Jiang, R.; Li, M.; Wang, X. An analysis of hazardous chemical accidents in China between 2006 and 2017. Sustainability 2018, 10, 2935. [Google Scholar] [CrossRef] [Green Version]
- Uddin, M.; Huynh, N. Factors influencing injury severity of crashes involving HAZMAT trucks. Int. J. Transp. Sci. Technol. 2018, 7, 1–9. [Google Scholar] [CrossRef]
- Xing, Y.; Chen, S.; Zhu, S.; Zhang, Y.; Lu, J. Exploring risk factors contributing to the severity of hazardous material transportation accidents in China. Int. J. Environ. Res. Public Health 2020, 17, 1344. [Google Scholar] [CrossRef] [Green Version]
- Song, X.; Wu, J.; Zhang, H.; Pi, R. Analysis of crash severity for hazard material transportation using highway safety information system data. SAGE Open 2020, 10, 21582440209. [Google Scholar] [CrossRef]
- Ma, C.; Zhou, J.; Yang, D. Causation analysis of hazardous material road transportation accidents based on the ordered logit regression model. Int. J. Environ. Res. Public Health 2020, 17, 1259. [Google Scholar] [CrossRef] [Green Version]
- Chen, F.; Chen, S. Injury severities of truck drivers in single- and multi-vehicle accidents on rural highways. Accid. Anal. Prev. 2011, 43, 1677–1688. [Google Scholar] [CrossRef]
- Ma, X.; Xing, Y.; Lu, J. Causation analysis of hazardous material road transportation accidents by bayesian network using genie. J. Adv. Transp. 2018, 2018, 6248105. [Google Scholar] [CrossRef]
- de Ona, J.; Mujalli, R.O.; Calvo, F.J. Analysis of traffic accident injury severity on spanish rural highways using bayesian networks. Accid. Anal. Prev. 2011, 43, 402–411. [Google Scholar] [CrossRef]
- Zhao, L.; Wang, X.; Qian, Y. Analysis of factors that influence hazardous material transportation accidents based on bayesian networks: A case study in China. Saf. Sci. 2012, 50, 1049–1055. [Google Scholar] [CrossRef]
- Wenhui, L.; Fengtian, C.; Chuna, W.; Xingkai, M.; Lv, S. Bayesian network-based knowledge graph inference for highway transportation safety risks. Adv. Civ. Eng. 2021, 2021, 6624579. [Google Scholar] [CrossRef]
- Liu, X.; Lu, J.; Cheng, Z.; Ma, X.; Osaba, E. A Dynamic Bayesian Network-Based Real-Time Crash Prediction Model for Urban Elevated Expressway. J. Adv. Transp. 2021, 2021, 5569143. [Google Scholar] [CrossRef]
- Sun, M.; Sun, X.; Shan, D. Pedestrian crash analysis with latent class clustering method. Accid. Anal. Prev. 2019, 124, 50–57. [Google Scholar] [CrossRef]
- Iranitalab, A.; Khattak, A. Comparison of four statistical and machine learning methods for crash severity prediction. Accid. Anal. Prev. 2017, 108, 27–36. [Google Scholar] [CrossRef]
- Li, Z.; Liu, P.; Wang, W.; Xu, C. Using support vector machine models for crash injury severity analysis. Accid. Anal. Prev. 2012, 45, 478–486. [Google Scholar] [CrossRef]
- Abellán, J.; López, G.; de Oña, J. Analysis of traffic accident severity using decision rules via decision trees. Expert Syst. Appl. 2013, 40, 6047–6054. [Google Scholar] [CrossRef] [Green Version]
- Das, A.; Abdel-Aty, M.; Pande, A. Using conditional inference forests to identify the factors affecting crash severity on arterial corridors. J. Saf. Res. 2009, 40, 317–327. [Google Scholar] [CrossRef] [PubMed] [Green Version]
- Gan, J.; Li, L.; Zhang, D.; Yi, Z.; Xiang, Q.; Cai, Q. An alternative method for traffic accident severity prediction: Using deep forests algorithm. J. Adv. Transp. 2020, 2020, 1257627. [Google Scholar] [CrossRef]
- Hong, J.; Tamakloe, R.; Park, D. Application of association rules mining algorithm for hazardous materials transportation crashes on expressway. Accid. Anal. Prev. 2020, 142, 105497. [Google Scholar] [CrossRef]
- Das, S.; Sun, X.; Goel, S.; Sun, M.; Rahman, A.; Dutta, A. Flooding related traffic crashes: Findings from association rules. J. Transp. Saf. Secur. 2020, 14, 111–129. [Google Scholar] [CrossRef]
- Islam, S.; Jones, S.L.; Dye, D. Comprehensive analysis of single- and multi-vehicle large truck at-fault crashes on rural and urban roadways in Alabama. Accid. Anal. Prev. 2014, 67, 148–158. [Google Scholar] [CrossRef]
- Milton, J.C.; Shankar, V.N.; Mannering, F.L. Highway accident severities and the mixed logit model: An exploratory empirical analysis. Accid. Anal. Prev. 2008, 40, 260–266. [Google Scholar] [CrossRef]
- Breiman, L. Random forests. Mach. Learn. 2001, 5, 5–32. [Google Scholar] [CrossRef] [Green Version]
- Abdel-Aty, M.; Pande, A.; Das, A.; Knibbe, W.J. Assessing safety on dutch freeways with data from infrastructure-based intelligent transportation systems. Transp. Res. Rec. J. Transp. Res. Board 2008, 2083, 153–161. [Google Scholar] [CrossRef] [Green Version]
- Cooper, G.F.; Herskovits, E. A bayesian method for the induction of probabilistic networks from data. Mach. Learn. 1992, 9, 309–347. [Google Scholar] [CrossRef]
- Lerner, B.; Malka, R. Investigation of the K2 algorithm in learning Bayesian network classifiers. Appl. Artif. Intell. 2011, 25, 74–96. [Google Scholar] [CrossRef] [Green Version]
- Wu, X.; Kumar, V. The Top Ten Algorithms in Data Mining; Chapman & Hall/CRC: Boca Raton, FL, USA, 2009; pp. 93–115. [Google Scholar]
- Pilla, R.S.; Lindsay, B.G. Alternative EM methods for nonparametric finite mixture models. Biometrika 1995, 88, 535–550. [Google Scholar] [CrossRef]
- Liao, W.; Ji, Q. Learning Bayesian network parameters under incomplete data with domain knowledge. Pattern Recogn. 2009, 42, 3046–3056. [Google Scholar] [CrossRef] [Green Version]
- Cramér, H. Mathematical Methods of Statistics; Princeton University Press: Princeton, NJ, USA, 1946; pp. 367–369. [Google Scholar]
- Goniewicz, K.; Goniewicz, M.; Pawlowski, W.; Fiedor, P. Road accident rates: Strategies and programmes for improving road traffic safety. Eur. J. Trauma Emerg. Surg. 2016, 42, 433–438. [Google Scholar] [CrossRef] [PubMed]
- Iranitalab, A.; Kang, Y.; Khattak, A. Modeling the probability of hazardous materials release in crashes at highway–rail grade crossings. Transp. Res. Rec. J. Transp. Res. Board 2018, 2672, 28–37. [Google Scholar] [CrossRef]
- Tavris, D.R.; Kuhn, E.M.; Layde, P.M. Age and gender patterns in motor vehicle crash injuries: Importance of type of crash and occupant role. Accid. Anal. Prev. 2001, 33, 167–172. [Google Scholar] [CrossRef]
- Islam, M.; Hernandez, S. Large truck–involved crashes: Exploratory injury severity analysis. J. Transp. Eng. 2013, 139, 596–604. [Google Scholar] [CrossRef] [Green Version]
- Lobo, A.; Ferreira, S.; Couto, A. Exploring monitoring systems data for driver distraction and drowsiness research. Sensors 2020, 20, 3836. [Google Scholar] [CrossRef]
- Lemke, M.K.; Apostolopoulos, Y.; Hege, A.; Sonmez, S.; Wideman, L. Understanding the role of sleep quality and sleep duration in commercial driving safety. Accid. Anal. Prev. 2016, 97, 79–86. [Google Scholar] [CrossRef] [Green Version]
- Chen, G.X.; Amandus, H.E.; Wu, N. Occupational fatalities among driver/sales workers and truck drivers in the United States, 2003–2008. Am. J. Ind. Med. 2014, 57, 800–809. [Google Scholar] [CrossRef]
- Pahukula, J.; Hernandez, S.; Unnikrishnan, A. A time of day analysis of crashes involving large trucks in urban areas. Accid. Anal. Prev. 2015, 75, 155–163. [Google Scholar] [CrossRef]
- Shinstine, D.S.; Wulff, S.S.; Ksaibati, K. Factors associated with crash severity on rural roadways in Wyoming. J. Traffic Transp. Eng. (Engl. Ed.) 2016, 3, 308–323. [Google Scholar] [CrossRef] [Green Version]








| Variables | Number of Crashes | Fatal and Severe Injury Crashes | Injury Crashes | No Injury Crashes | Percentage of Total |
|---|---|---|---|---|---|
| Driver characteristics | |||||
| Driver age | |||||
| Less than 25 | 49 | 10.20% | 30.61% | 59.19% | 100% |
| 25–35 | 262 | 8.02% | 21.76% | 70.22% | 100% |
| 36–45 | 415 | 5.78% | 27.23% | 66.99% | 100% |
| 46–60 | 682 | 5.87% | 25.22% | 68.91% | 100% |
| over 60 | 202 | 7.92% | 23.76% | 68.32% | 100% |
| Driver gender | |||||
| Male | 1546 | 6.79% | 24.97% | 68.24% | 100% |
| Female | 64 | 1.56% | 29.69% | 68.75% | 100% |
| Distraction | |||||
| Yes | 62 | 1.61% | 43.55% | 54.84% | 100% |
| No | 1548 | 6.78% | 24.42% | 68.80% | 100% |
| Fatigue | |||||
| Yes | 10 | 10.00% | 40.00% | 50.00% | 100% |
| No | 1600 | 6.56% | 25.06% | 68.38% | 100% |
| Improper operation | |||||
| Yes | 379 | 5.01% | 24.27% | 70.72% | 100% |
| No | 1231 | 7.07% | 25.43% | 67.50% | 100% |
| Speeding | |||||
| Yes | 140 | 6.43% | 35.71% | 57.86% | 100% |
| No | 1470 | 6.60% | 24.15% | 69.25% | 100% |
| Violation | |||||
| Yes | 77 | 5.19% | 42.86% | 51.95% | 100% |
| No | 1533 | 6.65% | 24.27% | 69.08% | 100% |
| Road characteristics | |||||
| AADT (vehicle/day) | |||||
| Less than or equal to 15,000 | 588 | 10.03% | 28.57% | 61.40% | 100% |
| 15,001–50,000 | 587 | 5.28% | 23.68% | 71.04% | 100% |
| 50,001–100,000 | 211 | 3.79% | 25.12% | 71.09% | 100% |
| Over 100,000 | 224 | 3.57% | 20.09% | 76.34% | 100% |
| Alignment | |||||
| Straight-level | 1148 | 5.92% | 24.13% | 69.95% | 100% |
| Straight-grade | 240 | 7.50% | 25.83% | 66.67% | 100% |
| Curve-level | 94 | 10.64% | 29.79% | 59.57% | 100% |
| Curve-grade | 128 | 7.81% | 29.69% | 62.50% | 100% |
| Crash location | |||||
| Highway Section | 1103 | 6.71% | 23.84% | 69.45% | 100% |
| Intersection | 342 | 6.43% | 30.70% | 62.87% | 100% |
| Ramp | 43 | 4.65% | 16.28% | 79.07% | 100% |
| Bridge | 41 | 9.76% | 31.71% | 58.53% | 100% |
| Other | 81 | 4.94% | 20.99% | 74.07% | 100% |
| Divided road | |||||
| Yes | 884 | 5.66% | 24.10% | 70.24% | 100% |
| No | 726 | 7.71% | 26.45% | 65.84% | 100% |
| Number of lanes | |||||
| Less than or equal to 2 | 478 | 10.88% | 30.13% | 58.99% | 100% |
| Less than or equal to 4 | 717 | 4.88% | 24.27% | 70.85% | 100% |
| Over 4 | 415 | 4.58% | 20.96% | 74.46% | 100% |
| Road surface condition | |||||
| Dry | 1246 | 7.06% | 24.24% | 68.70% | 100% |
| Wet | 271 | 4.43% | 32.10% | 63.47% | 100% |
| Ice | 86 | 6.98% | 17.44% | 75.58% | 100% |
| Other | 7 | 0.00% | 14.29% | 85.71% | 100% |
| Speed limit (mph) | |||||
| Less than 30 | 76 | 0.00% | 11.84% | 88.16% | 100% |
| 30–45 | 438 | 3.88% | 22.83% | 73.29% | 100% |
| 46–55 | 470 | 9.36% | 31.91% | 58.73% | 100% |
| 56–65 | 450 | 6.67% | 24.67% | 68.66% | 100% |
| over 66 | 176 | 8.52% | 19.89% | 71.59% | 100% |
| Road type | |||||
| US route | 346 | 7.80% | 23.99% | 68.21% | 100% |
| Interstate | 620 | 4.84% | 21.94% | 73.22% | 100% |
| State route | 453 | 7.51% | 28.04% | 64.45% | 100% |
| Non-state route | 191 | 7.85% | 30.89% | 61.26% | 100% |
| Setting | |||||
| Urban | 784 | 9.18% | 26.66% | 64.16% | 100% |
| Rural | 826 | 4.12% | 23.73% | 72.15% | 100% |
| Vehicle characteristics | |||||
| Gross weight (lbs.) | |||||
| Less than or equal to 10,000 | 58 | 3.45% | 15.52% | 81.03% | 100% |
| 10,001–26,000 | 168 | 4.17% | 26.79% | 69.04% | 100% |
| over 26,000 | 1384 | 7.01% | 25.36% | 67.63% | 100% |
| Vehicle type | |||||
| Single-unit truck | 389 | 5.14% | 29.31% | 65.55% | 100% |
| Truck/trailer | 199 | 5.53% | 23.12% | 71.35% | 100% |
| Truck/tractor | 24 | 8.33% | 20.83% | 70.84% | 100% |
| Tractor/semi-trailer | 758 | 8.71% | 23.22% | 68.07% | 100% |
| Tractor/doubles | 35 | 2.86% | 25.71% | 71.43% | 100% |
| Other | 205 | 2.93% | 26.83% | 70.24% | 100% |
| Vehicle defect | |||||
| Yes | 596 | 5.54% | 21.64% | 72.82% | 100% |
| No | 1014 | 7.20% | 27.22% | 65.58% | 100% |
| Number of vehicles | |||||
| 1 | 385 | 5.19% | 24.68% | 70.13% | 100% |
| 2 | 1093 | 5.95% | 23.15% | 70.90% | 100% |
| 3 | 98 | 14.29% | 42.86% | 42.85% | 100% |
| Greater than or equal to 4 | 34 | 20.59% | 44.12% | 35.29% | 100% |
| Crash characteristics | |||||
| Collision type | |||||
| Head-on | 31 | 41.94% | 38.71% | 19.35% | 100% |
| Rear-end | 344 | 5.81% | 35.47% | 58.72% | 100% |
| Angle | 224 | 9.38% | 30.80% | 59.82% | 100% |
| Sideswipe | 433 | 3.70% | 16.86% | 79.44% | 100% |
| Single vehicle | 385 | 5.19% | 24.68% | 70.13% | 100% |
| Other | 193 | 8.29% | 17.62% | 74.09% | 100% |
| Crash hour | |||||
| 12:00–5:59 a.m.0:00–5:59 | 174 | 8.62% | 31.03% | 60.35% | 100% |
| 6:00–11:59 a.m. | 569 | 7.03% | 24.43% | 68.54% | 100% |
| 12:00–5:59 p.m. | 631 | 5.86% | 25.20% | 68.94% | 100% |
| 6:00–11:59 p.m. | 236 | 5.93% | 22.46% | 71.61% | 100% |
| Fire/explosion/spill | |||||
| Yes | 124 | 11.29% | 37.90% | 50.81% | 100% |
| No | 1486 | 6.19% | 24.09% | 69.72% | 100% |
| Environmental characteristics | |||||
| Lighting conditions | |||||
| Daylight | 1159 | 5.87% | 24.50% | 69.63% | 100% |
| Dusk/dawn | 72 | 12.50% | 26.39% | 61.11% | 100% |
| Dark—street lights | 123 | 4.88% | 33.33% | 61.79% | 100% |
| Dark—no street lights | 256 | 8.98% | 23.83% | 67.19% | 100% |
| Weather | |||||
| Clear | 1125 | 6.67% | 23.91% | 69.42% | 100% |
| Cloudy | 218 | 6.88% | 29.36% | 63.76% | 100% |
| Rain | 164 | 1.83% | 30.49% | 67.68% | 100% |
| Fog | 18 | 16.67% | 38.89% | 44.44% | 100% |
| Snow | 85 | 11.76% | 17.65% | 70.59% | 100% |
| Variables | Probabilities When Setting Evidence | ||
|---|---|---|---|
| Fatal and Severe Injury Crashes | Injury Crashes | No Injury Crashes | |
| Proportion distribution | 0.1239 | 0.2602 | 0.6158 |
| Driver characteristics | |||
| Driver age | |||
| less than 25 | 0.2187 | 0.3348 | 0.4464 |
| 25–35 | 0.1423 | 0.2329 | 0.6248 |
| 36–45 | 0.1169 | 0.2760 | 0.6071 |
| 46–60 | 0.1058 | 0.2596 | 0.6345 |
| over 60 | 0.1527 | 0.2472 | 0.6001 |
| Distraction | |||
| Yes | 0.1620 | 0.2761 | 0.5619 |
| No | 0.1224 | 0.2596 | 0.6180 |
| Fatigue | |||
| Yes | 0.2112 | 0.2865 | 0.5022 |
| No | 0.1234 | 0.2601 | 0.6165 |
| Improper operation | |||
| Yes | 0.1240 | 0.2622 | 0.6225 |
| No | 0.1236 | 0.2539 | 0.6138 |
| Speeding | |||
| Yes | 0.1572 | 0.3017 | 0.5410 |
| No | 0.1208 | 0.2563 | 0.6230 |
| Violation | |||
| Yes | 0.1920 | 0.2877 | 0.5203 |
| No | 0.1205 | 0.2589 | 0.6206 |
| Road characteristics | |||
| AADT (vehicle/day) | |||
| Less than or equal to 15,000 | 0.1201 | 0.2684 | 0.6114 |
| 15,001–50,000 | 0.1263 | 0.2445 | 0.6292 |
| 50,001–100,000 | 0.1271 | 0.2660 | 0.6069 |
| over 100,000 | 0.1246 | 0.2745 | 0.6009 |
| Alignment | |||
| Straight-level | 0.1210 | 0.2585 | 0.6204 |
| Straight-grade | 0.1232 | 0.2595 | 0.6174 |
| Curve-level | 0.1245 | 0.2604 | 0.6152 |
| Curve-grade | 0.1318 | 0.2683 | 0.5999 |
| Crash Location | |||
| Highway Section | 0.1111 | 0.2492 | 0.6397 |
| Intersection | 0.1503 | 0.2896 | 0.5601 |
| Ramp | 0.1639 | 0.2786 | 0.5575 |
| Bridge | 0.1582 | 0.2548 | 0.5870 |
| Other | 0.1490 | 0.2791 | 0.5719 |
| Speed limit (mph) | |||
| less than 30 | 0.1399 | 0.1834 | 0.6767 |
| 30–45 | 0.1111 | 0.2273 | 0.6616 |
| 46–55 | 0.1216 | 0.3022 | 0.5761 |
| 56–65 | 0.1247 | 0.2732 | 0.6021 |
| over 66 | 0.1533 | 0.2301 | 0.6166 |
| Vehicle characteristics | |||
| Vehicle type | |||
| Single-unit truck | 0.1223 | 0.2732 | 0.6045 |
| Truck/trailer | 0.1179 | 0.2494 | 0.6327 |
| Truck/tractor | 0.1317 | 0.2605 | 0.6078 |
| Tractor/semi-trailer | 0.1274 | 0.2529 | 0.6197 |
| Tractor/doubles | 0.1215 | 0.2636 | 0.6149 |
| Other | 0.1195 | 0.2726 | 0.6079 |
| Vehicle defect | |||
| Yes | 0.1266 | 0.2557 | 0.6177 |
| No | 0.1223 | 0.2629 | 0.6147 |
| Number of vehicles | |||
| 1 | 0.1149 | 0.2435 | 0.6416 |
| 2 | 0.1116 | 0.2512 | 0.6372 |
| 3 | 0.2357 | 0.3883 | 0.3760 |
| Greater than or equal to 4 | 0.2995 | 0.3720 | 0.3285 |
| Crash characteristics | |||
| Collision type | |||
| Head-on | 0.3997 | 0.3028 | 0.2975 |
| Rear-end | 0.1157 | 0.3431 | 0.5412 |
| Angle | 0.1948 | 0.3311 | 0.4741 |
| Sideswipe | 0.0772 | 0.1954 | 0.7274 |
| Single vehicle | 0.0881 | 0.2325 | 0.6794 |
| Other | 0.1375 | 0.2223 | 0.6402 |
| Crash hour | |||
| 12:00–5:59 a.m. | 0.1736 | 0.2992 | 0.5272 |
| 6:00–11:59 a.m. | 0.1133 | 0.2510 | 0.6357 |
| 12:00–5:59 p.m. | 0.1061 | 0.2470 | 0.6469 |
| 6:00–11:59 p.m. | 0.1605 | 0.2892 | 0.5503 |
| Fire/Explosion/Spill | |||
| Yes | 0.2396 | 0.3347 | 0.4258 |
| No | 0.1143 | 0.2540 | 0.6317 |
| Environmental characteristics | |||
| Lighting condition | |||
| Daylight | 0.1016 | 0.2447 | 0.6537 |
| Dusk/dawn | 0.2239 | 0.2937 | 0.4823 |
| Dark—street lights | 0.1650 | 0.3425 | 0.4926 |
| Dark—no street lights | 0.1770 | 0.2818 | 0.5412 |
| Weather | |||
| Clear | 0.1216 | 0.2592 | 0.6192 |
| Cloudy | 0.1259 | 0.2571 | 0.6170 |
| Rain | 0.1292 | 0.2634 | 0.6073 |
| Fog | 0.1294 | 0.2683 | 0.6023 |
| Snow | 0.1364 | 0.2700 | 0.5936 |
| Confusion Matrix | Predicted | |||||
|---|---|---|---|---|---|---|
| Class 1 | Class 2 | Class 3 | False Negative (FN) | Sensitivity | ||
| Actual | Class 1 | T11 | F21 | F31 | F21 + F31 | |
| Class 2 | F12 | T22 | F32 | F12 + F32 | ||
| Class 3 | F13 | F23 | T33 | F13 + F23 | ||
| False positive (FP) | F12 + F13 | F21 + F23 | F31 + F32 | Overall Accuracy | ||
| Precision | ||||||
| Performance Measurements | Fatal and Severe Injury Crashes | Injury Crashes | No Injury Crashes |
|---|---|---|---|
| Accuracy | 96.4% | 85.9% | 85.0% |
| Precision | 67.5% | 78.5% | 88.1% |
| Sensitivity | 82.4% | 69.4% | 89.8% |
| Specificity | 97.1% | 92.4% | 75.4% |
| F-score | 74.2% | 73.7% | 88.9% |
| Overall accuracy = 85.8% | |||
Publisher’s Note: MDPI stays neutral with regard to jurisdictional claims in published maps and institutional affiliations. |
© 2022 by the authors. Licensee MDPI, Basel, Switzerland. This article is an open access article distributed under the terms and conditions of the Creative Commons Attribution (CC BY) license (https://creativecommons.org/licenses/by/4.0/).
Share and Cite
Sun, M.; Zhou, R.; Jiao, C.; Sun, X. Severity Analysis of Hazardous Material Road Transportation Crashes with a Bayesian Network Using Highway Safety Information System Data. Int. J. Environ. Res. Public Health 2022, 19, 4002. https://doi.org/10.3390/ijerph19074002
Sun M, Zhou R, Jiao C, Sun X. Severity Analysis of Hazardous Material Road Transportation Crashes with a Bayesian Network Using Highway Safety Information System Data. International Journal of Environmental Research and Public Health. 2022; 19(7):4002. https://doi.org/10.3390/ijerph19074002
Chicago/Turabian StyleSun, Ming, Ronggui Zhou, Chengwu Jiao, and Xiaoduan Sun. 2022. "Severity Analysis of Hazardous Material Road Transportation Crashes with a Bayesian Network Using Highway Safety Information System Data" International Journal of Environmental Research and Public Health 19, no. 7: 4002. https://doi.org/10.3390/ijerph19074002
APA StyleSun, M., Zhou, R., Jiao, C., & Sun, X. (2022). Severity Analysis of Hazardous Material Road Transportation Crashes with a Bayesian Network Using Highway Safety Information System Data. International Journal of Environmental Research and Public Health, 19(7), 4002. https://doi.org/10.3390/ijerph19074002
