Smart Glove for Maintenance of Industrial Equipment
Abstract
1. Introduction
2. Materials and Methods
3. Results and Discussion
- Comparison of the proposed smart glove with the existing wearable sensors used for maintenance. A comparison of different wearable devices used in the performance of maintenance and repair can include glasses, smart clothes, insoles and boots, bracelets, smart helmets, and wearable video cameras. Smart gloves can be used as both an independent device to manage maintenance and repairs, and as part of a comprehensive system of wearable devices. With regard to the listed devices, the functions of eyeglasses and wearable video cameras are the most analogous. The authors have developed a system that allows the determination of the stages of work in the maintenance process from the video image. The analysis of the video stream enables the estimation of the action performance by the operator. However, the use of gloves for this purpose provides additional information. The degree of pressure applied can be deduced, and the effort expended during the maintenance operation can be assessed. These parameters can be indirectly compared with the action operator quality of the maintenance. It is challenging to achieve this through video stream processing alone. However, it is important to emphasise that the integration of multiple wearable devices into a unified system will undoubtedly generate more substantial results. But further research is needed to prove this.
- The impact of signal noise and instability in the sensor data. Noise and instability of the sensor’s signals has the potential to distort the information. The simplest methods for noise reduction, such as the moving average, have been employed in this study. As demonstrated by the experimental findings, this approach is adequate for achieving stable characteristics. Nevertheless, further research is required in this area to explore the full potential. It could be that using machine learning, wavelet transform, and other methodologies for noise reduction would have given better results. The application of machine learning, wavelet transform, and other methodologies holds promise in the development of enhanced noise reduction systems. Furthermore, machine learning models have the ability to filter noise themselves. Additionally, using this model, we should not denoise the signal. Also, machine learning models will be capable of addressing short-term information gaps from sensors. These issues require further investigation.
- Testing of the sensors at high temperatures or in humid conditions. It is imperative to assess the sensor’s performance under conditions of humidity and elevated temperatures prior to its induction into production. However, this is not currently feasible. Even in the absence of testing, it can be stated that the sensor without the protective layer will be incapable of operating in humid conditions. The sensor’s design parameters preclude such functionality. However, since the sensor is placed inside a special material that forms a glove, this material allows the sensor to remain functional. A series of experiments were conducted with gloves, putting them on for several hours, which demonstrated the efficacy of the system. However, it is crucial to acknowledge the necessity of future research in this area, as the findings can significantly impact the feasibility of integrating this sensor within the glove. The authors of the study emphasise the importance of this consideration. However, according to the authors’ point of view, all these problems can be solved by using a special material for gloves.
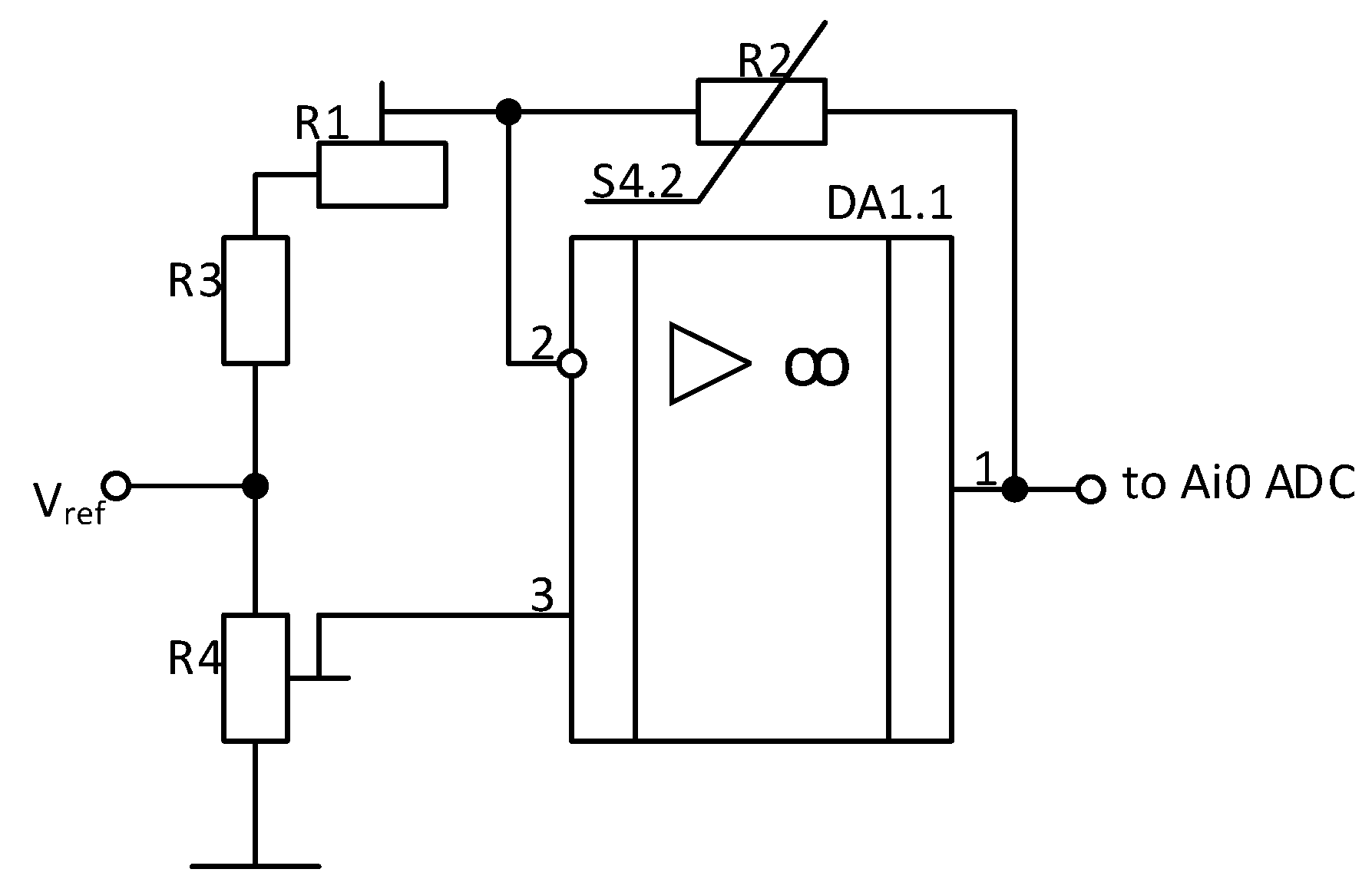
- The challenges of scaling production of this smart glove. The presented technology has the capacity to be scaled up for any number of production facilities and any number of service personnel. When scaling this technology individually, gloves are manufactured for each person, as devices 1, 2, and 4 according to Figure 1. The results interpretation unit can be used for all devices, provided that the ZigBee network is properly organised. The necessity for the installation of the results interpretation unit for each individual device is negated. From an architectural standpoint, the results interpretation unit can be redundant and can be integrated with third-party systems.
- Ensuring data privacy. The security of the device should be examined independently. It is important to note, however, that in the context of wireless communication, achieving absolute security is impractical. The principles of ensuring information security of the device are analogous to the ZigBee network. Despite the inclusion of separate devices, testing for cybersecurity in subsequent studies is recommended.
4. Conclusions
Author Contributions
Funding
Institutional Review Board Statement
Informed Consent Statement
Data Availability Statement
Conflicts of Interest
References
- Negri, F.; Galeazzi, A.; Gallo, F.; Manenti, F. Application of a Predictive Maintenance Strategy Based on Machine Learning in a Used Oil Refinery. In Computer Aided Chemical Engineering; Elsevier: Amsterdam, The Netherlands, 2024; Volume 53, pp. 3175–3180. [Google Scholar] [CrossRef]
- Klebanov, A.F.; Bondarenko, A.V.; Zhukovsky, Y.L.; Klebanov, D.A. Establishing remote control centers of a mining operation: Strategic prerequisites and implementation stages. Russ. Min. Ind. 2024, 4, 174–183. (In Russian) [Google Scholar] [CrossRef]
- Attia, A.M. Integrated risk management and maintenance planning in Oil and Gas Supply Chain operations under market uncertainty. Comput. Chem. Eng. 2024, 192, 108879. [Google Scholar] [CrossRef]
- Maierhofer, A.; Trojahn, S.; Ryll, F. Concept for a Robust and Reliable Manufacturing and Logistics System that Combines Production Planning and Control with Predictive Maintenance. Procedia Comput. Sci. 2024, 232, 3054–3062. [Google Scholar] [CrossRef]
- Khokhlov, S.; Abiev, Z.; Makkoev, V. The Choice of Optical Flame Detectors for Automatic Explosion Containment Systems Based on the Results of Explosion Radiation Analysis of Methane- and Dust-Air Mixtures. Appl. Sci. 2022, 12, 1515. [Google Scholar] [CrossRef]
- Schneidhofer, C.; Dubek, K.; Dörr, N. Robust sensors enabling condition-based maintenance of lubricated components in locomotives and wagons. Transp. Res. Procedia 2023, 72, 3236–3243. [Google Scholar] [CrossRef]
- Boykov, A.V.; Payor, V.A. Machine vision system for monitoring the process of levitation melting of non-ferrous metals. Tsvetnye Met. 2023, 4, 85–89. [Google Scholar] [CrossRef]
- Romashev, A.O.; Nikolaeva, N.V.; Gatiatullin, B.L. Adaptive approach formation using machine vision technology to determine the parameters of enrichment products deposition. J. Min. Inst. 2022, 256, 677–685. [Google Scholar] [CrossRef]
- Dvoynikov, M.V.; Kutuzov, P.A. Analysis of Efficiency of Communication Channels for Monitoring and Operational Control of Oil and Gas Wells Drilling Process. Int. J. Eng. 2025, 38, 120–131. [Google Scholar] [CrossRef]
- Gong, L.; Chen, Y. Machine Learning-enhanced loT and Wireless Sensor Networks for predictive analysis and maintenance in wind turbine systems. Int. J. Intell. Networks 2024, 5, 133–144. [Google Scholar] [CrossRef]
- Schwendemann, S.; Rausch, A.; Sikora, A. A Hybrid Predictive Maintenance Solution for Fault Classification and Remaining Useful Life Estimation of Bearings Using Low-Cost Sensor Hardware. Procedia Comput. Sci. 2024, 232, 128–138. [Google Scholar] [CrossRef]
- Steurtewagen, B.; Poel, D.V.D. Adding interpretability to predictive maintenance by machine learning on sensor data. Comput. Chem. Eng. 2021, 152, 107381. [Google Scholar] [CrossRef]
- Korolev, N.; Kozyaruk, A.; Morenov, V. Efficiency Increase of Energy Systems in Oil and Gas Industry by Evaluation of Electric Drive Lifecycle. Energies 2021, 14, 6074. [Google Scholar] [CrossRef]
- Korolev, N.A.; Zhukovskiy, Y.L.; Buldysko, A.D.; Baranov, G.D.; Chen, P. Energy resource evaluation from technical diagnostics of electromechanical devices in minerals sector. MIAB. Mining Inf. Anal. Bull. 2024, 5, 158–181. [Google Scholar] [CrossRef]
- Cherepovitsyn, A.E.; Tretyakov, N.A. Development of a new assessment system for the applicability of digital projects in the oil and gas sector. J. Min. Inst. 2023, 262, 628–642. [Google Scholar]
- Litvinenko, V.S. Digital Economy as a Factor in the Technological Development of the Mineral Sector. Nat. Resour. Res. 2020, 29, 1521–1541. [Google Scholar] [CrossRef]
- Gong, Y.; Li, X.; Zhou, R.; Li, M.; Liu, S. A robotized framework for real-time detection and in-situ repair of manufacturing defects in CFRP patch placement. Robot. Comput. Manuf. 2025, 92, 102882. [Google Scholar] [CrossRef]
- Jin, Y.; Geng, J.; Lv, C.; Chi, Y.; Zhao, T. A methodology for equipment condition simulation and maintenance threshold optimization oriented to the influence of multiple events. Reliab. Eng. Syst. Saf. 2023, 229, 108879. [Google Scholar] [CrossRef]
- Zhang, Y.; Yan, M.; Ke, C. Joint design of VSI Tr control chart and equipment maintenance in high quality process. J. Process Control 2024, 136, 103177. [Google Scholar] [CrossRef]
- Smith, D.J. Predicting and Demonstrating Repair Times. In Reliability, Maintainability and Risk, 10th ed.; Butterworth-Heinemann: Oxford, UK, 2022; Chapter 15; pp. 257–270. [Google Scholar] [CrossRef]
- Michael, G.; Shahra, E.Q.; Basurra, S.; Wu, W.; Jabbar, W.A. Real-Time Pipeline Fault Detection in Water Distribution Networks Using You Only Look Once v8. Sensors 2024, 24, 6982. [Google Scholar] [CrossRef]
- Abyaneh, M.B.; Vahdani, B.; Nadjafi, B.A.; Amiri, M. Integrated scheduling of multiple heterogeneous equipment and maintenance operations during discharging process in a container terminal under uncertainty. Comput. Ind. Eng. 2024, 193, 110300. [Google Scholar] [CrossRef]
- Sun, J.; Ding, H.; Li, N.; Sun, X.; Dong, X. Intelligent Fault Diagnosis of Hydraulic System Based on Multiscale One-Dimensional Convolutional Neural Networks with Multiattention Mechanism. Sensors 2024, 24, 7267. [Google Scholar] [CrossRef]
- Glebova, E.V.; Volokhina, A.T.; Vikhrov, A.E. Assessment of the efficiency of occupational safety culture management in fuel and energy companies. J. Min. Inst. 2023, 259, 68–78. [Google Scholar] [CrossRef]
- Hossein, A.R.Z.; Sayadi, A.R.; Rahimdel, M.J.; Moradi, M.R. Human reliability analysis in maintenance and repair operations of mining trucks: A Bayesian network approach. Heliyon 2024, 10, e34765. [Google Scholar] [CrossRef] [PubMed]
- Levitin, G.; Xing, L.; Dai, Y. Minimum downtime operation and maintenance scheduling for resource-constrained system. Reliab. Eng. Syst. Saf. 2023, 238, 109465. [Google Scholar] [CrossRef]
- Mohan, T.R.; Roselyn, J.P.; Uthra, R.A.; Devaraj, D.; Umachandran, K. Intelligent machine learning based total productive maintenance approach for achieving zero downtime in industrial machinery. Comput. Ind. Eng. 2021, 157, 107267. [Google Scholar] [CrossRef]
- Marugán, A.P.; Pinar-Pérez, J.M.; Márquez, F.P.G. A reinforcement learning agent for maintenance of deteriorating systems with increasingly imperfect repairs. Reliab. Eng. Syst. Saf. 2024, 252, 110466. [Google Scholar] [CrossRef]
- Zeitler, W.; Quandt, M.; Stern, H.; Freitag, M. Web based maintenance work support by neural networks—Detection and wear estimation of components in wind energy turbines. Procedia CIRP 2023, 118, 1126–1131. [Google Scholar] [CrossRef]
- Eswaran, M.; Gulivindala, A.K.; Inkulu, A.K.; Bahubalendruni, M.R. Augmented reality-based guidance in product assembly and maintenance/repair perspective: A state of the art review on challenges and opportunities. Expert Syst. Appl. 2023, 213, 118983. [Google Scholar] [CrossRef]
- Jiang, Q.; Antwi-Afari, M.F.; Fadaie, S.; Mi, H.-Y.; Anwer, S.; Liu, J. Self-powered wearable Internet of Things sensors for human-machine interfaces: A systematic literature review and science mapping analysis. Nano Energy 2024, 131, 110252. [Google Scholar] [CrossRef]
- Mourtzis, D.; Angelopoulos, J.; Panopoulos, N. A Framework for Automatic Generation of Augmented Reality Maintenance & Repair Instructions based on Convolutional Neural Networks. Procedia CIRP 2020, 93, 977–982. [Google Scholar] [CrossRef]
- Zhang, Y.; Pi, Y.; Wang, Q.; Long, X.; Wan, S.; Liu, P.; Liu, Y. Application of video behavior fast detection based on wearable motion sensor devices in sports training. Meas. Sensors 2024, 33, 101096. [Google Scholar] [CrossRef]
- Abdollahi, M.; Zhou, Q.; Yuan, W. Smart wearable insoles in industrial environments: A systematic review. Appl. Ergon. 2024, 118, 104250. [Google Scholar] [CrossRef] [PubMed]
- Ananth, C.; Revathi, B.; Poonguzhali, I.; Anitha, A.; Kumar, T.A. Wearable Smart Jacket for Coal Miners Using IoT. In Proceedings of the 2022 2nd International Conference on Technological Advancements in Computational Sciences (ICTACS), Tashkent, Uzbekistan, 10–12 October 2022; pp. 669–672. [Google Scholar] [CrossRef]
- Kim, Y.; Baek, J.; Choi, Y. Smart Helmet-Based Personnel Proximity Warning System for Improving Underground Mine Safety. Appl. Sci. 2021, 11, 4342. [Google Scholar] [CrossRef]
- Valencia Quiceno, J.D.; Kecojevic, V.; McBrayer, A.; Bogunovic, D. Augmented Reality System for Training of Heavy Equipment Operators in Surface Mining. Min. Metall. Explor. 2024, 41, 2217–2229. [Google Scholar] [CrossRef]
- Schmuntzsch, U.; Feldhaus, L.H. The Warning Glove: Wearable Computing Technology for Maintenance Assistance in IPS2. IFAC Proc. Vol. 2013, 46, 70–75. [Google Scholar] [CrossRef]
- Liu, L.; Hu, T.; Zhao, X.; Su, Y.; Yin, D.; Lee, C.; Wang, Z.L. Innovative smart gloves with Phalanges-based triboelectric sensors as a dexterous teaching interface for Embodied Artificial Intelligence. Nano Energy 2025, 133, 110491. [Google Scholar] [CrossRef]
- Zou, R.; Chen, H.; Pan, H.; Zhang, H.; Kong, L.; Zhang, Z.; Xiang, Z.; Zhi, J.; Xu, Y. Self-powered and self-sensing wearable devices from a comfort perspective. Device 2024, 2, 100466. [Google Scholar] [CrossRef]
- Ariansyah, D.; Erkoyuncu, J.A.; Eimontaite, I.; Johnson, T.; Oostveen, A.-M.; Fletcher, S.; Sharples, S. A head mounted augmented reality design practice for maintenance assembly: Toward meeting perceptual and cognitive needs of AR users. Appl. Ergon. 2022, 98, 103597. [Google Scholar] [CrossRef]
- Gaddis, E.S.; Burch, R.F., V; Strawderman, L.; Chander, H.; Smith, B.K.; Freeman, C.; Taylor, C. The impact of using wearable devices on the operator during manual material handling tasks. Int. J. Ind. Ergon. 2022, 89, 103294. [Google Scholar] [CrossRef]
- Novoselov, K.S.; Geim, A.K.; Morozov, S.V.; Jiang, D.; Zhang, Y.; Dubonos, S.V.; Grigorieva, I.V.; Firsov, A.A. Electric Field Effect in Atomically Thin Carbon Films. Science 2004, 306, 666–669. [Google Scholar] [CrossRef] [PubMed]
- Xia, S.-Y.; Long, Y.; Huang, Z.; Zi, Y.; Tao, L.-Q.; Li, C.-H.; Sun, H.; Li, J. Laser-induced graphene (LIG)-based pressure sensor and triboelectric nanogenerator towards high-performance self-powered measurement-control combined system. Nano Energy 2022, 96, 107099. [Google Scholar] [CrossRef]
- Lin, J.; Peng, Z.; Liu, Y.; Ruiz-Zepeda, F.; Ye, R.; Samuel, E.L.G.; Yacaman, M.J.; Yakobson, B.I.; Tour, J.M. Laser-induced porous graphene films from commercial polymers. Nat. Commun. 2014, 5, 5714. [Google Scholar] [CrossRef] [PubMed]
- Padma, B.; Erukala, S.B. End-to-end communication protocol in IoT-enabled ZigBee network: Investigation and performance analysis. Internet Things 2023, 22, 100796. [Google Scholar] [CrossRef]
- Laghari, A.A.; Jumani, A.K.; Laghari, R.A.; Li, H.; Karim, S.; Khan, A.A. Unmanned aerial vehicles advances in object detection and communication security review. Cogn. Robot. 2024, 4, 128–141. [Google Scholar] [CrossRef]
- Ji, M.; Ren, G.; Liu, J.; Xu, Q.; Ren, R. Multi-person cooperative positioning of forest rescuers based on inertial navigation system (INS), global navigation satellite system (GNSS), and ZigBee. Measurement 2025, 241, 115669. [Google Scholar] [CrossRef]
- Dong, Z.Y.; Xu, W.M.; Zhuang, H. Research on ZigBee Indoor Technology Positioning Based on RSSI. Procedia Comput. Sci. 2019, 154, 424–429. [Google Scholar] [CrossRef]
- Koteleva, N.I.; Valnev, V.V. Certificate of State Registration Program for Computers No. 2024684784 Russian Federation. In Program for Searching for Actions of Personnel Performing Service and Operational Maintenance of Automated Process Control Systems; Empress Catherine II Saint Petersburg Mining University: Saint Petersburg, Russia, 2023; No. 2023680169. [Google Scholar]
- Chen, Z.; Yang, J.; Du, Z.; Ji, J.; Zhang, L.; Guan, H.; Lei, Z.; Zhang, X.; Yang, C.; Zhu, Y.; et al. A conductive and anti-freezing gelatin-PAA-based organic hydrogel (PC-OH) with high adhesion and self-healing activities for wearable electronics. Chem. Eng. J. 2024, 492, 152465. [Google Scholar] [CrossRef]
- Esteghamat, A.; Akhavan, O. Graphene as the ultra-transparent conductive layer in developing the nanotechnology-based flexible smart touchscreens. Microelectron. Eng. 2023, 267–268, 111899. [Google Scholar] [CrossRef]
- Yan, X.; Lin, X.; Liu, H.; Lu, J.; Wang, H.; Huang, X.; Liu, H.; Xu, X. Tough and temperature-tolerance cellulose/polyacrylic acid/bentonite hydrogel with high ionic conductivity enables self-powered triboelectric wearable electronic devices. Carbohydr. Polym. 2024, 344, 122552. [Google Scholar] [CrossRef] [PubMed]


















| Sensor | Sensor Resistance, MOm | Resistance of Additional Resistor, MOm | Out of MCU | ADC Channel | ID |
|---|---|---|---|---|---|
| S1.1 | 7.5 | 6.2 | 14 | AI6 | 0Bh |
| S1.2 | 10.2 | 10 | 15 | AI7 | 0Ch |
| S2.1 | 6.7 | 6.2 | 7 | AI5 | 15h |
| S2.2 | 6.3 | 6.2 | 6 | AI4 | 16h |
| S3.1 | 9.2 | 9.1 | 5 | AI3 | 1Fh |
| S3.2 | 10.4 | 10 | 4 | AI2 | 20h |
| S4.1 | 2.2 | 2 | 3 | AI1 | 29h |
| S4.2 | 5 | 4.7 | 2 | AI0 | 2Ah |
Disclaimer/Publisher’s Note: The statements, opinions and data contained in all publications are solely those of the individual author(s) and contributor(s) and not of MDPI and/or the editor(s). MDPI and/or the editor(s) disclaim responsibility for any injury to people or property resulting from any ideas, methods, instructions or products referred to in the content. |
© 2025 by the authors. Licensee MDPI, Basel, Switzerland. This article is an open access article distributed under the terms and conditions of the Creative Commons Attribution (CC BY) license (https://creativecommons.org/licenses/by/4.0/).
Share and Cite
Koteleva, N.; Simakov, A.; Korolev, N. Smart Glove for Maintenance of Industrial Equipment. Sensors 2025, 25, 722. https://doi.org/10.3390/s25030722
Koteleva N, Simakov A, Korolev N. Smart Glove for Maintenance of Industrial Equipment. Sensors. 2025; 25(3):722. https://doi.org/10.3390/s25030722
Chicago/Turabian StyleKoteleva, Natalia, Aleksander Simakov, and Nikolay Korolev. 2025. "Smart Glove for Maintenance of Industrial Equipment" Sensors 25, no. 3: 722. https://doi.org/10.3390/s25030722
APA StyleKoteleva, N., Simakov, A., & Korolev, N. (2025). Smart Glove for Maintenance of Industrial Equipment. Sensors, 25(3), 722. https://doi.org/10.3390/s25030722

