Measurement of Transient Overvoltages by Capacitive Electric Field Sensors
Abstract
1. Introduction
2. Concept and Design of the Measurement System
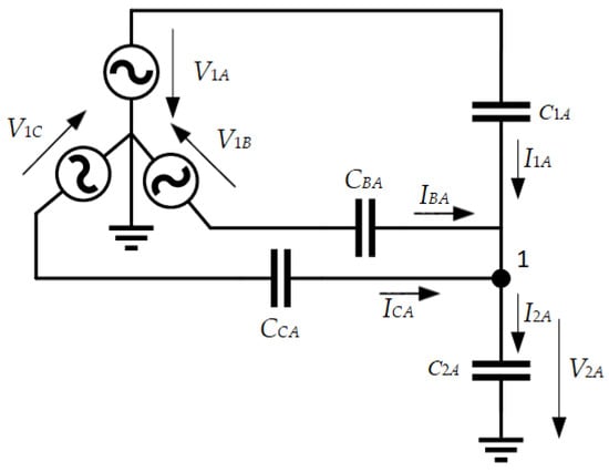
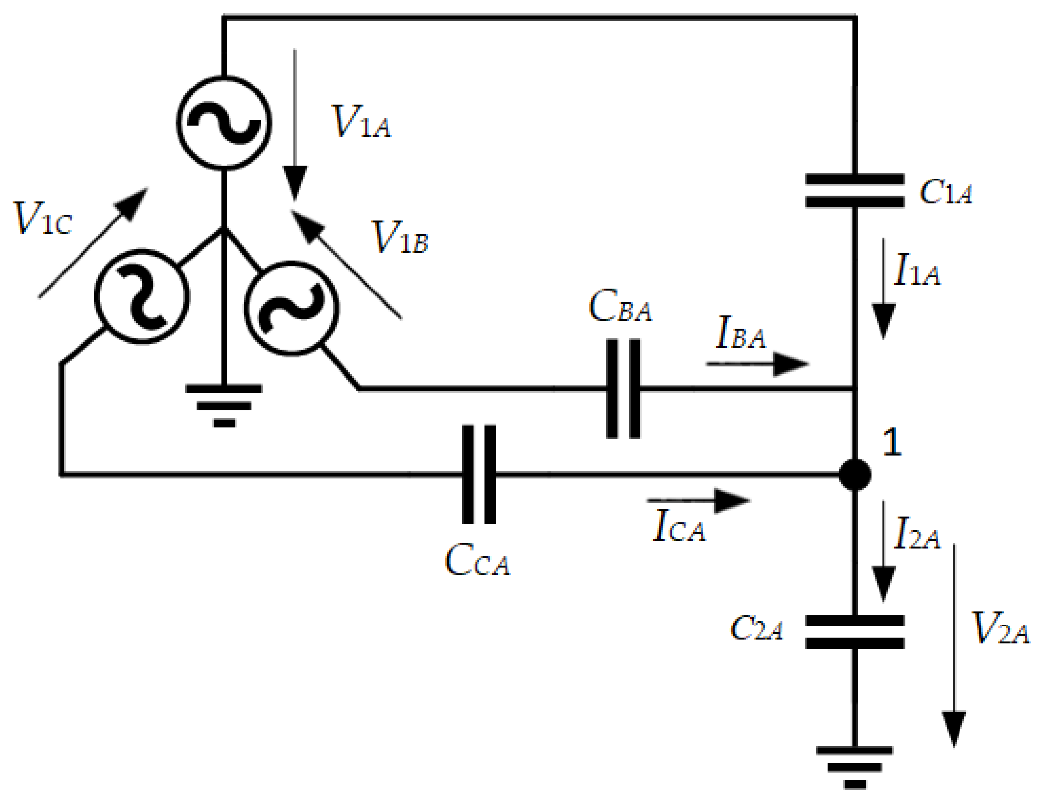
2.1. The Capacitive Divider Setup
2.2. The Power Quality Monitor
3. Tests in the High-Voltage Laboratory
- Measurement of C2 capacitances;
- Accuracy assessment (measurement of divider ratio and stray capacitances C1);
- Lightning impulse test;
- Measurement of the CDS bandwidth.
3.1. Accuracy Assessment Using AC Voltage
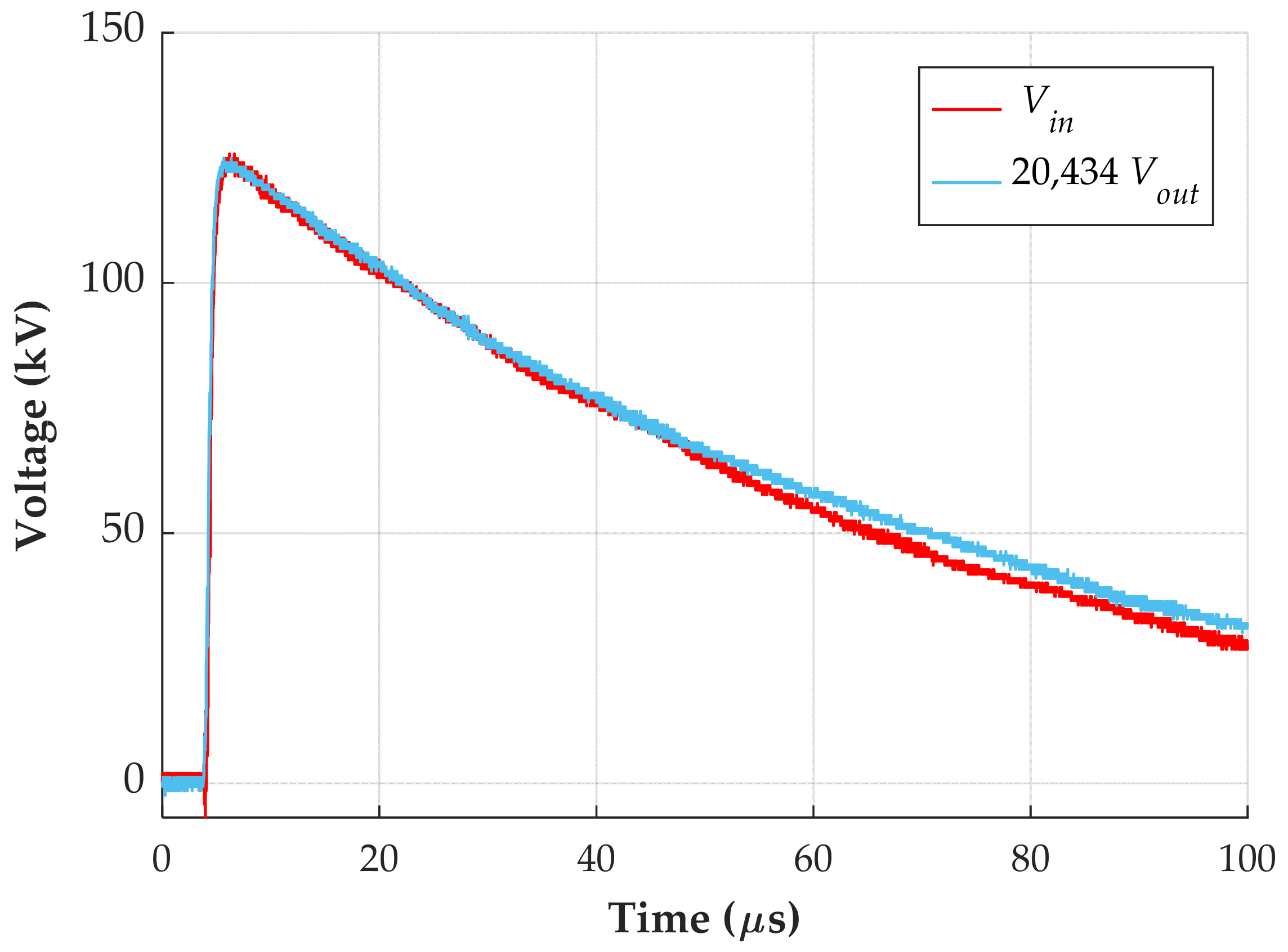
3.2. Lightning Impulse Test
3.3. Measurement of the CDS Bandwidth
4. Installation and Calibration
- Simplified method (SM);
- Compensation of coupling capacitances (CCC).
4.1. Calibration Using the Simplified Method
4.2. Compensation of the Coupling Capacitances
5. Measurement Results
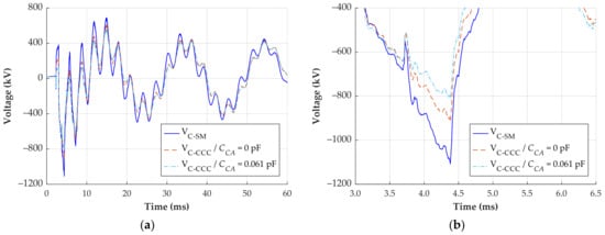
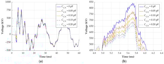
5.1. Comparison of Calibration Methods
- Simplified method (SM);
- Compensation of coupling capacitances (CCC) with CCA = 0 pF;
- Compensation of coupling capacitances (CCC) with CCA = 0.061 pF.
5.2. Statistical Analysis of Transient Signals
6. Conclusions
Author Contributions
Funding
Institutional Review Board Statement
Informed Consent Statement
Data Availability Statement
Acknowledgments
Conflicts of Interest
References
- CIGRE TB 577A; Electrical Transient Interaction between Transformers and the Power System—Part 1: Expertise. JWG A2/C4.39; CIGRE: Paris, France, 2014.
- CIGRE TB 577B; Electrical Transient Interaction between Transformers and the Power System—Part 2: Case Studies. JWG A2/C4.39; CIGRE: Paris, France, 2014.
- Probst, F.L.; da Luz, M.V.F.; Tenbohlen, S. Modeling of a capacitive voltage transformer for evaluation of transient response in conformity with the IEC 61869-5 Standard. Electr. Power Syst. Res. 2023, 223, 109591. [Google Scholar] [CrossRef]
- CIGRE TB 881; Electromagnetic Transient Simulation Models for Large-Scale System Impact Studies in Power Systems Having a High Penetration of Inverter-Connected Generation. WG C4.56; CIGRE: Paris, France, 2022.
- IEC 60071-1; Insulation Co-Ordination—Part 1: Definitions, Principles and Rules, Ed. 9.0. International Electrotechnical Commission: Geneva, Switzerland, 2019.
- IEC 60071-2; Insulation Co-Ordination—Part 2: Application Guidelines, Ed. 4.0. International Electrotechnical Commission: Geneva, Switzerland, 2018.
- Vermeulen, H.; Davel, P. Voltage harmonic distortion measurements using capacitive voltage transformers. In Proceedings of the IEEE AFRICON 1996, Stellenbosch, South Africa, 27 September 1996; Volume 2, pp. 1012–1017. [Google Scholar]
- Meyer, J.; Stiegler, R.; Klatt, M.; Elst, M.; Sperling, E. Accuracy of harmonic voltage measurements in the frequency range up to 5 kHz using conventional instrument transformers. In Proceedings of the 21st International Conference on Electricity Distribution (CIRED 2011), Frankfurt, Germany, 6–9 June 2011. [Google Scholar]
- Buchhagen, C.; Fischer, M.; Hofmann, L.; Däumling, H. Metrological determination of the frequency response of inductive voltage transformers up to 20 kHz. In Proceedings of the 2013 IEEE Power & Energy Society General Meeting, Vancouver, BC, Canada, 21–25 July 2013; pp. 1–5. [Google Scholar] [CrossRef]
- Tong, L.; Liu, Y.; Chen, Y.; Su, S.; Liang, P. A CVT based lightning impulse wave measuring method using convolutional neural network. In Proceedings of the 2021 IEEE 4th International Electrical and Energy Conference (CIEEC), Wuhan, China, 20–30 May 2021; pp. 1–6. [Google Scholar]
- Zare, M.; Mirzaei, A.; Askarian Abyaneh, H. Designing a compensating electronic circuit to enhance capacitive voltage transformer characteristics. In Proceedings of the 9th Power Systems Protection and Control Conference (PSPC2015), Tehran, Iran, 11–14 October 2015; pp. 12–18. [Google Scholar]
- Kang, Y.C.; Zheng, T.Y.; Choi, S.W.; Kim, Y.H.; Kim, Y.G.; Jang, S.I.; Kang, S.H. Design and evaluation of a compensating algorithm for the secondary voltage of a coupling capacitor voltage transformer in the time domain. IET Gener. Transm. Distrib. 2009, 3, 793–800. [Google Scholar] [CrossRef]
- Zadeh, H.; Zuyi, L. A compensation scheme for CVT transient effects using artificial neural network. Electr. Power Syst. Res. 2008, 78, 30–38. [Google Scholar] [CrossRef]
- De La Hoz, M.; Chacón, J.; Sørensen, D.A.; Larrinaga, U.Z.; Barón, C.R. Harmonic measurements in a capacitive voltage transformer: Improvement considering the transformer’s design parameters. In Proceedings of the 2021 International Conference on Smart Energy Systems and Technologies (SEST), Vaasa, Finland, 6–8 December 2021; pp. 1–6. [Google Scholar]
- Ghassemi, F.; Gale, P.; Cumming, T.; Coutts, C. Harmonic voltage measurements using CVTs. In Proceedings of the 2004 IEEE Power Engineering Society General Meeting, Denver, CO, USA, 6–10 June 2004; Volume 1, p. 482. [Google Scholar]
- Fu, C.Z.; Si, W.R.; Zhao, D.D.; Huang, H.; Jin, H.; Zhao, W.B. Research on the method for transient overvoltage measurement using CVT within a capacitor C3. In Proceedings of the 2016 International Conference on Condition Monitoring and Diagnosis (CMD), Xi’an, China, 25–28 September 2016; pp. 1028–1030. [Google Scholar]
- Stirl, T. Online monitoring of capacitance-graded bushing on power transformers. In Proceedings of the ETG Technical Seminar No. 97, Cologne, Germany, 9–10 March 2004; pp. 115–120. (In German). [Google Scholar]
- Stirl, T.; Skrzypek, R.; Tenbohlen, S.; Vilaithong, R. On-line condition monitoring and diagnosis for power transformers their bushings, tap changer and insulation system. In Proceedings of the 2006 International Conference on Condition Monitoring and Diagnosis (CMD), Changwon, Republic of Korea, 2–5 April 2006. [Google Scholar]
- Ma, G.M.; Li, C.R.; Quan, J.T.; Jiang, J. Measurement of VFTO based on the transformer bushing sensor. IEEE Trans. Power Deliv. 2011, 26, 684–692. [Google Scholar] [CrossRef]
- Tenbohlen, S.; Kattmann, C.; Brugger, T. Power quality monitoring in power grids focusing on accuracy of high frequency harmonics. In Proceedings of the 2018 Cigré Session, Paris, France, 26–31 August 2018. [Google Scholar]
- Kattmann, C.; Siegel, M.; Tenbohlen, S.; Bruger, T. Power quality measurement in high voltage grids using transformer bushings. In Proceedings of the VDE Hochspannungstechnik, Berlin, Germany, 12–14 October 2018. (In German). [Google Scholar]
- Botha, M. Wideband Modelling of Capacitive Voltage Sensors for Open-Air Transmission Line Applications. Ph.D. Thesis, Electrical Engineering, University of Stellenbosch, Stellenbosch, South Africa, 2002. [Google Scholar]
- Liu, H.; Ma, G.; Qin, W.; Wang, W.; Du, H.; Wang, L.; Zhai, S.; Zeng, F.; Han, W. A low-cost and high-performance self-trigger method for high-voltage transient measurement. High Volt. 2022, 8, 412–420. [Google Scholar] [CrossRef]
- Han, R.; Yang, Q.; Sima, W.; Zhang, Y.; Sun, S.; Liu, T.; Chen, S. Non-contact measurement of lightning and switching transient overvoltage based on capacitive coupling and pockels effects. Electr. Power Syst. Res. 2016, 139, 93–100. [Google Scholar] [CrossRef]
- Sun, S.; Ma, F.; Yang, Q.; Ni, H.; Bai, T.; Ke, K.; Qiu, Z. Research on non-contact voltage measurement method based on near-end electric field inversion. Energies 2023, 16, 6468. [Google Scholar] [CrossRef]
- Xiao, D.; Xie, Y.; Ma, Q.; Zheng, Q.; Zhang, Z. Non-contact voltage measurement of three-phase overhead transmission line based on electric field inverse calculation. IET Gener. Transm. Distrib. 2018, 12, 2952–2957. [Google Scholar] [CrossRef]
- Chen, K.-L.; Guo, Y.; Ma, X. Contactless voltage sensor for overhead transmission lines. IET Gener. Transm. Distrib. 2018, 12, 957–966. [Google Scholar] [CrossRef]
- Si, D.; Wang, J.; Wei, G.; Yan, X. Method and experimental study of voltage measurement based on electric field integral with Gauss–Legendre algorithm. IEEE Trans. Instrum. Meas. 2020, 69, 2771–2778. [Google Scholar] [CrossRef]
- Wang, J.; Ban, S.; Yang, Y. A differential self-integration D-dot voltage sensor and experimental research. IEEE Sens. J. 2015, 15, 3846–3852. [Google Scholar] [CrossRef]
- Wouters, P.A.A.F.; Barakou, F.; Gargari, S.M.; Smit, J.; Steennis, E.F. Accuracy of switching transients measurement with open-air capacitive sensors near overhead lines. In Proceedings of the 2018 IEEE International Conference on High Voltage Engineering and Application (ICHVE), Athens, Greece, 10–13 September 2018; pp. 1–4. [Google Scholar] [CrossRef]
- Barakou, F.; Wouters, P.A.A.F.; Gargari, S.M.; Smit, J.; Steennis, E.F. Merits and challenges of a differentiating-integrating measurement methodology with air capacitors for high-frequency transients. In Proceedings of the 2018 Cigré Session, Paris, France, 26–31 August 2018. [Google Scholar]
- Barakou, F.; Steennis, F.; Wouters, P. Accuracy and reliability of switching transients measurement with open-air capacitive sensors. Energies 2019, 12, 1405. [Google Scholar] [CrossRef]
- Brügger, T.H. Transient and harmonic measurements with unconventional instrument transformers. In Proceedings of the Stuttgarter Hochspannungssymposium, Stuttgart, Germany, 21–22 June 2022. (In German). [Google Scholar]
- Probst, F.L.; Beltle, M.; Gerber, M.; Tenbohlen, S.; Alsdorf, K.A. Measurement of switching transient overvoltages with a capacitive electric field sensor. Electr. Power Syst. Res. 2023, 223, 109619. [Google Scholar] [CrossRef]
- Probst, F.L.; Beltle, M.; Gerber, M.; Tenbohlen, S.; Alsdorf, K.A. Using capacitive electric field sensors to measure transient overvoltages: A case study. In Proceedings of the International Symposium on High Voltage Engineering (ISH), Glasgow, Scotland, 28 August–1 September 2023. [Google Scholar]
- CST Studio Suite [Computer Software]. 2021. Available online: http://www.cst.com (accessed on 23 November 2023).
- Linear Technology. Fast Settling, JFET Input Operational Amplifier. LT1122 Datasheet, Revision B February 2014. Available online: https://www.analog.com/media/en/technical-documentation/data-sheets/1122fb.pdf (accessed on 19 February 2024).
- Traco Power. DC/DC Converter TVN 5WI Series, 5 Watt. TVN 5-4825WI Datasheet, Revision September 2023. Available online: https://www.tracopower.com/de/deu/tvn5wi-datasheet (accessed on 19 February 2024).
- BSS Hochspannungstechnik. PQM-800 Power Quality Monitor. PQM-800 Datasheet. Available online: https://www.bss-hochspannungstechnik.de/pdf/Datasheet%20PQM-800.pdf (accessed on 23 November 2023).
- IEC 60060-1; High-Voltage Test Techniques—Part 1: General Definitions and Test Requirements. International Electrotechnical Commission: Geneva, Switzerland, 2010.
- Rohde & Schwarz. Vector Network Analyzer Family ZVR. VNA ZVRE Datasheet. Available online: https://www.testequipmenthq.com/datasheets/Rohde-Schwarz-ZVRE-Datasheet.pdf (accessed on 19 February 2024).





















| Device MD1 | Device MD2 | Device MD3 | ||||||
|---|---|---|---|---|---|---|---|---|
| Input Voltage Vin (kV) | Meas. Voltage kr-MD1 Vout (kV) | Ratio Error ε (%) | Input Voltage Vin (kV) | Meas. Voltage kr-MD2 Vout (kV) | Ratio Error ε (%) | Input Voltage Vin (kV) | Meas. Voltage kr−MD3 Vout (kV) | Ratio Error ε (%) |
| 13.92 | 13.90 | −0.15 | 13.16 | 13.16 | 0.03 | 13.46 | 13.49 | 0.17 |
| 20.20 | 20.19 | −0.03 | 20.69 | 20.75 | 0.29 | 20.72 | 20.69 | −0.13 |
| 28.09 | 28.01 | −0.28 | 28.61 | 28.69 | 0.26 | 27.82 | 27.82 | 0.02 |
| 35.80 | 35.91 | 0.29 | 34.58 | 34.48 | −0.28 | 35.19 | 35.30 | 0.33 |
| 41.31 | 41.43 | 0.28 | 41.31 | 41.20 | −0.26 | 41.31 | 41.38 | 0.16 |
| 47.12 | 47.08 | −0.08 | 47.43 | 47.50 | 0.15 | 47.43 | 47.59 | 0.34 |
| 53.55 | 53.65 | 0.19 | 55.39 | 55.30 | −0.16 | 54.47 | 54.37 | −0.18 |
| 60.59 | 60.50 | −0.15 | 62.12 | 62.02 | −0.16 | 62.42 | 62.14 | −0.46 |
| 67.63 | 67.62 | 0.00 | 68.54 | 68.60 | 0.08 | 68.85 | 68.63 | −0.32 |
| 76.19 | 76.15 | −0.06 | 76.50 | 76.54 | 0.05 | 76.19 | 76.26 | 0.08 |
| Param. Set No. | CCA (pF) | CAC (pF) | C1A (pF) | C1B (pF) | C1C (pF) | CBA (pF) | CAB (pF) | CCB (pF) | CBC (pF) |
|---|---|---|---|---|---|---|---|---|---|
| 1 | 0.000 | 0.018 | 0.476 | 0.473 | 0.452 | 0.121 | 0.121 | 0.121 | 0.121 |
| 2 | 0.050 | 0.068 | 0.526 | 0.523 | 0.502 | 0.171 | 0.171 | 0.171 | 0.171 |
| 3 | 0.100 | 0.118 | 0.576 | 0.573 | 0.552 | 0.221 | 0.221 | 0.221 | 0.221 |
| 4 | 0.150 | 0.168 | 0.626 | 0.623 | 0.602 | 0.271 | 0.271 | 0.271 | 0.271 |
| 5 | 0.200 | 0.218 | 0.676 | 0.673 | 0.652 | 0.321 | 0.321 | 0.321 | 0.321 |
| CCA (pF) | CAC (pF) | C1A (pF) | C1B (pF) | C1C (pF) | CBA (pF) | CAB (pF) | CCB (pF) | CBC (pF) |
|---|---|---|---|---|---|---|---|---|
| 0.061 | 0.079 | 0.537 | 0.534 | 0.513 | 0.182 | 0.182 | 0.182 | 0.182 |
| Line Energization (No. of Events) | Line De-Energization (No. of Events) | External Disturbance (No. of Events) | Total |
|---|---|---|---|
| 27 | 28 | 87 | 142 |
Disclaimer/Publisher’s Note: The statements, opinions and data contained in all publications are solely those of the individual author(s) and contributor(s) and not of MDPI and/or the editor(s). MDPI and/or the editor(s) disclaim responsibility for any injury to people or property resulting from any ideas, methods, instructions or products referred to in the content. |
© 2024 by the authors. Licensee MDPI, Basel, Switzerland. This article is an open access article distributed under the terms and conditions of the Creative Commons Attribution (CC BY) license (https://creativecommons.org/licenses/by/4.0/).
Share and Cite
Probst, F.L.; Beltle, M.; Tenbohlen, S. Measurement of Transient Overvoltages by Capacitive Electric Field Sensors. Sensors 2024, 24, 1357. https://doi.org/10.3390/s24051357
Probst FL, Beltle M, Tenbohlen S. Measurement of Transient Overvoltages by Capacitive Electric Field Sensors. Sensors. 2024; 24(5):1357. https://doi.org/10.3390/s24051357
Chicago/Turabian StyleProbst, Felipe L., Michael Beltle, and Stefan Tenbohlen. 2024. "Measurement of Transient Overvoltages by Capacitive Electric Field Sensors" Sensors 24, no. 5: 1357. https://doi.org/10.3390/s24051357
APA StyleProbst, F. L., Beltle, M., & Tenbohlen, S. (2024). Measurement of Transient Overvoltages by Capacitive Electric Field Sensors. Sensors, 24(5), 1357. https://doi.org/10.3390/s24051357

