A Joint Active Damping Strategy Based on LCL-Type Grid-Connected Inverters for Grid Current Feedback and PCC Voltage Unit Feedforward
Abstract
1. Introduction
2. Performance Analysis of PCC Voltage Unit Feedforward and GCF Damping Methods
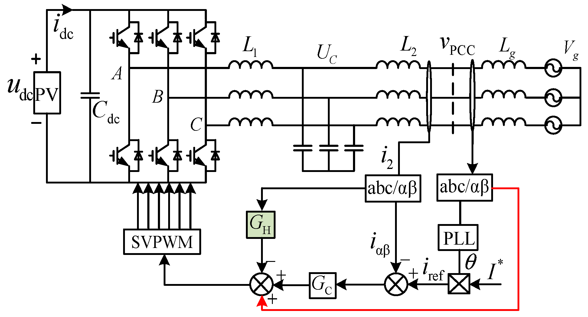
2.1. System Description
2.2. Active Damping Method
2.3. NFGCF Damping and PCC Voltage Feedforward Damping
3. Joint Active Damping
3.1. Damping Characteristics of Joint Active Damping
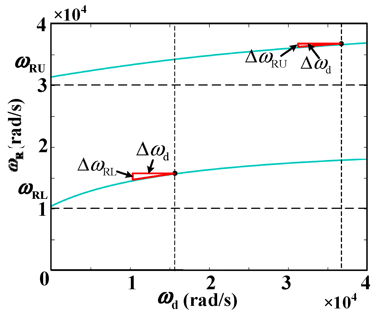
3.2. Arch on PVR
- When Lg = 0, only RNFGCF contributes to damping, with a PVR of (ωRL, ωRU). ωRL exceeds ωs/6 but falls below ωs/3, while ωRU exceeds the Nyquist frequency ωs/2.
- When Lg > 0, RNFGCF and RPCC provide damping. With rising KC and Lg, the upper and lower boundaries of the DDR shift downward. When KC approaches zero, RNFGCF has minimal impact, and RPCC operates independently, leading to a DDR of (0, ωs/3) (Figure 8b).
- From Figure 8a,b, when KC remains constant, ωr′ decreases monotonically with varying Lg. When KC = −40, ωr′ consistently falls within the DDR. However, when KC = −10, as Lg increases, a portion of the ωr′(Lg) curve exceeds the DDR, indicating an inappropriate KC selection.
3.3. Parameter Design
3.4. Design Program
- Given ωc and PM, the appropriate controller parameters KP and Kr are determined.
- Based on the specified GM1, GM2, and selected KP, Equations (24)–(28) are used to determine the achievable range of Kc for varying Lg.
- The KC value from the value range available is chosen to ensure robust control of the system. If stringent requirements for GM1, GM2, and PM exist and there is no robust range of KC, the design steps are executed from scratch by adjusting ωc and PM.
- A suitable KC is selected to validate the efficacy of the proposed method.
4. Simulation and Experimental Verification
4.1. Simulation Results
4.2. Experimental Results
5. Conclusions
Author Contributions
Funding
Institutional Review Board Statement
Informed Consent Statement
Data Availability Statement
Conflicts of Interest
References
- Kang, J.; Yang, S.; Xia, W.; Wang, S. An improved deadbeat control strategy for photovoltaic grid-connected inverter based on unipolar & frequency multiplication SPWM and its implementation. In Proceedings of the 2014 IEEE International Power Electronics and Application Conference and Exposition (PEAC), Shanghai, China, 5–8 November 2014; pp. 654–657. [Google Scholar]
- Blaabjerg, F.; Teodorescu, R.; Liserre, M.; Timbus, A.V. Overview of control and grid synchronization for distributed power generation systems. IEEE Trans. Ind. Electron. 2006, 53, 1398–1409. [Google Scholar] [CrossRef]
- Gabe, I.J.; Montagner, V.F.; Pinheiro, H. Design and implementation of a robust current controller for VSI connected to the grid through an LCL filter. IEEE Trans. Power Electron. 2009, 24, 1444–1452. [Google Scholar] [CrossRef]
- Zhang, X.; Tan, L.; Xian, J.; Zhang, H.; Ma, Z.; Kang, J. Direct grid-side current model predictive control for grid-connected inverter with LCL filter. IET Power Electron. 2018, 11, 2450–2460. [Google Scholar] [CrossRef]
- Xue, C.; Zhou, D.; Li, Y. Hybrid Model Predictive Current and Voltage Control for LCL-Filtered Grid-Connected Inverter. IEEE J. Emerg. Sel. Top. Power Electron. 2021, 9, 5747–5760. [Google Scholar] [CrossRef]
- Liu, X.; Qi, Y.; Tang, Y.; Guan, Y.; Wang, P.; Blaabjerg, F. Unified Active Damping Control Algorithm of Inverter for LCL Resonance and Mechanical Torsional Vibration Suppression. IEEE Trans. Ind. Electron. 2022, 69, 6611–6623. [Google Scholar] [CrossRef]
- Stojic, D.M.; Sekara, T.B. Digital Resonant Current Controller for LCL-Filtered Inverter Based on Modified Current Sampling and Delay Modeling. IEEE J. Emerg. Sel. Top. Power Electron. 2022, 10, 7109–7119. [Google Scholar] [CrossRef]
- Rodriguez-Diaz, E.; Freijedo, F.D.; Guerrero, J.M.; Marrero-Sosa, J.-A.; Dujic, D. Input-admittance passivity compliance for grid-connected converters with an LCL filter. IEEE Trans. Ind. Electron. 2019, 66, 1089–1097. [Google Scholar] [CrossRef]
- Wu, T.-F.; Chiu, J.-Y.; Chang, Y.-H.; Wu, H.-Y.; Lin, K.-C.; Liu, Y.-T. Inductor-Volume Comparison for 3Φ3W LCL Converter with Direct Digital Control and Different Filter-Inductance Drop-Rates. IEEE Trans. Ind. Appl. 2023, 59, 6220–6231. [Google Scholar] [CrossRef]
- Lu, M.; Wang, X.; Loh, P.C.; Blaabjerg, F. Resonance interaction of multiparallel grid-connected inverters with LCL filter. IEEE Trans. Power Electron. 2017, 32, 894–899. [Google Scholar] [CrossRef]
- Tang, Y.; Loh, P.C.; Wang, P.; Choo, F.H.; Gao, F.; Blaabjerg, F. Generalized design of high performance shunt active power filter with output LCL filter. IEEE Trans. Ind. Electron. 2012, 59, 1443–1452. [Google Scholar] [CrossRef]
- Rodriguez-Diaz, E.; Freijedo, F.D.; Vasquez, J.C.; Guerrero, J.M. Analysis and Comparison of Notch Filter and Capacitor Voltage Feedforward Active Damping Techniques for LCL Grid-Connected Converters. IEEE Trans. Power Electron. 2019, 34, 3958–3972. [Google Scholar] [CrossRef]
- Chen, W.; Zhang, Y.; Tu, Y.; Guan, Y.; Shen, K.; Liu, J. Unified Active Damping Strategy Based on Generalized Virtual Impedance in LCL-Type Grid-Connected Inverter. IEEE Trans. Ind. Electron. 2023, 70, 8129–8139. [Google Scholar] [CrossRef]
- Kim, S.-K.; Ahn, C.K. Proportional-Derivative Voltage Control with Active Damping for DC/DC Boost Converters via Current Sensorless Approach. IEEE Trans. Circuits Syst. II Express Briefs 2021, 68, 737–741. [Google Scholar] [CrossRef]
- Azghandi, L.A.; Barakati, S.M.; Yazdani, A. Impedance-Based Stability Analysis and Design of a Fractional-Order Active Damper for Grid-Connected Current-Source Inverters. IEEE Trans. Sustain. Energy 2021, 12, 599–611. [Google Scholar] [CrossRef]
- Yang, T.; Wang, Q.; Xie, Z.; Zhang, X.; Chang, L. Digital Current Controller with a Novel Active Damping Design for IPMSM. IEEE Trans. Energy Convers. 2022, 37, 185–197. [Google Scholar] [CrossRef]
- Liston, R.A.; Carati, E.G.; Cardoso, R.; da Costa, J.P.; de Oliveira Stein, C.M. A Robust Design of Active Damping with a Current Estimator for Single-Phase Grid-Tied Inverters. IEEE Trans. Ind. Appl. 2018, 54, 4672–4681. [Google Scholar] [CrossRef]
- Chen, W.; Zhang, Y.; Tu, Y.; Shen, K.; Liu, J. Active Damping Control for LCL Filters with Inverter-Side Current Feedback Only. IEEE Trans. Power Electron. 2022, 37, 10065–10069. [Google Scholar] [CrossRef]
- Liu, T.; Liu, J.; Liu, Z.; Liu, Z. A study of virtual resistor-based active damping alternatives for LCL resonance in grid-connected voltage source inverters. IEEE Trans. Power Electron. 2020, 35, 247–262. [Google Scholar] [CrossRef]
- Miao, Z.; Yao, W.; Lu, Z. Single-cycle-lag compensator-based active damping for digitally controlled LCL/LLCL-type grid-connected inverters. IEEE Trans. Ind. Electron. 2020, 67, 1980–1990. [Google Scholar] [CrossRef]
- Zhang, H.; Wang, X.; He, Y.; Pan, D.; Ruan, X. A Compensation Method to Eliminate the Impact of Time Delay on Capacitor-Current Active Damping. IEEE Trans. Ind. Electron. 2022, 69, 7512–7516. [Google Scholar] [CrossRef]
- Yao, W.; Yang, Y.; Xu, Y.; Blaabjerg, F.; Liu, S.; Wilson, G. Phase reshaping via all-pass filters for robust LCL-filter active damping. IEEE Trans. Power Electron. 2020, 35, 3114–3126. [Google Scholar] [CrossRef]
- Geng, Y.; Song, X.; Zhang, X.; Yang, K.; Liu, H. Stability Analysis and Key Parameters Design for Grid-Connected Current-Source Inverter with Capacitor-Voltage Feedback Active Damping. IEEE Trans. Power Electron. 2021, 36, 7097–7111. [Google Scholar] [CrossRef]
- Yang, S.; Yin, Z.; Tong, C.; Sui, Y.; Zheng, P. Active Damping Current Control for Current-Source Inverter-Based PMSM Drives. IEEE Trans. Ind. Electron. 2023, 70, 3549–3560. [Google Scholar] [CrossRef]
- Li, S.; Lin, H. A Capacitor-Current-Feedback Positive Active Damping Control Strategy for LCL-Type Grid-Connected Inverter to Achieve High Robustness. IEEE Trans. Power Electron. 2022, 37, 6462–6474. [Google Scholar] [CrossRef]
- Xia, W.; Kang, J. Stability of LCL-filtered grid-connected inverters with capacitor current feedback active damping considering controller time delays. J. Mod. Power Syst. Clean Energy 2017, 5, 584–598. [Google Scholar] [CrossRef]
- Chen, H.-C.; Cheng, P.-T.; Wang, X.; Blaabjerg, F. A passivity-based stability analysis of the active damping technique in the offshore wind farm applications. IEEE Trans. Ind. Appl. 2018, 54, 5074–5082. [Google Scholar] [CrossRef]
- He, J.; Li, Y.W. Generalized closed-loop control schemes with embedded virtual impedances for voltage source converters with LC or LCL filters. IEEE Trans. Power Electron. 2012, 27, 1850–1861. [Google Scholar] [CrossRef]
- He, Y.; Wang, X.; Ruan, X.; Pan, D.; Xu, X.; Liu, F. Capacitor-current proportional-integral positive feedback active damping for LCL-type grid-connected inverter to achieve high robustness against grid impedance variation. IEEE Trans. Power Electron. 2019, 34, 12423–12436. [Google Scholar] [CrossRef]
- Xu, J.; Xie, S.; Tang, T. Active damping-based control for grid-connected LCL-filtered inverter with injected grid current feedback only. IEEE Trans. Ind. Electron. 2014, 61, 4746–4758. [Google Scholar] [CrossRef]
- Geng, Y.; Qi, Y.; Dong, W.; Deng, R. An active damping method with improved grid current feedback. Proc. CSEE 2018, 38, 5557–5567. [Google Scholar] [CrossRef]
- Li, X.; Fang, J.; Tang, Y.; Wu, X. Robust design of LCL filters for single-current-loop-controlled grid-connected power converters with unit PCC voltage feedforward. IEEE J. Emerg. Sel. Top. Power Electron. 2017, 6, 54–72. [Google Scholar] [CrossRef]
- Lu, M.; Al-Durra, A.; Muyeen, S.M.; Leng, S.; Loh, P.C.; Blaabjerg, F. Benchmarking of stability and robustness against grid impedance variation for LCL-filtered grid-interfacing inverters. IEEE Trans. Power Electron. 2018, 33, 9033–9046. [Google Scholar] [CrossRef]
- Wang, J.; Song, Y.; Monti, A. A study of feedforward control on stability of grid-parallel inverter with various grid impedance. In Proceedings of the 2014 IEEE 5th International Symposium on Power Electronics for Distributed Generation Systems (PEDG), Galway, Ireland, 24–27 June 2014; pp. 1–8. [Google Scholar]
- Lu, M.; Wang, X.; Blaabjerg, F.; Muyeen, S.; Al-Durra, A.; Leng, S. Grid-voltage-feedforward active damping for grid-connected inverter with LCL filter. In Proceedings of the 2016 IEEE Applied Power Electronics Conference and Exposition (APEC), Long Beach, CA, USA, 20–24 March 2016; pp. 1941–1946. [Google Scholar]
- Holmes, D.G.; Lipo, T.A.; McGrath, B.P.; Kong, W.Y. Optimized design of stationary frame three phase AC current regulators. IEEE Trans. Power Electron. 2009, 24, 2417–2426. [Google Scholar] [CrossRef]
- He, Y.; Wang, X.; Ruan, X.; Pan, D.; Qin, K. Hybrid active damping combining capacitor current feedback and point of common coupling voltage feedforward for LCL-type grid-connected inverter. IEEE Trans. Power Electron. 2021, 36, 2373–2383. [Google Scholar] [CrossRef]
- Goodwin, G.C.; Graebe, S.F.; Salgado, M.E. Control System Design; Prentice-Hall: Upper Saddle River, NJ, USA, 2000. [Google Scholar]
- Yepes, A.G.; Vidal, A.; Malvar, J.; Lopez, O.; Doval-Gandoy, J. Tuning method aimed at optimized settling time and overshoot for synchronous proportional-integral current control in electric machines. IEEE Trans. Power Electron. 2014, 29, 3041–3054. [Google Scholar] [CrossRef]
- IEEE 519-2014; IEEE Recommended Practice and Requirements for Harmonic Control in Electric Power Systems. IEEE Standards Association: Piscataway, NJ, USA, 2014.




















| Parameter | Value | Parameter | Value |
|---|---|---|---|
| Grid voltage Vg | 110 V | Inverter-side inductor L1 | 0.6 mH |
| Input voltage Vin | 400 V | Grid-side inductor L2 | 0.3 mH |
| Switching frequency fsw | 10 kHz | Filter capacitor C | 10 μF |
| Sampling frequency fs | 10 kHz | LCL resonance frequency fr | 3.6 kHz |
Disclaimer/Publisher’s Note: The statements, opinions and data contained in all publications are solely those of the individual author(s) and contributor(s) and not of MDPI and/or the editor(s). MDPI and/or the editor(s) disclaim responsibility for any injury to people or property resulting from any ideas, methods, instructions or products referred to in the content. |
© 2024 by the authors. Licensee MDPI, Basel, Switzerland. This article is an open access article distributed under the terms and conditions of the Creative Commons Attribution (CC BY) license (https://creativecommons.org/licenses/by/4.0/).
Share and Cite
Ke, S.; Liang, B. A Joint Active Damping Strategy Based on LCL-Type Grid-Connected Inverters for Grid Current Feedback and PCC Voltage Unit Feedforward. Sensors 2024, 24, 6029. https://doi.org/10.3390/s24186029
Ke S, Liang B. A Joint Active Damping Strategy Based on LCL-Type Grid-Connected Inverters for Grid Current Feedback and PCC Voltage Unit Feedforward. Sensors. 2024; 24(18):6029. https://doi.org/10.3390/s24186029
Chicago/Turabian StyleKe, Shanwen, and Bo Liang. 2024. "A Joint Active Damping Strategy Based on LCL-Type Grid-Connected Inverters for Grid Current Feedback and PCC Voltage Unit Feedforward" Sensors 24, no. 18: 6029. https://doi.org/10.3390/s24186029
APA StyleKe, S., & Liang, B. (2024). A Joint Active Damping Strategy Based on LCL-Type Grid-Connected Inverters for Grid Current Feedback and PCC Voltage Unit Feedforward. Sensors, 24(18), 6029. https://doi.org/10.3390/s24186029

