Abstract
This paper presents a new multiple-input single-output voltage-mode universal filter employing four multiple-input operational transconductance amplifiers (MI-OTAs) and three grounded capacitors suitable for low-voltage low-frequency applications. The quality factor (Q) of the filter functions can be tuned by both the capacitance ratio and the transconductance ratio. The multiple inputs of the OTA are realized using the bulk-driven multiple-input MOS transistor technique. The MI-OTA-based filter can also offer many filtering functions without additional circuitry requirements, such as an inverting amplifier to generate an inverted input signal. The proposed filter can simultaneously realize low-pass, high-pass, band-pass, band-stop, and all-pass responses, covering both non-inverting and inverting transfer functions in a single topology. The natural frequency and the quality factors of all the filtering functions can be controlled independently. The natural frequency can also be electronically controlled by tuning the transconductances of the OTAs. The proposed filter uses a 1 V supply voltage, consumes 120 μW of power for a 5 μA setting current, offers 40 dB of dynamic range and has a third intermodulation distortion of −43.6 dB. The performances of the proposed circuit were simulated using a 0.18 μm TSMC CMOS process in the Cadence Virtuoso System Design Platform to confirm the performance of the topology.
1. Introduction
An operational transconductance amplifier (OTA) is a voltage-controlled current source that offers numerous advantages in circuit design, such as providing electronic tuning capability, easy implementation of the OTA structure, and the powerful ability to realize various applications. In addition, OTA-based circuits are usually absent from resistor requirements, making them suitable for integrated circuit (IC) implementation [1,2].
Biquad filters are very useful blocks for applications in measurement, communication, and control systems. From the general form of second-order filter functions [3], there are five frequency responses that are possible to obtain, namely low-pass filter (LPF), high-pass filter (HPF), band-pass filter (BPF), band-stop filter (BSF), and all-pass filter (APF). These are the so-called five standard filtering functions. A biquad filter can be used to realize high-order filters by cascading multiple first-order and second-order sections, as used in phase-lock loops (PLL) for loop filtering (usually an LP filter), FM stereo demodulators (usually LP and BP filters), and crossover networks in three-way high fidelity (usually LP, BP, and HP filters) [3]. A filter that can provide several second-order filters in a single topology is classified as a universal filter. There are many universal filters available in the literature using varying active devices, such as second-generation current conveyors (CCIIs) [4,5,6] and current feedback operational amplifiers (CFOAs) [7,8,9]. Unfortunately, these filters lack electronic tuning capabilities, which is important when parameters such as the natural frequency and quality factor deviate by process–voltage–temperature (PVT) variations. Some universal filters that offer the possibility of electronic tuning and minimal active elements have been introduced by using the voltage differencing inverting buffered amplifier (VDIBA) [10,11] and inverters [12]. However, these filters supply the input signals through capacitors, and therefore, an additional buffer circuit is required, and these capacitors become floating.
This work is focused on a universal filter with electronic tuning capability that utilizes an operational transconductance amplifier (OTA) as the active element. There are many universal filters using OTAs as active elements available in the literature; for example, see [13,14,15,16,17,18,19,20,21,22,23,24,25,26,27,28,29,30,31,32,33,34,35,36,37,38,39,40,41,42,43,44,45,46,47,48,49]. The circuits in [13,14,15,16] are current-mode filters, the circuits in [17,18,19,20,21,22,23,24,25,26,27,28,29,30,31,32,33,34,35] are voltage-mode filters, and the circuits in [35,36,37,38,39,40,41,42] are mixed-mode filters. Considering the input and output terminals, the circuits in [17,18,19,20,21,22,39] are single-input multiple-output (SIMO) filters, the circuits in [15,16,23,24,25,26,27,28,29,40,41] are multiple-input single-output (MISO) filters, and the circuits in [13,14,30,31,32,33,34,35,36,37,38,42] are multiple-input multiple-output (MIMO) filters. Compared with SIMO filters, MISO and MIMO filters usually employ fewer active devices because the variant filtering functions of these filters can be obtained by appropriately selecting the input and/or output terminals. This work is focused on utilizing the MISO filter so that parameters such as the natural frequency and the quality factor can be electronically and independently controlled. Considering the MIMO and MISO filters in [13,14,15,16,23,24,25,26,27,28,29,30,31,32,33,34,35,36,37,38,40,41,42], these filters suffer from some drawbacks:
- (i)
- They require additional circuits at the input, such as a SIMO current follower circuit [13,14,15,16].
- (ii)
- They use a floating capacitor or floating resistor [23,28,31,32].
- (iii)
- They do not provide the non-inverting and inverting transfer functions of LP, HP, BP, BS, and AP filters [23,24,25,26,27,28,29,30,31,32,33,34,35,36,37,38,40,41].
- (iv)
- They do not provide independent tunable control of the natural frequency and the quality factor [23,24,25,27,29,30,31,32,33,38,40,41].
- (v)
- They require inverted input signals to obtain some transfer functions [24,31,37,38].
It should be noted that these universal filters are not designed for low-voltage low-power signal-processing applications. Nowadays, low-voltage low-power filters are required for biomedical applications, such as biosensors [3]. Universal filters using OTAs operating with a low supply voltage and with low power consumption are available in the literature [42,43,44,45,46,47]. However, these configurations cannot benefit from independent and electronic control of the quality factor and the natural frequency and cannot provide a high-quality (high-Q) filter. In modern applications, high-Q filters are strictly desirable for processing weak signals, such as the detection, measurement, and quantification of biomedical signals [48,49]. The bio-signal has the attributes of a low amplitude and a low frequency (≤10 kHz).
This paper presents a low-voltage low-power universal biquadratic filter that allows the natural frequency and quality factor to be independently and electronically controlled. A high-Q filter can also be obtained. The filter is realized using multiple-input operational transconductance amplifiers (MI-OTAs). In the filter’s input differential stage, the MI-OTAs are realized using the multiple-input MOS transistor technique (MI-MOST), which obtains a minimal differential pair and minimal power consumption. Using an MI-OTA-based filter shows that both the non-inverting and the inverting transfer functions of LP, HP, BP, BS, and AP filters can be obtained without inverted input signals. The proposed filter uses a 1 V supply voltage and 120 μW of power consumption for a 5 μA setting current. The filter was designed and simulated in the Cadence Virtuoso environment using 0.18 μm TSMC CMOS technology.
2. Circuit Description
2.1. Multiple-Input OTA
The multiple-input OTA is used to realize the filter application. Its circuit symbol is shown in Figure 1. Ideally, the transfer characteristic of this OTA is given by the following equation:
where is the output current, and is the small-signal transconductance. Note that the circuit in the general case has n non-inverting and n inverting inputs; thus, its input voltage can be considered as the difference of two sums of voltages applied to the non-inverting and inverting inputs, respectively.
Figure 1.
Electrical symbol of the MI-OTA.
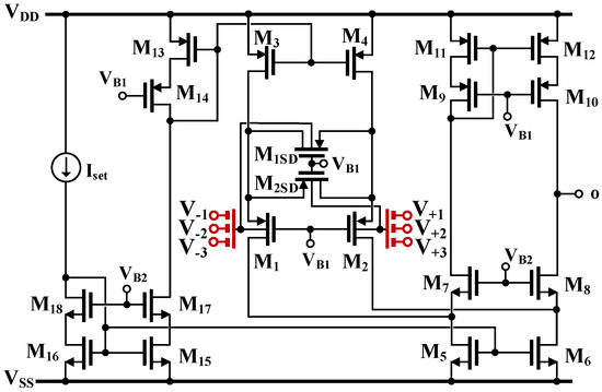
The transistor-level schematic of the OTA proposed in this work with n = 3 is shown in Figure 2. The circuit consists of an OTA with folded-cascode topology with a linearized input stage consisting of the transistors M1–M2 and M1SD, M2SD, and biased by the current sinks M3 and M4. The transistors M13–M18 were used for biasing. The multiple inputs were realized in a simple way by adding a capacitive voltage divider to the transistors M1 and M2, thus creating a multiple-input device, as shown in Figure 3. The input capacitors CBi were bypassed by large RMOSi resistances, which were realized as an anti-parallel connection of MOS transistors operating in a cutoff region. The large resistances provided the DC biasing of the M1 and M2 gates.
Figure 2.
CMOS realization of the MI-OTA using the MIBD-MOST technique.
Figure 3.
The MIBD-MOST technique: (a) symbol, (b) realization, and (c) RMOS realization.
The linearization technique used in this work is similar to the technique with gate-driven input stages operating in strong inversion introduced in [50]. However, in this work, the bulk-driven devices operating in weak inversion were applied to the proposed structure. Operation in weak inversion generally leads to a narrower linear range compared to the strong inversion version of the circuit. On the contrary, the use of bulk-driven terminals extends the linear range compared to the gate-driven realization. Moreover, the input capacitive divider further extends the linear range. The result is the relatively large linear range of the OTA, even for weakly inverted devices biased with very low currents. A similar input stage was first described and verified experimentally in [51,52]. The M1SD and M2SD transistors operate in a triode region, introducing negative feedback to the input pair M1 and M2. Controlling their characteristics by the signals seen at the gates of the main transistors of the pair M1 and M2 further improves the linearity of the input stage [51].
Assuming that all the capacitances CBi are identical, the small-signal transconductance of the OTA is given by:
where is the bulk to gate transconductance ratio at the operating point, n is the number of input terminals, np is the subthreshold slope factor for the p-channel transistors, UT is the thermal potential, Iset is the biasing current and k is the ratio of aspect ratios of the triode-region transistors M1SD, M2SD and the main transistors of the input pair M1 and M2:
Note that the best linearity performance is obtained for k = 0.5 [51]. In such a case, the circuit transconductance can be expressed as:
The use of an input capacitive divider and bulk-driven devices extends the linear range of the OTA, but on the other hand, it increases the input noise and decreases the voltage gain. For instance, with and 3 inputs, the circuit transconductance is lowered 9 times as compared to a gate-driven input pair. Consequently, the low-frequency voltage gain of the circuit is decreased by around 19 dB. To counteract this effect, we applied a cascode high-impedance output stage, composed of the transistors M5–M12. With the applied output stage, the low-frequency gain of the OTA can be approximated as:
Consequently, this gain is improved by the factor of (intrinsic voltage gain of an MOS transistor), which for the applied technology and operating point exceeds 30 dB.
As was already mentioned, the applied technique increases the linear range of the OTA. On the other hand, however, it increases its input noise due to signal attenuation. Since the input noise is increased in the same proportion, the dynamic range (DR) of the OTA remains unchanged and is equal to the DR of the GD OTA with a single differential input and the applied linearization technique. Nevertheless, the larger linear range allows for avoiding hard nonlinearities for the large voltage swings and VDD, as applied in the considered design.
2.2. Proposed Tunable High-Q Voltage-Mode Universal Filter
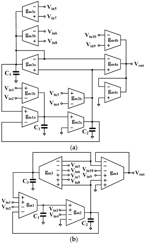
Figure 4 shows the proposed tunable high-Q voltage-mode universal filter using OTAs. Figure 4a shows the proposed voltage-mode universal filter using conventional OTAs and Figure 4b shows the proposed voltage-mode universal filter using MI-OTAs. It should be noted from Figure 4a,b that the universal filter using MI-OTAs has a significantly reduced number of OTAs (10 OTAs vs. 4 MI-OTAs). The input terminals of the universal filter in Figure 4b are connected to the high-input impedance of the OTA; thus, the proposed universal filter offers high input impedance, which is ideal for voltage-mode circuits. The output impedance can be given by .
Figure 4.
Proposed tunable high-Q voltage-mode universal filter using (a) conventional OTAs and (b) MI-OTAs.
Letting , , , , and using nodal analysis, the output voltage of Figure 4a,b can be given by:
where .
The variant filtering functions are shown in Table 1. It should be noted that the variant non-inverting and inverting transfer functions of the LPF, BPF, HPF, BSF, and APF can be obtained without inverted input signal requirements. For the BPF, if the input signals are Vin3 and Vin4, varying the quality factor will increase the gain of the transfer functions. Conversely, if the input signals are Vin5 or Vin6 and Vin7 or Vin8, varying the quality factor will not affect the gain of the transfer functions.
Table 1.
Obtaining the variant filtering functions of the proposed universal filter.
Letting Vin7 = Vin8 = Vin9 = Vin, Vout = VAP+, the transfer function of the non-inverting APF can be expressed as in (7), and letting Vin5 = Vin6 = Vin10 = Vin, Vout = VAP−, the transfer function of the inverting APF can be expressed as in (8).
These transfer functions can be used to express the magnitudes and phase responses of APFs.
The natural frequency () and the quality factor (Q) can be given by:
The parameter can be controlled electronically by and and the parameter Q can be controlled by and/or . If is used as a parameter, and could be constant ( = ), and if is used as a parameter, and could be constant (). Thus, the parameter Q can be tuned by varying the values of the capacitance and resistance.
2.3. Effects of the Nonidealities of the MI-OTA
Figure 5 shows the nonideal model of the OTA [53]. There are three components that have been considered: (i) the input capacitances C+, C−, and input resistances R+, R−; (ii) the output capacitance Co and output resistance Ro (or conductance ); and (iii) the frequency-dependent transconductance .
Figure 5.
Nonideal structure of the OTA.
The frequency-dependence of () can be approximated [54] as:
where and denotes the second pole of the OTA.
The first consideration can be rewritten by using (9) and the denominator of (6) as:
It can be seen that the parasitic poles () of the i-th OTA affect the filter performance. The influence of the parasitic pole can be neglected if the following conditions are met:
Next, the parasitic capacitances and resistances (or conductance) have been considered by letting the transconductance be ideal. Considering Figure 4b, the values of the capacitors C1, C2, and C3 can be represented, respectively, by , , and , where , , and , where is the output capacitance of the j-th , and and are the input capacitances of the j-th (j = 1, 2, 3, 4).
When the parasitic resistances are considered, the capacitors , , and are expressed, respectively, by , , and , where , , , where Roj is the output resistance of the j-th , R+j and R−j are the input resistances of the j-th (j = 1, 2, 3, 4).
The parasitic effects on the natural frequency and the quality factor of the proposed universal filter can be avoided by choosing:
3. Simulation Results
The proposed MI-OTA and the filter application were simulated in the Cadence Virtuoso System Design Platform using the 0.18 μm CMOS technology from TSMC (Taiwan Semiconductor Manufacturing Company, Taiwan). The aspect ratio of the MOS transistors of the MI-OTA in Figure 1 is listed in Table 2. The voltage supply was 1 V (VDD = −VSS = 0.5 V). The proposed MI-OTA consumed 30 μW for a 5 μA setting current.
Table 2.
Parameters of the components of the MI-OTA.
The parasitic impedances of the MI-OTA are shown in Figure 6, where R+,− = 42 GΩ, C+,− = 0.25 pF for the input terminal, and Ro = 32.4 MΩ, Co = 52.8 fF for the output terminal.
Figure 6.
The parasitic impedances of the MI-OTA.
To obtain the dynamic characteristic of the MI-OTA, a sine wave of 1 kHz was applied to the input of the OTA. The extended linearity of the MI-OTA with various setting currents Iset = (2.5, 5, 10, 20) μA is shown in Figure 7a. The transconductance AC characteristic of the MI-OTA with various setting currents Iset = (2.5, 5, 10, 20) μA is shown in Figure 7b. The transconductance was (2.9, 4.9, 7.9, 12.6) μS, respectively. The transconductance AC characteristic with Iset = 5 μA was repeated for the Monte Carlo (MC) analysis with 200 runs and process, voltage, and temperature (PVT) corners, as shown in Figure 8.
Figure 7.
The Io versus Vin (a) and the transconductance AC characteristic (b) with different setting currents.
Figure 8.
The transconductance AC characteristic of the MI-OTA: (a) MC, (b) process, (c) voltage and (d) temperature corners.
The process corners of the transistor were fast–fast, fast–slow, slow–fast, and slow–slow. For the input MIM capacitor CB, they were fast–fast and slow–slow. The voltage corners were VDD ± 10%, and the temperature corners were −30 °C and 70 °C. The MC showed min. 4.5 μS and max. 5.4 μS. The process corners showed min. 4.91 μS and max. 5 μS. The temperature corners showed min. 4.66 μS and max. 5.36 μS. The voltage corners showed min. 4.94 μS and max. 4.97 μS. All the transconductance variations were in the acceptable range. The frequency and phase characteristics of the filter with Iset1–4 = 5 μA and C1–3 = 100 pF are shown in Figure 9. The cutoff frequency was 7.85 kHz. The simulation of the LPF was repeated with MC and PVT corners analyses, as shown in Figure 10. While the curves for the PVT overlapped, for the MC, the gain variation at low frequencies was in the range of −3.1 dB to 1.6 dB and the cutoff frequency variation was in the range of 0.72 kHz to 9.3 kHz, which can be realigned by adjusting the setting current.

Figure 9.
The frequency and phase characteristics of the filter.
Figure 10.
The frequency characteristics of the LP filter with (a) MC analysis and (b) PVT corners.
To demonstrate the tuning capability of the Q, Figure 11 shows the frequency characteristics of the BPF with: (a) Iset1–4 = 5 μA, C1,2 = 100 pF and tuning C3 = (25, 50, 100, 200, 400, 800) pF and (b) with Iset1,2,4 = 5 μA, C1–3 = 100 pF and tuning Iset3 = (0.3125, 0.625, 1.25, 2.5, 5, 10) μA. To demonstrate the tuning capability of the ω, Figure 12 shows the frequency characteristics of the BPF with C1–3 = 100 pF and tuning Iset = Iset1–4 = (0.3125, 0.625, 1.25, 2.5, 5, 10) μA. The natural frequency was (0.767, 1.44, 2.63, 4.62, 7.85, 12.7) kHz, respectively.
Figure 11.
The frequency characteristic of the BPF with different values for (a) the capacitor C3 and (b) the setting current Iset3.
Figure 12.
The frequency characteristic of the BPF with different Iset1–4.
To determine the third intermodulation distortion (IMD3) of the BPF, two closed tones were applied to the input of the BPF. Both tones were a sine wave with an amplitude of 25 mV but with different frequencies: 7.5 kHz and 8.2 kHz. The transient analyses of the input and output signal are shown in Figure 13a and the spectrum of the output signal is shown in Figure 13b. The IMD3 was −43.6 dB, which indicates a 0.66% THD.
Figure 13.
(a) The transient characteristic of the BPF and (b) the spectrum of the output signal.
The equivalent output noise is shown in Figure 14. The integrated noise in the filter bandwidth of 4.8 kHz to 12.5 kHz was 485.7 μV; hence, the dynamic range DR was calculated to be 40 dB for 1% IMD3.
Figure 14.
The output noise of the BPF.
The OTA-based universal filters in [16,34,41,45,46] were used as a comparison, as shown in Table 3. Compared with the filters in [16,34], which offer independent/electronic control of the ωo and Q as well as a high-Q filter, the proposed filter offers larger transfer functions that cover both the non-inverting and the inverting transfer functions of the LPF, HPF, BPF, BSF, and APF. Compared with the filters in [41,45,46], which provide sub-volt supply voltage, the proposed filter offers independent/electronic control of the ωo and Q and a high-Q filter. Compared with the filters in [16,34,41], the proposed filter offers low voltage and low power consumption.
Table 3.
Comparison of the properties of this work with those of high-Q universal filters.
4. Conclusions
In this paper, a new multiple-input single-output voltage-mode universal filter using MI-OTAs is proposed. In this filter, the pole-Q can be tuned by varying the capacitance and setting current. The natural frequency can also be electronically controlled. The proposed filter uses four MI-OTAs that its differential pair realizes using the multiple-input MOS transistor technique, which does not increase the power consumption of the OTA. This work shows that an MI-OTA-based filter with 10 transfer functions, namely the non-inverting and inverting transfer functions of the LPF, HPF, BPF, BSF, and APF, can be obtained without changing the circuit topology. The proposed filter is suitable for low-voltage-supply, low-power-consumption and low-frequency applications like the biomedical one, since it is capable of operating with a 1 V supply voltage and consumes 120 μW of power for a 5 μA setting current.
Author Contributions
Conceptualization, M.K., F.K. and T.K.; methodology, M.K., F.K. and T.K.; software, M.K. and F.K.; validation, M.K., F.K. and B.K.; formal analysis, M.K. and T.K.; investigation, M.K., F.K. and T.K.; resources, M.K.; data curation, M.K. and F.K.; writing—original draft preparation, M.K., F.K., T.K. and B.K.; writing—review and editing, M.K., F.K., T.K. and B.K.; visualization, M.K. and F.K.; supervision, M.K. and F.K.; project administration, M.K. and F.K.; funding acquisition, M.K. All authors have read and agreed to the published version of the manuscript.
Funding
This work was supported in part by the University of Defence within the Organization Development Project VAROPS.
Institutional Review Board Statement
Not applicable.
Informed Consent Statement
Not applicable.
Data Availability Statement
Data are contained within the article.
Conflicts of Interest
The authors declare no conflicts of interest.
Abbreviations
| MI-OTA | multiple-input operational transconductance amplifier |
| CCII | second-generation current conveyor |
| CFOA | current feedback operational amplifier |
| VDIBA | voltage differencing inverting buffered amplifier |
| SIMO | single-input multiple-output |
| MISO | multiple-input single-output |
| MIMO | multiple-input multiple-output |
| MOS | metal oxide semiconductor |
| MOST | metal oxide semiconductor transistor |
| CMOS | complementary metal oxide semiconductor |
| GD | gate-driven |
| MIBD | multiple-input bulk-driven |
| TSMC | Taiwan Semiconductor Manufacturing Company |
| VM | voltage-mode |
| CM | current-mode |
| MM | mixed-mode |
| LPF | low-pass filter |
| HPF | high-pass filter |
| BPF | band-pass filter |
| BSF | band-stop filter |
| APF | all-pass filter |
References
- Geiger, R.L.; Sánchez-Sinencio, E. Active Filter Design Using Operational Transconductance Amplifiers: A Tutorial. IEEE Circuits Devices Mag. 1985, 1, 20–32. [Google Scholar] [CrossRef]
- Mohan, P.V.A. Generation of OTA-C Filter Structures from Active RC Filter Structures. IEEE Trans. Circuits Syst. 1990, 37, 656–660. [Google Scholar] [CrossRef]
- Laoudias, C.; Psychalinos, C. Integrated Filters for Short Range Wireless and Biomedical Applications; Springer: Berlin/Heidelberg, Germany, 2012; pp. 8–9. [Google Scholar]
- Lee, C.-N. Fully Cascadable Mixed-Mode Universal Filter Biquad Using DDCCs and Grounded Passive Components. J. Circuits Syst. Comput. 2011, 20, 607–620. [Google Scholar] [CrossRef]
- Minaei, S.; Ibrahim, M.A. A Mixed-Mode KHN-Biquad Using DVCC and Grounded Passive Elements Suitable for Direct Cascading. Int. J. Circuit Theory Appl. 2008, 37, 793–810. [Google Scholar] [CrossRef]
- Alpaslan, H.; Yuce, E. DVCC+ Based Multifunction and Universal Filters with the High Input Impedance Features. Analog Integr. Circuits Signal Process. 2020, 103, 325–3351. [Google Scholar] [CrossRef]
- Yuce, E. Fully Integrable Mixed-Mode Universal Biquad with Specific Application of the CFOA. AEU-Int. J. Electron. Commun. 2010, 64, 304–309. [Google Scholar] [CrossRef]
- Bhaskar, D.R.; Raj, A.; Senani, R. Three New CFOA-Based SIMO-Type Universal Active Filter Configurations with Unrivalled Features. AEU-Int. J. Electron. Commun. 2022, 153, 154285. [Google Scholar] [CrossRef]
- Chen, H.-P.; Wey, I.-C.; Chen, L.-Y.; Wu, C.-Y.; Wang, S.-F. Design and Verification of a New Universal Active Filter Based on the Current Feedback Operational Amplifier and Commercial AD844 Integrated Circuit. Sensors 2023, 23, 8258. [Google Scholar] [CrossRef] [PubMed]
- Pushkar, K.L.; Bhaskar, D.R.; Prasad, D. Voltage-Mode New Universal Biquad Filter Configuration Using a Single VDIBA. Circuits Syst. Signal Process. 2014, 33, 275–285. [Google Scholar] [CrossRef]
- Herencsar, N.; Cicekoglu, O.; Sotner, R.; Koton, J.; Vrba, K. New Resistorless Tunable Voltage-Mode Universal Filter Using Single VDIBA. Analog Integr. Circuits Signal Process. 2013, 76, 251–260. [Google Scholar] [CrossRef]
- Masud, M.I.; A’ain, A.K.B.; Khan, I.A.; Shaikh-Husin, N. CNTFET based Voltage Mode MISO Active Only Biquadratic Filter for Multi-GHz Frequency Applications. Circuits Syst. Signal Process. 2021, 40, 4721–4740. [Google Scholar] [CrossRef]
- Sun, Y.; Fidler, J.K. Design of Current-Mode Multiple Output OTA and Capacitor Filters. Int. J. Electron. 1996, 81, 95–99. [Google Scholar] [CrossRef]
- Abuelma’atti, M.T.; Bentrcia, A. New Universal Current-Mode Multiple-Input Multiple-Output OTA-C Filter. In Proceedings of the 2004 IEEE Asia-Pacific Conference on Circuits and Systems, Tainan, Taiwan, 6–9 December 2004; pp. 1037–1040. [Google Scholar] [CrossRef]
- Bhanja, M.; Maity, I.; Roy, M.S.; Ray, B. A Novel Current-Mode Biquadratic OTA-C Filter. In Proceedings of the 2015 IEEE International WIE Conference on Electrical and Computer Engineering (WIECON-ECE), Dhaka, Bangladesh, 19–20 December 2015; pp. 378–381. [Google Scholar] [CrossRef]
- Prommee, P.; Pattanatadapong, T. Realization of Tunable Pole-Q Current-Mode OTA-C Universal Filter. Circuits Syst. Signal Process. 2010, 29, 913–924. [Google Scholar] [CrossRef]
- Horng, J.-W. Voltage-Mode Universal Biquadratic Filter with One Input and Five Outputs Using OTAs. Int. J. Electron. 2002, 89, 729–737. [Google Scholar] [CrossRef]
- Lee, W.-T.; Liao, Y.-Z. New Voltage-Mode High-Pass, Band-Pass, and Low-Pass Filter Using DDCC and OTAs. Int. J. Electron. Commun. 2008, 62, 701–704. [Google Scholar] [CrossRef]
- Singh, A.K.; Senani, R.; Bhaskar, D.R.; Sharma, R.K. A New Electronically-Tunable Active-Only Universal Biquad. J. Circuits Syst. Comput. 2011, 20, 549–555. [Google Scholar] [CrossRef]
- Pwint Wai, M.P.; Jaikla, W.; Suwanjan, P.; Sunthonkanokpong, W. Single Input Multiple Output Voltage Mode Universal Filters with Electronic Controllability Using Commercially Available ICs. In Proceedings of the 2020 17th International Conference on Electrical Engineering/Electronics, Computer, Telecommunications and Information Technology (ECTI-CON), Phuket, Thailand, 24–27 June 2020; pp. 607–610. [Google Scholar] [CrossRef]
- Lee, C.-N. High-Order Multiple-Mode and Transadmittance-Mode OTA-C Universal Filters. J. Circuits Syst. Comput. 2012, 21, 1250048. [Google Scholar] [CrossRef]
- Rani, N.; Kumar Ranjan, R.; Pal, R.; Paul, S.K. Programmable and Electronically Tunable Voltage-Mode Universal Biquadratic Filter Based on Simple CMOS OTA. In Proceedings of the 2016 3rd International Conference on Devices, Circuits and Systems (ICDCS), Coimbatore, India, 3–5 March 2016; pp. 58–62. [Google Scholar] [CrossRef]
- Horng, J.-W. High Input Impedance Voltage-Mode Universal Biquadratic Filter Using Two OTAs and One CCII. Int. J. Electron. 2003, 90, 183–191. [Google Scholar] [CrossRef]
- Raj, A.; Bhaskar, D.R.; Kumar, P. Multiple-Input Single-Output Universal Biquad Filter Using Single Output OTAs. In Proceedings of the 2018 2nd IEEE International Conference on Power Electronics, Intelligent Control and Energy Systems (ICPEICES), Delhi, India, 22–24 October 2018; pp. 1237–1240. [Google Scholar] [CrossRef]
- Klungtong, S.; Thanapatay, D. Voltage-Mode Universal Biquadratic Filter Using OTA and Uniform Distributed RC. In Proceedings of the 2013 13th International Symposium on Communications and Information Technologies (ISCIT), Surat Thani, Thailand; 2013; pp. 253–256. [Google Scholar] [CrossRef]
- Kumar, K.; Pal, K. Voltage Mode Multifunction OTA-C Biquad Filter. Microelectron. Int. 2006, 23, 24–27. [Google Scholar] [CrossRef]
- Psychalinos, C.; Kasimis, C.; Khateb, F. Multiple-Input Single-Output Universal Biquad Filter Using Single Output Operational Transconductance Amplifiers. AEU-Int. J. Electron. Commun. 2018, 93, 360–367. [Google Scholar] [CrossRef]
- Garradhi, K.; Hassen, N.; Ettaghzouti, T.; Besbes, K. Highly Linear Low Voltage Low Power OTA Using Source-Degeneration Technique and Universal Filter Application. In Proceedings of the 2015 27th International Conference on Microelectronics (ICM), Casablanca, Morocco, 20–23 December 2015; pp. 295–298. [Google Scholar] [CrossRef]
- Wang, S.-F.; Chen, H.-P.; Ku, Y.; Yang, C.-M. A Voltage-Mode Universal Filter Using Five Single-Ended OTAs with Two Grounded Capacitors and a Quadrature Oscillator Using the Voltage-Mode Universal Filter. Opt.-Int. J. Light Electron 2019, 192, 162950. [Google Scholar] [CrossRef]
- Tsukutani, T.; Sumi, Y.; Kinugasa, Y.; Higashimura, M.; Fukui, Y. Versatile Voltage-Mode Active-Only Biquad Circuits with Loss-Less and Lossy Integrators. Int. J. Electron. 2004, 91, 525–536. [Google Scholar] [CrossRef]
- Li, S.; Jiang, J.; Wang, J.; Gong, X.; Li, Q. Multiply Universal Filter Based CCCII and OTA Using Minimum Elements. In Proceedings of the 2010 International Conference on Electronic Devices, Systems and Applications, Kuala Lumpur, Malaysia, 1–14 April 2010; pp. 309–312. [Google Scholar] [CrossRef]
- Horng, J.-W. Voltage-Mode Universal Biquadratic Filter Using Two OTAs. Act. Passiv. Electron. Compon. 2004, 27, 835679. [Google Scholar] [CrossRef]
- Wang, S.-F.; Chen, H.-P.; Ku, Y.; Yang, C.-M. Independently Tunable Voltage-Mode OTA-C Biquadratic Filter with Five Inputs and Three Outputs and Its Fully-Uncoupled Quadrature Sinusoidal Oscillator Application. AEU-Int. J. Electron. Commun. 2019, 110, 152822. [Google Scholar] [CrossRef]
- Wang, S.-F.; Chen, H.-P.; Ku, Y.; Lin, Y.-C. Versatile Tunable Voltage–Mode Biquadratic Filter and Its Application in Quadrature Oscillator. Sensors 2019, 19, 2349. [Google Scholar] [CrossRef]
- Wang, S.-F.; Chen, H.-P.; Ku, Y.; Lee, C.-L. Versatile Voltage-Mode Biquadratic Filter and Quadrature Oscillator Using Four OTAs and two grounded capacitors. Electronics 2020, 9, 1493. [Google Scholar] [CrossRef]
- Abuelma’atti, M.T.; Bentrcia, A. A Novel Mixed-Mode OTA-C Universal Filter. Int. J. Electron. 2005, 92, 375–383. [Google Scholar] [CrossRef]
- Chen, H.P.; Liao, Y.Z.; Lee, W.T. Tunable Mixed-Mode OTA-C Universal Filter. Analog Integr. Circuits Signal Process. 2009, 58, 135–141. [Google Scholar] [CrossRef]
- Lee, C.N. Multiple-Mode OTA-C Universal Biquad Filters. Circuits Syst. Signal Process. 2010, 29, 263–274. [Google Scholar] [CrossRef]
- Parvizi, M.; Taghizadeh, A.; Mahmoodian, H.; Kozehkanani, Z.D. A Low-Power Mixed-Mode SIMO Universal Gm-C Filter. J. Circuits Syst. Comput. 2017, 26, 1750164. [Google Scholar] [CrossRef]
- Parvizi, M. Design of a New Low Power MISO Multi-Mode Universal Biquad OTA-C Filter. Int. J. Electron. 2019, 106, 440–454. [Google Scholar] [CrossRef]
- Bhaskar, D.R.; Raj, A.; Kumar, P. Mixed-Mode Universal Biquad Filter Using OTAs. J. Circuits Syst. Comput. 2020, 29, 2050162. [Google Scholar] [CrossRef]
- Namdari, A.; Dolatshahi, M. A New Ultra Low-Power, Universal OTA-C Filter in Subthreshold Region Using Bulk-Drive Technique. AEU-Int. J. Electron. Commun. 2017, 82, 458–466. [Google Scholar] [CrossRef]
- Kumngern, M.; Khateb, F.; Kulej, T.; Psychalinos, C. Multiple-Input Universal Filter and Quadrature Oscillator Using Multiple-Input Operational Transconductance Amplifiers. IEEE Access 2021, 9, 56253–56263. [Google Scholar] [CrossRef]
- Jaikla, W.; Khateb, F.; Kumngern, M.; Kulej, T.; Ranjan, R.K.; Suwanjan, P. 0.5 V Fully Differential Universal Filter Based on Multiple Input OTAs. IEEE Access 2020, 8, 187832–187839. [Google Scholar] [CrossRef]
- Namdari, A.; Dolatshahi, M. Design of a Low-Voltage and Low-Power, Reconfigurable Universal OTA-C Filter. Analog Integr. Circuits Signal Process. 2022, 111, 169–188. [Google Scholar] [CrossRef]
- Khateb, F.; Kumngern, M.; Kulej, T.; Akbari, M.; Stopjakova, V. 0.5 V, nW-Range Universal Filter Based on Multiple-Input Transconductor for Biosignals Processing. Sensors 2022, 22, 8619. [Google Scholar] [CrossRef]
- Namdari, A.; Dolatshahi, M.; Aghababaei Horestani, M. A New Ultra-Low-Power High-Order Universal OTA-C Filter Based on CMOS Double Inverters in the Subthreshold Region. Circuits Syst. Signal Process. Vol. 2023, 42, 6379–6398. [Google Scholar] [CrossRef]
- Tlelo-Coyotecatl, E.; Díaz-Sánchez, A.; Rocha-Pérez, J.M.; Vázquez-González, J.L.; Sánchez-Gaspariano, L.A.; Tlelo-Cuautle, E. Enhancing Q-Factor in a Biquadratic Bandpass Filter Implemented with Opamps. Technologies 2019, 7, 64. [Google Scholar] [CrossRef]
- Jendernalik, W.; Jakusz, J.; Blakiewicz, G. Low-Voltage Low-Power Filters with Independent ωo and Q Tuning for Electronic Cochlea Applications. Electronics 2022, 11, 534. [Google Scholar] [CrossRef]
- Krummenacher, F.; Joehl, N. A 4-MHz CMOS Continuous-Time Filter with On-Chip Automatic Tuning. IEEE J. Solid-State Circuits. 1988, 23, 750–758. [Google Scholar] [CrossRef]
- Khateb, F.; Kulej, T.; Akbari, M.; Tang, K.-T. A 0.5-V Multiple-Input Bulk-Driven OTA in 0.18-μm CMOS. IEEE Trans. Very Large Scale Integr. (VLSI) Syst. 2022, 30, 1739–1747. [Google Scholar] [CrossRef]
- Khateb, F.; Kulej, T.; Kumngern, M.; Psychalinos, C. Multiple-Input Bulk-Driven MOS Transistor for Low-Voltage Low-Frequency Applications. Circuits Syst. Signal Process. 2019, 38, 2829–2845. [Google Scholar] [CrossRef]
- Sun, Y.; Fidler, J.K. Synthesis and Performance Analysis of Universal Minimum Component Integrator-Based IFLF OTA-Grounded Capacitor Filter. IEE Proc.-Circuits Devices Syst. 1996, 143, 107–114. [Google Scholar] [CrossRef]
- Nevárez-Lozano, H.; Sánchez-Sinencio, E. Minimum Parasitic Effects Biquadratic OTA-C Filter Architectures. Analog Integr. Circuits Signal Process. 1991, 1, 297–319. [Google Scholar] [CrossRef]
Disclaimer/Publisher’s Note: The statements, opinions and data contained in all publications are solely those of the individual author(s) and contributor(s) and not of MDPI and/or the editor(s). MDPI and/or the editor(s) disclaim responsibility for any injury to people or property resulting from any ideas, methods, instructions or products referred to in the content. |
© 2024 by the authors. Licensee MDPI, Basel, Switzerland. This article is an open access article distributed under the terms and conditions of the Creative Commons Attribution (CC BY) license (https://creativecommons.org/licenses/by/4.0/).