Analysis and Design of a CLC/N Compensated CC-Type WPT System with Compact and Low-Cost Receiver
Abstract
1. Introduction
2. Theoretical Analysis
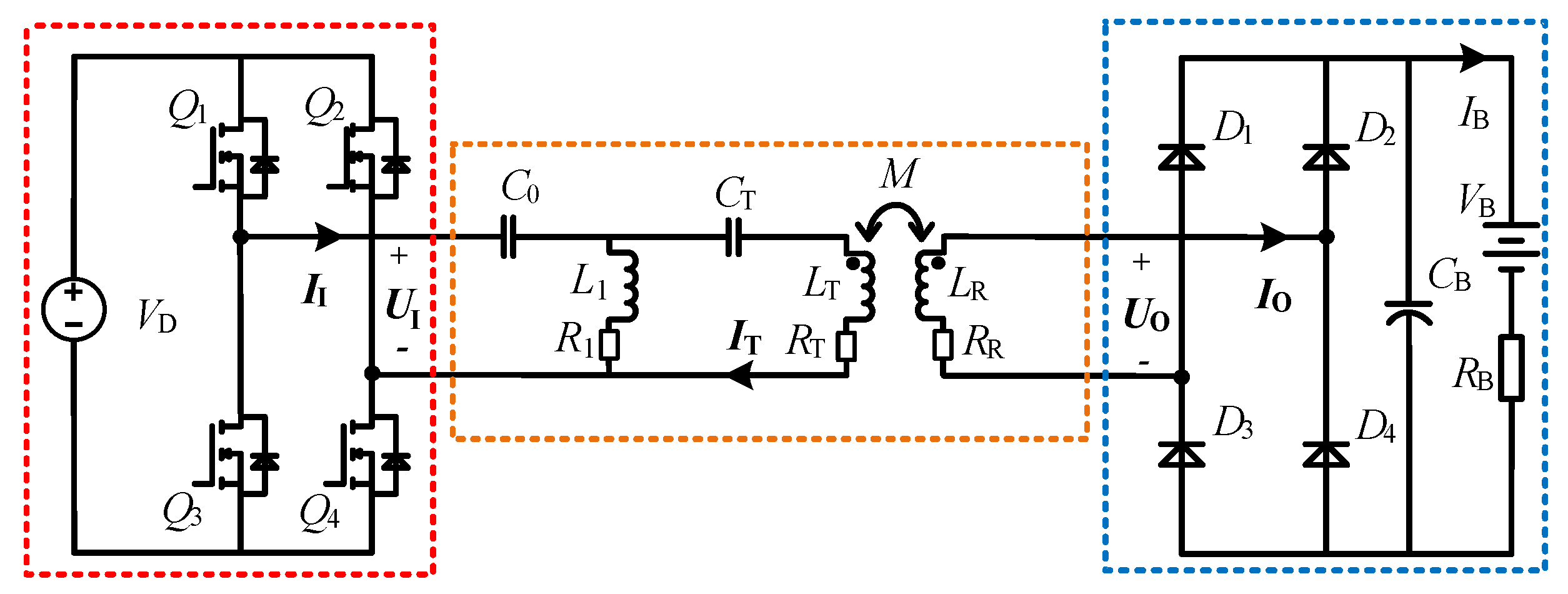
2.1. Overview of the CLC/N Compensated WPT System
2.2. Analysis of the CC Output Characteristic and ZPA Operation
3. Parameters Design and Simulation Verification
3.1. Calculation of the Compensation Components
3.2. Design of the LCT and Determination of Circuit Parameters
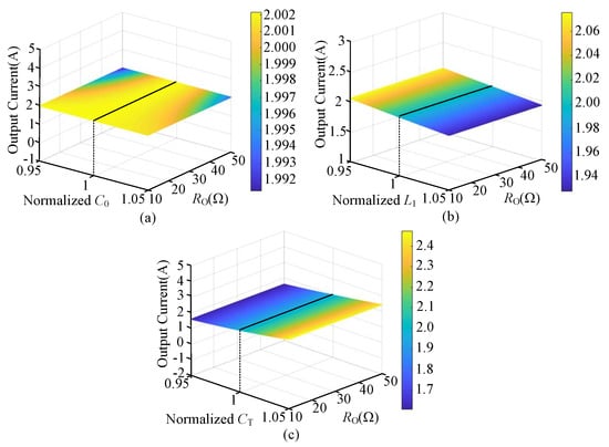
3.3. Verification of the CC Characteristic and ZPA Operation
3.4. Verification of ZVS Operation
4. Comparison Analysis in Terms of Efficiency and Misalignment Performance
4.1. Efficiency of the CLC/N Topology
4.2. Efficiency of the CLC/S Topology
4.3. Efficiency Comparison
- (1)
- The output current of the two systems should be consistent to ensure the same functional characteristics.
- (2)
- The load resistance of the two systems should be the same to maintain consistent output power.
- (3)
- The same LCT structure and transmitter-side compensation inductor should be adopted in the two systems to ensure consistent internal resistances caused by Lize-wire.
- (4)
- The operating frequency of the two systems should be equal.
5. Experiment Verification and Discussion
- (1)
- The output current of the proposed CLC/N compensated WPT system is not constrained by the LCT parameters, which means that the proposal in this study is functionally superior to the SS compensated WPT system in [22].
- (2)
- The proposed CLC/N compensated WPT system has no bulky filter inductor behind the rectifier and no compensation components on the receiver, which not only saves the development cost but also ensures the compactness of the receiver of the system. These are the structural and economic advantages of the proposed CLC/N compensated WPT system compared to the CC-type WPT systems proposed in [23,24,25,26,27,28,29].
6. Conclusions
Author Contributions
Funding
Institutional Review Board Statement
Informed Consent Statement
Data Availability Statement
Conflicts of Interest
References
- Li, Y.; Hu, J.; Li, X.; Cheng, K.W.E. A Flexible Load-Independent Multi-Output Wireless Power Transfer System Based on Cascaded Double T-Resonant Circuits: Analysis, Design and Experimental Verification. IEEE Trans. Circuits Syst. I Regul. Pap. 2019, 66, 2803–2812. [Google Scholar] [CrossRef]
- Yang, H.; Xu, Y.; Gu, Y.; Zhu, C.; Yu, J.; Mai, R.; Li, Y.; He, Z.; Madawala, U.K. Efficiency Analysis and Optimization Method of Power-Relay IPT Systems for Reefer Containers. IEEE Trans. Power Electron. 2021, 36, 4942–4947. [Google Scholar] [CrossRef]
- Takabayashi, N.; Shinohara, N.; Fujiwara, T. Array Pattern Synthesis of Flat-topped Beam for Microwave Power Transfer System at Volcanoes. In Proceedings of the 2018 IEEE Wireless Power Transfer Conference (WPTC), Montreal, QC, Canada, 3–7 June 2018; pp. 1–4. [Google Scholar]
- Zhang, Q.; Fang, W.; Liu, Q.; Wu, J.; Xia, P.; Yang, L. Distributed Laser Charging: A Wireless Power Transfer Approach. IEEE Internet Things J. 2018, 5, 3853–3864. [Google Scholar] [CrossRef]
- Xia, J.; Yuan, X.; Lu, S.; Li, J.; Luo, S.; Li, S. A Two-Stage Parameter Optimization Method for Capacitive Power Transfer Systems. IEEE Trans. Power Electron. 2022, 37, 3853–3864. [Google Scholar] [CrossRef]
- Feng, J.; Li, Q.; Lee, F.C.; Fu, M. Transmitter coils design for free-positioning omnidirectional wireless power transfer system. IEEE Trans. Ind. Inform. 2019, 15, 4656–4664. [Google Scholar] [CrossRef]
- Xiao, C.; Cheng, D.; Wei, K. An LCC-C Compensated Wireless Charging System for Implantable Cardiac Pacemakers: Theory, Experiment, and Safety Evaluation. IEEE Trans. Power Electron. 2018, 33, 4894–4905. [Google Scholar] [CrossRef]
- Lopes, I.F.; Lacerda Valle, R.; Azevedo Fogli, G.; Ferreira, A.A.; Gomes Barbosa, P. Low-Frequency Underwater Wireless Power Transfer: Maximum Efficiency Tracking Strategy. IEEE Trans. Power Electron. 2020, 18, 1200–1208. [Google Scholar] [CrossRef]
- Cai, C.; Saeedifard, M.; Wang, J.; Zhang, P.; Zhao, J.; Hong, Y. A Cost-Effective Segmented Dynamic Wireless Charging System With Stable Efficiency and Output Power. IEEE Trans. Power Electron. 2022, 37, 8682–8700. [Google Scholar] [CrossRef]
- Jayalath, S.; Khan, A. Design, Challenges, and Trends of Inductive Power Transfer Couplers for Electric Vehicles: A Review. IEEE J. Emerg. Sel. Top. Power Electron. 2021, 9, 6196–6218. [Google Scholar] [CrossRef]
- Li, Y.; Hu, J.; Li, X.; Chen, F.; Xu, Q.; Mai, R.; He, Z. Analysis, Design, and Experimental Verification of a Mixed High-Order Compensations-Based WPT System with Constant Current Outputs for Driving Multistring LEDs. IEEE Trans. Ind. Electron. 2020, 67, 203–213. [Google Scholar] [CrossRef]
- Cai, C.; Wang, J.; Zhang, F.; Liu, X.; Zhang, P.; Zhou, Y.-G. A Multichannel Wireless UAV Charging System With Compact Receivers for Improving Transmission Stability and Capacity. IEEE Syst. J. 2022, 16, 997–1008. [Google Scholar] [CrossRef]
- Cai, C.; Wang, J.; Wang, L.; Yuan, Z.; Tang, N.; Han, X.; Wang, S. Improved Coplanar Couplers Based WPT Systems for Adaptive Energy Harvesting on Power Towers. IEEE Trans. Electromagn. Compat. 2021, 63, 922–934. [Google Scholar] [CrossRef]
- Yang, L.; Ren, L.; Shi, Y.; Wang, M.; Geng, Z. Analysis and Design of a S/S/P-Compensated Three-coil Structure WPT System With Constant Current and Constant Voltage Output. IEEE J. Emerg. Sel. Top. Power Electron. 2022. Available online: https://ieeexplore.ieee.org/document/9863869/ (accessed on 13 November 2022). [CrossRef]
- Luo, B.; Hu, A.P.; Munir, H.; Zhu, Q.; Mai, R.; He, Z. Compensation Network Design of CPT Systems for Achieving Maximum Power Transfer Under Coupling Voltage Constraints. IEEE J. Emerg. Sel. Top. Power Electron. 2022, 10, 138–148. [Google Scholar] [CrossRef]
- Yang, L.; Shi, Y.; Wang, M.; Ren, L. Constant Voltage Charging and Maximum Efficiency Tracking for WPT Systems Employing Dual-Side Control Scheme. IEEE J. Emerg. Sel. Top. Power Electron. 2022, 10, 945–955. [Google Scholar] [CrossRef]
- Wang, X.; Xu, J.; Ma, H.; He, S. Inductive Power Transfer Systems With Digital Switch-Controlled Capacitor for Maximum Efficiency Point Tracking. IEEE Trans. Ind. Electron. 2021, 68, 9467–9480. [Google Scholar] [CrossRef]
- Yao, Y.; Gao, S.; Mai, J.; Liu, X.; Zhang, X.; Xu, D. A Novel Misalignment Tolerant Magnetic Coupler for Electric Vehicle Wireless Charging. IEEE J. Emerg. Sel. Top. Ind. Electron. 2022, 3, 219–229. [Google Scholar] [CrossRef]
- Dong, Z.; Li, X.; Liu, S.; Xu, Z.; Yang, L. A Novel All-Direction Antimisalignment Wireless Power Transfer System Designed by Truncated Region Eigenfunction Expansion Method. IEEE Trans. Power Electron. 2021, 36, 12456–12467. [Google Scholar] [CrossRef]
- Yan, Z.; Xie, H.; Li, Y.; He, Z.; Yang, H.; Zhou, W.; Zhu, C.; Jing, X.; Chen, S.; Mai, R. A Monitoring Equipment Charging System for HVTL Based on Domino-Resonator WPT With Constant Current or Constant Voltage Output. IEEE Trans. Power Electron. 2022, 37, 3668–3680. [Google Scholar] [CrossRef]
- Lu, F.; Zhang, H.; Li, W.; Zhou, Z.; Zhu, C.; Cheng, C.; Deng, Z.; Chen, X.; Mi, C.C. A High-Efficiency and Long-Distance Power-Relay System With Equal Power Distribution. IEEE J. Emerg. Sel. Top. Power Electron. 2020, 8, 1419–1427. [Google Scholar] [CrossRef]
- Qu, X.; Han, H.; Wong, S.; Tse, C.K.; Chen, W. Hybrid IPT Topologies With Constant Current or Constant Voltage Output for Battery Charging Applications. IEEE Trans. Power Electron. 2015, 30, 6329–6337. [Google Scholar] [CrossRef]
- Chu, X.Q.H.; Huang, Z.; Wong, S.C.; Tse, C.K.; Mi, C.C.; Chen, X. Wide Design Range of Constant Output Current Using Double-Sided LC Compensation Circuits for Inductive-Power-Transfer Applications. IEEE Trans. Power Electron. 2019, 34, 2364–2374. [Google Scholar]
- Yao, Y.; Liu, X.; Wang, X.; Xu, Y.D. Modified parameter tuning method for LCL/P compensation topology featured with load-independent and LCT-unconstrained output current. IET Power Electron. 2018, 11, 1483–1491. [Google Scholar] [CrossRef]
- Vu, V.-B.; Tran, D.-H.; Choi, W. Implementation of the Constant Current and Constant Voltage Charge of Inductive Power Transfer Systems With the Double-Sided LCC Compensation Topology for Electric Vehicle Battery Charge Applications. IEEE Trans. Power Electron. 2018, 33, 7398–7410. [Google Scholar] [CrossRef]
- Tran, D.-H.; Vu, V.-B.; Choi, W. Design of a High-Efficiency Wireless Power Transfer System With Intermediate Coils for the On Board Chargers of Electric Vehicles. IEEE Trans. Power Electron. 2018, 33, 175–187. [Google Scholar] [CrossRef]
- Yao, Y.; Liu, X.; Wang, Y.; Xu, D. LC/CL compensation topology and efficiency-based optimization method for wireless power transfer. IET Power Electron. 2018, 11, 1029–1037. [Google Scholar] [CrossRef]
- Yang, L.; Li, X.M.; Xu, Z.W.; Liu, S.; Dong, Z.F.; Wu, Y.B. Analysis and design of a high-efficiency three-coil WPT system with constant current output. IET Electr. Power Appl. 2020, 14, 1933–1943. [Google Scholar] [CrossRef]
- Wang, Y.; Yao, Y.; Liu, X.; Xu, D.; Cai, L. An LC/S Compensation Topology and Coil Design Technique for Wireless Power Transfer. IEEE Trans. Power Electron. 2018, 33, 2007–2025. [Google Scholar] [CrossRef]
- Liu, Z.; Wang, L.; Guo, Y.; Li, S. Primary-Side Linear Control for Constant Current/Voltage Charging of the Wireless Power Transfer System Based on the LCC-N Compensation Topology. IEEE Trans. Ind. Electron. 2022, 69, 8895–8904. [Google Scholar] [CrossRef]
- Erickson, R.W.; Maksimovic, D. Fundamentals of Power Electronics, 2nd ed.; Kluwer: Norwell, MA, USA, 2001. [Google Scholar]













| Parameter | Specifications | Coil Turns |
|---|---|---|
| Transmitter-side coil | 2.8 mm × 2.8 mm | 10 |
| Receiver-side coil | 2.8 mm × 2.8 mm | 10 |
| Air gap | 70 mm |
| Parameters | Value | Parameters | Value |
|---|---|---|---|
| 20 V | 2 A | ||
| 100 | 0.12 | ||
| 100 | 0.12 | ||
| 5.85 | 0.04 | ||
| 608.3 | M | 45 | |
| 29.58 | k | 0.45 |
| Parameters | Value | Parameters | Value |
|---|---|---|---|
| 20 V | 2 A | ||
| 100 | 0.12 | ||
| 100 | 0.12 | ||
| 5.85 | 0.04 | ||
| 600.75 | 45 | ||
| 29.81 | 0.45 | ||
| 821.41 | — | — |
| Experimental Components | Specification Types |
|---|---|
| Diodes for rectifier | MBR16100CT |
| MOSFETs for HFI | IRFP250N |
| Controller | STM32F103-C8T6 |
| Lize-wire | 400 strands, 2.8 mm |
| Parameters | Value | Parameters | Value |
|---|---|---|---|
| Power rating | 192 | Voltage rating | 96 |
| 20 V | 2 A | ||
| 100.3 | 0.12 | ||
| 100.2 | 0.12 | ||
| 5.91 | 0.04 | ||
| 29.65 | M | 45 | |
| 610.3 | 640.5 | ||
| k | 0.45 | — | — |
| Proposed in | Ref. [22] | Ref. [23] | Ref. [24] | Ref. [25] | Ref. [26] | Ref. [27] | Ref. [28] | Ref. [29] | This Work |
|---|---|---|---|---|---|---|---|---|---|
| CC-type topology | SS | LC/CC | LCL/P | LCC/LCC | Four-coil | LC/CL | Three-coil | LC/S | CLC/N |
| Number of Coils | 2 | 2 | 2 | 2 | 4 | 2 | 3 | 2 | 2 |
| Max power | 15 W | 50 W | 100 W | 6.6 kW | 6.6 kW | 96.8 W | 225 W | 63.8 W | 192 W |
| Peak efficiency | 92.6% | 92.4% | 92.8% | 96.1% | 96.3% | 90.3% | 92.5% | 91.9% | 93.3% |
| Number of transmitter-side compensation components | 1 | 2 | 2 | 3 | 2 | 2 | 2 | 2 | 3 |
| Number of receiver-side compensation components | 1 | 2 | 1 | 3 | 2 | 2 | 1 | 1 | 0 |
| Output current unconstrained by LCT parameters | No | Yes | Yes | Yes | Yes | Yes | Yes | Yes | Yes |
| Without filter inductor behind the rectifier | Yes | No | No | Yes | Yes | Yes | Yes | Yes | Yes |
| Compact and low-cost receiver | No | No | No | No | No | No | No | No | Yes |
Disclaimer/Publisher’s Note: The statements, opinions and data contained in all publications are solely those of the individual author(s) and contributor(s) and not of MDPI and/or the editor(s). MDPI and/or the editor(s) disclaim responsibility for any injury to people or property resulting from any ideas, methods, instructions or products referred to in the content. |
© 2023 by the authors. Licensee MDPI, Basel, Switzerland. This article is an open access article distributed under the terms and conditions of the Creative Commons Attribution (CC BY) license (https://creativecommons.org/licenses/by/4.0/).
Share and Cite
Yang, L.; Jiang, S.; Wang, C.; Zhang, L. Analysis and Design of a CLC/N Compensated CC-Type WPT System with Compact and Low-Cost Receiver. Sensors 2023, 23, 838. https://doi.org/10.3390/s23020838
Yang L, Jiang S, Wang C, Zhang L. Analysis and Design of a CLC/N Compensated CC-Type WPT System with Compact and Low-Cost Receiver. Sensors. 2023; 23(2):838. https://doi.org/10.3390/s23020838
Chicago/Turabian StyleYang, Lin, Shuai Jiang, Can Wang, and Li Zhang. 2023. "Analysis and Design of a CLC/N Compensated CC-Type WPT System with Compact and Low-Cost Receiver" Sensors 23, no. 2: 838. https://doi.org/10.3390/s23020838
APA StyleYang, L., Jiang, S., Wang, C., & Zhang, L. (2023). Analysis and Design of a CLC/N Compensated CC-Type WPT System with Compact and Low-Cost Receiver. Sensors, 23(2), 838. https://doi.org/10.3390/s23020838

