Behavior of Residual Current Devices at Earth Fault Currents with DC Component
Abstract
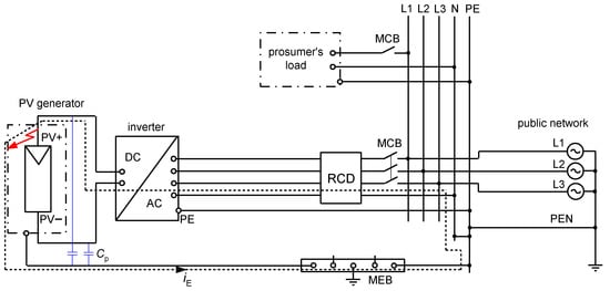
1. Introduction
2. RCD Classification and the Scope of RCDs Testing
- (1)
- TEST 1: verification of the tripping level of RCDs for slowly rising AC sinusoidal waveform in presence of a smooth DC component;
- (2)
- TEST 2: verification of the tripping level of RCDs for slowly rising pulsating (half-wave) component in presence of a smooth DC component;
- (3)
- TEST 3: verification of the tripping level of RCDs in the case of the suddenly applied pure direct current of the predetermined value. This type of test reflects a real accident of the electric shock and the most probable behavior of RCDs. If there is an earth fault (damage to insulation of the current-using equipment), the current suddenly starts flowing towards the earth. It is similar when a person touches an enclosure of the faulty current-using equipment—the body current appears suddenly.
3. Testing of RCDs
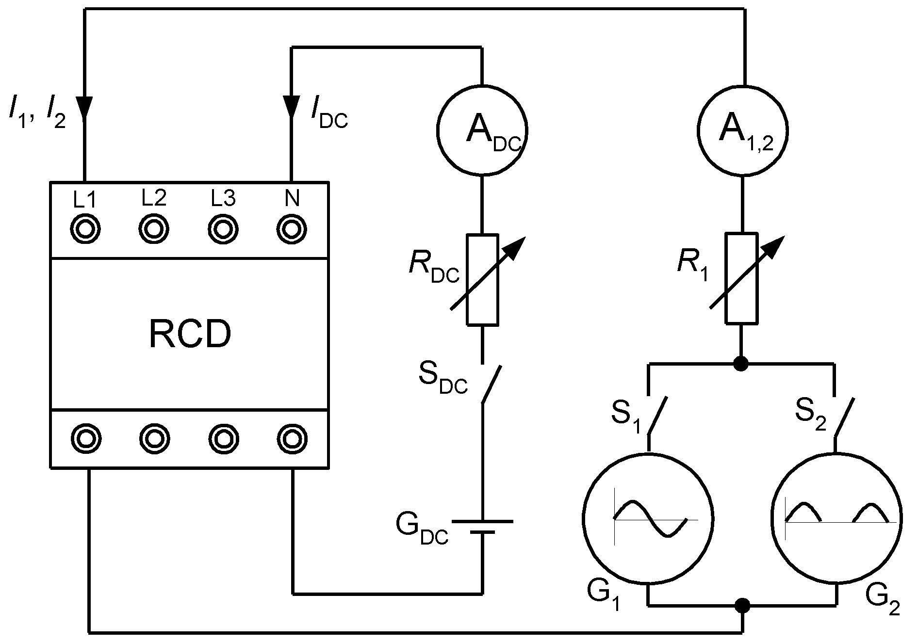
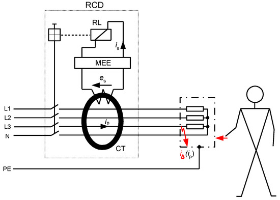
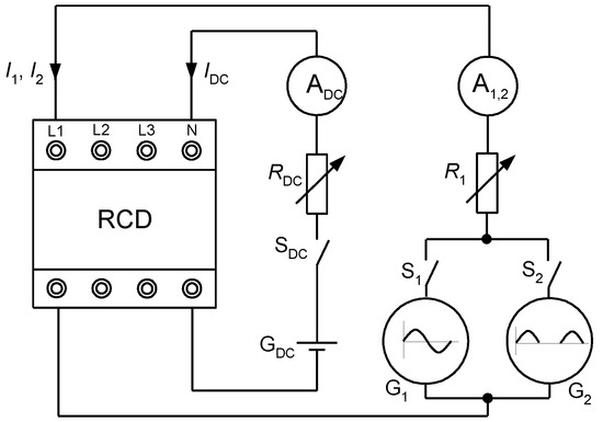
3.1. General Information
3.2. Testing under Composite Current with DC Component
- three A-type RCDs of a rated residual operating current I∆n = 30 mA; these RCDs are marked RCD30_1, RCD30_2, and RCD30_3;
- two F-type RCDs of a rated residual operating current I∆n = 30 mA; these RCDs are marked RCD30_4, RCD30_5;
- two A-type RCDs of a rated residual operating current I∆n = 100 mA; these RCDs are marked RCD100_1, RCD100_2;
- two A-type RCDs of a rated residual operating current I∆n = 300 mA; these RCDs are marked RCD300_1, RCD300_2;
- two AC-type RCDs of a rated residual operating current I∆n = 30 mA; these RCDs are marked RCD30_AC1, RCD30_AC2.
- (1)
- the half-wave component is positive (+) and the smooth DC component is positive (+) as well;
- (2)
- the half-wave component is positive (+) but the smooth DC component is negative (−).
3.3. Modeling the Operation of RCDs in the Presence of the DC Component
- only sinusoidal of value I∆n—(step 1);
- sinusoidal of value I∆n + smooth DC component of value I∆n—(step 2);
- sinusoidal of value I∆n + smooth DC component of value 2I∆n—(step 3).
- only pulsating DC (half-wave) of value I∆n-half—(step 1);
- pulsating DC (half-wave) of value I∆n-half + smooth DC component of value I∆n—(step 2);
- pulsating DC (half-wave) of value I∆n-half + smooth DC component of value 2I∆n—(step 3).
3.4. The Suddenly Applied Smooth Direct Current
- nine A-type RCDs of a rated residual operating current I∆n = 30 mA;
- two F-type RCDs of a rated residual operating current I∆n = 30 mA.
4. Conclusions
Author Contributions
Funding
Institutional Review Board Statement
Informed Consent Statement
Data Availability Statement
Conflicts of Interest
References
- Kakosimos, P.; Sarigiannidis, A.; Beniakar, M.; Kladas, A. Investigation of transformerless topologies for renewable energy applications eliminating leakage currents. In Proceedings of the MedPower 2014, Athens, Greece, 2–5 November 2014. [Google Scholar]
- Balcerak, M.; Zeńczak, M. Inverters for photovoltaic systems—Comparative analysis. Prz. Elektrotechniczny 2017, 93, 166–169. [Google Scholar] [CrossRef][Green Version]
- Zeb, K.; Khan, I.; Uddin, W.; Khan, M.A.; Sathishkumar, P.; Busarello, T.D.C.; Ahmad, I.; Kim, H.J. A review on recent advances and future trends of transformerless inverter structures for single-phase grid-connected photovoltaic systems. Energies 2018, 11, 1968. [Google Scholar] [CrossRef]
- Kamel, R.M.; Chaouachi, A.; Nagasaka, K. Comparison the performances of three earthing systems for micro-grid protection during the grid connected mode. Smart Grid Renew. Energy 2011, 2, 206–215. [Google Scholar] [CrossRef]
- Prudhvi Krishna, B.N.V.V.; Kunar, B.M.; Mur, C.S.N. Leakage current mitigation in transformer-less photovoltaic inverter systems for mining equipment. Int. J. Innov. Technol. Explor. Eng. 2019, 9, 2932–2937. [Google Scholar] [CrossRef]
- Giacomini, J.; Michels, L.; Pinheiro, H.; Rech, C. Active damping scheme for leakage current reduction in transformerless three-phase grid-connected PV inverters. IEEE Trans. Power Electron. 2017, 33, 3988–3999. [Google Scholar] [CrossRef]
- Estévez-Bén, A.A.; Alvarez-Diazcomas, A.; Macias-Bobadilla, G.; Rodríguez-Reséndiz, J. Leakage current reduction in single-phase grid-connected inverters—A review. Appl. Sci. 2020, 10, 2384. [Google Scholar] [CrossRef]
- Sivaraman, P.; Nirmalkumar, A. Reduction of common mode leakage current in three phase transformerless photovoltaic grid connected system. Prz. Elektrotechniczny 2013, 89, 120–125. [Google Scholar]
- Maalandish, M.; Pourjafar, S.; Hosseini, S.H.; Kalantari, N.T. Leakage current elimination with improved non-isolated nine-level inverter for grid-connected PV panels. J. Energy Manag. Technol. 2017, 1, 46–55. [Google Scholar]
- Gunsal, I.; Stone, D.A.; Foster, M.P. Unique pulse width modulation to reduce leakage current for cascaded H-bridge inverters in PV and battery energy storage applications. Energy Procedia 2018, 151, 84–90. [Google Scholar] [CrossRef]
- Voswinckel, S.; Manz, P.; Schmidt, C.; Wesselak, V. Investigation of leakage currents depending on the mounting situation in accordance to amorphous silicon modules. Energy Procedia 2014, 57, 56–64. [Google Scholar] [CrossRef][Green Version]
- Jaen-Cuellar, A.Y.; Elvira-Ortiz, D.A.; Osornio-Rios, R.A.; Antonino-Daviu, J.A. Advances in fault condition monitoring for solar photovoltaic and wind turbine energy generation: A review. Energies 2022, 15, 5404. [Google Scholar] [CrossRef]
- Bellinaso, L.V.; Figueredo, R.S.; Almeida, M.P.; Bortolini, R.J.F.; Michels, L.; Bet, I.; Zilles, R. Strategies to deal with ground faults in grid-connected transformerless photovoltaic converters with battery energy storage system. Eletrôn. Potên. 2019, 24, 314–322. [Google Scholar] [CrossRef]
- Mync, P.; Berdner, J. PV system ground faults. SolarPro. 2009; pp. 60–72. [Google Scholar]
- Hernandez, J.C.; Vidal, P.G. Guidelines for protection against electric shock in PV generators. IEEE Trans. Energy Convers. 2009, 24, 274–282. [Google Scholar] [CrossRef]
- Falvo, M.C.; Capparella, S. Safety issues in PV systems: Design choices for a secure fault detection and for preventing fire risk. Case Stud. Fire Saf. 2015, 3, 1–16. [Google Scholar] [CrossRef]
- Budzisz, J.; Czosnyka, M. Arc fault detection devices efficiency in cooperation with switch-mode power supplies. Electr. Power Syst. Res. 2022, 209, 107943. [Google Scholar] [CrossRef]
- Jiang, J.; Wen, Z.; Zhao, M.; Bie, Y.; Li, C.; Tan, M.; Zhang, C. Series arc detection and complex load recognition based on principal component analysis and support vector machine. IEEE Access 2019, 7, 47221–47229. [Google Scholar] [CrossRef]
- van Tichelen, P.J.L.; Vito, D.W. Electrical safety requirements in DC distribution systems. In Proceedings of the 2006 IASME/WSEAS International Conference on Energy & Environmental Systems, Chalkida, Greece, 8–10 May 2006; pp. 227–231. [Google Scholar]
- Polakowski, K. Dangers to which electric vehicle users may be exposed and ways to prevent them. Prz. Elektrotechniczny 2018, 94, 146–148. [Google Scholar] [CrossRef]
- IEC 61851-1:2017; Electric Vehicle Conductive Charging System—Part 1: General Requirements. International Electrotechnical Commission: Geneva, Switzerland, 2017.
- IEC 61851-22:2001; Electric Vehicle Conductive Charging System—Part 22: AC Electric Vehicle Charging Station. International Electrotechnical Commission: Geneva, Switzerland, 2001.
- IEC 61851-23:2014; Electric Vehicle Conductive Charging System—Part 23: DC Electric Vehicle Charging Station. International Electrotechnical Commission: Geneva, Switzerland, 2014.
- Davids, S.; Grünebast, G. Residual Currents in Photovoltaic Installations; Version 1.1; Doepke Schaltgeräte GmbH: Norden, Germany, 2011. [Google Scholar]
- Czapp, S.; Tariq, H. Behavior of residual current devices at frequencies up to 50 kHz. Energies 2021, 14, 1785. [Google Scholar] [CrossRef]
- Slangen, T.M.H.; Lustenhouwer, B.R.F.; Ćuk, V.; Cobben, J.F.G. The effects of high-frequency residual currents on the operation of residual current devices. In Proceedings of the 19th International Conference on Renewable Energies and Power Quality (ICREPQ’21), Almeria, Spain, 28–30 July 2021. [Google Scholar]
- Sutaria, J.; Espín-Delgado, Á.; Rönnberg, S. Measurements and modeling of the frequency behavior of residual current devices- from 4 Hz to 40 kHz. Electr. Power Syst. Res. 2022, 209, 108052. [Google Scholar] [CrossRef]
- Czapp, S. Testing sensitivity of A-type residual current devices to earth fault currents with harmonics. Sensors 2020, 20, 2044. [Google Scholar] [CrossRef]
- Czapp, S.; Guzinski, J. Electric shock hazard in circuits with variable-speed drives. Bull. Pol. Ac. Tech. 2018, 66, 361–372. [Google Scholar] [CrossRef]
- Zurek-Mortka, M.; Szymanski, J.R. The resistive ground fault of PWM voltage inverter in the EV charging station. Sci. Rep. 2021, 11, 21236. [Google Scholar] [CrossRef] [PubMed]
- Tran-Quoc, T.; Colin, H.; Duvauchelle, C.; Gaiddon, B.; Kieny, C.; Minh, C.L.T.; Bacha, S.; Aissanou, S.; Moine, G.; Tanguy, Y. Transformerless inverters and RCD: What’s the problem? In Proceedings of the 25th European Photovoltaic Solar Energy Conference and Exhibition/5th World Conference on Photovoltaic Energy Conversion, Valencia, Spain, 6–10 September 2010; pp. 4554–4559. [Google Scholar]
- Czapp, S.; Tariq, H.; Szultka, S.; Szultka, A.; Zaitseva, E.; Levashenko, V. Electrical safety in low-voltage DC microgrids with B-type residual current devices. Eksploat. I Niezawodn.—Maint. Reliab. 2022, 24, 346–358. [Google Scholar] [CrossRef]
- HD 60364-4-722:2018; Low-Voltage Electrical Installations—Part 7-722: Requirements for Special Installations or Locations—Supplies for Electric Vehicles. European Committee for Electrotechnical Standardization: Brussels, Belgium, 2018.
- HD 60364-4-41:2017; Low-Voltage Electrical Installations–Part 4-41: Protection for Safety–Protection Against Electric Shock. European Committee for Electrotechnical Standardization: Brussels, Belgium, 2017.
- HD 60364-7-705:2007; Low-Voltage Electrical Installations–Part 7-705: Requirements for Special Installations or Locations–Agricultural and Horticultural Premises. European Committee for Electrotechnical Standardization: Brussels, Belgium, 2007.
- IEC 61008-1:2010; Residual Current Operated Circuit-Breakers without Integral Overcurrent Protection for Household and Similar Uses (RCCB)—Part 1: General Rules. International Electrotechnical Commission: Geneva, Switzerland, 2010.
- IEC 62423:2009; Type F and Type B Residual Current Operated Circuit-Breakers with and without Integral Overcurrent Protection for Household and Similar Uses. International Electrotechnical Commission: Geneva, Switzerland, 2009.
- HD 60364-4-712:2016; Low-Voltage Electrical Installations—Part 7-712: Requirements for Special Installations or Locations—Photovoltaic (PV) Systems. European Committee for Electrotechnical Standardization: Brussels, Belgium, 2016.





























| RCD Type | Ability to Detect | View of the Example Waveforms |
|---|---|---|
| AC | – sinusoidal (50/60 Hz) residual currents | no tests under DC component |
| A | – sinusoidal (50/60 Hz) residual currents; – pulsating direct residual currents | ![]() DC component max 6 mA |
| F | – sinusoidal (50/60 Hz) residual currents; – pulsating direct residual currents; – mixed-frequency residual currents generated by control equipment supplied from a single-phase | ![]() DC component max 10 mA |
| B | – sinusoidal residual currents (frequency up to 1000 Hz); – pulsating direct residual currents; – sinusoidal currents superimposed by a smooth direct component; – smooth direct residual currents; – mixed-frequency residual currents | ![]() |
Publisher’s Note: MDPI stays neutral with regard to jurisdictional claims in published maps and institutional affiliations. |
© 2022 by the authors. Licensee MDPI, Basel, Switzerland. This article is an open access article distributed under the terms and conditions of the Creative Commons Attribution (CC BY) license (https://creativecommons.org/licenses/by/4.0/).
Share and Cite
Czapp, S.; Tariq, H.; Cieslik, S. Behavior of Residual Current Devices at Earth Fault Currents with DC Component. Sensors 2022, 22, 8382. https://doi.org/10.3390/s22218382
Czapp S, Tariq H, Cieslik S. Behavior of Residual Current Devices at Earth Fault Currents with DC Component. Sensors. 2022; 22(21):8382. https://doi.org/10.3390/s22218382
Chicago/Turabian StyleCzapp, Stanislaw, Hanan Tariq, and Slawomir Cieslik. 2022. "Behavior of Residual Current Devices at Earth Fault Currents with DC Component" Sensors 22, no. 21: 8382. https://doi.org/10.3390/s22218382
APA StyleCzapp, S., Tariq, H., & Cieslik, S. (2022). Behavior of Residual Current Devices at Earth Fault Currents with DC Component. Sensors, 22(21), 8382. https://doi.org/10.3390/s22218382




