An Unambiguous Synchronization Scheme for GNSS BOC Signals Based on Reconstructed Correlation Function
Abstract
1. Introduction
2. Binary Offset Carrier (BOC) Modulated Signals
2.1. Definitions and Main Characteristics
2.2. Ambiguous Problem
3. Proposed Unambiguous Synchronization Method
3.1. Method Design
3.2. Waveform Design of Local Code
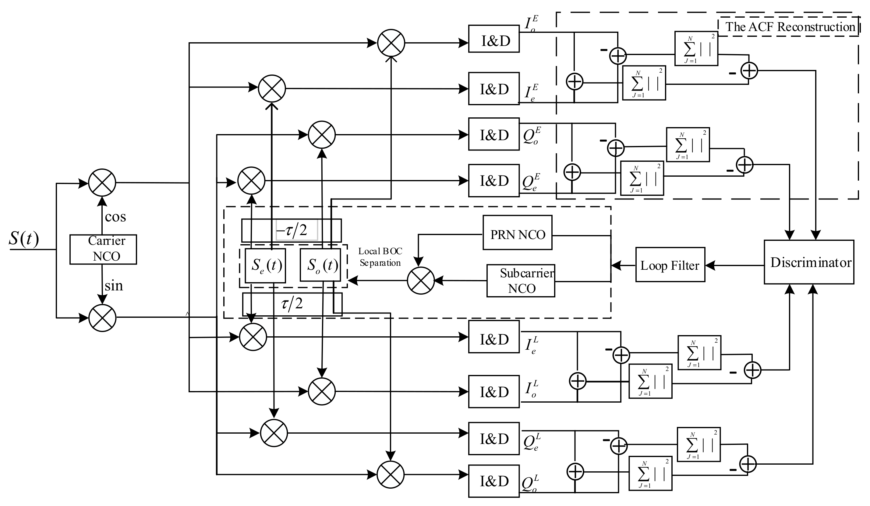
3.3. Tracking Loop Structure
3.4. Acquisition Structure Design
3.5. Complexity Analysis
4. Performance Analysis
4.1. Acquisition Performance Simulation and Analysis
4.1.1. De-Blurring Availability
4.1.2. Detection Probability
4.1.3. Peak-to-Average Ratio Analysis
4.2. Tracking Performance Simulation and Analysis
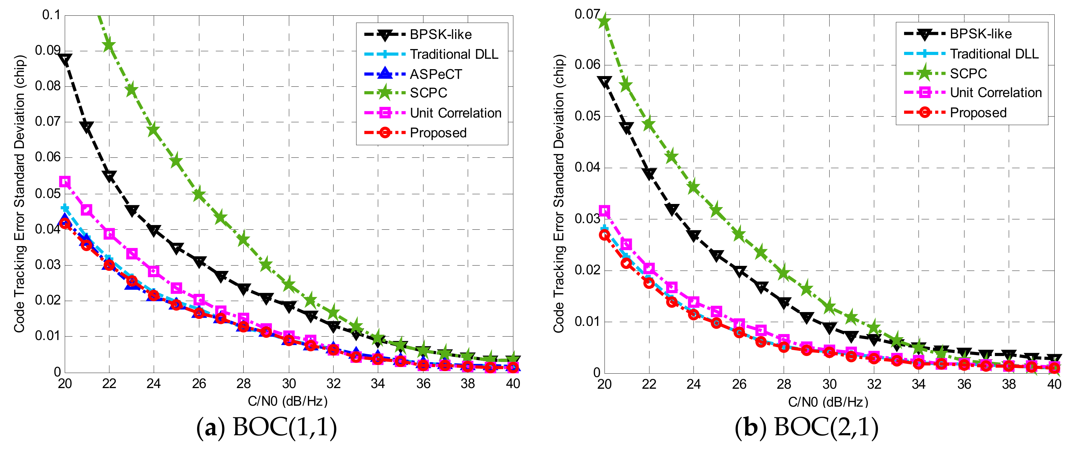
4.2.1. Anti-Noise Performance
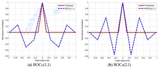
4.2.2. Phase Discrimination Curve
4.2.3. Impact of Multipath
5. Conclusions
Author Contributions
Funding
Institutional Review Board Statement
Informed Consent Statement
Data Availability Statement
Conflicts of Interest
References
- Garcia-Molina, J.A.; Fernandez-Rubio, J.A. Collective Unambiguous Positioning With High-Order BOC Signals. IEEE Trans. Aerosp. Electron. Syst. 2019, 55, 1461–1473. [Google Scholar] [CrossRef]
- Juang, J.C.; Lin, T.; Tsai, Y.F. Comparison and Synergy of BPSK and BOC Modulations in GNSS Reflectometry. IEEE J. Sel. Top. Appl. Earth Obs. Remote Sens. 2020, 13, 1959–1971. [Google Scholar] [CrossRef]
- Wang, H.Y.; Juang, J.C. Retrieval of Ocean Surface Wind Speed Using Reflected BPSK/BOC Signals. Remote Sens. 2020, 12, 2698. [Google Scholar] [CrossRef]
- Liu, C.; Gao, W.G.; Liu, T.X.; Wang, D.; Yao, Z.; Gao, Y.; Nie, X.; Wang, W.; Li, D.; Zhang, W.; et al. Design and implementation of a BDS precise point positioning service. Navigation 2020, 67, 875–891. [Google Scholar] [CrossRef]
- Ma, J.; Yang, Y.; Li, H.; Li, J. Expressions for the autocorrelation function and power spectral density of BOC modulation based on convolution operation. Math. Probl. Eng. 2020, 1–12. [Google Scholar] [CrossRef]
- Li, X.; Li, X.; Liu, G.; Xie, W.; Feng, G. The phase and code biases of Galileo and BDS-3 BOC signals: Effect on ambiguity resolution and precise positioning. J. Geod. 2020, 94, 1–14. [Google Scholar] [CrossRef]
- Burian, A.; Lohan, E.S.; Renfors, M. BPSK-like Methods for Hybrid-Search Acquisition of Galileo Signals. In Proceedings of the IEEE International Conference on Communications, Istanbul, Turkey, 11–15 June 2006; pp. 5211–5216. [Google Scholar]
- Huo, X.; Wang, X.; Wang, S.; Chen, X.; Zhou, G.; Lu, X. Receiving and assessing l1c signal for in-orbit GPS III and QZSS transmissions using a software-defined receiver. Electronics 2019, 9, 11. [Google Scholar] [CrossRef]
- Borio, D. Cross-correlation Codeless Processing of BOC Modulated Signals. IET Radar Sonar Navig. 2019, 13, 1998–2007. [Google Scholar] [CrossRef]
- Xiong, H.L.; Wang, S.H.; Gong, S.; Peng, M.X.; Shi, J.Y.; Tang, J. Improved synchronisation algorithm based on reconstructed correlation function for boc modulation in satellite navigation and positioning system. IET Commun. 2018, 12, 743–750. [Google Scholar] [CrossRef]
- Hao, W.J.; Gong, W.F. Research on Tracking Algorithm of Beidou B1C Signal. In Proceedings of the IEEE International Conference on Electronics Information and Emergency Communication (ICEIEC), Beijing, China, 12–14 July 2019; pp. 226–229. [Google Scholar]
- Luo, Y.R.; Zhang, L.; El-Sheimy, N. An improved DE-KFL for BOC signal tracking assisted by FRFT in a highly dynamic environment. In Proceedings of the 2018 IEEE/ION Position, Location and Navigation Symposium (PLANS), Monterey, CA, USA, 23–26 April 2018. [Google Scholar]
- Sobolewski, S.; Adams, W.L.; Sankar, R. Effective and efficient compound feature vectors applicable to discrimination of any conceivable bandpass modulated waveforms. In Proceedings of the 2016 IEEE International Black Sea Conference on Communications and Networking (BlackSeaCom), Varna, Bulgaria, 6–9 June 2016; pp. 1–5. [Google Scholar]
- Feneniche, W.; Rouabah, K.; Flissi, M.; Atia, S.; Meguellati, S. Unambiguous method for DLL BOC signals tracking. Int. J. Commun. Syst. 2020, 33, e4374. [Google Scholar] [CrossRef]
- Sun, X.Y.; Zhou, Q.; Ji, Y.F.; Fu, Q.; Miao, Q.W.; Wu, S.Y. An Unambiguous Acquisition Algorithm for BOC (n, n) Signal Based on Sub-correlation Combination. Wirel. Pers. Commun. 2019, 106, 1–20. [Google Scholar] [CrossRef]
- Beaubois, F.; Selmi, I.; Choquel, J.B.; Noyer, J.C.; Reboul, S. Acoustic echo path delay estimation by means of a BOC-BPSK correlation method. In Proceedings of the IEEE Sensors, Busan, Korea, 1–4 November 2015; pp. 1–4. [Google Scholar]
- Hao, F.; Yu, B.; Gan, X.; Jia, R.; Zhang, H.; Huang, L.; Wang, B. Unambiguous Acquisition/Tracking Technique Based on Sub-Correlation Functions for GNSS Sine-BOC Signals. Sensors 2020, 20, 485. [Google Scholar] [CrossRef] [PubMed]
- Lee, Y.; Chong, D.; Song, I.; Kim, S.Y.; Jee, G.I.; Yoon, S. Cancellation of correlation side-peaks for unambiguous BOC signal tracking. IEEE Commun. Lett. 2012, 16, 569–572. [Google Scholar] [CrossRef]
- Rouabah, K.; Atia, S.; Flissi, M.; Bouhlel, M.S.; Mezaache, S. Efficient technique for DLL s-curve side zero-crossings cancellation in global positioning system/Galileo receiver. IET Signal Process. 2019, 13, 338–347. [Google Scholar] [CrossRef]
- Lei, D.Y.; Lu, W.J.; Yu, D.S. Resource-efficient acquisition architecture for BOC-modulated signals. IEICE Electron. Express 2014, 11, 20140358. [Google Scholar] [CrossRef][Green Version]
- Alhussein, F.; Liu, H.P. An Efficient Method for Multipath Mitigation Applicable to BOC Signals in GNSS. In Proceedings of the 2019 15th International Wireless Communications and Mobile Computing Conference (IWCMC), Tangier, Morocco, 24–28 June 2019; pp. 793–798. [Google Scholar]
- Wang, C.; Cui, X.W.; Zhu, Y.; Lu, M. Thermal noise performance analysis for dual BPSK tracking of standard BOC signals. IET Radar Sonar Navig. 2020, 14, 1019–1028. [Google Scholar] [CrossRef]
- Titouni, S.; Rouabah, K.; Chikouche, D.; Flissi, M.; Feniniche, W. General Analytical Models Characterizing Multipath Running Average Error for C/A-GPS and BOC(n,n) Galileo Signals. In Proceedings of the 7th International Conference: Sciences of Electronics, Technologies of Information and Telecommunications (SETIT’16), Hammamet, Tunisia, 18–20 December 2016; pp. 520–526. [Google Scholar]
- Irsigler, M.; Eissfeller, B. Comparison of multipath mitigation techniques with consideration of future signal structures. In Proceedings of the 16th International Technical Meeting of the Satellite Division of the Institute of Navigation, Portland, OR, USA, 9–12 September 2003; pp. 2584–2592. [Google Scholar]
- Shim, D.S.; Jeon, J.S. An unambiguous delay-and-multiply acquisition scheme for GPS L1C signals. Sensors 2018, 18, 1739. [Google Scholar] [CrossRef]
- Xu, C.; Liu, Z.; Tang, X.; Wang, F. A Design Method of Code Correlation Reference Waveform in GNSS Based on Least-Squares Fitting. Sensors 2016, 16, 1194. [Google Scholar] [CrossRef]
- Liu, Z.; Huang, J.; Wang, J.T.; Zhao, Y.J.; Chen, S.W. Generalized unambiguous tracking method based on pseudo correlation function for multi-level coded symbol modulated signals. Acta Phys. Sin. 2017, 66, 139101. [Google Scholar] [CrossRef]
- Lohan, E.S. Statistical analysis of BPSK-like techniques for the acquisition of Galileo signals. J. Aerosp. Comput. Inf. Commun. 2012, 3, 234–243. [Google Scholar] [CrossRef][Green Version]
- Liu, Z.; Zhang, J.Y.; Lu, M.Q.; Huang, J.; Zhao, Y.J. Universal evaluation criteria for code delay estimation error of satellite navigation signals. Acta Phys. Sin. 2017, 66. [Google Scholar] [CrossRef]
- Mao, H.; Wu, D. Evaluation of Anti-multipath Performance to Satellite Navigation Signal Tracking on L1/E1/B1 Frequency Band. J. Syst. Simul. 2016, 28, 106–113. [Google Scholar]
- Wu, J.; Dempster, A.G. Code tracking variance analysis for GNSS receivers with “strobe correlators”. Aerosp. Electron. Syst. IEEE Trans. 2012, 48, 2760–2782. [Google Scholar] [CrossRef]
- Ji, Y.F.; Liu, Y.; Zhen, W.M.; Sun, X.Y.; Yu, B.G. An Unambiguous Acquisition Algorithm Based on Unit Correlation for BOC(n,n) Signal. IEICE Trans. Commun. 2017, 100, 1507–1513. [Google Scholar] [CrossRef]
- Shen, F.; Xu, G.-H.; Feng, H.-Y. Synthesized correlation function based unambiguous acquisition technique for sin-BOC/MBOC modulated signals. J. Syst. Eng. Electron. 2015, 37, 1980–1986. [Google Scholar]
- Wang, C.L.; Yang, C.J.; Ku, S.J.; Liu, C.H. A low-complexity peak-to-average power ratio estimation method for OFDM signals. In Proceedings of the IEEE Vehicular Technology Conference, Montreal, QC, Canada, 25–28 September 2006; pp. 1–5. [Google Scholar]
- Borio, D. Coherent side-band BOC processing. IET Radar Sonar Navig. 2017, 11, 1455–1466. [Google Scholar] [CrossRef]
- Wan, L.T.; Kong, X.; Xia, F. Joint Range-Doppler-Angle Estimation for Intelligent Tracking of Moving Aerial Targets. IEEE Internet Things J. 2018, 5, 1625–1636. [Google Scholar] [CrossRef]



















| Method Name | Multiplication/Times | Addition/Times |
|---|---|---|
| Proposed method | ||
| Unit correlation | ||
| ASPeCT/SCPC | ||
| BPSK-like |
Publisher’s Note: MDPI stays neutral with regard to jurisdictional claims in published maps and institutional affiliations. |
© 2021 by the authors. Licensee MDPI, Basel, Switzerland. This article is an open access article distributed under the terms and conditions of the Creative Commons Attribution (CC BY) license (http://creativecommons.org/licenses/by/4.0/).
Share and Cite
Sun, X.; Song, S.; Ji, Y.; Gan, X.; Yan, S.; Jia, X. An Unambiguous Synchronization Scheme for GNSS BOC Signals Based on Reconstructed Correlation Function. Sensors 2021, 21, 1982. https://doi.org/10.3390/s21061982
Sun X, Song S, Ji Y, Gan X, Yan S, Jia X. An Unambiguous Synchronization Scheme for GNSS BOC Signals Based on Reconstructed Correlation Function. Sensors. 2021; 21(6):1982. https://doi.org/10.3390/s21061982
Chicago/Turabian StyleSun, Xiyan, Shaojie Song, Yuanfa Ji, Xingli Gan, Suqing Yan, and Xizi Jia. 2021. "An Unambiguous Synchronization Scheme for GNSS BOC Signals Based on Reconstructed Correlation Function" Sensors 21, no. 6: 1982. https://doi.org/10.3390/s21061982
APA StyleSun, X., Song, S., Ji, Y., Gan, X., Yan, S., & Jia, X. (2021). An Unambiguous Synchronization Scheme for GNSS BOC Signals Based on Reconstructed Correlation Function. Sensors, 21(6), 1982. https://doi.org/10.3390/s21061982

