Analytical Model of Induction Machines with Multiple Cage Faults Using the Winding Tensor Approach
Abstract
:1. Introduction
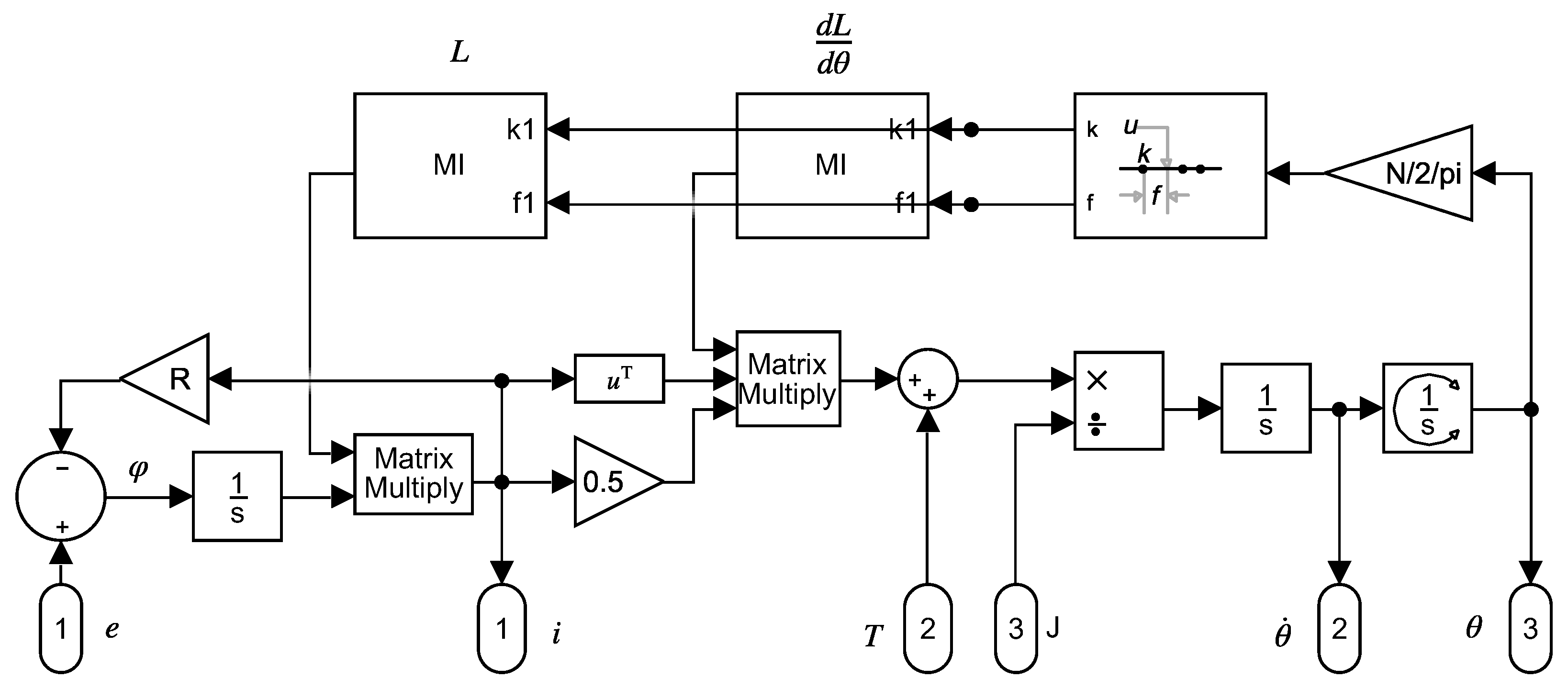
2. Analytical Model of the SCIM
- is the voltage tensor. Its n components are the instantaneous terminal voltages applied to each winding .
- is the flux linkage tensor. Its n components are the instantaneous flux linkages of each winding .
- is the resistance tensor. It is a diagonal tensor, with components, whose elements are the resistances of the windings.
- is the inductance tensor. It is a dyadic tensor, whose components are the self and mutual inductances of the windings. It relates the current and flux linkage tensors as .
- The rest of the terms that appear in (2) are the instantaneous applied shaft torque T, the rotor instantaneous angle and speed , and the moment of inertia of the rotor J.
3. Primitive Reference Frame of the SCIM
- The stator electrical axes are attached to the stator windings (usually three for industrial SCIMs). The unit vectors along these axes will be denoted as , and the components of the current tensor will be denoted as . All the stator windings are considered to have the same resistance and leakage inductance .
- Each bar of the rotor cage has attached rigidly an electrical axis. The unit vectors along these axes will be denoted as , and the components of the current tensor will be denoted as . All the bars are considered to have equal resistance and leakage inductance .
- Each end ring segment of the cage has attached rigidly an electrical axis. The unit vectors along the axes of the segments of one end ring will be denoted as , and for the opposite end ring. The components of the current tensor along these axes will be denoted as for the segments of one end ring and for the opposite one. All the end ring segments are considered to have equal resistance and leakage inductance .
3.1. Resistance Tensor of the SCIM in the Primitive Reference Frame
3.2. Leakage Inductance Tensor of the SCIM in the Primitive Reference Frame
3.3. Main Inductance Tensor of the SCIM in the Primitive Reference Frame
3.4. Computation of the Main Inductances of the SCIM Using the Winding Tensor Approach
4. Analytical Model of the SCIM in Healthy State
4.1. Connection Tensor for the Rotor Bars and End Ring Segments
4.2. Connection Tensor for the Stator Windings
4.3. Voltage and Torque Equations of the SCIM with a Healthy Rotor Cage
5. Analytical Model of the SCIM with Rotor Cage Faults
5.1. Analytical Model of the SCIM with a Broken Rotor Bar
5.2. Analytical Model of the SCIM with Two Non-Consecutive Broken Rotor Bars
5.3. Analytical Model of the SCIM with a Broken End Ring Segment
5.4. Voltage and Torque Equations of the SCIM with Cage Faults
5.5. Analytical Model of the SCIM with Rotor Faults in Progress
6. Experimental Validation
6.1. Experimental Setup
6.2. Analytic Model of the Tested Motor in Healthy Condition
6.3. Comparison between Experimental Tests and Simulations Using the Analytical Model of the SCIM
7. Conclusions
Author Contributions
Funding
Institutional Review Board Statement
Informed Consent Statement
Data Availability Statement
Conflicts of Interest
Appendix A. Commercial IM
Appendix B. Current Clamp
Appendix C. Computer Features
References
- Jiang, S.B.; Wong, P.K.; Guan, R.; Liang, Y.; Li, J. An Efficient Fault Diagnostic Method for Three-Phase Induction Motors Based on Incremental Broad Learning and Non-Negative Matrix Factorization. IEEE Access 2019, 7, 17780–17790. [Google Scholar] [CrossRef]
- Xiao, D.; Huang, Y.; Zhao, L.; Qin, C.; Shi, H.; Liu, C. Domain Adaptive Motor Fault Diagnosis Using Deep Transfer Learning. IEEE Access 2019, 7, 80937–80949. [Google Scholar] [CrossRef]
- Culbert, I.; Letal, J. Signature Analysis for Online Motor Diagnostics: Early Detection of Rotating Machine Problems Prior to Failure. IEEE Ind. Appl. Mag. 2017, 23, 76–81. [Google Scholar] [CrossRef]
- Li, H.; Feng, G.; Zhen, D.; Gu, F.; Ball, A.D. A Normalized Frequency-Domain Energy Operator for Broken Rotor Bar Fault Diagnosis. IEEE Trans. Instrum. Meas. 2021, 70, 1–10. [Google Scholar]
- Climente-Alarcon, V.; Sundaria, R.; Panchal, J.; Arkkio, A. Simulation of an Induction Motor’s Rotor After Connection. IEEE Trans. Magn. 2017, 53, 1–4. [Google Scholar] [CrossRef]
- Sobczyk, T.J.; Tulicki, J.; Weinreb, K.; Mielnik, R.; Sułowicz, M. Characteristic Features of Rotor Bar Current Frequency Spectrum in Cage Induction Machine with Inner Faults. In Proceedings of the 2019 IEEE 12th International Symposium on Diagnostics for Electrical Machines, Power Electronics and Drives (SDEMPED), Toulouse, France, 27–30 August 2019; pp. 115–120. [Google Scholar]
- Puche-Panadero, R.; Martinez-Roman, J.; Sapena-Bano, A.; Burriel-Valencia, J.; Riera-Guasp, M. Fault Diagnosis in the Slip–Frequency Plane of Induction Machines Working in Time-Varying Conditions. Sensors 2020, 20, 3398. [Google Scholar] [CrossRef]
- Tavana, N.R.; Dinavahi, V. Real-Time Nonlinear Magnetic Equivalent Circuit Model of Induction Machine on FPGA for Hardware-in-the-Loop Simulation. IEEE Trans. Energy Convers. 2016, 31, 520–530. [Google Scholar] [CrossRef]
- SIEMENS. SIMOTICS CONNECT 400 Technical Datasheet. Available online: https://support.industry.siemens.com/cs/document/109780868/simotics-connect-400-technical-datasheet?dti=0&pnid=25522&lc=en-WW (accessed on 12 July 2021).
- ABB. ABB Ability Smart Sensor for Motors. Available online: https://new.abb.com/motors-generators/service/advanced-services/smart-sensor/smart-sensor-for-motors (accessed on 12 July 2021).
- Pons-Llinares, J.; Antonino-Daviu, J.A.; Riera-Guasp, M.; Lee, S.B.; june Kang, T.; Yang, C. Advanced Induction Motor Rotor Fault Diagnosis Via Continuous and Discrete Time–Frequency Tools. IEEE Trans. Ind. Electron. 2015, 62, 1791–1802. [Google Scholar] [CrossRef]
- Yu, M.; Xiao, C.; Zhang, B. Event-Triggered Discrete Component Prognosis of Hybrid Systems Using Degradation Model Selection. IEEE Trans. Ind. Electron. 2020. [Google Scholar] [CrossRef]
- Xiao, C.; Yu, M.; Zhang, B.; Wang, H.; Jiang, C. Discrete Component Prognosis for Hybrid Systems Under Intermittent Faults. IEEE Trans. Autom. Sci. Eng. 2020, 1–12. [Google Scholar] [CrossRef]
- Bouzid, S.; Viarouge, P.; Cros, J. Real-Time Digital Twin of a Wound Rotor Induction Machine Based on Finite Element Method. Energies 2020, 13, 5413. [Google Scholar] [CrossRef]
- Sobczyk, T.J. Extreme possibilities of circuital models of electrical machines. Electr. Power Qual. Util. J. 2006, 12, 103–112. [Google Scholar]
- Gomez, A.F.; Sobczyk, T. Distortion of currents fault signature in induction motors with faulty cage under influence of mechanical torque oscillations. Prz. Elektrotechniczny 2017, 93, 48–52. [Google Scholar] [CrossRef]
- Rallabandi, V.; Taran, N.; Ionel, D.M.; Zhou, P. Inductance Testing for IPM Synchronous Machines According to the New IEEE Std 1812 and Typical Laboratory Practices. IEEE Trans. Ind. Appl. 2019, 55, 2649–2659. [Google Scholar] [CrossRef]
- Filipović-Grčić, D.; Filipović-Grčić, B.; Capuder, K. Modeling of three-phase autotransformer for short-circuit studies. Int. J. Electr. Power Energy Syst. 2014, 56, 228–234. [Google Scholar] [CrossRef]
- Kim, Y.H.; Lee, J.H. Comparison characteristics of various SynRMs through FEM and experimental verification. Phys. B Condens. Matter 2018, 549, 69–73. [Google Scholar] [CrossRef]
- Sapena-Bano, A.; Chinesta, F.; Pineda-Sanchez, M.; Aguado, J.; Borzacchiello, D.; Puche-Panadero, R. Induction machine model with finite element accuracy for condition monitoring running in real time using hardware in the loop system. Int. J. Electr. Power Energy Syst. 2019, 111, 315–324. [Google Scholar] [CrossRef]
- Asad, B.; Vaimann, T.; Belahcen, A.; Kallaste, A.; Rassõlkin, A.; Iqbal, M.N. The Cluster Computation-Based Hybrid FEM–Analytical Model of Induction Motor for Fault Diagnostics. Appl. Sci. 2020, 10, 7572. [Google Scholar] [CrossRef]
- Mekahlia, A.; Semail, E.; Scuiller, F.; Zahr, H. Reduced-Order Model of Rotor Cage in Multiphase Induction Machines: Application on the Prediction of Torque Pulsations. Math. Comput. Appl. 2020, 25, 11. [Google Scholar] [CrossRef] [Green Version]
- Fu, Q.; Yue, S.; He, B.; Fu, N. Multiple coupled circuit modelling approach for squirrel cage induction machine under single-broken-bar fault with stator winding functions decomposed in d–q rotor reference frame. IET Electr. Power Appl. 2019, 13, 889–900. [Google Scholar] [CrossRef]
- Garbiec, T.; Jagiela, M. Accounting for Magnetic Saturation Effects in Complex Multi-harmonic Model of Induction Machine. Energies 2020, 13, 4670. [Google Scholar] [CrossRef]
- Pineda-Sanchez, M.; Puche-Panadero, R.; Martinez-Roman, J.; Sapena-Bano, A.; Riera-Guasp, M.; Perez-Cruz, J. Partial Inductance Model of Induction Machines for Fault Diagnosis. Sensors 2018, 18, 2340. [Google Scholar] [CrossRef] [PubMed] [Green Version]
- Kron, G.; Hoffmann, B. Tensor for Circuits; Dover Books on Science: Dover, UK, 1959. [Google Scholar]
- Concordia, C. Synchronous Machines: Theory and Performance; Wiley: Washington, DC, USA, 1951. [Google Scholar]
- Faiz, J.; Rezaee-Alam, F. A new hybrid analytical model based on winding function theory for analysis of surface mounted permanent magnet motors. COMPEL Int. J. Comput. Math. Electr. Electron. Eng. 2019, 38, 745–758. [Google Scholar] [CrossRef]
- Martinez-Roman, J.; Puche-Panadero, R.; Sapena-Bano, A.; Pineda-Sanchez, M.; Perez-Cruz, J.; Riera-Guasp, M. Winding Tensor Approach for the Analytical Computation of the Inductance Matrix in Eccentric Induction Machines. Sensors 2020, 20, 3058. [Google Scholar] [CrossRef]
- Maurice, O.; Reineix, A.; Durand, P.; Dubois, F. Kron’s method and cell complexes for magnetomotive and electromotive forces. IAENG Int. J. Appl. Math. 2014, 44, 191–193. [Google Scholar]
- Kron, G. Non-Riemannian Dynamics of Rotating Electrical Machinery. J. Math. Phys. 1934, 13, 103–194. [Google Scholar] [CrossRef]
- Ikeda, M.; Hiyama, T. Simulation Studies of the Transients of Squirrel-Ccage Induction Motors. IEEE Trans. Energy Convers. 2007, 22, 233–239. [Google Scholar] [CrossRef]
- Alberti, L.; Bianchi, N.; Bolognani, S. A Very Rapid Prediction of IM Performance Combining Analytical and Finite-Element Analysis. IEEE Trans. Ind. Appl. 2008, 44, 1505–1512. [Google Scholar] [CrossRef]
- Jan, S. Determination of slot leakage inductance for three-phase induction motor winding using an analytical method. Arch. Electr. Eng. 2013, 62, 569–591. [Google Scholar]
- Peretti, L.; Zigliotto, M. Automatic procedure for induction motor parameter estimation at standstill. IET Electr. Power Appl. 2012, 6, 214–224. [Google Scholar] [CrossRef]
- Duan, F.; Živanović, R.; Al-Sarawi, S.; Mba, D. Induction Motor Parameter Estimation Using Sparse Grid Optimization Algorithm. IEEE Trans. Ind. Informat. 2016, 12, 1453–1461. [Google Scholar] [CrossRef]
- Lee, S.H.; Yoo, A.; Lee, H.J.; Yoon, Y.D.; Han, B.M. Identification of Induction Motor Parameters at Standstill Based on Integral Calculation. IEEE Trans. Ind. Appl. 2017, 53, 2130–2139. [Google Scholar] [CrossRef]
- Yang, S.; Ding, D.; Li, X.; Xie, Z.; Zhang, X.; Chang, L. A Novel Online Parameter Estimation Method for Indirect Field Oriented Induction Motor Drives. IEEE Trans. Energy Convers. 2017, 32, 1562–1573. [Google Scholar] [CrossRef]
- Toliyat, H.; Levi, E.; Raina, M. A review of RFO induction motor parameter estimation techniques. IEEE Trans. Energy Convers. 2003, 18, 271–283. [Google Scholar] [CrossRef]
- Qi, X. Rotor resistance and excitation inductance estimation of an induction motor using deep-Q-learning algorithm. Eng. Appl. Artif. Intell. 2018, 72, 67–79. [Google Scholar] [CrossRef]
- Guedes, J.J.; Castoldi, M.F.; Goedtel, A.; Agulhari, C.M.; Sanches, D.S. Parameters estimation of three-phase induction motors using differential evolution. Electr. Power Syst. Res. 2018, 154, 204–212. [Google Scholar] [CrossRef]
- Sapena-Bano, A.; Martinez-Roman, J.; Puche-Panadero, R.; Pineda-Sanchez, M.; Perez-Cruz, J.; Riera-Guasp, M. Induction machine model with space harmonics for fault diagnosis based on the convolution theorem. Int. J. Electr. Power Energy Syst. 2018, 100, 463–481. [Google Scholar] [CrossRef]
- Silva, W.L.; Lima, A.M.N.; Oliveira, A. Speed Estimation of an Induction Motor Operating in the Nonstationary Mode by Using Rotor Slot Harmonics. IEEE Trans. Instrum. Meas. 2015, 64, 984–994. [Google Scholar] [CrossRef]
- Li, G.; Hu, J.; Li, Y.; Zhu, J. An Improved Model Predictive Direct Torque Control Strategy for Reducing Harmonic Currents and Torque Ripples of Five-Phase Permanent Magnet Synchronous Motors. IEEE Trans. Ind. Electron. 2019, 66, 5820–5829. [Google Scholar] [CrossRef]
- Tatte, Y.N.; Aware, M.V. Torque Ripple and Harmonic Current Reduction in a Three-Level Inverter-Fed Direct-Torque-Controlled Five-Phase Induction Motor. IEEE Trans. Ind. Electron. 2017, 64, 5265–5275. [Google Scholar] [CrossRef]
- Grover, F.W. Inductance Calculations; Van Nostrand: New York, NY, USA, 1946. [Google Scholar]
- Sapena-Bano, A.; Chinesta, F.; Puche-Panadero, R.; Martinez-Roman, J.; Pineda-Sanchez, M. Model reduction based on sparse identification techniques for induction machines: Towards the real time and accuracy-guaranteed simulation of faulty induction machines. Int. J. Electr. Power Energy Syst. 2021, 125, 106417. [Google Scholar] [CrossRef]
- Hoeijmakers, M.J. An induction machine model based on analytic two-dimensional field computations. In Proceedings of the Symposium on Power Electronics, Electrical Drives, Automation and Motion (SPEEDAM), Capri, Italy, 16–18 June 2004; pp. 43–48. [Google Scholar]
- Sapena-Bano, A.; Martinez-Roman, J.; Puche-Panadero, R.; Pineda-Sanchez, M.; Perez-Cruz, J.; Riera-Guasp, M. Induction Machine Model with Space Harmonics for the Diagnosis of Rotor Eccentricity, based on the Convolution Theorem. Int. J. Electr. Power Energy Syst. 2019, 100, 105625. [Google Scholar] [CrossRef]
- Jung, J.H. Oxidation models of rotor bar and end ring segment to simulate induction motor faults in progress. J. Power Electron. 2011, 11, 163–172. [Google Scholar] [CrossRef]
- Climente-Alarcon, V.; Antonino-Daviu, J.A.; Strangas, E.G.; Riera-Guasp, M. Rotor-Bar Breakage Mechanism and Prognosis in an Induction Motor. IEEE Trans. Ind. Electron. 2015, 62, 1814–1825. [Google Scholar] [CrossRef] [Green Version]
- Singh, G.; Naikan, V. Detection of half broken rotor bar fault in VFD driven induction motor drive using motor square current MUSIC analysis. Mech. Syst. Signal Process. 2018, 110, 333–348. [Google Scholar] [CrossRef]
- Riera-Guasp, M.; Cabanas, M.F.; Antonino-Daviu, J.A.; Pineda-Sánchez, M.; García, C.H.R. Influence of Nonconsecutive Bar Breakages in Motor Current Signature Analysis for the Diagnosis of Rotor Faults in Induction Motors. IEEE Trans. Energy Convers. 2010, 25, 80–89. [Google Scholar] [CrossRef]
- Rojas, C.; Melero, M.; Cabanas, M.; Orcajo, G.; Donsin, M.; Solares, J. Analysis by the finite element method of the influence caused in the current distribution in rotor squirrel-cage induction motor and current spectrum by the number and distribution of faulty bars during a rotor failure. In Proceedings of the IEEE International Symposium on Diagnostics for Electrical Machines Power Electronic Drives (SDEMPED 2001), Grado, Italy, 1–3 September 2001; Volume 1, pp. 479–486. [Google Scholar]
- Toliyat, H.A.; Lipo, T.A. Transient Analysis of Cage Induction Machines under Stator, Rotor Bar and End Ring Faults. IEEE Trans. Energy Convers. 1995, 10, 241–247. [Google Scholar] [CrossRef]
- Asad, B.; Vaimann, T.; Belahcen, A.; Kallaste, A.; Rassõlkin, A.; Ghafarokhi, P.S.; Kudelina, K. Transient Modeling and Recovery of Non-Stationary Fault Signature for Condition Monitoring of Induction Motors. Appl. Sci. 2021, 11, 2806. [Google Scholar] [CrossRef]


















| Consecutive Broken Bars | Non-Consecutive Broken Bars | |
|---|---|---|
| Broken Bars , | Broken Bars , | |
| Experimental | 3.62 dB | −7.21 dB |
| Simulated | 3.34 dB | −7.75 dB |
Publisher’s Note: MDPI stays neutral with regard to jurisdictional claims in published maps and institutional affiliations. |
© 2021 by the authors. Licensee MDPI, Basel, Switzerland. This article is an open access article distributed under the terms and conditions of the Creative Commons Attribution (CC BY) license (https://creativecommons.org/licenses/by/4.0/).
Share and Cite
Martinez-Roman, J.; Puche-Panadero, R.; Sapena-Bano, A.; Terron-Santiago, C.; Burriel-Valencia, J.; Pineda-Sanchez, M. Analytical Model of Induction Machines with Multiple Cage Faults Using the Winding Tensor Approach. Sensors 2021, 21, 5076. https://doi.org/10.3390/s21155076
Martinez-Roman J, Puche-Panadero R, Sapena-Bano A, Terron-Santiago C, Burriel-Valencia J, Pineda-Sanchez M. Analytical Model of Induction Machines with Multiple Cage Faults Using the Winding Tensor Approach. Sensors. 2021; 21(15):5076. https://doi.org/10.3390/s21155076
Chicago/Turabian StyleMartinez-Roman, Javier, Ruben Puche-Panadero, Angel Sapena-Bano, Carla Terron-Santiago, Jordi Burriel-Valencia, and Manuel Pineda-Sanchez. 2021. "Analytical Model of Induction Machines with Multiple Cage Faults Using the Winding Tensor Approach" Sensors 21, no. 15: 5076. https://doi.org/10.3390/s21155076
APA StyleMartinez-Roman, J., Puche-Panadero, R., Sapena-Bano, A., Terron-Santiago, C., Burriel-Valencia, J., & Pineda-Sanchez, M. (2021). Analytical Model of Induction Machines with Multiple Cage Faults Using the Winding Tensor Approach. Sensors, 21(15), 5076. https://doi.org/10.3390/s21155076

