Next Article in Journal
Automated Video Behavior Recognition of Pigs Using Two-Stream Convolutional Networks
Next Article in Special Issue
Automotive 3.0 µm Pixel High Dynamic Range Sensor with LED Flicker Mitigation
Previous Article in Journal
UAV Mission Planning with SAR Application
Previous Article in Special Issue
An 8-Tap CMOS Lock-In Pixel Image Sensor for Short-Pulse Time-of-Flight Measurements
 
 
Font Type:
Arial Georgia Verdana
Font Size:
Aa Aa Aa
Line Spacing:
Column Width:
Background:
Article

Over 100 Million Frames per Second 368 Frames Global Shutter Burst CMOS Image Sensor with Pixel-wise Trench Capacitor Memory Array †

Graduate School of Engineering, Tohoku University, 6-6-11-811, Aza-Aoba, Aramaki, Aoba-ku, Sendai, Miyagi 980-8579, Japan
*
Author to whom correspondence should be addressed.
This paper is an extended version of our published paper: Suzuki, M.; Kuroda, R; Sugawa, S. Over 100 Million Frames per Second 368 Frames Global Shutter Burst CMOS Image Sensor with In-pixel Trench Capacitor Memory Array. In Proceedings of the 2019 International Image Sensor Workshop, Snowbird, UT, USA, 23–27 June 2019.
Sensors 2020, 20(4), 1086; https://doi.org/10.3390/s20041086
Submission received: 29 November 2019 / Revised: 5 February 2020 / Accepted: 11 February 2020 / Published: 17 February 2020

Abstract

In this paper, a prototype ultra-high speed global shutter complementary metal-oxide-semiconductor (CMOS) image sensor with pixel-wise trench capacitor memory array achieving over 100 million frames per second (fps) with up to 368 record length by burst correlated double sampling (CDS) operation is presented. Over 100 Mfps high frame rate is obtained by reduction of pixel output load by the pixel-wise memory array architecture and introduction of the burst CDS operation which minimizes the pixel driving pulse transitions. Long record length is realized by high density analog memory integration with Si trench capacitors. A maximum 125 Mfps frame rate with up to 368 record length video capturing was confirmed under room temperature without any cooling system. The photoelectric conversion characteristics of the burst CDS operation were measured and compared with those of the conventional CDS operation.

1. Introduction

Ultra-high speed (UHS) imaging technologies with over 100 million frames per second (fps) high frame rate and long record length are desired for the elucidation of UHS phenomena. Visualization of UHS phenomena such as shockwave, microbubble, breakdown, plasma, and discharge requires a frame rate exceeding several million fps. It is expected that these UHS phenomena can be visualized in more detail by improve the performance of the UHS imaging system. Multi-framing cameras or streak cameras have been utilized in UHS imaging over 100 Mfps [1]. However, these imaging systems are relatively large-scale, have issues in portability and convenience, and have not become a tool for easily visualizing UHS phenomena in various scientific research and development fields. Therefore, UHS image sensors achieving over 100 Mfps is highly desired for a simpler camera system. Consequently, burst image sensors with on chip multiple frame memory have been actively researched. They include charge domain storage type having multiple photoelectrons storage node connected to photodiode (PD) such as multi-collection gate (MCG) [2,3] or lateral electric field modulator (LEFM) [4,5]. Very high time resolution such as less than 1 ns has been obtained by this scheme because that is determined by the photoelectrons transit time and the switching time of the charge storage node, respectively. However, the number of record length is limited to a few by this scheme. The burst complementary metal-oxide-semiconductor (CMOS) image sensor technology having multiple analog voltage domain memories connected to each pixel is another candidate to achieve such high frame rate with long record length and acceptable power consumption.
Figure 1 shows structures of burst CMOS image sensors [6], where Figure 1a shows the previously developed chip with memory array placed on the periphery of pixel array achieved 20 Mfps with up to 256 record length [7,8], Figure 1b shows an improved structure of Figure 1a with increased number of pixels and record length by high density memory array [9,10], and Figure 1c shows a planar structure with pixel-wise high density memory array [11,12,13]. Recently, we have developed a prototype CMOS image sensor of Figure 1c with conventional planar MOS capacitor memory array [12,13]. It is mimicking a 3D stacked structure with pixel-wise interconnections for analog memory array placed beneath each pixel [14] shown in Figure 1d. It achieved over 100 Mfps with up to 80 frame video capturing by introducing the burst correlated double sampling (CDS) technique [13] which can minimize the frame period.
A high density memory integration is the key technology to achieve all the structures in Figure 1b–d with a sufficient number of record length. The thermal noise arising at the memory capacitors is one of the dominant noise sources in this type of image sensor, thus a relatively large capacitance value is required. Low leakage current and high uniformity are also required in order to maintain signal integrity. In order to meet such requirements, we have developed Si trench capacitor with improved effective capacitance density [9,10]. It achieved the capacitance density of about 30 fF/μm2. The developed prototype image sensor with the architecture shown in Figure 1b realized 10 Mfps UHS imaging with 960 record length with checkered pattern half pixel mode [10].
In the paper of IISW 2019 [15], we presented a burst CMOS image sensor with pixel-wise trench capacitor memory array to realize extremely high frame rate with longer record length. Over 100 Mfps with 368 frames imaging by using the developed burst CMOS image sensor has been demonstrated. In this paper, we additionally describe the detailed circuit design and the burst CDS operation we have proposed. The photoelectric conversion characteristics of the burst CDS operation are also reported with the comparison to the conventional CDS operation.

2. Design and Structure of Developed CMOS Image Sensor

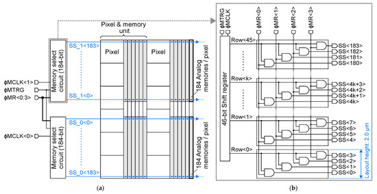
Figure 2 shows the block diagram of the developed burst CMOS image sensor. The prototype chip has 50 H × 108 V pixels with pixel-wise 368 trench capacitor memory array placed adjacent to each pixel. The pixel size is 35 H μ m × 35 V μ m and the pixel pitch is 70 H μ m × 35 V μ m . Since this sensor is a prototype toward the pixel-wise 3D stacking type shown in Figure 1d, the pitches of the pixel and the pixel-wise analog memory are designed to be equal. Therefore, 3D stacked equivalent pixel pitch of the developed image sensor is 35 μm. The pixel and memory unit consists of six pixels and pixel-wise memory array and memory readout circuit for each pixel. The burst UHS video capturing is carried out by global shutter. The pixel pulse buffers driving all the pixels of each column are arranged in each pixel column, and memory select circuits for selecting each frame memory are arranged in each unit row. The pixel driving pulses ( ϕ R, ϕ T, ϕ NS, ϕ X1, ϕ X2, ϕ CDS) are distributed to each pixel pulse buffer circuit, and the memory select control pulses ( ϕ MTRG, ϕ MCLK<0:1>, ϕ MR<0:3>) are distributed to each memory select circuit. A vertical and horizontal scan circuit and an analog output buffer are arranged to read out signals stored in the analog memories after the burst video capturing.
Figure 3a depicts the layout diagram of the memory select circuit for each unit row. The pixel-wise memory array is divided into upper and bottom parts in the unit, and the memory select circuit is also divided into two blocks in the same manner. Figure 3b shows the circuit diagram of the memory select circuit for 184 analog memories. The memory select circuit is composed of a combination of a 46-bit shift register and 4-bit demultiplexers connected to each output of the shift register. Where ϕ MTRG is the trigger pulse for the shift register, ϕ MCLK<0:1> are the clock pulses for the shift register, ϕ Row<0:45> are the outputs of the shift register, and ϕ MR<0:3> are demultiplexer select pulses. Each output of the shift register is branched into four signals by a demultiplexer. With this configuration, 184 analog memories for each pixel can be selected individually. This configuration was adopted, because the metal wires are efficiently routed under the constraint of the process design rule and the high flexibility of the memory selection.
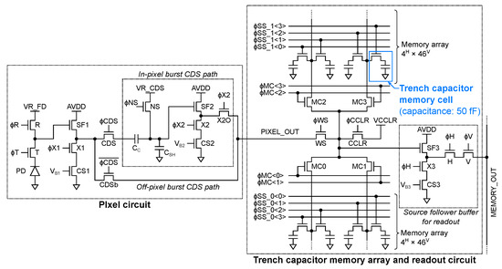
Figure 4 shows the circuit schematic of the pixel, the pixel-wise analog memory array, and the readout circuit of the developed burst UHS CMOS image sensor. The layout diagram of the pixel is shown in Figure 5a. The pixel consists of a 30.00 μm × 21.34 μm high speed charge collection pinned photodiode (PD) using dopant concentration gradient and fringe electric field [16], a transfer switch (T), a floating diffusion (FD), a reset switch (R), a source follower (SF1), a select switch (X1), a current source (CS1), CDS bypass/select switches, and a CDS circuit with a SF buffer (SF2). In-pixel and off-pixel CDS operations are selectively available by using or bypassing the in-pixel CDS circuit. The pixel-wise trench capacitor memory array consists of 4 H × 92 V one transistor one capacitor high density trench capacitor memory cells with capacitance of about 50 fF. The array is arranged at the center of the readout circuit and is divided into upper and bottom parts. The readout circuit consists of four column select switches (MC), a column reset switch (CCLR), a write select switch (WS), a SF buffer (SF3), a current source for SF3 (CS3), and select switches (X3, H, V). The horizontal and vertical addressing signal ϕ H and ϕ V are generated by the horizontal and vertical scan circuit shown in Figure 2. The WS switch is employed to equalize the input node capacitance of SF3 of each pixel during memory signal readout in order to equalize the charge division gain. When considering the 3D stacking of the pixel die and the memory array die, they can be divided at the node PIXEL_OUT.
Like other high speed imaging devices such as single photon avalanche diode (SPAD) array and time of flight image sensor, skew and jitter of shutter pulses supplied from outside the pixel array are challenges associated with speed improving and increasing pixel number. In the conventional CDS operation, the transfer pulse ϕ T determines the shutter timing, and in the burst CDS operation, the memory selection pulse determines the shutter timing. Both pulses are supplied to the entire array from a buffer disposed closest to the array. The pixel pulse drives a buffer arranged for each pixel row and one buffer drives 108 V pixels. The memory selection pulse selects 50 × 6 H memories from the buffer of each pixel unit row. The skew is designed to be sufficiently small for the frame period. The jitter depends on the clock accuracy since the driving pulse is supplied from an external circuit. No special circuit for correcting jitter is provided inside the sensor. Further, although there is a possibility that jitter occurs in the internal circuit due to variation in threshold voltage of the sensor internal logic circuit, it is considered that the value is sufficiently small with respect to the frame period.
Figure 5b depicts the pixel and memory unit arrangement. One unit consists of six pixels, a memory array and a memory readout circuit for each pixel. The memory array has a very high aspect ratio, the vertical side being longer, because the memory select wires need to be routed horizontally as shown in Figure 5a,b. The number of pixels per unit was decided by balancing the record length and the load of the pixel output from the constraints of analog memory size, pixel pitch, and pixel output wiring length. The pixel driving pulse wires run vertically and the length of each pixel output wiring is made equal in order to equalize the load of the pixel output lines. Figure 5c,d shows the layout and cross-sectional diagrams of trench capacitor memory. Si trench capacitor with high integrity SiO2 dielectric film was employed for analog memory to obtain high capacitance with low leakage current and high uniformity [9,10]. The size of one transistor and one trench capacitor memory cell is 1.4 H μ m × 2.0 V μ m . It achieves about four times higher memory cell density than conventional planar MOS capacitor cell both using 0.18 μm CMOS technology [7,8].
Figure 6 and Figure 7 show the timing diagram of the memory selection pulses and the pixel driving pulses at burst video capturing with in-pixel and off-pixel CDS operation, respectively. A combination of ϕ MTRG, ϕ MCLK<0:1>, ϕ MR<0:3> determines the memory address. During the in-pixel CDS operation, the memories are sequentially selected one by one for each frame according to the sequence shown in Figure 6. On the other hand, during the off-pixel CDS operation, two memories are selected for each frame. This is for storing the reset signal and the light signal separately during off-pixel CDS operation. After the last memory is selected, the operation returns to the selection of the first memory, and the selection of the memory is repeated until a video capturing end trigger signal is input.
Figure 8 shows the timing diagram of (a) conventional CDS operation and (b) the burst CDS operation [13], respectively. Here, ϕ R is pixel reset pulse, ϕ T is transfer pulse. ϕ Sig1 and ϕ Sig2 are sampling pulses of reset and signal levels, respectively. During the in-pixel CDS operation, ϕ Sig1 and ϕ Sig2 correspond to ϕ NS and the memory select pulse ϕ SS in Figure 4, respectively. During the off-pixel CDS operation, ϕ Sig1 and ϕ Sig2 are the memory select pulses used to select a different memory cell.
Figure 9 shows the cross-sectional potential diagram of the pixel for electrons along PD, T, FD, and R. Figure 9a shows the cross-sectional layout. Figure 9b,c shows the potential diagram in conventional CDS operation and the burst CDS operation, respectively. They are along with the timing from t 1 to t 6 shown in Figure 8. The built-in potential gradient or electric field of about 500 V/ is formed in fully depleted PD region by dopant concentration difference as well as the control of width of buried n-type layer [16]. The photoelectron transit time of this PD has been verified to be about 5 ns by experiments [16].
During conventional CDS operation, the following operations are repeated: resetting the PD and the FD and the thermal noise V N remains at FD, sampling at t 1 the first voltage signal which consists of V N , transferring the photoelectrons integrated during the integration period t 3 t 1 from PD to FD at t 2 , sampling at t 3 the second voltage signal which consists of V N and the light signal V s i g at t 3 . Then, V s i g is obtained by subtracting the first signal from the second signal. On the other hand, during the burst CDS operation, photoelectrons are always flowing toward the FD due to the electric field of PD region. After resetting the PD and FD at t 4 , the thermal noise V N remains at FD. Shortly after t 4 , the first voltage signal which consists of V N and the light signal due to photoelectrons arriving at FD during t 5 t 4 ( V s i g 1 ) is read out at t 5 . Then, after the integration period: t 6 t 5 , the second voltage signal comprised of V N and light signal due to photoelectrons during t 6 t 4 ( V s i g 2 ) is read out at t 6 . By subtracting the first signal from the second signal, light signal during the integration period t 6 t 4 is obtained. The subtraction of the signal is carried out by the in-pixel CDS circuit in the in-pixel CDS mode and by the off-pixel manner after reading out memory signals in the off-pixel CDS mode. During the burst CDS operation, the bias voltage of the transfer gate ( V T ) was set to an intermediate voltage of about 2 V to obtain high conversion gain without potential barrier from the PD and FD. The burst CDS technique achieves a frame period of 10 ns or less thanks to minimization of the transition of the pixel driving pulses. Consequently, the frame period equivalent to the photoelectrons transit time in PD is realized.

3. Chip Fabrication and Measurement Results

Figure 10 shows the fabricated chip micrograph. The chip was fabricated in LAPIS Semiconductor Miyagi 0.18 μm 1-poly-Si 5-metal-layer CMOS image sensor technology with high-density trench capacitor integration. A Si wafer with 8 μm thick p-type epitaxial layer on n-type substrate was employed by considering the optical crosstalk and the spectral sensitivity. The high-density trench capacitors were formed after the shallow trench isolation (STI) formation process. The depth of the trench capacitors is about 1.8 μm. The chip size is 4.8 mm × 4.8 mm .
Figure 11 shows the photoelectric conversion characteristics of the developed sensor chip for (a) conventional CDS operation and (b) burst CDS operation. The photoelectron conversion characteristics were measured using the LB-8601 light source, manufactured by Kyoritsu Electric (Tokyo, Japan). The spectral distribution of the light source follows the standard illuminant A. The characteristics were taken under the frame period of 1 μs (equivalent to 1 Mfps frame rate) for both operation modes. The integration times were 930 ns for the conventional CDS operation and 950 ns for the burst CDS operation, respectively. The input-referred conversion gain obtained from the measurements were 104 μV/e for the conventional CDS operation and 99 μV/e for the burst CDS operation. The input-referred saturation levels in number of electrons were 13.4ke for the conventional CDS operation and 11.5ke for the burst CDS operation. The parameters were extracted from the obtained photon transfer curves. The photoelectric conversion characteristics of both operation modes show good linearity. The conversion gain of the burst CDS operation is almost the same as that of conventional CDS operation. This is because the PD is always fully depleted and only FD capacitance determines the conversion gain. The saturation of the burst CDS is slightly lower as the potential barrier toward the PD is lower compared to the conventional CDS. The fixed pattern noise and the photoresponse nonuniformity of the burst CDS operation were the same as those of conventional CDS operation. Image quality degradation due to the burst CDS operation was not confirmed.
Figure 12 shows the output signal value as a function of the integration time under a constant light intensity in the in-pixel burst CDS operation. Linearity of the output signal value to the integration time was confirmed in the integration time range from 9.4ns to 950 ns (equivalent to from 50 Mfps to 1 Mfps frame rate).
Figure 13 shows the image capturing system for sample movie shooting. This camera was composed of a headboard mounted with the developed image sensor, an analog front end (AFE) board mounted with ADCs and voltage regulators, and a digital signal processing (DSP) board mounted with FPGA for pulse generations and signal processing. The prototype camera has no chip cooling systems.
Figure 14a shows the captured images of a rotating object, which is a transparent sheet with printed patterns attached to a DC motor. The light is irradiated from the backside of the object, and the transmitted light is captured. The employed light source was PFBR-600SW, manufactured by CCS Inc., (Kyoto, Japan). The rotational speed of the captured object was about 13 k rotations per minute (rpm). The captured object was a pattern printed on a transparent sheet. The pattern is shown in Figure 14b. Figure 14c shows the false-color composite image of the start and end frames of sample images, the start frame (# 1) is assigned to red channel and the end frame (# 368) is assigned to cyan channel in order to check the movement of the object during image capturing period. The color difference indicates the movement of the subject. 100 Mfps with 368 frames imaging by in-pixel burst CDS operation at room temperature was successfully confirmed with good image quality.
The current consumption during video capturing is an important factor of the UHS imaging system. Without a large cooling mechanism, the system can be miniaturized and lightened and can be easily used in various environments. Figure 15a shows the pixel arrangement of the previously developed burst CMOS image sensors [7,8] and the developed burst CMOS image sensor of this work. In previous works, the pixel and the memory array are separated in place and connected by about 8 mm long pixel output lines with the relay source follower buffer (Relay SF). On the other hand, the pixel and the memory array in this work are placed close and connected by about 200 μm relatively short output lines. Figure 15b shows the comparison of the current consumption per pixel during video capturing at the maximum frame rate between the previous work [8] and this work. All the current values were estimated by the circuit simulation. The supply voltage of both sensors is 3.3 V. The relay SF is eliminated thanks to the pixel-wise memory array architecture. The current consumption of SF2 decreased because the pixel output load was reduced. The current consumption of SF1 increased because the maximum frame rate was increased from 20 Mfps to over 100 Mfps. As a result, the current consumption during video capturing is significantly reduced though the frame rate is increased.
Figure 16 and Table 1 show the comparison of the performance for the recently reported burst image sensors [2,3,7,8,9,10,11,12,13,17,18,19]. The advanced performance of over 100 Mfps extremely high frame rate with relatively long record length of the fabricated chip was demonstrated by shortening the distance between the pixel and the memory array by the introduction of the pixel-wise analog memory array architecture and by densifying the memory by introduction of high-density trench capacitor technology.
Table 2 summarizes the performances of the developed CMOS image sensor. The maximum frame rate of the conventional CDS operation is the same as that of the previously reported burst CMOS image sensor with pixel-wise 80 analog memory array [12]. The advanced UHS video capturing performance with good photo sensing characteristics was obtained.

4. Conclusions

A global shutter burst CMOS image sensor with in-pixel trench capacitor memory array with over 100 Mfps and 368 record length was presented. A maximum 125 Mfps high frame rate is obtained by reduction of pixel output load by the pixel-wise memory array architecture and introduction of the burst CDS operation which minimize the pixel driving pulse transition. Long record length is realized by high density analog memory integration with Si trench capacitor. The novel performance of over 100 Mfps high frame rate video capturing with 368 record length under room temperature was confirmed. The developed CMOS image sensor technology can advance the UHS imaging technologies in scientific, engineering and medical fields.

Author Contributions

Conceptualization, R.K. and S.S.; Data curation, M.S.; Formal analysis, M.S., R.K. and S.S.; Funding acquisition, M.S., R.K. and S.S.; Investigation, M.S., Y.S., R.K. and S.S.; Methodology, M.S., R.K. and S.S.; Project administration, M.S., R.K. and S.S.; Software, M.S.; Supervision, R.K. and S.S.; Validation, M.S., Y.S., R.K. and S.S.; Visualization, M.S., R.K. and S.S.; Writing–original draft, M.S.; Writing–review and editing, R.K. All authors have read and agreed to the published version of the manuscript.

Funding

This research was partly funded by JSPS KAKENHI, grant Number 19J11127.

Acknowledgments

The authors would like to express their appreciation to the financial supports of JSPS KAKENHI, grant number 19J11127.

Conflicts of Interest

The authors declare no conflict of interest.

References

  1. Versluis, M. High-speed imaging in fluids. Exp. Fluids 2013, 54, 1458. [Google Scholar] [CrossRef]
  2. Dao, V.; Ngo, N.; Nguyen, A.; Morimoto, K.; Shimonomura, K.; Goetschalckx, P.; Haspeslagh, L.; De Moor, P.; Takehara, K.; Etoh, T.G. An Image Signal Accumulation Multi-Collection-Gate Image Sensor Operating at 25 Mfps with 32 × 32 Pixels and 1220 In-Pixel Frame Memory. Sensors 2018, 18, 3112. [Google Scholar] [CrossRef] [PubMed]
  3. Nguyen, A.; Dao, V.; Shimonomura, K.; Takehara, K.; Etoh, T.G. Toward the Ultimate-High-Speed Image Sensor: From 10 ns to 50 ps. Sensors 2018, 18, 2407. [Google Scholar] [CrossRef] [PubMed]
  4. Seo, M.W.; Shirakawa, Y.; Kawata, Y.; Kagawa, K.; Yasutomi, K.; Kawahito, S. A Time-Resolved Four-Tap Lock-In Pixel CMOS Image Sensor for Real-Time Fluorescence Lifetime Imaging Microscopy. IEEE J. Solid-State Circuits 2018, 53, 2319–2330. [Google Scholar] [CrossRef]
  5. Kagawa, K.; Kokado, T.; Sato, Y.; Mochizuki, F.; Nagahara, H.; Takawasa, T.; Yasutomi, K.; Kawahito, S. Multi-tap macro-pixel based compressive ultra-high-speed CMOS image sensor. In Proceedings of the 2019 International Image Sensor Workshop, Snowbird, UT, USA, 23–27 June 2019; pp. 270–273. [Google Scholar]
  6. Kuroda, R.; Suzuki, M.; Sugawa, S. Over 100 million frames per second high speed global shutter CMOS image sensor. Proc. SPIE 2019, 11051, 110510B. [Google Scholar]
  7. Tochigi, Y.; Hanzawa, K.; Kato, Y.; Kuroda, R.; Mutoh, H.; Hirose, R.; Tominaga, H.; Takubo, K.; Kondo, Y.; Sugawa, S. A Global-Shutter CMOS Image Sensor With Readout Speed of 1-Tpixel/s Burst and 780-Mpixel/s Continuous. IEEE J. Solid-State Circuits 2013, 48, 329–338. [Google Scholar] [CrossRef]
  8. Kuroda, R.; Tochigi, Y.; Miyauchi, K.; Takeda, T.; Sugo, H.; Shao, F.; Sugawa, S. A 20Mfps Global Shutter CMOS Image Sensor with Improved Light Sensitivity and Power Consumption Performances. ITE Trans. Media Technol. Appl. 2016, 4, 149–154. [Google Scholar] [CrossRef][Green Version]
  9. Suzuki, M.; Suzuki, M.; Kuroda, R.; Kumagai, Y.; Chiba, A.; Miura, N.; Kuriyama, N.; Sugawa, S. An over 1Mfps global shutter CMOS image sensor with 480 frame storage using vertical analog memory integration. In Proceedings of the 2016 IEEE International Electron Devices Meeting (IEDM), San Francisco, CA, USA, 3–7 December 2016; pp. 212–215. [Google Scholar]
  10. Suzuki, M.; Suzuki, M.; Kuroda, R.; Kumagai, Y.; Chiba, A.; Miura, N.; Kuriyama, N.; Sugawa, S. 10Mfps 960 Frames Video Capturing Using a UHS Global Shutter CMOS Image Sensor with High Density Analog Memories. In Proceedings of the 2017 International Image Sensor Workshop, Hiroshima, Japan, 30 May–2 June 2017; pp. 308–311. [Google Scholar]
  11. Wu, L.; San Segundo Bello, D.; Coppejans, P.; Craninckx, J.; Wambacq, P.; Borremans, J. A 20 Mfps high frame-depth CMOS burst-mode imager with low power in-pixel NMOS-only passive amplifier. Sel. Pap. 31st Int. Congr. High-Speed Imaging Photonics 2017, 10328, 1032803. [Google Scholar]
  12. Suzuki, M.; Suzuki, M.; Kuroda, R.; Sugawa, S. A Preliminary Chip Evaluation toward Over 50Mfps Burst Global Shutter Stacked CMOS Image Sensor. Electron. Imaging Image Sens. Imaging Syst. 2018 2018, 2018, 3981–3984. [Google Scholar] [CrossRef]
  13. Suzuki, M.; Kuroda, R.; Sugawa, S. A 125Mfps Global Shutter CMOS Image Sensor with Burst Correlated Double Sampling during Photo-Electrons Collection. In Proceedings of the Extended Abstracts of the 2018 International Conference on Solid State Devices and Materials, Tokyo, Japan, 9–13 September 2018; pp. 593–594. [Google Scholar]
  14. Martin-gonthier, P.; Raymundo, F.; Magnan, P. High-density 3D interconnects Technology: The key for burst-mode very high speed imaging? In Proceedings of the 2015 International Image Sensor Workshop, Vaals, The Netherlands, 8–11 June 2015; pp. 142–145. [Google Scholar]
  15. Suzuki, M.; Kuroda, R.; Sugawa, S. Over 100 Million Frames per Second 368 Frames Global Shutter Burst CMOS Image Sensor with In-pixel Trench Capacitor Memory Array. In Proceedings of the 2019 International Image Sensor Workshop, Snowbird, UT, USA, 23–27 June 2019; pp. 266–269. [Google Scholar]
  16. Miyauchi, K.; Takeda, T.; Hanzawa, K.; Tochigi, Y.; Sakai, S.; Kuroda, R.; Tominaga, H.; Hirose, R.; Takubo, K.; Kondo, Y.; et al. Pixel structure with 10 nsec fully charge transfer time for the 20m frame per second burst CMOS image sensor. In Image Sensors and Imaging Systems 2014; Widenhorn, R., Dupret, A., Eds.; SPIE: Bellingham, WA, USA, 2014; Volume 9022, p. 902203. [Google Scholar]
  17. Goji Etoh, T.; Poggemann, D.; Ruckelshausen, A.; Theuwissen, A.; Kreider, G.; Folkerts, H.O.; Mutoh, H.; Kondo, Y.; Maruno, H.; Takubo, K.; et al. A CCD image sensor of 1 Mframes/s for continuous image capturing 103 frames. In Proceedings of the 2002 IEEE International Solid-State Circuits Conference. Digest of Technical Papers (Cat. No.02CH37315), San Francisco, CA, USA, 3–7 February 2002; Volume 1, pp. 46–443. [Google Scholar]
  18. Etoh, T.G.; Nguyen, D.H.; Dao, S.V.T.; Vo, C.L.; Tanaka, M.; Takehara, K.; Okinaka, T.; van Kuijk, H.; Klaassens, W.; Bosiers, J.; et al. A 16 Mfps 165kpixel backside-illuminated CCD. In Proceedings of the 2011 IEEE International Solid-State Circuits Conference, San Francisco, CA, USA, 20–24 February 2011; pp. 406–408. [Google Scholar]
  19. Benhammadi, S.; Marsh, B.; Taylor, K.; Chan, W.; Birman, A.; Lahav, A.; Fenigstein, A.; Turchetta, R. A 5 Million fps Global Shutter Megapixel Sensor with Shutter Efficiency in Excess of 120 dB. In Proceedings of the 2017 International Image Sensor Workshop, Hiroshima, Japan, 30 May–2 June 2017; pp. 195–198. [Google Scholar]
Figure 1. Schematic illustration of structures of burst ultra-high speed (UHS) complementary metal-oxide-semiconductor (CMOS) image sensor with on-chip memories; (a) the previously developed chip, (b) an improved structure of (a) with high density memory array, (c) a planar structure with pixel-wise high density memory array, and (d) a backside illuminated 3D stacked structure with pixel-wise interconnections.
Figure 1. Schematic illustration of structures of burst ultra-high speed (UHS) complementary metal-oxide-semiconductor (CMOS) image sensor with on-chip memories; (a) the previously developed chip, (b) an improved structure of (a) with high density memory array, (c) a planar structure with pixel-wise high density memory array, and (d) a backside illuminated 3D stacked structure with pixel-wise interconnections.
Sensors 20 01086 g001
Figure 2. The block diagram of developed burst CMOS image sensor with in-pixel trench capacitor memory array.
Figure 2. The block diagram of developed burst CMOS image sensor with in-pixel trench capacitor memory array.
Sensors 20 01086 g002
Figure 3. (a) The layout diagram of the memory select circuit for each pixel and memory unit row, (b) The circuit schematic diagram of the memory select circuit for 184 analog memories.
Figure 3. (a) The layout diagram of the memory select circuit for each pixel and memory unit row, (b) The circuit schematic diagram of the memory select circuit for 184 analog memories.
Sensors 20 01086 g003
Figure 4. The circuit schematic of the pixel, the pixel-wise analog memory array, and the readout circuit of the developed burst UHS CMOS image sensor.
Figure 4. The circuit schematic of the pixel, the pixel-wise analog memory array, and the readout circuit of the developed burst UHS CMOS image sensor.
Sensors 20 01086 g004
Figure 5. (a) Layout diagram of pixel, (b) arrangement of the pixel and memory unit for the developed image sensor, (c) layout diagram, and (d) cross sectional diagram of the trench capacitor memory.
Figure 5. (a) Layout diagram of pixel, (b) arrangement of the pixel and memory unit for the developed image sensor, (c) layout diagram, and (d) cross sectional diagram of the trench capacitor memory.
Sensors 20 01086 g005
Figure 6. Timing diagram of the memory selection pulses and the pixel driving pulses at burst video capturing in-pixel correlated double sampling (CDS) operation.
Figure 6. Timing diagram of the memory selection pulses and the pixel driving pulses at burst video capturing in-pixel correlated double sampling (CDS) operation.
Sensors 20 01086 g006
Figure 7. Timing diagram of the memory selection pulses and the pixel driving pulses at burst video capturing with off-pixel CDS operation.
Figure 7. Timing diagram of the memory selection pulses and the pixel driving pulses at burst video capturing with off-pixel CDS operation.
Sensors 20 01086 g007
Figure 8. Timing diagram of pixel pulses at (a) conventional CDS operation with switching transfer gate, and (b) burst CDS operation.
Figure 8. Timing diagram of pixel pulses at (a) conventional CDS operation with switching transfer gate, and (b) burst CDS operation.
Sensors 20 01086 g008
Figure 9. Cross sectional potential diagram of the pixel of the developed image sensor. (a) shows the cross-sectional layout, (b) shows that of conventional CDS operation, and (c) shows the potential diagram of the burst CDS operation.
Figure 9. Cross sectional potential diagram of the pixel of the developed image sensor. (a) shows the cross-sectional layout, (b) shows that of conventional CDS operation, and (c) shows the potential diagram of the burst CDS operation.
Sensors 20 01086 g009
Figure 10. Chip micrograph of the developed burst CMOS image sensor. The number of pixels is extendable.
Figure 10. Chip micrograph of the developed burst CMOS image sensor. The number of pixels is extendable.
Sensors 20 01086 g010
Figure 11. Photoelectric conversion characteristics of the developed image sensor. (a) shows the characteristics of conventional in-pixel CDS operation, (b) shows those of the in-pixel burst CDS operation. Both characteristics was taken under the frame period of 1 μs.
Figure 11. Photoelectric conversion characteristics of the developed image sensor. (a) shows the characteristics of conventional in-pixel CDS operation, (b) shows those of the in-pixel burst CDS operation. Both characteristics was taken under the frame period of 1 μs.
Sensors 20 01086 g011
Figure 12. Output signal value as a function of the integration time under a constant light intensity in the in-pixel burst CDS operation.
Figure 12. Output signal value as a function of the integration time under a constant light intensity in the in-pixel burst CDS operation.
Sensors 20 01086 g012
Figure 13. Image capturing setup. The light is irradiated from the backside of the rotating object and the transmitted light is captured by the prototype camera. The prototype camera has no cooling system.
Figure 13. Image capturing setup. The light is irradiated from the backside of the rotating object and the transmitted light is captured by the prototype camera. The prototype camera has no cooling system.
Sensors 20 01086 g013
Figure 14. (a) Sample images of the rotating object (about 13 k rpm) captured at 100 Mfps 368 frames with in-pixel burst CDS operation mode, (b) captured pattern printed on a transparent sheet, and (c) false-color composite image of the start and end frames, the start frame (# 1) is assigned to red channel and the end frame (# 368) is assigned to cyan channel.
Figure 14. (a) Sample images of the rotating object (about 13 k rpm) captured at 100 Mfps 368 frames with in-pixel burst CDS operation mode, (b) captured pattern printed on a transparent sheet, and (c) false-color composite image of the start and end frames, the start frame (# 1) is assigned to red channel and the end frame (# 368) is assigned to cyan channel.
Sensors 20 01086 g014
Figure 15. (a) The pixel arrangement of the previous developed burst CMOS image sensors [7,8] and this work, (b) Comparison of the current consumption per pixel during video capturing between the previous work [8] and this work.
Figure 15. (a) The pixel arrangement of the previous developed burst CMOS image sensors [7,8] and this work, (b) Comparison of the current consumption per pixel during video capturing between the previous work [8] and this work.
Sensors 20 01086 g015
Figure 16. Comparison of the maximum frame rate as a function of record length for the developed chip and recently reported burst image sensors.
Figure 16. Comparison of the maximum frame rate as a function of record length for the developed chip and recently reported burst image sensors.
Sensors 20 01086 g016
Table 1. Specification and performance comparison of reported burst image sensors.
Table 1. Specification and performance comparison of reported burst image sensors.
Sensor
Type
Maximum
Frame Rate
(Mfps)
Record
Length
Pixel
Pitch
(μm)
Number
of
Pixels
Trench
Capacitor
Memory
Burst
CDS
Operation
This work [15]CMOS100368 70 × 35 50 × 108
Tochigi et al. [7]CMOS10128 32 × 32 400 × 256
Suzuki et al. [10]CMOS5480 32 × 32 96 × 128
Suzuki et al. [12]CMOS5080 69.12 × 34.56 25 × 100
Suzuki et al. [13]CMOS10080 69.12 × 34.56 25 × 100
Etoh et al. [17]CCD1103 66.3 × 66.3 312 × 260
Etoh et al. [18]CCD16117 43.2 × 43.2 362 × 456
Benhammadi et al. [19]CCD/CMOS5180 30 × 30 924 × 768
Wu et al. [11]CMOS20108 30 × 30 32 × 84
Dao et al. [2]CCD251220 72.56 × 72.56 32 × 32
Nguyen et al. [3]CCD1005 12.73 × 12.73 512 × 576 × 2
Table 2. Performance summary of the developed burst UHS CMOS image sensor.
Table 2. Performance summary of the developed burst UHS CMOS image sensor.
ItemsUnitValue
Process technology 1P5M 0.18 μ m CMOS
Power supply voltageV3.3
Pixel pitch
(3D stacking equivalent)
μm 70 H × 35 V
( 35 H × 35 V )
Photodiode sizeμm2 30.00 H × 21.34 V
Number of pixels 50 H × 108 V
Number of analog memories/pixel 368
Burst CDS
operation
Conventional CDS
operation
In-pixelOff-pixelIn-pixelOff-pixel
Maximum frame rateMfps1001255071.4
Record length 368184368184
Conversion gain (measured at 1 Mfps)μV/e99104
Saturation (measured at 1 Mfps)ke11.513.4

Share and Cite

MDPI and ACS Style

Suzuki, M.; Sugama, Y.; Kuroda, R.; Sugawa, S. Over 100 Million Frames per Second 368 Frames Global Shutter Burst CMOS Image Sensor with Pixel-wise Trench Capacitor Memory Array. Sensors 2020, 20, 1086. https://doi.org/10.3390/s20041086

AMA Style

Suzuki M, Sugama Y, Kuroda R, Sugawa S. Over 100 Million Frames per Second 368 Frames Global Shutter Burst CMOS Image Sensor with Pixel-wise Trench Capacitor Memory Array. Sensors. 2020; 20(4):1086. https://doi.org/10.3390/s20041086

Chicago/Turabian Style

Suzuki, Manabu, Yuki Sugama, Rihito Kuroda, and Shigetoshi Sugawa. 2020. "Over 100 Million Frames per Second 368 Frames Global Shutter Burst CMOS Image Sensor with Pixel-wise Trench Capacitor Memory Array" Sensors 20, no. 4: 1086. https://doi.org/10.3390/s20041086

APA Style

Suzuki, M., Sugama, Y., Kuroda, R., & Sugawa, S. (2020). Over 100 Million Frames per Second 368 Frames Global Shutter Burst CMOS Image Sensor with Pixel-wise Trench Capacitor Memory Array. Sensors, 20(4), 1086. https://doi.org/10.3390/s20041086

Note that from the first issue of 2016, this journal uses article numbers instead of page numbers. See further details here.

Article Metrics

Back to TopTop