Design, Analysis, and Verification of an Electro- Hydrostatic Actuator for Distributed Actuation System
Abstract
1. Introduction
2. Design of the Actuator Prototype
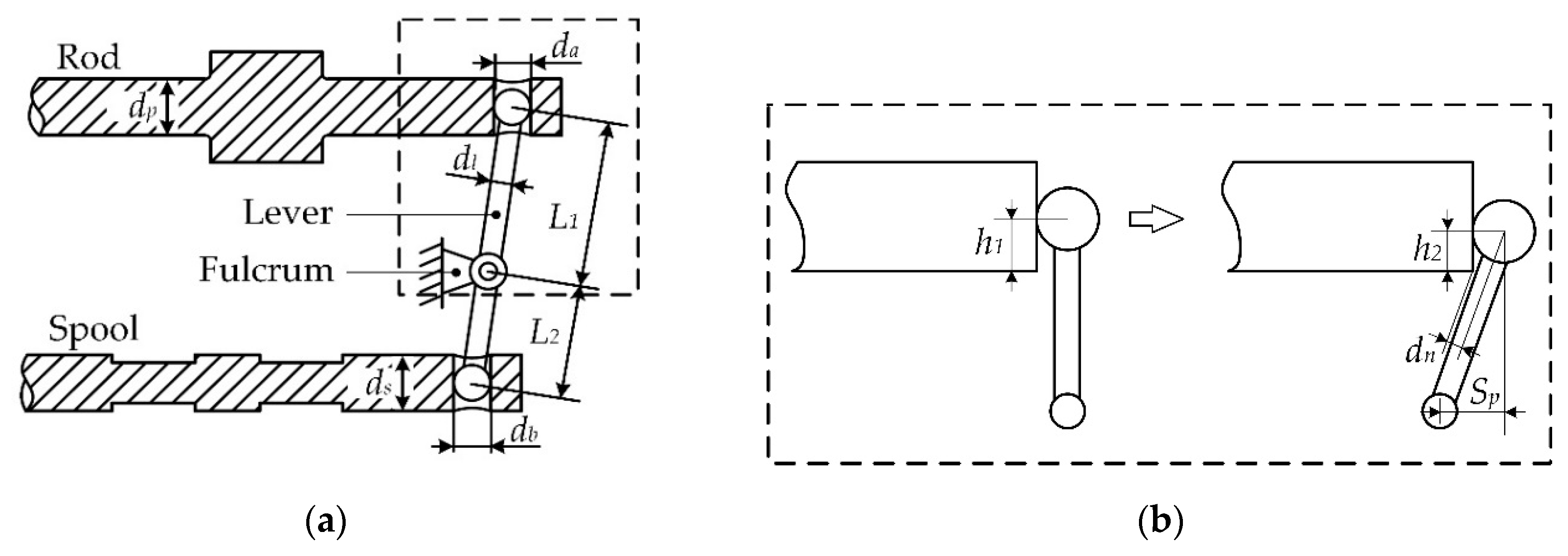
2.1. Design of the Linear Pump
2.2. Integration of the Actuator
3. Characteristics Analysis of the Actuator
3.1. Principle of the Pump Flowrate Variation
3.2. Resonance Characteristics of the Linear Oscillating Motor
3.3. Overall Dynamics of the Actuator
4. Control of the Actuator
4.1. The Linear Motor Mover Control of the Inner Loop
4.2. The Actuator Position Control of the Outer Loop
5. Experiments and Verification
- Linear motor control experiment. The aim was to verify the linear motor resonant oscillating feasibility, and the effectiveness of the proposed PID + feedforward control method.
- The actuator tracking performance experiment. The aim was to verify the pump and actuator control feasibility and the tracking performance of the actuator control.
- The actuator spring load experiment. The aim was to verify the actuator performance with a spring load disturbance and test the actuator force capability with dynamic loads.
5.1. Linear Motor Control Experiment
5.2. The Actuator Tracking Performance Experiment
5.3. The Actuator Spring Load Experiment
6. Discussion
Author Contributions
Funding
Conflicts of Interest
Nomenclature
| Symbol | Items |
| Ap | Effective area of the pump piston |
| dr | Diameter of the pump rod |
| dp | Diameter of the pump piston |
| ds | Diameter of the pump spool |
| L1 | Lever length of the pump cylinder piston |
| L2 | Lever length of the pump valve spool |
| lp | Maximum stroke of piston |
| ls | Maximum stroke of spool |
| dn | Minimum distance between the pump piston rod and the lever |
| dl | Diameter of the pump lever |
| h1 | Distance between the pump piston rod excircle and lever bulb center at the neutral position |
| h2 | Distance between the pump piston rod excircle and lever bulb center at the limit position |
| Sp | Horizontal distance between two bulbs of the lever |
| KT | Force constant of the motor |
| Ke | Back EMF constant of the motor |
| Rm | Resistance of the motor winding |
| Lm | Inductance of the motor winding |
| ms | Equivalent mass of the mover (motor and the pump) |
| Sm | Stroke of the motor |
| Ap | Effective area of the pump piston |
| AL | Effective aera of the actuator cylinder |
| mL | Mass of the actuator cylinder piston |
| SL | Stroke of the actuator cylinder |
| Sm | Stroke of the pump piston |
| f | Frequency of the pump piston reciprocation |
| φ | Phase difference between the two pump movers |
| Pr | Flowrate of the pump per period |
| Qr | Flowrate of the pump per unit time |
| U | Voltage of the motor winding |
| v | Velocity of the motor mover |
| i | Current of the motor winding |
| Fm | Thrust of the motor |
| x | Displacement of the motor mover |
| FLm | Load force of the motor mover |
| ce | Damping ratio of the motor mover |
| Wb | Motor output power per period |
| ks | Spring constant |
| cL | Damping ratio of the actuator cylinder |
| FL | Load force of the actuator cylinder |
| AL | Effective area of the actuator cylinder |
| β | Elastic modulus of fluid, are the |
| Vna, Vnb | Volumes of the pump cylinder chambers |
| Qna, Qnb | Flowrate of the pump cylinder chambers |
| Pna, Pnb | Pressure of the pump cylinder chambers |
| VLa, VLb | Volumes of the actuator cylinder chambers |
| QLa, QLb | Flowrate of the actuator cylinder chambers |
| PLa, PLb | Flowrate of the actuator cylinder chambers |
| P1 | Damping coefficient of the feedforward |
| P2 | Elastic coefficient of the feedforward |
References
- Navarro, R. Performance of an Electro-Hydrostatic Actuator on the F-18 Systems Research Aircraft; Report No. NASA/TM-97-206224; Dryden Flight Research Center: Edwards, CA, USA, 1997. [Google Scholar]
- Alle, N.; Hiremath, S.S.; Makaram, S.; Subramaniam, K.; Talukdar, A. Review on electro hydrostatic actuator for flight control. Int. J. Fluid Power 2016, 17, 125–145. [Google Scholar] [CrossRef]
- Van den Bossche, D. The A380 Flight Control Electro-Hydrostatic Actuators, Achievements and Lessons Learnt. In Proceedings of the 25th International Congress of the Aeronautical Sciences, Hamburg, Germany, 3–8 September 2006; pp. 3383–3390. [Google Scholar]
- Habibi, S.; Goldenberg, A. Design of a new high-performance electrohydraulic actuator. IEEE/ASME Trans. Mechatron. 2000, 5, 158–164. [Google Scholar] [CrossRef]
- McCullough, K.R. Design and Characterization of a Dual Electro-Hydrostatic Actuator. Master’s Thesis, Department of Mechanical Engineering, McMaster University, Hamilton, ON, Canada, 2011. [Google Scholar]
- Shang, Y.; Bai, N.; Jiao, L.; Yao, N.; Wu, S.; Jiao, Z. Motion Synchronous Composite Decoupling with Fewer Sensors on Multichannel Hydraulic Force Control for Aircraft Structural Loading Test System. Sensors 2018, 18, 4050. [Google Scholar] [CrossRef] [PubMed]
- Kaminaga, H.; Otsuki, S. Development of High-Power and Back-drivable Linear Electro-Hydrostatic Actuator. In Proceedings of the 14th International Conference on Humanoid Robots (Humanoids), Madrid, Spain, 18–20 November 2014; pp. 973–978. [Google Scholar]
- Ko, T.; Kaminaga, H.; Nakamura, Y. Key design parameters of a few types of electro-hydrostatic actuators for humanoid robots. Adv. Rob. 2018, 32, 1241–1252. [Google Scholar] [CrossRef]
- Lee, W.Y.; Kim, M.J.; Chung, W.K. An Approach to Development of Electro-Hydrostatic Actuator (EHA)-Based Robot Joints. In Proceedings of the IEEE International Conference on Industrial Technology (ICIT), Seville, Spain, 17–19 March 2015; pp. 99–106. [Google Scholar]
- Kargov, A.; Werner, T.; Pylatiuk, C.; Schulz, S. Development of a miniaturised hydraulic actuation system for artificial hands. Sens. Actuators A Phys. 2008, 141, 548–557. [Google Scholar] [CrossRef]
- Alfayad, S.; Ouezdou, F.B.; Namoun, F.; Gheng, G. High performance integrated electro-hydraulic actuator for robotics—Part I: Principle, prototype design and first experiments. Sens. Actuators A Phys. 2011, 169, 115–123. [Google Scholar] [CrossRef]
- Lenin, N.C.; Sanjeevikumar, P.; Iqbal, A.; Mbohwa, C. Linear Synchronous Reluctance Motor—A Comprehensive Review. In Advances in Systems, Control and Automation; Springer: Singapore, 2018; pp. 45–70. [Google Scholar]
- Cacucciolo, V.; Shintake, J.; Kuwajima, Y.; Maeda, S.; Floreano, D.; Shea, H. Stretchable pumps for soft machines. Nature 2019, 572, 516–519. [Google Scholar] [CrossRef] [PubMed]
- Li, Z.; Seo, Y.; Aydin, O.; Elhebeary, M.; Kamm, R.D.; Kong, H.; Saif, M.T.A. Biohybrid valveless pump-bot powered by engineered skeletal muscle. Proc. Natl. Acad. Sci. USA 2019, 116, 1543–1548. [Google Scholar] [CrossRef] [PubMed]
- Leati, E.; Poltschak, F.; Scheidl, R. An electromagnetically actuated high frequency oscillation pump. Mechatronics 2017, 47, 233–245. [Google Scholar] [CrossRef]
- Chaudhuri, A.; Wereley, N. Compact hybrid electrohydraulic actuators using smart materials: A review. J. Intell. Mater. Syst. Struct. 2012, 23, 597–634. [Google Scholar] [CrossRef]
- Zhu, Y.; Yang, X.; Wereley, N.M. Theoretical and experimental investigations of a magnetostrictive electro-hydrostatic actuator. Smart Mater. Struct. 2018, 27, 105043. [Google Scholar] [CrossRef]
- Li, Y.; Jiao, Z.; Wu, S. Flow characteristics analysis and optimization design of high frequency reciprocation pump applying check valve to rectification. Chin. J. Mech. Eng. 2013, 49, 154–163. [Google Scholar] [CrossRef]
- Tan, H.; Hurst, W.; Leo, D. Performance modeling of a piezohydraulic actuation system with active valves. Smart Mater. Struct. 2004, 14, 91–110. [Google Scholar] [CrossRef]
- Chao, Q.; Zhang, J.; Xu, B.; Huang, H.; Pan, M. A Review of High-Speed Electro-Hydrostatic Actuator Pumps in Aerospace Applications: Challenges and Solutions. J. Mech. Des. 2019, 141, 050801. [Google Scholar] [CrossRef]
- Li, Y.; Jiao, Z.; Yan, L.; Dong, W. Conceptual Design and Composition Principles Analysis of a Novel Collaborative Rectification Structure Pump. J. Dyn. Syst. Meas. Control. 2014, 136, 054507. [Google Scholar] [CrossRef]
- Jiao, Z.; Wang, Z.; Li, X. Modeling and Control of a Novel Linear-Driven Electro-Hydrostatic Actuator Using Energetic Macroscopic Representation. J. Dyn. Syst. Meas. Control. 2018, 140, 071002. [Google Scholar] [CrossRef]
- Wang, Z.; Jiao, Z.; Li, X. Design and Testing of a Linear-Driven Electro-Hydrostatic Actuator. J. Dyn. Syst. Meas. Control. 2019, 141, 121009. [Google Scholar] [CrossRef]
- Jiao, Z.; Wang, T.; Yan, L. Design of a Tubular Linear Oscillating Motor with a Novel Compound Halbach Magnet Array. IEEE/ASME Trans. Mechatronics 2016, 22, 498–508. [Google Scholar] [CrossRef]
- Yao, N.; Yan, L.; Wang, T.; Wang, S. Magnetic Flux Distribution of Linear Machines with Novel Three-Dimensional Hybrid Magnet Arrays. Sensors 2017, 17, 2662. [Google Scholar]
- Liang, H.; Jiao, Z.; Yan, L.; Zhao, L.; Wu, S.; Li, Y. Design and analysis of a tubular linear oscillating motor for directly-driven EHA pump. Sensors Actuators A Phys. 2014, 210, 107–118. [Google Scholar] [CrossRef]
- Ziemer, R.E.; Tranter, W.H. Principles of Communications; John Wiley & Sons: Hoboken, NJ, USA, 2014; pp. 112–138. [Google Scholar]


















| Items | Symbol | Value |
|---|---|---|
| Diameter of rod | dr | 7 (mm) |
| Diameter of piston | dp | 10.5 (mm) |
| Diameter of spool | ds | 7 (mm) |
| Length of lever | L1+L2 | 51.7 (mm) |
| Ratio of lever | L1/L2 | 1.7 |
| Maximum stroke of piston | lp | 10 (mm) |
| Maximum stroke of spool | ls | 8.7 (mm) |
| Items | Symbol | Value |
|---|---|---|
| Force constant of the motor | KT | 27.5 (N/A) |
| Back electromotive force (EMF) constant of the motor | Ke | 27.5 (V∙s/m) |
| Resistance of the motor winding | Rm | 2.2 (Ω) |
| Inductance of the motor winding | Lm | 12 (mH) |
| Equivalent mass of the mover (motor and the pump) | ms | 1.15 (kg) |
| Stroke of the motor | Sm | ±5 (mm) |
| Effective area of the pump piston | Ap | 48.1 (mm2) |
| Effective area of the actuator cylinder | AL | 954 (mm2) |
| Mass of the actuator cylinder piston | mL | 1.1 (kg) |
| Stroke of the actuator cylinder | SL | ±37 (mm) |
© 2020 by the authors. Licensee MDPI, Basel, Switzerland. This article is an open access article distributed under the terms and conditions of the Creative Commons Attribution (CC BY) license (http://creativecommons.org/licenses/by/4.0/).
Share and Cite
Li, Y.; Jiao, Z.; Wang, Z. Design, Analysis, and Verification of an Electro- Hydrostatic Actuator for Distributed Actuation System. Sensors 2020, 20, 634. https://doi.org/10.3390/s20030634
Li Y, Jiao Z, Wang Z. Design, Analysis, and Verification of an Electro- Hydrostatic Actuator for Distributed Actuation System. Sensors. 2020; 20(3):634. https://doi.org/10.3390/s20030634
Chicago/Turabian StyleLi, Yang, Zongxia Jiao, and Zimeng Wang. 2020. "Design, Analysis, and Verification of an Electro- Hydrostatic Actuator for Distributed Actuation System" Sensors 20, no. 3: 634. https://doi.org/10.3390/s20030634
APA StyleLi, Y., Jiao, Z., & Wang, Z. (2020). Design, Analysis, and Verification of an Electro- Hydrostatic Actuator for Distributed Actuation System. Sensors, 20(3), 634. https://doi.org/10.3390/s20030634

