Performance Evaluation of Miniature Integrated Electrochemical Cells Fabricated Using LTCC Technology †
Abstract
1. Introduction
2. Materials and Methods
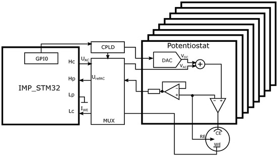
2.1. Multichannel Electrochemical System EIS-STM32
2.2. Electric Equivalent Circuit Modeling
3. Results
3.1. Scanning Electron Microscope
3.2. Reference Electrode Forming
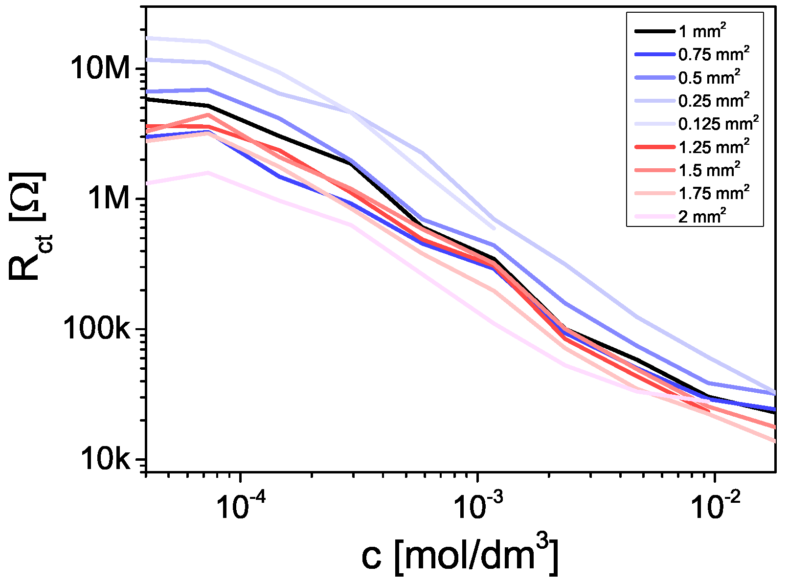
3.3. Influence of the IEC Geometry on EIS Results
3.4. EIS Monitoring of Protein Adsorption
3.5. CV Monitoring of Protein Adsorption
4. Conclusions
Author Contributions
Funding
Acknowledgments
Conflicts of Interest
Abbreviations
| AFM | atomic force microscopy |
| BSA | Bovine Serum Albumin |
| CE | counter electrode |
| CPE | constant phase element |
| CV | cyclic voltammetry |
| EEC | Electrical Equivalent Circuit |
| EIS | electrochemical impedance spectroscopy |
| ELISA | Enzyme-Linked Immunosorbent Assay |
| IEC | integrated electrochemical cell |
| LTCC | Low Temperature Cofired Ceramic |
| PBS | Phosphate Buffered Saline |
| PCR | polymerase chain reaction |
| RE | reference electrode |
| SEM | scanning electron microscope |
| TEM | transmission electron microscopy |
| WE | working electrode |
References
- Celis, J.E. Cell Biology; Academic Press: Cambridge, MA, USA, 2005. [Google Scholar]
- Amon, A.; Simchen, G.; Amorim, I.; Sunkel, C.E.; Reed, S.I.; Zachariae, W.; Ciosk, R.; Nasmyth, K.; Lottspeich, F.; Nasmyth, K.; et al. Common Structure of Soluble Amyloid Oligomers Implies Common Mechanism of Pathogenesis. Science 2003, 300, 486–490. [Google Scholar]
- Zhao, F.; Tian, Y.; Shen, Q.; Liu, R.; Shi, R.; Wang, H.; Yang, Z. A novel nanobody and mimotope based immunoassay for rapid analysis of aflatoxin B1. Talanta 2019, 195, 55–61. [Google Scholar] [CrossRef] [PubMed]
- Seitz, R.; Brings, R.; Geiger, R. Protein adsorption on solid–liquid interfaces monitored by laser-ellipsometry. Appl. Surf. Sci. 2005, 252, 154–157. [Google Scholar] [CrossRef]
- Drelich, J.; Mittal, K.L. Atomic Force Microscopy in Adhesion Studies; CRC Press: Boca Raton, FL, USA, 2005. [Google Scholar]
- Du, J.; Li, B.; Zhang, P.; Wang, Y. Cationized bovine serum albumin as gene carrier: Influence of specific secondary structure on DNA complexibility and gene transfection. Colloids Surf. B Biointerfaces 2016, 143, 37–46. [Google Scholar] [CrossRef] [PubMed]
- Zhang, S.; Wang, N.; Yu, H.; Niu, Y.; Sun, C. Covalent attachment of glucose oxidase to an Au electrode modified with gold nanoparticles for use as glucose biosensor. Bioelectrochemistry 2005, 67, 15–22. [Google Scholar] [CrossRef] [PubMed]
- Barsoukov, E.; Macdonald, J. Impedance Spectroscopy Theory, Experiment, and Applications; Wiley: Hoboken, NJ, USA, 2005. [Google Scholar]
- Liu, W.; Zhong, D.; Dai, Z.; Liu, Y.; Wang, J.; Wang, Z.; Pan, J. Synergetic utilization of photoabsorption and surface facet in crystalline/amorphous contacted BiOCl-Bi2S3 composite for photocatalytic degradation. J. Alloys Compd. 2019, 780, 907–916. [Google Scholar] [CrossRef]
- Sun, G.; Kang, K.; Qiu, L.; Guo, X.; Zhu, M. Electrochemical performance and microbial community analysis in air cathode microbial fuel cells fuelled with pyroligneous liquor. Bioelectrochemistry 2019, 126, 12–19. [Google Scholar] [CrossRef] [PubMed]
- Rieger, P.H. Electrochemistry; Springer Science + Business Media: Dordrecht, The Netherlands, 1994; Volume 91, pp. 399–404. [Google Scholar]
- Ahmad, A.; Moore, E. Electrochemical immunosensor modified with self-assembled monolayer of 11-mercaptoundecanoic acid on gold electrodes for detection of benzo[a]pyrene in water. Analyst 2012, 137, 5839–5844. [Google Scholar] [CrossRef] [PubMed]
- Haji-Hashemi, H.; Habibi, M.M.; Safarnejad, M.R.; Norouzi, P.; Ganjali, M.R. Label-free electrochemical immunosensor based on electrodeposited Prussian blue and gold nanoparticles for sensitive detection of citrus bacterial canker disease. Sens. Actuators B Chem. 2018, 275, 61–68. [Google Scholar] [CrossRef]
- Ziółkowski, R.; Górski, Ł.; Prokaryn, P.; Zaborowski, M.; Kutyła-Olesiuk, A.; Ciosek, P.; Wróblewski, W.; Malinowska, E. Development of silicon-based electrochemical transducers. Anal. Methods 2013, 5, 5464–5470. [Google Scholar]
- Manjakkal, L.; Synkiewicz, B.; Zaraska, K.; Cvejin, K.; Kulawik, J.; Szwagierczak, D. Development and characterization of miniaturized LTCC pH sensors with RuO2 based sensing electrodes. Sens. Actuators B Chem. 2016, 223, 641–649. [Google Scholar] [CrossRef]
- Evans, D.; Papadimitriou, K.I.; Vasilakis, N.; Pantelidis, P.; Kelleher, P.; Morgan, H.; Prodromakis, T. A Novel Microfluidic Point-of-Care Biosensor System on Printed Circuit Board for Cytokine Detection. Sensors 2018, 18, 4011. [Google Scholar] [CrossRef] [PubMed]
- Khanna, P.K.; Hornbostel, B.; Burgard, M.; Schäfer, W.; Dorner, J. Studies on three-dimensional moulding, bonding and assembling of low-temperature-cofired ceramics for MEMS and MST applications. Mater. Chem. Phys. 2005, 89, 72–79. [Google Scholar] [CrossRef]
- Malecha, K.; Golonka, L.J. Microchannel fabrication process using LTCC ceramics. Microelectron. Reliab. 2008, 48, 866–871. [Google Scholar] [CrossRef]
- Golonka, L.; Bembnowicz, P.; Jurków, D.; Malecha, K.; Roguszczak, H.; Tadaszak, R. Low temperature co-fired ceramics ( LTCC ) microsystems. Optica Appl. 2011, 41, 383–388. [Google Scholar]
- Bhansali, S.; Vasudev, A.; Norena, N.; Tomizawa, Y.; Kaushik, A. An LTCC-based microfluidic system for label-free, electrochemical detection of cortisol. Sens. Actuators B Chem. 2013, 182, 139–146. [Google Scholar]
- Angnes, L.; Richter, E.M.; Gongora-Rubio, M.R.; da Rocha, Z.M.; Fontes, M.B. LTCC manifold for heavy metal detection system in biomedical and environmental fluids. Sens. Actuators B Chem. 2004, 103, 468–473. [Google Scholar]
- Achmann, S.; Hämmerle, M.; Kita, J.; Moos, R. Miniaturized low temperature co-fired ceramics (LTCC) biosensor for amperometric gas sensing. Sens. Actuators B Chem. 2008, 135, 89–95. [Google Scholar] [CrossRef]
- Wang, T.; Gao, H.; Jin, X.; Chen, H.; Peng, J.; Chen, G.Z. Electrolysis of solid metal sulfide to metal and sulfur in molten NaCl–KCl. Electrochem. Commun. 2011, 13, 1492–1495. [Google Scholar] [CrossRef]
- Jin, M.; Jiang, L.; Xu, J.; Chu, H.; Tao, D.; Bai, S.; Jia, Y. Electrochemical Characterization of Solid Ag/AgCl Reference Electrode with Different Electrolytes for Corrosion Monitoring of Steel in Concrete. Electrochemistry 2016, 84, 383–389. [Google Scholar] [CrossRef]
- AL-Jawad, S.M.; Taha, A.A.; Al-Halbosiy, M.M.; AL-Barram, L.F. Synthesis and characterization of small-sized gold nanoparticles coated by bovine serum albumin (BSA) for cancer photothermal therapy. Photodiagn. Photodyn. Ther. 2018, 21, 201–210. [Google Scholar] [CrossRef] [PubMed]
- Ignat, T.; Miu, M.; Kleps, I.; Bragaru, A.; Simion, M.; Danila, M. Electrochemical characterization of BSA/11-mercaptoundecanoic acid on Au electrode. Mater. Sci. Eng. B Solid-State Mater. Adv. Technol. 2010, 169, 55–61. [Google Scholar] [CrossRef]
- Piasecki, T.; Chabowski, K.; Nitsch, K. Design, calibration and tests of versatile low frequency impedance analyser based on ARM microcontroller. Measurement 2016, 91, 155–161. [Google Scholar] [CrossRef]
- Piasecki, T. Fast impedance measurements at very low frequencies using curve fitting algorithms. Meas. Sci. Technol. 2015, 26. [Google Scholar] [CrossRef]














| No | h (mm) | w (mm) | d (mm) | ||||
|---|---|---|---|---|---|---|---|
| 1 | 0.125 | 0.5 | 2 | 0.0625 | 0.125 | 594.2 | 5.1 |
| 2 | 0.5 | 0.5 | 1.5 | 0.25 | 0.5 | 702.5 | 4.8 |
| 3 | 1 | 0.5 | 1.5 | 0.5 | 0.5 | 442.1 | 3.9 |
| 4 | 0.75 | 1 | 1 | 0.75 | 0.5 | 291.7 | 3.1 |
| 5 | 1 | 1 | 1 | 1 | 0.5 | 346.7 | 3.5 |
| 6 | 1.25 | 1 | 1 | 1.25 | 0.5 | 321.4 | 2.7 |
| 7 | 1.5 | 1 | 1 | 1.5 | 0.5 | 308.5 | 2.7 |
| 8 | 1.75 | 1 | 1 | 1.75 | 0.5 | 197.5 | 2.6 |
| 9 | 2 | 1 | 1 | 2 | 0.5 | 110.8 | 2.5 |
| No | (mm) | Relative Change of |
|---|---|---|
| 1 | 0.0625 | 55% |
| 3 | 0.5 | 21% |
| 5 | 1 | 38% |
| 6 | 1.25 | 26% |
| 7 | 1.5 | 21% |
© 2019 by the authors. Licensee MDPI, Basel, Switzerland. This article is an open access article distributed under the terms and conditions of the Creative Commons Attribution (CC BY) license (http://creativecommons.org/licenses/by/4.0/).
Share and Cite
Szymanowska, P.; Nowak, D.; Piasecki, T. Performance Evaluation of Miniature Integrated Electrochemical Cells Fabricated Using LTCC Technology. Sensors 2019, 19, 1314. https://doi.org/10.3390/s19061314
Szymanowska P, Nowak D, Piasecki T. Performance Evaluation of Miniature Integrated Electrochemical Cells Fabricated Using LTCC Technology. Sensors. 2019; 19(6):1314. https://doi.org/10.3390/s19061314
Chicago/Turabian StyleSzymanowska, Paulina, Damian Nowak, and Tomasz Piasecki. 2019. "Performance Evaluation of Miniature Integrated Electrochemical Cells Fabricated Using LTCC Technology" Sensors 19, no. 6: 1314. https://doi.org/10.3390/s19061314
APA StyleSzymanowska, P., Nowak, D., & Piasecki, T. (2019). Performance Evaluation of Miniature Integrated Electrochemical Cells Fabricated Using LTCC Technology. Sensors, 19(6), 1314. https://doi.org/10.3390/s19061314

