Design of a Single Channel Modulated Wideband Converter for Wideband Spectrum Sensing: Theory, Architecture and Hardware Implementation
Abstract
:1. Introduction
2. Spectrum Sensing Model
3. Single Channel Modulated Wideband converter
3.1. Structure Description
3.2. Spectrum Analysis
3.3. Power Spectrum Sensing
4. Circuit Description
4.1. Hardware Specifications
4.2. Circuit Module Design
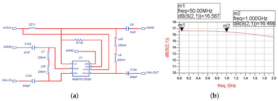
4.2.1. RF Front-End
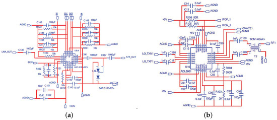
4.2.2. Mixing Module
4.2.3. Periodic Sequence Generator
4.2.4. LPF Module
5. Experiments and Discussions
5.1. Background: Software Design
- Calibration. This step is essential, because the relation between the samples and the original signal becomes unknown in real hardware implementation. Physical effects have a considerable impact on the sampling process, which may lead to detection failure [24]. However in [25], an automated calibration algorithm is presented applying to MWC. Similarly, in SCMWC, same process is adopted and implemented in our software. Generally, once the circuit board is fixed, the relation becomes a constant matrix. So the calibration process only need once.
- Digital Finite Impulse Response filtering. Actually, the SCMWC requires ideal analog low pass filters to accomplish the detection process. however, in practice, implementing ideal filters is generally difficult. Usually, people use digital filters to compensate for the analog filters. It is proved in [26] that with only a moderate amount of oversampling, the imperfections caused by non-ideal filters can be effectively corrected in the digital domain. In our software, the samples from the oscilloscope are firstly put through a digital Finite Impulse Response (FIR) filter with cutoff frequency MHz (). Then, we resample the output data, to ensure the actual sampling rate is a little higher than . At this point, the preprocessing of the data is complete.
- Power spectrum sensing. Every piece of the data is then processed automatically by the software. As described in Section 3.3, we divide the sensing algorithm into several steps shown in Figure 11. Firstly, we get the autocorrelation matrix from samples . The frame is then calculated. Next we perform eigenvalue decomposition to get which has the same column space as , and the rank of the two matrixes are the same. Finally, we use some common CS algorithms to solve the frequency support. When the support is known, the signal frequency position is certain.where submatrix contains the columns of indexed by and the is the Moore-Penrose pseudoinverse of
5.2. Software Simulations
5.3. Hardware Experiments and Analyses
5.3.1. Periodic Sign Waveforms
5.3.2. Dynamic Range
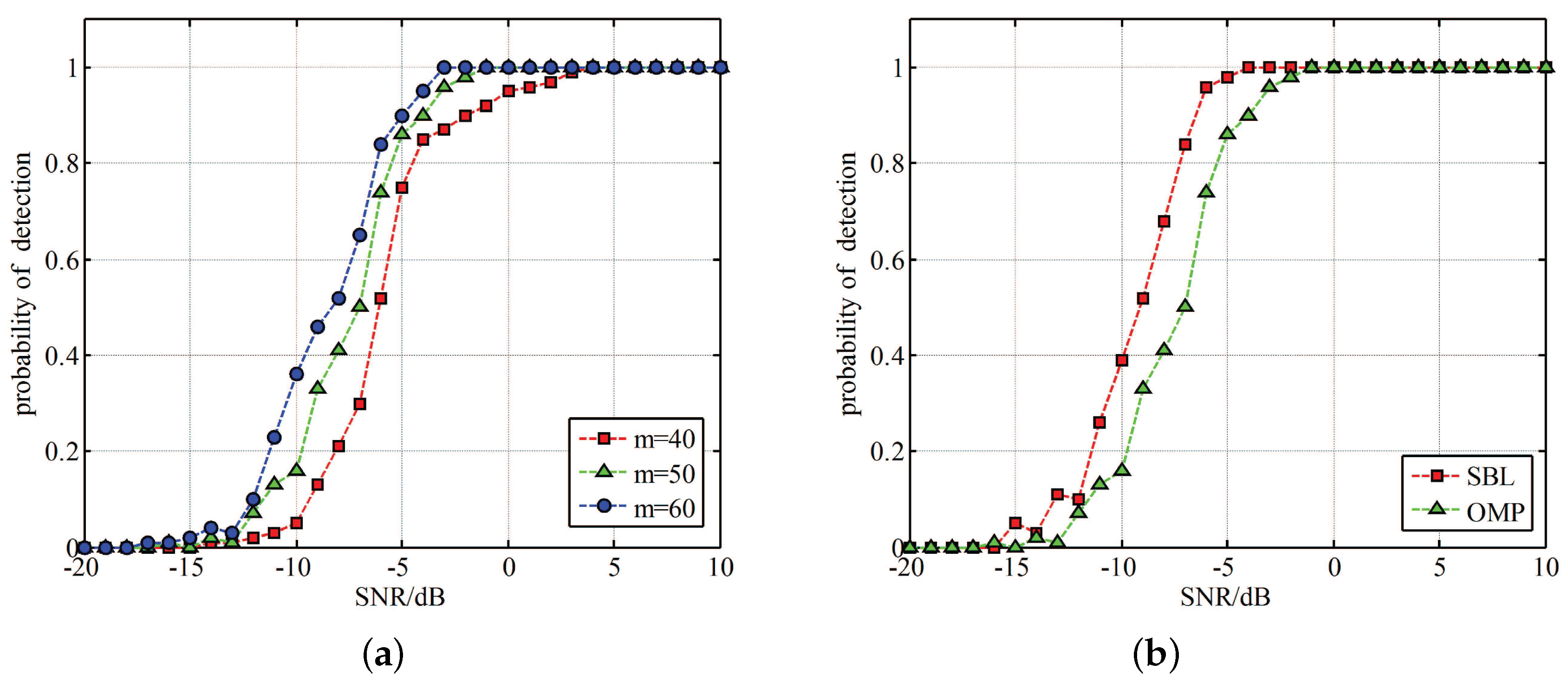
5.3.3. Sensing Experiments and Results
5.4. Comparisons with Related Work
6. Conclusions
Acknowledgments
Author Contributions
Conflicts of Interest
References
- Haykin, S. Cognitive radio: Brain-empowered wireless communications. IEEE J. Sel. Areas Commun. 2005, 23, 201–220. [Google Scholar] [CrossRef]
- Cabric, D.; Mishra, S.M.; Brodersen, R.W. Implementation issues in spectrum sensing for cognitive radios. In Proceedings of the Conference Record of the Thirty-Eighth Asilomar Conference on Signals, Systems and Computers, Pacific Grove, CA, USA, 7–10 November 2004; Volume 1, pp. 772–776. [Google Scholar]
- Yucek, T.; Arslan, H. A survey of spectrum sensing algorithms for cognitive radio applications. IEEE Commun. Surv. Tutor. 2009, 11, 116–130. [Google Scholar] [CrossRef]
- Cabric, D.; Tkachenko, A.; Brodersen, R.W. Spectrum Sensing Measurements of Pilot, Energy, and Collaborative Detection. In Proceedings of the MILCOM 2006—2006 IEEE Military Communications Conference, Washington, DC, USA, 23–25 October 2006; pp. 1–7. [Google Scholar]
- Ariananda, D.D.; Leus, G. Compressive Wideband Power Spectrum Estimation. IEEE Trans. Signal Process. 2012, 60, 4775–4789. [Google Scholar] [CrossRef]
- Landau, H.J. Necessary density conditions for sampling and interpolation of certain entire functions. Acta Math. 1967, 117, 37–52. [Google Scholar] [CrossRef]
- Candes, E.J.; Romberg, J.; Tao, T. Robust uncertainty principles: Exact signal reconstruction from highly incomplete frequency information. IEEE Trans. Inf. Theory 2006, 52, 489–509. [Google Scholar] [CrossRef]
- Donoho, D.L. Compressed sensing. IEEE Trans. Inf. Theory 2006, 52, 1289–1306. [Google Scholar] [CrossRef]
- Mishali, M.; Eldar, Y.C. Sub-Nyquist Sampling. IEEE Signal Process. Mag. 2011, 28, 98–124. [Google Scholar] [CrossRef]
- Kirolos, S.; Laska, J.; Wakin, M.; Duarte, M.; Baron, D.; Ragheb, T.; Massoud, Y.; Baraniuk, R. Analog-to-Information Conversion via Random Demodulation. In Proceedings of the 2006 IEEE Dallas/CAS Workshop on Design, Applications, Integration and Software, Richardson, TX, USA, 29–30 October 2006; pp. 71–74. [Google Scholar]
- Mishali, M.; Eldar, Y.C. From Theory to Practice: Sub-Nyquist Sampling of Sparse Wideband Analog Signals. IEEE. J. Sel. Top. Signal Process. 2010, 4, 375–391. [Google Scholar] [CrossRef]
- Herley, C.; Wong, P.W. Minimum rate sampling and reconstruction of signals with arbitrary frequency support. IEEE Trans. Inf. Theory 1999, 45, 1555–1564. [Google Scholar] [CrossRef]
- Xu, Z.; Li, Z.; Li, J. Broadband Cooperative Spectrum Sensing Based on Distributed Modulated Wideband Converter. Sensors 2016, 16, 1602. [Google Scholar] [CrossRef] [PubMed]
- Cohen, D.; Eldar, Y.C. Sub-Nyquist Sampling for Power Spectrum Sensing in Cognitive Radios: A Unified Approach. IEEE Trans. Signal Process. 2013, 62, 3897–3910. [Google Scholar] [CrossRef]
- Sun, W.; Huang, Z.; Wang, F.; Wang, X.; Xie, S. Wideband Power Spectrum Sensing and Reconstruction Based on Single Channel Sub-Nyquist Sampling. IEICE Trans. Fundam. 2016, E99.A, 167–176. [Google Scholar] [CrossRef]
- Chiang, R.I.C.; Rowe, G.B.; Sowerby, K.W. A Quantitative Analysis of Spectral Occupancy Measurements for Cognitive Radio. In Proceedings of the IEEE Vehicular Technology Conference, Dublin, Ireland, 22–25 April 2007; pp. 3016–3020. [Google Scholar]
- Mishali, M.; Eldar, Y.C. Reduce and Boost: Recovering Arbitrary Sets of Jointly Sparse Vectors. IEEE Trans. Signal Process. 2008, 56, 4692–4702. [Google Scholar] [CrossRef]
- Chen, S.; Donoho, D. Basis pursuit. In Proceedings of the 1994 28th Asilomar Conference on Signals, Systems and Computers, Pacific Grove, CA, USA, 31 October–2 November 1994; Volume 1, pp. 41–44. [Google Scholar]
- Mallat, S.G.; Zhang, Z. Matching pursuits with time-frequency dictionaries. IEEE Trans. Signal Process. 1993, 41, 3397–3415. [Google Scholar] [CrossRef]
- Mishali, M.; Eldar, Y.C.; Dounaevsky, O.; Shoshan, E. Xampling: Analog to digital at sub-Nyquist rates. IET Circuits Devices Syst. 2011, 5, 8–20. [Google Scholar] [CrossRef]
- ADL5801. Available online: http://www.analog.com/media/en/technical-documentation/evaluation-documentation/ADL5801.pdf (accessed on 10 April 2017).
- 7 Series FPGAs GTX/GTH Transceivers. Available online: http://www.xilinx.com/support/documentation/user_guides/ug476_7Series_Transceivers.pdf (accessed on 15 February 2017).
- Virtex-5 FPGA RocketIO GTX Transceiver User Guide. Available online: https://china.xilinx.com/support/documentation/user_guides/ug198.pdf (accessed on 3 March 2017).
- Israeli, E.; Tsiper, S.; Cohen, D.; Shoshan, E.; Hilgendorf, R.; Reysenson, A.; Eldar, Y.C. Hardware calibration of the modulated wideband converter. In Proceedings of the 2014 IEEE Global Communications Conference, Austin, TX, USA, 8–12 December 2014; pp. 948–953. [Google Scholar]
- Chen, L.; Jin, J.; Gu, Y. A calibration system and perturbation analysis for the Modulated Wideband Converter. In Proceedings of the IEEE 10th International Conference on Signal Processing, Beijing, China, 24–28 October 2010; pp. 78–81. [Google Scholar]
- Chen, Y.; Mishali, M.; Eldar, Y.C.; Hero, A.O. Modulated wideband converter with non-ideal lowpass filters. In Proceedings of the 2010 IEEE International Conference on Acoustics, Speech and Signal Processing, 14–19 March 2010; pp. 3630–3633. [Google Scholar]
- Liu, Z.M.; Huang, Z.T.; Zhou, Y.Y. An Efficient Maximum Likelihood Method for Direction-of-Arrival Estimation via Sparse Bayesian Learning. IEEE Trans. Wirel. Commun. 2012, 11, 1–11. [Google Scholar] [CrossRef]
- RF Cafe Website. Available online: http://www.rfcafe.com/references/electrical/ip3.htm (accessed on 10 April 2017).
















| Parameter | Choice |
|---|---|
| signal model | , MHz, GHz |
| number of period m | 16 |
| alteration rate | 2 GHz |
| sign pattern length M | 127 |
| period | MHz |
| filter cut-pff | 33 MHz |
| sampling rate | 70 MHz |
| Parameter | MWC | SCMWC |
|---|---|---|
| sensing bandwidth | 2 GHz | 2 GHz |
| maximum signal bandwidth | 19 MHz | 15 MHz |
| equivalent sampling rate | 280 MHz | 70 MHz (minimum is MHz) |
| compression ratio | 14% | 3.5% (minimum is 0.78%) |
| daynamic range | 49 dB | dB |
| Device | MWC | SCMWC |
|---|---|---|
| front-end | four sets | one set |
| periodic sequences generator | a lot of SR chips | one GTX |
| number of ADCs | 4 | 1 |
| synchronization requirement | Yes | No |
| size | two boards | one board |
© 2017 by the authors. Licensee MDPI, Basel, Switzerland. This article is an open access article distributed under the terms and conditions of the Creative Commons Attribution (CC BY) license (http://creativecommons.org/licenses/by/4.0/).
Share and Cite
Liu, W.; Huang, Z.; Wang, X.; Sun, W. Design of a Single Channel Modulated Wideband Converter for Wideband Spectrum Sensing: Theory, Architecture and Hardware Implementation. Sensors 2017, 17, 1035. https://doi.org/10.3390/s17051035
Liu W, Huang Z, Wang X, Sun W. Design of a Single Channel Modulated Wideband Converter for Wideband Spectrum Sensing: Theory, Architecture and Hardware Implementation. Sensors. 2017; 17(5):1035. https://doi.org/10.3390/s17051035
Chicago/Turabian StyleLiu, Weisong, Zhitao Huang, Xiang Wang, and Weichao Sun. 2017. "Design of a Single Channel Modulated Wideband Converter for Wideband Spectrum Sensing: Theory, Architecture and Hardware Implementation" Sensors 17, no. 5: 1035. https://doi.org/10.3390/s17051035
APA StyleLiu, W., Huang, Z., Wang, X., & Sun, W. (2017). Design of a Single Channel Modulated Wideband Converter for Wideband Spectrum Sensing: Theory, Architecture and Hardware Implementation. Sensors, 17(5), 1035. https://doi.org/10.3390/s17051035

