Enhancement of the Antioxidant Activity of Hedysari Radix Particle Dispersion via ZIF-8/PEG Surface Co-Adsorption
Abstract
1. Introduction
2. Results and Discussion
2.1. Co-Adsorption Modification on the Hedysari Radix Disperse Particles
2.2. Testing the Antioxidant Activity in the Solution System
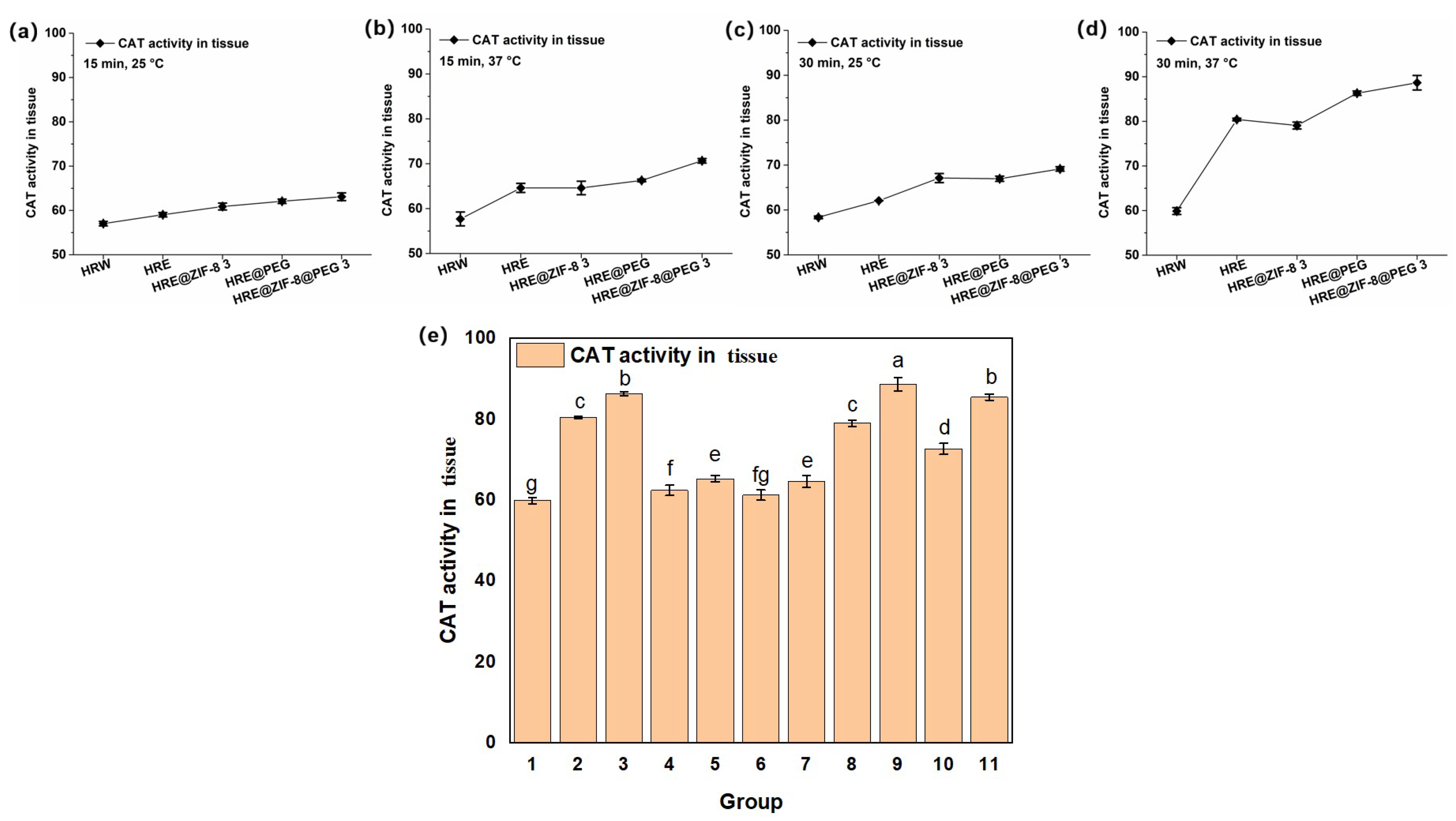
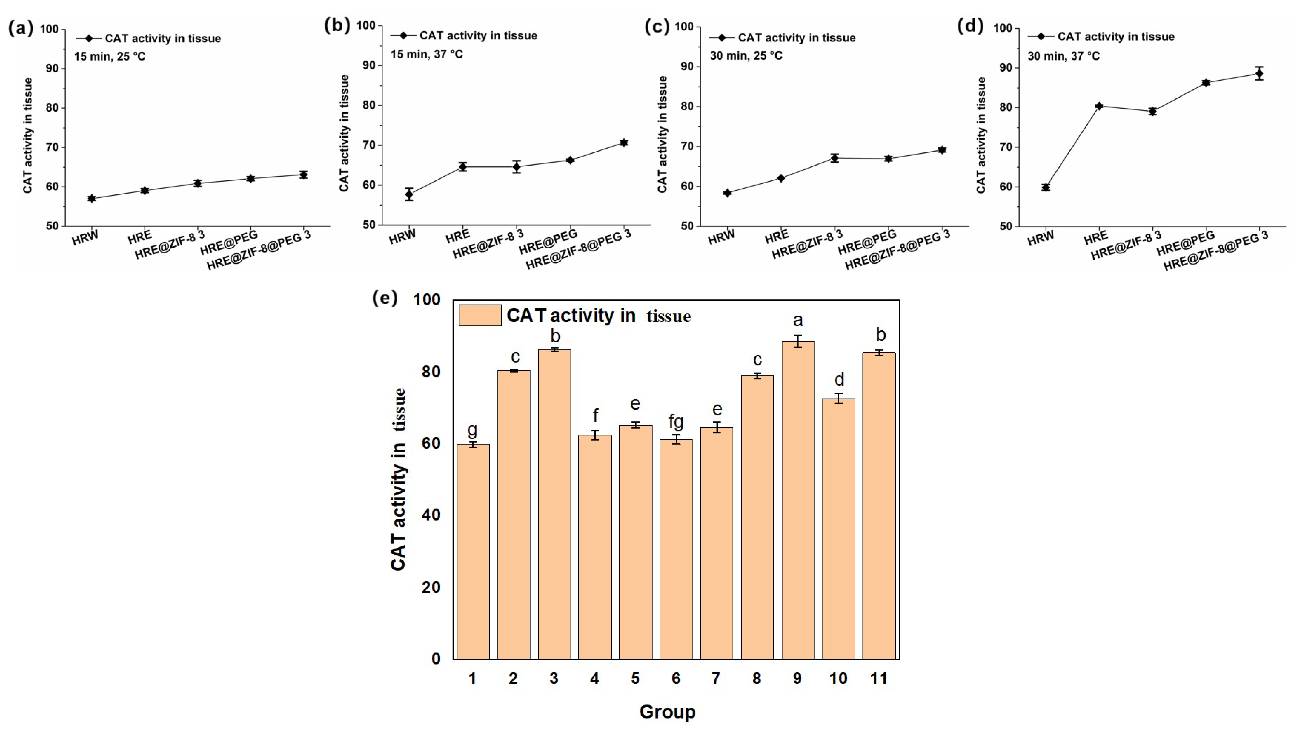
2.3. Testing the Antioxidant Activity upon C. elegans
2.4. Discussion
3. Materials and Methods
3.1. General Materials and Instruments
3.2. Preparation of the Hedysari Radix Disperse Particles and the Modified Samples
3.3. Enzymatic Activity Assays
3.4. Testing the Anti-Oxidant Effect in C. elegans
3.5. Statistical Analysis
4. Conclusions
Supplementary Materials
Author Contributions
Funding
Data Availability Statement
Conflicts of Interest
References
- Que, L.; Chi, X.L.; Zang, C.X.; Zhang, Y.; Chen, M.; Yang, G.; Jin, A.Q. Species diversity of ex-situ cultivated Chinese medicinal plants. Chin. J. Chin. Mater. Med. 2018, 43, 1071–1076. [Google Scholar]
- Guo, J.X.; Zhang, M.X.; Wang, C.C.; Zhang, R.; Shi, T.T.; Wang, X.Y.; Zhang, X.B.; Li, M.H. Application of remote sensing technology in medicinal plant resources. Chin. J. Chin. Mater. Med. 2021, 46, 4689–4696. [Google Scholar]
- Zhang, C.C.; Wang, S.; Wang, Y.F.; Wang, H.Y.; Qin, M.; Dai, X.Y.; Yan, B.B.; Guo, X.Z.; Zhou, L.; Lin, H.B.; et al. Application of tissue culture technology of medicinal plants in sustainable development of Chinese medicinal resources. Chin. J. Chin. Mater. Med. 2023, 48, 1186–1193. [Google Scholar]
- Zhang, C.C.; Fang, C.; Qin, M.; Wang, H.Y.; Guo, X.Z.; Wang, Y.F.; Yan, B.B.; Zhang, Z.H.; Wang, S.; Guo, L.P. DUS testing guidelines for new varieties of Chinese medicinal plants. Chin. J. Chin. Mater. Med. 2023, 48, 2896–2903. [Google Scholar]
- Luo, Y.F.; Liu, K.Y.; Feng, J.H.; Tong, Y.R.; Gao, W. Research progress in synthetic biology of active compounds in Chinese medicinal plants. Chin. J. Chin. Mater. Med. 2021, 46, 5727–5735. [Google Scholar]
- Mo, X.L.; Guo, D.K.; Jiang, Y.G.; Chen, P.; Huang, L.F. Isolation, structures and bioactivities of the polysaccharides from Radix Hedysari: A review. Int. J. Biol. Macromol. 2022, 199, 212–222. [Google Scholar] [CrossRef]
- Zhang, Y.G.; Zhang, S.J.; Niu, J.T.; Si, X.L.; Bian, T.T.; Wu, H.W.; Li, D.H.; Li, Y.F. Comparative study of Astragali Radix Praeparata cum Melle and Hedysari Radix Praeparata cum Melle on spleen Qi deficiency rats. Chin. J. Chin. Mater. Med. 2021, 46, 5641–5649. [Google Scholar]
- Mao, X.W.; Gu, Z.R.; Guo, Y.; Lyu, X.; Ge, B. Research hotspots and trends of Hedysari Radix: Based on CiteSpace knowledge map. Chin. J. Chin. Mater. Med. 2022, 47, 3095–3104. [Google Scholar]
- Yin, X.B.; Qu, C.H.; Dong, X.X.; Shen, M.R.; Ni, J. Preparation regularity of Chinese patent medicine in Chinese Pharmacopoeia (2020 edition, Vol.Ⅰ). Chin. J. Chin. Mater. Med. 2022, 47, 4529–4535. [Google Scholar]
- Fu, K.R.; Li, X.R.; Wei, X.C.; He, J.G.; Jia, M.T.; Li, Y.; Yan, Y.T.; Xie, X.M.; Li, C.Y. Research progress on pharmacological action and mechanism of Hedysari Radix flavones. Chin. Trad. Herb. Drugs 2024, 55, 3906–3915. [Google Scholar]
- Zhao, Y.B.; Chen, J.; Xu, J.; Zhang, T.J. Research progress in study on chemical constituents and antitumor effects in Hedysarum polybotrys. Chin. Trad. Herb. Drugs 2015, 46, 3434–3440. [Google Scholar]
- Gao, X.; Ren, C.Z.; Li, L.Y.; Zhao, H.L.; Liu, K.; Zhuang, M.J.; Lv, X.F.; Zhi, X.D.; Jiang, H.G.; Chen, Q.L.; et al. Pharmacological action of Hedysarum polysaccharides: A review. Front. Pharmacol. 2023, 14, 1119224. [Google Scholar] [CrossRef]
- Yang, T.; Guo, L.; Li, C.; Yang, Y.L.; Feng, S.L. Chemical structural features and anti-complementary activity of polysaccharide HPS1-D from Hedysarum polybotrys. Chin. J. Chin. Mater. Med. 2014, 39, 89–93. [Google Scholar]
- Liu, Y.; Yang, H.S.; Liu, Y.; Wang, W.; Zhao, Y.Y.; Chen, H.B.; Liang, H.; Zhang, Q.Y. Chemotaxonomy studies on the genus Hedysarum. Biochem. Syst. Ecol. 2019, 86, 103902. [Google Scholar] [CrossRef]
- Du, X.; Zhao, Y.; Ma, Y.; Xing, H.; Li, X. Effect of Radix Hedysari Polysaccharide on Glioma by Cell Cycle Arrest and TNF-α Signaling Pathway Regulation. Int. J. Polym. Sci. 2019, 2019, 2725084. [Google Scholar] [CrossRef]
- Zhang, L.F.; Cheng, W.D.; Gui, M.M.; Li, X.Y.; Wei, D.F. Comparative study of Radix Hedyseri as sulstitute for Radix Astragali of yupingfeng oral liquid on cellular immunity in immunosuppressed mice. J. Chin. Med. Mater. 2012, 35, 269–273. [Google Scholar]
- Yang, S.P.; Xiu, M.H.; Li, X.; Shi, Y.; Wang, S.W.; Wan, S.F.; Han, S.Z.; Yang, D.; Liu, Y.Q.; He, J.Z. The antioxidant effects of hedysarum polybotrys polysaccharide in extending lifespan and ameliorating aging-related diseases in Drosophila melanogaster. Int. J. Biol. Macromol. 2023, 241, 124609. [Google Scholar] [CrossRef]
- Chen, C.; Dong, J.Y.; Liu, K.; Liu, Y.Q.; Wang, Y.L. Antioxidant effect of total flavonoids of Hedysarum polybotry on human umbilical vein endothelial cells injury induced by hydrogen peroxide. J. Chin. Med. Mater. 2007, 30, 1099–1102. [Google Scholar]
- Yang, X.Y.; Xue, Z.Y.; Yang, Y.F.; Fang, Y.Y.; Zhou, X.L.; Zhao, L.G.; Feng, S.L. Complex enzyme combined with ultrasound extraction technology, physicochemical properties and antioxidant activity of Hedysarum polysaccharides. Chin. J. Chin. Mater. Med. 2018, 43, 2261–2268. [Google Scholar]
- Liu, Y.Q.; Wang, Z.W.; Wei, S.C.; Yan, C.L.; Wang, R.Q.; Li, Y.D. The influences of ultrafiltration and alcohol sedimentation on protective effects of Radix Astragali and Radix Hedyseri against rat’s cerebral ischemia. Chin. J. Appl. Phys. 2015, 31, 132–135. [Google Scholar]
- Yang, X.J.; Yang, Z.J.; Li, S.; Ji, X.J.; Ning, Y.M.; Wang, Y. Effects of Radix Hedysari, Radix Astragalus and compatibility of Angelica Sinensis on blood deficiency model mice induced by cyclophosphamide. Chin. J. Appl. Phys. 2018, 34, 550–554. [Google Scholar]
- Yin, X.; Gu, K.; Shao, Z. Preparation of the Protein/Polyphenylboronic Acid Nanospheres for Drug Loading and Unloading. Acta Chim. Sin. 2023, 81, 116–123. [Google Scholar] [CrossRef]
- Huang, Y.; Zhao, Y.L.; Liu, F.; Liu, S.Q. Nano Traditional Chinese Medicine: Current Progresses and Future Challenges. Curr. Drug Targets 2015, 16, 1548–1562. [Google Scholar] [CrossRef] [PubMed]
- Huang, Z.W.; Guo, M.Q.; Wang, W.H.; He, J.B.; Wu, C.B.; Pan, X.; Zhang, X.J.; Huang, Y.; Hu, P. Crosstalk between nano/micro particulate technologies and Chinese medicine: A bibliometric analysis. Tradit. Med. Res. 2023, 8, 32. [Google Scholar] [CrossRef]
- Gao, S.; Han, Y.; Fan, M.; Li, Z.; Ge, K.; Liang, X.J.; Zhang, J. Metal-organic framework-based nanocatalytic medicine for chemodynamic therapy. Sci. China-Mater. 2020, 63, 2429–2434. [Google Scholar] [CrossRef]
- Chen, Z.; Chen, J.; Li, Y. Metal-organic-framework-based catalysts for hydrogenation reactions. Chin. J. Catal. 2017, 38, 1108–1126. [Google Scholar] [CrossRef]
- Liu, C.; Sun, Q.; Lin, L.; Wang, J.; Zhang, C.; Xia, C.; Bao, T.; Wan, J.; Huang, R.; Zou, J.; et al. Ternary MOF-on-MOF heterostructures with controllable architectural and compositional complexity via multiple selective assembly. Nat. Commun. 2020, 11, 4971. [Google Scholar] [CrossRef]
- Ding, M.; Song, L.J.; Luan, S.F. Elimination Ability of Zeolitic Imidazolate Framework-8 Against Biofilms on Medical Polymer Surface. Chin. J. Anal. Chem. 2023, 51, 1835–1843. [Google Scholar]
- Sun, B.; Ju, W.; Wang, T.; Sun, X.; Zhao, T.; Lu, X.; Lu, F.; Fan, Q. Preparation of Highly-dispersed Conjugated Polymer-Metal Organic Framework Nanocubes for Antitumor Application. Acta Chim. Sin. 2023, 81, 757–762. [Google Scholar] [CrossRef]
- Ji, L.; Zhu, Y.; Teng, X.; Wang, T.; Wang, S.; Meyer, T.J.; Chen, Z. Fabrication of complex, 3D, branched hollow carbonaceous structures and their applications for supercapacitors. Sci. Bull. 2022, 67, 398–407. [Google Scholar] [CrossRef]
- Yu, S.; Wang, S.; Xie, Z.; Yu, S.; Li, L.; Xiao, H.; Song, Y. Hyaluronic acid coating on the surface of curcumin-loaded ZIF-8 nanoparticles for improved breast cancer therapy: An in vitro and in vivo study. Colloid. Surface B 2021, 203, 111759. [Google Scholar] [CrossRef] [PubMed]
- Zhao, Q.; Wang, T.; Wang, H.B.; Cao, P.; Jiang, C.Y.; Qiao, H.Z.; Peng, L.H.; Lin, X.D.; Jiang, Y.Y.; Jin, H.L.; et al. Consensus statement on research and application of Chinese herbal medicine derived extracellular vesicles-like particles (2023 edition). Chin. Herb. Med. 2024, 16, 3–12. [Google Scholar] [CrossRef] [PubMed]
- Yan, G.J.; Wang, Y.L.; Han, X.X.; Zhang, Q.; Xie, H.; Chen, J.; Ji, D.; Mao, C.Q.; Lu, T.L. A Modern Technology Applied in Traditional Chinese Medicine: Progress and Future of the Nanotechnology in TCM. Dose-Response 2019, 17, 1559325819872854. [Google Scholar] [CrossRef] [PubMed]
- Kiran, M.; Yasin, K.A.; Haq, S.; Elmnasri, K.; Ben Ali, M.; Boufahja, F.; Shukurov, O.; Mahmoudi, E.; Hedfi, A. Synthesis and characterization of manganese-L-arginine framework (MOF) for antibacterial and antioxidant studies. Dig. J. Nanomater. Bios 2024, 19, 1353–1359. [Google Scholar] [CrossRef]
- Yu, B.; Sun, W.; Lin, J.T.; Fan, C.Y.; Wang, C.X.Q.; Zhang, Z.S.; Wang, Y.P.; Tang, Y.H.; Lin, Y.H.; Zhou, D.F. Using Cu-Based Metal–Organic Framework as a Comprehensive and Powerful Antioxidant Nanozyme for Efficient Osteoarthritis Treatment. Adv. Sci. 2024, 11, 2307798. [Google Scholar] [CrossRef]
- Jermy, B.R.; Al-Jindan, R.Y.; Ravinayagam, V.; El-Badry, A.A. Anti-blastocystosis activity of antioxidant coated ZIF-8 combined with mesoporous silicas MCM-41 and KIT-6. Sci. Rep. 2022, 12, 6403. [Google Scholar] [CrossRef]
- Gu, X.M.; Allyn, M.; Swindle-Reilly, K.; Palmer, A.F. ZIF-8 metal organic framework nanoparticle loaded with tense quaternary state polymerized bovine hemoglobin: Potential red blood cell substitute with antioxidant properties. Nanoscale 2023, 15, 8832–8844. [Google Scholar] [CrossRef]
- Zacchigna, M.; Cateni, F.; Procida, G. Improvement of Chemical and Physical Properties and Antioxidant Evaluation of Eugenol—PEG adduct. Nat. Prod. Commun. 2017, 12, 413–416. [Google Scholar] [CrossRef]
- Cai, J.H.; Yang, Y.Q.; Zheng, Y.F. Preparation of curcuminoids-loaded PCL-PEG-PCL microspheres, and study on their drug delivery and antioxidant activity. Mod. Chem. Ind. 2022, 42, 201–206. [Google Scholar]
- Zhang, Y.Z.; Zhang, J.; Yan, J.W.; Qi, X.R.; Wang, Y.H.; Zheng, Z.T.; Liang, J.Q.; Ling, J.T.; Chen, Y.X.; Tang, X.Y.; et al. Application of fermented Chinese herbal medicines in food and medicine field: From an antioxidant perspective. Trends Food Sci. Tech. 2024, 148, 104410. [Google Scholar] [CrossRef]
- Carter, O.W.L.; Xu, Y.J.; Sadler, P.J. Minerals in biology and medicine. RSC Adv. 2021, 11, 1939–1951. [Google Scholar] [CrossRef]
- Li, Y.S.; Shan, P.; Yu, F.Y.; Li, H.; Peng, L.C. Fabrication and characterization of waste fish scale-derived gelatin/sodium alginate/carvacrol loaded ZIF-8 nanoparticles composite films with sustained antibacterial activity for active food packaging. Int. J. Biol. Macromol. 2023, 230, 123192. [Google Scholar] [CrossRef]
- Jamshidi, Z.; Roohbakhsh, A.; Karimi, G. An overview on the protective effects of ellagic acid against heavy metals, drugs, and chemicals. Nutr. Food Sci. 2023, 11, 7469–7484. [Google Scholar] [CrossRef]
- Li, D.X.; Guo, Z.M.; Zhao, R.H.; Yin, N.; Xu, Q.L.; Yao, X. A simple method for the preparation of CeO2 with high antioxidant activity and wide application range. Nanotechnology 2023, 34, 105706. [Google Scholar] [CrossRef]
- Castillo-Quan, J.I.; Blackwell, T.K. Metformin: Restraining Nucleocytoplasmic Shuttling to Fight Cancer and Aging. Cell 2016, 167, 1670–1671. [Google Scholar] [CrossRef] [PubMed]
- Fang, Z.Y.; Chen, Y.T.; Wang, G.; Feng, T.; Shen, M.; Xiao, B.; Gu, J.Y.; Wang, W.M.; Li, J.; Zhang, Y.J. Evaluation of the antioxidant effects of acid hydrolysates from Auricularia auricular polysaccharides using a Caenorhabditis elegans model. Food Funct. 2019, 10, 5531–5543. [Google Scholar] [CrossRef] [PubMed]
- Yi, T.G.; Park, Y.; Park, J.E.; Park, N.I. Enhancement of Phenolic Compounds and Antioxidative Activities by the Combination of Culture Medium and Methyl Jasmonate Elicitation in Hairy Root Cultures of Lactuca indica L. Nat. Prod. Commun. 2019, 14, 1934578X19861867. [Google Scholar] [CrossRef]
- Iqbal, M.S.; Iqbal, Z.; Ansari, M.I. Enhancement of total antioxidants and flavonoid (quercetin) by methyl jasmonate elicitation in tissue cultures of onion (Allium cepa L.). Acta Agrobot. 2019, 72, 1784. [Google Scholar] [CrossRef]
- Chutimanukul, P.; Sukdee, S.; Prajuabjinda, O.; Thepsilvisut, O.; Panthong, S.; Ehara, H.; Chutimanukul, P. Exogenous Application of Coconut Water to Promote Growth and Increase the Yield, Bioactive Compounds, and Antioxidant Activity for Hericium erinaceus Cultivation. Horticulturae 2023, 9, 1131. [Google Scholar] [CrossRef]
- Manivannan, A.; Soundararajan, P.; Halimah, N.; Ko, C.H.; Jeong, B.R. Blue LED Light Enhances Growth, Phytochemical Contents, and Antioxidant Enzyme Activities of Relunannia glutinosa Cultured In Vitro. Hortic. Environ. Biote 2015, 56, 105–113. [Google Scholar] [CrossRef]
- Tewari, K.; Kumari, S.; Vinutha, T.; Singh, B.; Dahuja, A. Gamma irradiation induces reduction in the off-flavour generation in soybean through enhancement of its antioxidant potential. J. Radioanal. Nucl. Chem. 2015, 303, 2041–2051. [Google Scholar] [CrossRef]
- Carabajal, M.P.A.; Isla, M.I.; Borsarelli, C.D.; Zampini, I.C. Influence of in vitro gastro-duodenal digestion on the antioxidant activity of single and mixed three “Jarilla” species infusions. J. Herb. Med. 2020, 19, 100296. [Google Scholar] [CrossRef]
- Wang, Y.; Wang, L.; Tan, J.; Li, R.; Jiang, Z.T.; Tang, S.H. Enhancement of the Stabilities and Intracellular Antioxidant Activities of Lavender Essential Oil by Metal-Organic Frameworks Based on β-Cyclodextrin and Potassium Cation. Pol. J. Food Nutr. Sci. 2021, 71, 39–50. [Google Scholar] [CrossRef]
- Ren, X.Y.; Han, Y.X.; Xu, Y.Q.; Liu, T.G.; Cui, M.Y.; Xia, L.L.; Li, H.N.; Gu, Y.Q.; Wang, P. Diversified strategies based on nanoscale metal-organic frameworks for cancer therapy: The leap from monofunctional to versatile. Coord. Chem. Rev. 2021, 431, 213676. [Google Scholar] [CrossRef]
- Miao, Y.M.; Zhao, X.J.; Sun, X.J.; Lv, J.Z. Wide temperature adaptive oxidase-like based on mesoporous manganese based metal-organic framework for detecting total antioxidant capacity. Food Chem. 2024, 451, 139378. [Google Scholar] [CrossRef] [PubMed]
- Wang, K.C.; Li, Y.P.; Xie, L.H.; Li, X.Y.; Li, J.R. Construction and application of base-stable MOFs: A critical review. Chem. Soc. Rev. 2022, 51, 6417–6441. [Google Scholar] [CrossRef]
- Le, H.V.; Le Cerf, D. Colloidal Polyelectrolyte Complexes from Hyaluronic Acid: Preparation and Biomedical Applications. Small 2022, 18, 2204283. [Google Scholar] [CrossRef]
- Ren, S.; Wang, Y.G.; Zhang, Y.Y.; Yan, P.M.; Xiao, D.; Zhao, Y.; Jia, W.W.; Ding, L.; Dong, H.Y.; Wei, C.; et al. Paeoniflorin alleviates AngII-induced cardiac hypertrophy in H9c2 cells by regulating oxidative stress and Nrf2 signaling pathway. Biomed. Pharmacother. 2023, 165, 115253. [Google Scholar] [CrossRef]
- Hao, R.J.; Hu, Y.C.; Wei, Y.Y.; Qin, X.D.; Lu, Y.W. The neuroprotective effects of Rehmanniae Radix Praeparata exerts via regulating SKN-1 mediated antioxidant system in Caenorhabditis elegans and activating Nrf2-ARE pathway in vitro. J. Funct. Foods 2024, 113, 106040. [Google Scholar] [CrossRef]
- He, Q.H.; Feng, W.R.; Chen, X.; Xu, Y.F.; Zhou, J.; Li, J.L.; Xu, P.; Tang, Y.K. H2O2-Induced Oxidative Stress Responses in Eriocheir sinensis: Antioxidant Defense and Immune Gene Expression Dynamics. Antioxidants 2024, 13, 524. [Google Scholar] [CrossRef]
- Bauer, R.; Franz, G. Modern European Monographs for Quality Control of Chinese Herbs. Planta Med. 2010, 76, 2004–2011. [Google Scholar] [CrossRef]
- Li, S.P.; Zhao, J.; Yang, B. Strategies for quality control of Chinese medicines. J. Pharm. Biomed. Anal. 2011, 55, 802–809. [Google Scholar] [CrossRef]
- Dang, Z.L.; Feng, D.M.; Liu, X.H.; Yang, T.; Guo, L.; Liang, J.; Liang, J.D.; Hu, F.D.; Cui, F.; Feng, S.L. Structure and antioxidant activity study of sulfated acetamido-polysaccharide from Radix Hedysari. Fitoterapia 2013, 89, 20–32. [Google Scholar] [CrossRef]
- Gruber, J.; Ng, L.F.; Poovathingal, S.K.; Halliwell, B. Deceptively simple but simply deceptive—Caenorhabditis elegans lifespan studies: Considerations for aging and antioxidant effects. FEBS Lett. 2009, 583, 3377–3387. [Google Scholar] [CrossRef]
- McCabe, S.D.; Lin, D.Y.; Love, M.I. Consistency and overfitting of multi-omics methods on experimental data. Brief. Bioinform. 2020, 21, 1277–1284. [Google Scholar] [CrossRef]
- Li, Q.; Feng, R.X.; Chang, Z.H.; Liu, X.J.; Tang, H.; Bai, Q. Hybrid biomimetic assembly enzymes based on ZIF-8 as "intracellular scavenger" mitigating neuronal damage caused by oxidative stress. Front. Bioeng. Biotech. 2022, 10, 991949. [Google Scholar] [CrossRef]





Disclaimer/Publisher’s Note: The statements, opinions and data contained in all publications are solely those of the individual author(s) and contributor(s) and not of MDPI and/or the editor(s). MDPI and/or the editor(s) disclaim responsibility for any injury to people or property resulting from any ideas, methods, instructions or products referred to in the content. |
© 2025 by the authors. Licensee MDPI, Basel, Switzerland. This article is an open access article distributed under the terms and conditions of the Creative Commons Attribution (CC BY) license (https://creativecommons.org/licenses/by/4.0/).
Share and Cite
Han, X.; Wang, C.; Wang, J.; Pan, Q.; Feng, J.; Zuo, G. Enhancement of the Antioxidant Activity of Hedysari Radix Particle Dispersion via ZIF-8/PEG Surface Co-Adsorption. Molecules 2025, 30, 4632. https://doi.org/10.3390/molecules30234632
Han X, Wang C, Wang J, Pan Q, Feng J, Zuo G. Enhancement of the Antioxidant Activity of Hedysari Radix Particle Dispersion via ZIF-8/PEG Surface Co-Adsorption. Molecules. 2025; 30(23):4632. https://doi.org/10.3390/molecules30234632
Chicago/Turabian StyleHan, Xionggao, Chaoyue Wang, Jianmei Wang, Qiqi Pan, Jinghui Feng, and Guanglei Zuo. 2025. "Enhancement of the Antioxidant Activity of Hedysari Radix Particle Dispersion via ZIF-8/PEG Surface Co-Adsorption" Molecules 30, no. 23: 4632. https://doi.org/10.3390/molecules30234632
APA StyleHan, X., Wang, C., Wang, J., Pan, Q., Feng, J., & Zuo, G. (2025). Enhancement of the Antioxidant Activity of Hedysari Radix Particle Dispersion via ZIF-8/PEG Surface Co-Adsorption. Molecules, 30(23), 4632. https://doi.org/10.3390/molecules30234632

