A Note on the Reproducibility of Chaos Simulation †
Abstract
1. Introduction
2. Preliminary Concepts
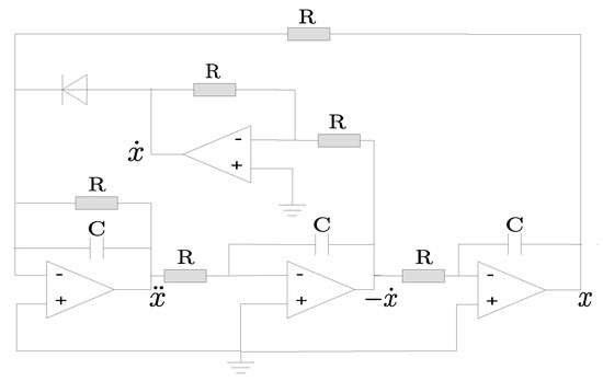
2.1. Jerk Dynamics
2.2. Normalised Root Mean Squared Error
2.3. Entropy Analysis
2.4. Open Research Culture
3. Related Works
The simulation results of the chaotic circuit obtained by the Multisim software matched well with the numerical simulation results obtained by the MATLAB software. The results of the DSP experiment and the NIST test indicated that the proposed chaotic system can be used as a pseudo-random sequence generator to provide key sequences for encryption systems. Therefore, the proposed chaotic system can be efficiently applied for digital information encryption.
Moreover, the new memcapacitor-based system was realised using an experimental circuit, which agreed well with the numerical simulations and verified the theoretical analysis results.
4. Methodology
- (1)
- Practical implementation of an electronic circuit.
- (2)
- Collection of implementation data via a data acquisition board.
- (3)
- (4)
- Calculation of the NRMSE index for choosing the reference computer and analysis of the reproducibility between the signals obtained on the computers.
- (5)
- Calculation of entropy to verify the similarity among all data collected in simulations and the practical experiment.
5. Results
Brief Presentation of OSF
- Short URL: https://osf.io/jhtpd/.
- (A)
- The title of the project.
- (B)
- The project’s authors.
- (C)
- Permanent link of the project (DOI).
- (D)
- A Wiki description of the project.
- (E)
- All files related to the project. The reader can download all files in a unique zip file.
- (F)
- Latex source of the file. In this case, we used a storage add-on to connect with Dropbox, which is linked to Overleaf, where this manuscript was edited.
- (G)
- Code files used to simulate and present the results of the paper.
- (H)
- An illustrative example of the project.
- (I)
- All images used in the project.
- (J)
- Simulations files of LTspice. There is also a specific library created to simulate the components of the circuits.
- (K)
- This indicates the branch version of the project. The zero means that it is in its original version.
- (L)
- How to cite this project.
- (M)
- Recent activity made by the contributors. It is possible to notice that the last activity was a change in the title of the project (manuscript) from “A note on the reproducibility of chaotic systems simulation” to “A note on the reproducibility of chaos simulation”.
6. Discussion
Author Contributions
Funding
Conflicts of Interest
References
- Munafò, M.R.; Nosek, B.A.; Bishop, D.V.M.; Button, K.S.; Chambers, C.D.; Percie du Sert, N.; Simonsohn, U.; Wagenmakers, E.J.; Ware, J.J.; Ioannidis, J.P.A. A manifesto for reproducible science. Nat. Hum. Behav. 2017, 1, 1–9. [Google Scholar] [CrossRef]
- Bonsignorio, F. A New Kind of Article for Reproducible Research in Intelligent Robotics [From the Field]. IEEE Robot. Autom. Mag. 2017, 24, 178–182. [Google Scholar] [CrossRef]
- IEEE. Control Systems Reproducibility Challenge [From the Editor]. IEEE Control Syst. 2018, 38, 3–4. [Google Scholar]
- Martins, S.A.M.; Nepomuceno, E.G.; Barroso, M.F.S. Improved Structure Detection For Polynomial NARX Models Using a Multiobjective Error Reduction Ratio. J. Control Autom. Electr. Syst. 2013, 24, 764–772. [Google Scholar] [CrossRef]
- Bao, B.C.; Li, H.Z.; Zhu, L.; Zhang, X.; Chen, M. Initial-switched boosting bifurcations in 2D hyperchaotic map. Chaos 2020, 30, 033107. [Google Scholar] [CrossRef] [PubMed]
- Wang, N.; Li, C.; Bao, H.; Chen, M.; Bao, B. Generating Multi-Scroll Chua’s Attractors via Simplified Piecewise-Linear Chua’s Diode. IEEE Trans. Circuits Syst. Regul. Pap. 2019, 66, 4767–4779. [Google Scholar] [CrossRef]
- Chen, M.; Sun, M.; Bao, H.; Hu, Y.; Bao, B. Flux-Charge Analysis of Two-Memristor-Based Chua’s Circuit: Dimensionality Decreasing Model for Detecting Extreme Multistability. IEEE Trans. Ind. Electron. 2020, 67, 2197–2206. [Google Scholar] [CrossRef]
- Parker, T.; Chua, L. INSITE—A software toolkit for the analysis of nonlinear dynamical systems. Proc. IEEE 1987, 75, 1081–1089. [Google Scholar] [CrossRef]
- Nepomuceno, E.G. Convergence of recursive functions on computers. J. Eng. 2014, 2014, 560–562. [Google Scholar] [CrossRef]
- Lorenz, E.N. Deterministic Nonperiodic Flow. J. Atmos. Sci. 1963, 20, 130–141. [Google Scholar] [CrossRef]
- Peck, S.L. Simulation as Experiment: A Philosophical Reassessment for Biological modeling. Trends Ecol. Evol. 2004, 19, 530–534. [Google Scholar] [CrossRef]
- Hammel, S.; Yorke, J.; Grebogi, C. Do Numerical Orbits of Chaotic Dynamical Processes Represent True Orbits? J. Complex. 1987, 3, 136–145. [Google Scholar] [CrossRef]
- Matsumoto, T. Chaos in Electronic-Circuits. Proc. IEEE 1987, 75, 1033–1057. [Google Scholar] [CrossRef]
- Sprott, J.C. A New Chaotic Jerk Circuit. IEEE Trans. Circuits Syst. II Express Briefs 2011, 58, 240–243. [Google Scholar] [CrossRef]
- Lozi, R. Can We Trust in Numerical Computations of Chaotic Solutions of Dynamical systems. In Topology and Dynamics of Chaos: In Celebration of Robert Gilmore’s 70th Birthday; Amazon: Seattle, WA, USA, 2013; Volume 84, pp. 63–98. [Google Scholar]
- Nepomuceno, E.G.; Rodrigues Junior, H.M.; Martins, S.A.; Perc, M.; Slavinec, M. Interval computing periodic orbits of maps using a piecewise approach. Appl. Math. Comput. 2018, 336, 67–75. [Google Scholar] [CrossRef]
- Qin, S.; Liao, S. Influence of round-off errors on the reliability of numerical simulations of chaotic dynamic systems. J. Appl. Nonlinear Dyn. 2018, 7, 197–204. [Google Scholar] [CrossRef][Green Version]
- Teixeira, J.; Reynolds, C.A.; Judd, K. Time Step Sensitivity of Nonlinear Atmospheric Models: Numerical Convergence, Truncation Error Growth, and Ensemble Design. J. Atmos. Sci. 2007, 64, 175–189. [Google Scholar] [CrossRef]
- Nazaré, T.E.; Nepomuceno, E.G.; Paiva, B.P.O. On the Constructing Bifurcation Diagram of the Quadratic Map with Floating-Point Arithmetic. In Proceedings of the 6th International Conference on Nonlinear Dynamics, Chaos, Control and Applications, Lodz, Poland, 1–14 December 2017; pp. 1–6. [Google Scholar]
- Nepomuceno, E.G.; Martins, S.A.M. A lower bound error for free-run simulation of the polynomial NARMAX. Syst. Sci. Control Eng. 2016, 4, 50–58. [Google Scholar] [CrossRef]
- Nepomuceno, E.G.; Martins, S.A.M.; Amaral, G.; Riveret, R. On the lower bound error for discrete maps using associative property. Syst. Sci. Control Eng. 2017, 5, 462–473. [Google Scholar] [CrossRef]
- Guedes, P.F.S.; Nepomuceno, E.G. Some remarks on the performance of Matlab, Python and Octave in simulating dynamical systems. In Proceedings of the Anais do XIV SBAI—Simpósio Brasileiro de Automação Inteligente, Ouro Preto, MG, Brazil, October 2019; pp. 1–6. [Google Scholar]
- Nepomuceno, E.G.; Martins, S.A.; Silva, B.C.; Amaral, G.F.; Perc, M. Detecting unreliable computer simulations of recursive functions with interval extensions. Appl. Math. Comput. 2018, 329, 408–419. [Google Scholar] [CrossRef]
- Ascoli, A.; Tetzlaff, R.; Chua, L. Robust Simulation of a TaO Memristor Model. Radioengineering 2015, 24, 384–392. [Google Scholar] [CrossRef]
- Šalamon, M.; Dogša, T. Problem of Non-Repeatability of the Circuits Simulation [Problem neponovljivosti simulacij električnih vezij]. Inf. MIDEM J. Microelectron. Electron. Compon. Mater. 2004, 34, 11–17. [Google Scholar]
- Milani, F.L.; Lacerda Júnior, W.R.; Martins, S.A.M.; Nepomuceno, E.G. Influência de Softwares e Sistemas Operacionais na Simulação de Modelos Dinâmicos Não Lineares. In Proceedings of the Anais do CBA 2016—XXI Congresso Brasileiro de Automática, Salvador, Brasil, 3–7 October 2016; pp. 1–6. (In Portuguese). [Google Scholar]
- Sprott, J. Some simple chaotic jerk functions. Am. J. Phys. 1997, 65, 537–543. [Google Scholar] [CrossRef]
- Shannon, C.E. Communication theory of secrecy systems. Bell Syst. Tech. J. 1949, 28, 656–715. [Google Scholar] [CrossRef]
- Woodward, P.M.; Davies, I.L. Information theory and inverse probability in telecommunication. J. Inst. Electr. Eng. 1952, 99, 37–44. [Google Scholar]
- Baker, M. Reproducibility: Seek out stronger science. Nature 2016, 537, 703–704. [Google Scholar] [CrossRef]
- Baker, M. 1,500 scientists lift the lid on reproducibility. Nature 2016, 533, 452–454. [Google Scholar] [CrossRef]
- Begley, C.G.; Buchan, A.M.; Dirnagl, U. Robust research: Institutions must do their part for reproducibility. Nature 2015, 525, 25–27. [Google Scholar] [CrossRef]
- Button, K. Reboot undergraduate courses for reproducibility. Nature 2018, 561, 287. [Google Scholar] [CrossRef]
- Stark, P.B. Before reproducibility must come preproducibility. Nature 2018, 557, 613. [Google Scholar] [CrossRef]
- Südhof, T.C. Experimental mismatch in neural circuits. Nature 2015, 528, 338–339. [Google Scholar] [CrossRef] [PubMed][Green Version]
- Aarts, A.A.; Nosek, B.A.; Anderson, J.E.; Kappes, H.B.; Open Science Collaboration. Estimating the reproducibility of psychological science. Science 2015, 349, aac4716. [Google Scholar]
- Barba, L.A. The hard road to reproducibility. Science 2016, 354, 142. [Google Scholar] [CrossRef][Green Version]
- Berg, J. Progress on reproducibility. Science 2018, 359, 9. [Google Scholar] [CrossRef] [PubMed]
- Buck, S. Solving reproducibility. Science 2015, 348, 1403. [Google Scholar] [CrossRef] [PubMed]
- Hutson, M. Artificial intelligence faces reproducibility crisis. Science 2018, 359, 725–726. [Google Scholar] [CrossRef] [PubMed]
- Ioannidis, J.P.A. Why Most Published Research Findings Are False. PLoS Med. 2005, 2, e124. [Google Scholar] [CrossRef]
- Jasny, B.R.; Wigginton, N.; McNutt, M.; Bubela, T.; Buck, S.; Cook-Deegan, R.; Gardner, T.; Hanson, B.; Hustad, C.; Kiermer, V.; et al. Fostering reproducibility in industry-academia research. Science 2017, 357, 759–761. [Google Scholar] [CrossRef]
- McNutt, M. Reproducibility. Science 2014, 343, 229. [Google Scholar] [CrossRef]
- Nosek, B.A.; Alter, G.; Banks, G.C.; Borsboom, D.; Bowman, S.D.; Breckler, S.J.; Contestabile, M. Promoting an open research culture. Science 2015, 348, 1422–1425. [Google Scholar] [CrossRef]
- Pérignon, C.; Gadouche, K.; Hurlin, C.; Silberman, R.; Debonnel, E. Certify reproducibility with confidential data. Science 2019, 365, 127–128. [Google Scholar] [PubMed]
- Stodden, V.; McNutt, M.; Bailey, D.H.; Deelman, E.; Gil, Y.; Hanson, B.; Heroux, M.A.; Ioannidis, J.P.A.; Taufer, M. Enhancing reproducibility for computational methods. Science 2016, 354, 1240–1241. [Google Scholar] [CrossRef] [PubMed]
- Karimov, T.; Nepomuceno, E.; Druzhina, O.; Karimov, A.; Butusov, D. Chaotic Oscillators as Inductive Sensors: Theory and Practice. Sensors 2019, 19, 4314. [Google Scholar] [CrossRef] [PubMed]
- Ostrovskii, V.Y.; Nazare, T.E.; Martins, S.A.M.; Nepomuceno, E.G. Temperature as a Chaotic Circuit Bifurcation Parameter. In Proceedings of the 2020 IEEE Conference of Russian Young Researchers in Electrical and Electronic Engineering (EIConRus), Moscow, Russia, 27–30 January 2020; pp. 154–157. [Google Scholar]
- Palmore, J.; Herring, C. Computer arithmetic, chaos and fractals. Phys. D Nonlinear Phenom. 1990, 42, 99–110. [Google Scholar] [CrossRef]
- LI, S.; Chen, G.; Mou, X. On the dynamical degradation of digital piecewise linear chaotic maps. Int. J. Bifurc. Chaos 2005, 15, 3119–3151. [Google Scholar] [CrossRef]
- Sayed, W.; Radwan, A.; Fahmy, H.; El-Sedeek, A. Software and Hardware Implementation Sensitivity of Chaotic Systems and Impact on Encryption Applications. Circuits Syst. Signal Process. 2020. [Google Scholar] [CrossRef]
- Persohn, K.; Povinelli, R. Analyzing logistic map pseudorandom number generators for periodicity induced by finite precision floating-point representation. Chaos Solitons Fractals 2012, 45, 238–245. [Google Scholar] [CrossRef]
- Sayed, W.; Radwan, A.; Rezk, A.; Fahmy, H. Finite Precision Logistic Map between Computational Efficiency and Accuracy with Encryption Applications. Complexity 2017, 2017, 8692046. [Google Scholar] [CrossRef]
- Nardo, L.G.; Nepomuceno, E.G.; Arias-Garcia, J.; Butusov, D.N. Image encryption using finite-precision error. Chaos Solitons Fractals 2019, 123, 69–78. [Google Scholar] [CrossRef]
- Hu, H.; Deng, Y.; Liu, L. Counteracting the dynamical degradation of digital chaos via hybrid control. Commun. Nonlinear Sci. Numer. Simulation 2014, 19, 1970–1984. [Google Scholar] [CrossRef]
- Elmanfaloty, R.A.; Abou-Bakr, E. Random property enhancement of a 1D chaotic PRNG with finite precision implementation. Chaos Solitons Fractals 2019, 118, 134–144. [Google Scholar] [CrossRef]
- Alkahtani, B.S.T.; Atangana, A. Chaos on the Vallis model for El Niño with fractional operators. Entropy 2016, 18, 100. [Google Scholar] [CrossRef]
- Cetin, K.; Afsar, O.; Tirnakli, U. Generalized Pesin-Like identity and scaling relations at the chaos threshold of the Rössler system. Entropy 2018, 20, 216. [Google Scholar] [CrossRef]
- Chen, H.C.; Yau, H.T.; Chen, P.Y. Chaos synchronization error technique-based defect pattern recognition for GIS through partial discharge signal analysis. Entropy 2014, 16, 4566–4582. [Google Scholar] [CrossRef]
- Chen, M.; Yu, J.; Yu, Q.; Li, C.; Bao, B. A memristive diode bridge-based canonical Chua’s circuit. Entropy 2014, 16, 6464–6476. [Google Scholar] [CrossRef]
- Demir, K.; Ergün, S. An analysis of deterministic chaos as an entropy source for random number generators. Entropy 2018, 20, 957. [Google Scholar] [CrossRef]
- Ding, L.; Ding, Q. The Establishment and Dynamic Properties of a New 4D Hyperchaotic System with Its Application and Statistical Tests in Gray Images. Entropy 2020, 22, 310. [Google Scholar] [CrossRef]
- Duane, G.S. Synchronicity from synchronized chaos. Entropy 2015, 17, 1701–1733. [Google Scholar] [CrossRef]
- Eyupoglu, C.; Aydin, M.A.; Zaim, A.H.; Sertbas, A. An efficient big data anonymization algorithm based on chaos and perturbation techniques. Entropy 2018, 20, 373. [Google Scholar] [CrossRef]
- Fu, C.; Huang, J.B.; Wang, N.N.; Hou, Q.B.; Lei, W.M. A symmetric chaos-based image cipher with an improved bit-level permutation strategy. Entropy 2014, 16, 770–788. [Google Scholar] [CrossRef]
- Fu, W.; Tan, J.; Li, C.; Zou, Z.; Li, Q.; Chen, T. A hybrid fault diagnosis approach for rotating machinery with the fusion of entropy-based feature extraction and SVM optimized by a chaos quantum sine cosine algorithm. Entropy 2018, 20, 626. [Google Scholar] [CrossRef]
- Gomez, I.S.; Losada, M.; Lombardi, O. About the concept of quantum chaos. Entropy 2017, 19, 205. [Google Scholar] [CrossRef]
- Gómez-Aguilar, J.F.; López-López, M.G.; Alvarado-Martínez, V.M.; Baleanu, D.; Khan, H. Chaos in a cancer model via fractional derivatives with exponential decay and Mittag-Leffler law. Entropy 2017, 19, 681. [Google Scholar] [CrossRef]
- Hou, Y.Y. Finite-time chaos suppression of permanent magnet synchronous motor systems. Entropy 2014, 16, 2234–2243. [Google Scholar] [CrossRef]
- Hu, W.; Liang, H.; Peng, C.; Du, B.; Hu, Q. A hybrid chaos-particle swarm optimization algorithm for the vehicle routing problem with time window. Entropy 2013, 15, 1247–1270. [Google Scholar] [CrossRef]
- Kapitaniak, T.; Mohammadi, S.A.; Mekhilef, S.; Alsaadi, F.E.; Hayat, T.; Pham, V.T. A new chaotic system with stable equilibrium: Entropy analysis, parameter estimation, and circuit design. Entropy 2018, 20, 670. [Google Scholar] [CrossRef]
- Khennaoui, A.A.; Ouannas, A.; Bendoukha, S.; Wang, X.; Pham, V.T. On Chaos in the fractional-order discrete-time unified system and its control synchronization. Entropy 2018, 20, 530. [Google Scholar] [CrossRef]
- Lai, Q.; Akgul, A.; Li, C.; Xu, G.; Çavuşoğlu, Ü. A new chaotic system with multiple attractors: Dynamic analysis, circuit realization and S-Box design. Entropy 2018, 20, 12. [Google Scholar] [CrossRef]
- Liu, J. Complex modified hybrid projective synchronization of different dimensional fractional-order complex chaos and real hyper-chaos. Entropy 2014, 16, 6195–6211. [Google Scholar] [CrossRef]
- Liu, L.; Du, C.; Liang, L.; Zhang, X. A high Spectral Entropy (SE) memristive hidden chaotic system with multi-type quasi-periodic and its circuit. Entropy 2019, 21, 1026. [Google Scholar] [CrossRef]
- Lou, W.; Ma, J.; Zhan, X. Bullwhip entropy analysis and chaos control in the supply chain with sales game and consumer returns. Entropy 2017, 19, 64. [Google Scholar] [CrossRef]
- Ma, J.; Ma, X.; Lou, W. Analysis of the complexity entropy and chaos control of the bullwhip effect considering price of evolutionary game between two retailers. Entropy 2016, 18, 416. [Google Scholar] [CrossRef]
- Murillo-Escobar, M.A.; Meranza-Castillón, M.O.; López-Gutiérrez, R.M.; Cruz-Hernández, C. Suggested Integral Analysis for Chaos-Based Image Cryptosystems. Entropy 2019, 21, 815. [Google Scholar] [CrossRef]
- Shukla, P.K.; Khare, A.; Rizvi, M.A.; Stalin, S.; Kumar, S. Applied cryptography using chaos function for fast digital logic-based systems in ubiquitous computing. Entropy 2015, 17, 1387–1410. [Google Scholar] [CrossRef]
- Song, C.; Qiao, Y. A novel image encryption algorithm based on DNA encoding and spatiotemporal chaos. Entropy 2015, 17, 6954–6968. [Google Scholar] [CrossRef]
- Song, Y.; Yuan, F.; Li, Y. Coexisting attractors and multistability in a simple memristive Wien-bridge chaotic circuit. Entropy 2019, 21, 678. [Google Scholar] [CrossRef]
- Su, X.; Wang, Y.; Duan, S.; Ma, J. Detecting chaos from agricultural product price time series. Entropy 2014, 16, 6415–6433. [Google Scholar] [CrossRef]
- Świetlik, D.; Białowas, J.; Moryś, J.; Kusiak, A. Computer model of synapse loss during an alzheimer’s disease-like pathology in hippocampal subregions DG, CA3 and CA1-The way to chaos and information transfer. Entropy 2019, 21, 408. [Google Scholar] [CrossRef]
- Tong, X.; Liu, Y.; Zhang, M.; Xu, H.; Wang, Z. An image encryption scheme based on hyperchaotic Rabinovich and exponential chaos maps. Entropy 2015, 17, 181–196. [Google Scholar] [CrossRef]
- Toopchi, Y.; Wang, J. Chaos control and synchronization of a hyperchaotic Zhou system by integral sliding mode control. Entropy 2014, 16, 6539–6552. [Google Scholar] [CrossRef]
- Tsai, C.J.; Wang, H.C.; Wu, J.L. Three techniques for enhancing chaos-based joint compression and encryption schemes. Entropy 2019, 21, 40. [Google Scholar] [CrossRef]
- Wang, X.Y.; Zhang, Y.Q.; Bao, X.M. A colour image encryption scheme using permutation-substitution based on chaos. Entropy 2015, 17, 3877–3897. [Google Scholar] [CrossRef]
- Wen, H.; Yu, S.; Lü, J. Breaking an image encryption algorithm based on DNA encoding and spatiotemporal chaos. Entropy 2019, 21, 246. [Google Scholar] [CrossRef]
- Xin, B.; Liu, L.; Hou, G.; Ma, Y. Chaos synchronization of nonlinear fractional discrete dynamical systems via linear control. Entropy 2017, 19, 351. [Google Scholar] [CrossRef]
- Yuan, F.; Li, Y.; Wang, G.; Dou, G.; Chen, G. Complex dynamics in a memcapacitor-based circuit. Entropy 2019, 21, 188. [Google Scholar] [CrossRef]
- Zhu, S.; Zhu, C.; Wang, W. A new image encryption algorithm based on chaos and secure hash SHA-256. Entropy 2018, 20, 716. [Google Scholar] [CrossRef]
- Gerlach, M.; Font-Clos, F. A Standardized Project Gutenberg Corpus for Statistical Analysis of Natural Language and Quantitative Linguistics. Entropy 2020, 22, 126. [Google Scholar] [CrossRef]
- Urniezius, R.; Galvanauskas, V.; Survyla, A.; Simutis, R.; Levisauskas, D. From Physics to Bioengineering: Microbial Cultivation Process Design and Feeding Rate Control Based on Relative Entropy Using Nuisance Time. Entropy 2018, 20, 779. [Google Scholar] [CrossRef]
- Conti, A.; Duggento, A.; Guerrisi, M.; Passamonti, L.; Indovina, I.; Toschi, N. Variability and Reproducibility of Directed and Undirected Functional MRI Connectomes in the Human Brain. Entropy 2019, 21, 661. [Google Scholar] [CrossRef]
- Funabashi, M. Citizen Science and Topology of Mind: Complexity, Computation and Criticality in Data-Driven Exploration of Open Complex Systems. Entropy 2017, 19, 181. [Google Scholar] [CrossRef]
- De Capitani, L.; De Martini, D. Reproducibility Probability Estimation and RP-Testing for Some Nonparametric Tests. Entropy 2016, 18, 142. [Google Scholar] [CrossRef]
- Aguirre, L.A. A Tutorial Introduction to Nonlinear Dynamics And Chaos, Part I: Tools and Benchmarks. SBA Controle Autom. 1996, 7, 29–49. [Google Scholar]
- Overton, M.L. Numerical Computing with IEEE Floating Point Arithmetic; Society for Industrial and Applied Mathematics: Philadelphia, PA, USA, 2001; p. 106. [Google Scholar]
- Institute of Electrical and Electronics Engineers (IEEE). IEEE Standard for Floating-Point Arithmetic. IEEE Std 754–2019 (Revision of IEEE 754–2008); IEEE: Piscataway, NJ, USA, 2019; pp. 1–84. [Google Scholar] [CrossRef]
- Institute of Electrical and Electronics Engineers (IEEE). IEEE Standard for Interval Arithmetic. IEEE Std 1788–2015; IEEE: Piscataway, NJ, USA, 2015; pp. 1–97. [Google Scholar] [CrossRef]
- Sayed, S.W.; Fahmy, H.A.H. What are the Correct Results for the Special Values of the Operands of the Power Operation? ACM Trans. Math. Softw. (TOMS) 2016, 42, 1–17. [Google Scholar] [CrossRef]
- El-Hawary, M. Lotfi Zadeh, the 2018 Flagship Conference, and Code Ocean [Editorial]. IEEE Syst. Man Cybern. Mag. 2018, 4, 3. [Google Scholar] [CrossRef]

) Computer 1; (
) Computer 2; (
) Computer 3; (
) Computer 4.
) Computer 1; (
) Computer 2; (
) Computer 3; (
) Computer 4.



) Computer 1; (
) Computer 2; (
) Computer 3; (
) Computer 4.
) Computer 1; (
) Computer 2; (
) Computer 3; (
) Computer 4.
) Experimental data and (
) Computer 4.
) Experimental data and (
) Computer 4.
) LTspice IV and (
) LTspice XVII. We have shown different intervals of the simulation as follows (a) entire simulated time interval: 0 to 0.5 s. (b) interval: 0 to 0.12 s. (c) interval: 0.12 to 0.2 s. The difference becomes clear after 0.12 s.
) LTspice IV and (
) LTspice XVII. We have shown different intervals of the simulation as follows (a) entire simulated time interval: 0 to 0.5 s. (b) interval: 0 to 0.12 s. (c) interval: 0.12 to 0.2 s. The difference becomes clear after 0.12 s.

| Computer | NRMSE |
|---|---|
| 1 | 1.4752 |
| 2 | 1.5572 |
| 3 | 1.4841 |
| 4 | 1.4748 |
| Computer | System | Configuration |
|---|---|---|
| 1 | Windows 10 | Intel Core i5 6200U |
| 2 | Windows 10 | Intel Dual core 2 |
| 3 | Windows 8.1 | Intel Core i5-3570 |
| 4 | Windows 8.1 | Intel Core i5-4210U |
| Computers | ||||
|---|---|---|---|---|
| Iteration | 1 | 2 | 3 | 4 |
| 1–470 | 0.6457 | 1.3960 | 0.6480 | 0.6457 |
| 1–940 | 0.9843 | 1.4110 | 0.9854 | 0.9843 |
| 1–1410 | 1.1611 | 1.4244 | 1.1616 | 1.1611 |
| 1–1880 | 1.2396 | 1.5270 | 1.2398 | 1.2396 |
| 1–2350 | 1.2643 | 1.5132 | 1.2649 | 1.2643 |
| 1–2820 | 1.3197 | 1.5093 | 1.3194 | 1.3197 |
| 1–3290 | 1.3797 | 1.5569 | 1.3835 | 1.3797 |
| 1–3760 | 1.3993 | 1.5453 | 1.4040 | 1.3993 |
| 1–4230 | 1.4431 | 1.5437 | 1.4567 | 1.4431 |
| 1–4700 | 1.4752 | 1.5572 | 1.4841 | 1.4748 |
| Computers | |||
|---|---|---|---|
| Iteration | 1 | 2 | 3 |
| 1–470 | 0 | 1.3972 | 0.0047 |
| 1–940 | 0 | 1.0699 | 0.0039 |
| 1–1410 | 0 | 0.9148 | 0.0053 |
| 1–1880 | 0 | 0.9372 | 0.0108 |
| 1–2350 | 0 | 1.0563 | 0.0117 |
| 1–2820 | 0 | 1.0702 | 0.0132 |
| 1–3290 | 0 | 0.9800 | 0.0241 |
| 1–3760 | 0 | 1.0075 | 0.1713 |
| 1–4230 | 0 | 1.0400 | 0.3297 |
| 1–4700 | 0.0454 | 1.0128 | 0.4415 |
| Signal | Entropy () |
|---|---|
| Experimental Data | 7.3914 |
| Computer 1 | 7.4008 |
| Computer 2 | 7.4654 |
| Computer 3 | 7.3391 |
| Computer 4 | 7.4004 |
| Iteration | NRMSE |
|---|---|
| 1–2290 | 0.00037 |
| 1–4580 | 0.00032 |
| 1–6870 | 0.00038 |
| 1–9160 | 0.00181 |
| 1–11,450 | 0.00438 |
| 1–13,740 | 0.00455 |
| 1–16,030 | 0.00451 |
| 1–18,320 | 0.01054 |
| 1–20,610 | 0.02357 |
| 1–22,900 | 0.02644 |
© 2020 by the authors. Licensee MDPI, Basel, Switzerland. This article is an open access article distributed under the terms and conditions of the Creative Commons Attribution (CC BY) license (http://creativecommons.org/licenses/by/4.0/).
Share and Cite
Nazaré, T.E.; Nepomuceno, E.G.; Martins, S.A.M.; Butusov, D.N. A Note on the Reproducibility of Chaos Simulation. Entropy 2020, 22, 953. https://doi.org/10.3390/e22090953
Nazaré TE, Nepomuceno EG, Martins SAM, Butusov DN. A Note on the Reproducibility of Chaos Simulation. Entropy. 2020; 22(9):953. https://doi.org/10.3390/e22090953
Chicago/Turabian StyleNazaré, Thalita E., Erivelton G. Nepomuceno, Samir A. M. Martins, and Denis N. Butusov. 2020. "A Note on the Reproducibility of Chaos Simulation" Entropy 22, no. 9: 953. https://doi.org/10.3390/e22090953
APA StyleNazaré, T. E., Nepomuceno, E. G., Martins, S. A. M., & Butusov, D. N. (2020). A Note on the Reproducibility of Chaos Simulation. Entropy, 22(9), 953. https://doi.org/10.3390/e22090953

