Sign in to use this feature.

Years

Between: -

Subjects

remove_circle_outline
remove_circle_outline
remove_circle_outline
remove_circle_outline
remove_circle_outline
remove_circle_outline
remove_circle_outline
remove_circle_outline
remove_circle_outline

Journals

remove_circle_outline
remove_circle_outline
remove_circle_outline
remove_circle_outline
remove_circle_outline
remove_circle_outline
remove_circle_outline
remove_circle_outline
remove_circle_outline
remove_circle_outline
remove_circle_outline
remove_circle_outline
remove_circle_outline
remove_circle_outline
remove_circle_outline
remove_circle_outline
remove_circle_outline
remove_circle_outline
remove_circle_outline
remove_circle_outline
remove_circle_outline
remove_circle_outline
remove_circle_outline
remove_circle_outline
remove_circle_outline
remove_circle_outline
remove_circle_outline
remove_circle_outline
remove_circle_outline
remove_circle_outline
remove_circle_outline
remove_circle_outline

Article Types

Countries / Regions

remove_circle_outline
remove_circle_outline
remove_circle_outline
remove_circle_outline
remove_circle_outline
remove_circle_outline
remove_circle_outline
remove_circle_outline
remove_circle_outline
remove_circle_outline
remove_circle_outline

Search Results (6,633)

Search Parameters:
Keywords = two-part models

Order results
Result details
Results per page
Select all
Export citation of selected articles as:
29 pages, 2932 KB  
Article
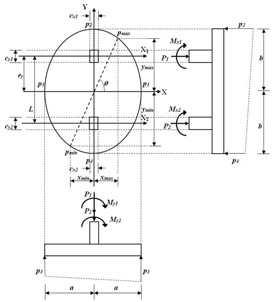
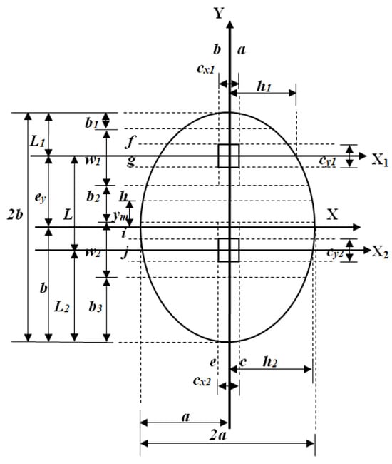
Mathematical Development for the Minimum Cost of Elliptical Combined Footings
by Griselda Santiago-Hurtado, Arnulfo Luévanos-Rojas, Victor Manuel Moreno-Landeros, Eyran Roberto Diaz-Gurrola, Rajeswari Narayanasamy, Facundo Cortés-Martínez and Luis Daimir López-León
Buildings 2025, 15(19), 3633; https://doi.org/10.3390/buildings15193633 - 9 Oct 2025
Abstract
This work shows the mathematical development for the minimum cost of ECF (elliptical combined footings) subjected to biaxial bending due to the two columns, assuming that the distribution of soil pressure below the footing is linear and that the footing rests on elastic [...] Read more.
This work shows the mathematical development for the minimum cost of ECF (elliptical combined footings) subjected to biaxial bending due to the two columns, assuming that the distribution of soil pressure below the footing is linear and that the footing rests on elastic soil. There are no similar contributions on the subject of this article, as it is an innovative contribution in terms of its form. This work is developed in two parts: first, determine the minimum area in contact with the soil below the footing, and then the minimum cost is obtained. The formulation of the development by integration is shown to determine the moments, unidirectional shears, and punching shears acting on the critical sections, according to the ACI (American Concrete Institute) design code, and then the flowchart algorithm is applied to determine the solution using Maple Software, which is the main contribution of this article. Some authors show studies on the combined footings of various shapes such as rectangular, trapezoidal, strap, corner or L, and T, but there are none for ECF. Two numerical studies are shown with different length: the first with free ends in the longitudinal direction and the second with ends limited in the longitudinal direction to estimate the minimum cost of ECF under biaxial bending. A third numerical study is shown, with different allowable bearing capacities of the ground and with free ends in the longitudinal direction. Also, a comparison is developed between ECF and RCF (rectangular combined footings). The model for the design of ECF shows a savings of 7.17% with limited ends and a savings of 1.67% with free ends for the minimum area, and for the minimum cost, it shows a savings of 23.95% with limited ends and a savings of 9.14% with free ends rather than RCF. Therefore, the proposed development will be of great help to structural engineers specializing in foundations, as it represents significant savings. Full article
(This article belongs to the Section Building Structures)
Show Figures

Figure 1

20 pages, 6043 KB  
Article
Process Design and Optimisation Analysis for the Production of Ultra-High-Purity Phosphine
by Jingang Wang, Yu Liu, Jinyu Guo, Shuyue Zhou, Yawei Du and Xuejiao Tang
Separations 2025, 12(10), 274; https://doi.org/10.3390/separations12100274 - 9 Oct 2025
Abstract
With the increasing demand to scale the chip industry, attention is turning to the vital role that phosphanes and silanes play in semiconductor manufacturing processes such as chemical vapor deposition, plasma etching, and impurity doping. High-performance semiconductors often require a supply of ultra-pure [...] Read more.
With the increasing demand to scale the chip industry, attention is turning to the vital role that phosphanes and silanes play in semiconductor manufacturing processes such as chemical vapor deposition, plasma etching, and impurity doping. High-performance semiconductors often require a supply of ultra-pure gaseous phosphine (≥99.999%) to ensure the formation of defect-free thin-film structures with high integrity and strong functionality. In recent years, research on high-purity PH3 synthesis methods has mainly focused on two pathways: the acidic route with fewer side reactions, high by-product economics, and higher exergy of high-purity PH3, and the alkaline alternative with greater potential for practical application through lower reaction temperatures and a simpler reaction process. This paper presents the first comparative study and analysis on the preparation of ultra-high-purity PH3 and its process energy consumption. Using Aspen and its related software, the energy consumption and cost issues are discussed, and the process heat exchange network is established and optimised. By combining Aspen Plus V14 with MATLAB 2023, an artificial neural network (ANN) prediction model is established, and the parameters of the distillation section equipment are optimised through the NSGA-II model to solve problems such as low product yield and large equipment exergy loss. After optimisation, it can be found that in terms of energy consumption and cost indicators, the acidic process has greater advantages in large-scale production of high-purity PH3. The total energy consumption of the acidic process is 1.6 × 108 kJ/h, which is only one-third that of the alkaline process, while the cost of the heat exchange equipment is approximately three-quarters that of the alkaline process. Through dual-objective optimisation, the exergy loss of the acidic distillation part can be reduced by 1714.1 kW, and the economic cost can be reduced by USD 3673. Therefore, from the perspective of energy usage and equipment manufacturing, the comprehensive analysis of the acidic process has more advantages than that of the alkaline process. Full article
Show Figures

Figure 1

15 pages, 4661 KB  
Article
The Influence of Interference of Rubber Bushing on the Stiffness Characteristics of Anti-Roll Bar
by Zhidan Fu, Yali Yang, Hao Chen, Yu Zhang, Sha Xu, Shengwei Zhang and Shusheng Lv
Appl. Sci. 2025, 15(19), 10794; https://doi.org/10.3390/app151910794 - 7 Oct 2025
Viewed by 159
Abstract
The Anti-roll Bar is a critical component of the automobile suspension system. The stiffness of the Anti-roll Bar significantly impacts the suspension stiffness and is related to the interference of the rubber bushing. To obtain reasonable Anti-roll Bar stiffness and determine the appropriate [...] Read more.
The Anti-roll Bar is a critical component of the automobile suspension system. The stiffness of the Anti-roll Bar significantly impacts the suspension stiffness and is related to the interference of the rubber bushing. To obtain reasonable Anti-roll Bar stiffness and determine the appropriate amount of rubber bushing interference, a certain type of automotive lateral Anti-roll Bar model was established through ANSYS Workbench finite element analysis for the rubber bushing material using a Mooney–Rivlin two-parameter model simulation. A different amount of interference was set up between the rubber bushing and the various parts of the bushing. The overload simulation was performed to simulate the bushing in an overload state with a different amount of interference between the rubber bushing and the various parts of the bushing. The stresses of the three main parts of the Anti-roll Bar (the clamp, skeleton, and bushing) were analyzed in an overload state. The radial and torsional stiffness values of the Anti-roll Bar are analyzed under the interference state. The influence of interference fit variations in different mating parts on the radial and torsional stiffness of the Anti-roll Bar is studied. It is determined that the stiffness value of the Anti-roll Bar meets the requirements when the interference fit between the bushing and rod is 1 mm, the bushing-plate interference is 2 mm, and the interference fit between the bushing and clamp is 0.6 mm, provided that the strength requirements of each part are met. This study provides important reference significance for designing. Full article
Show Figures

Figure 1

22 pages, 3708 KB  
Article
Faithful Narratives from Complex Conceptual Models: Should Modelers or Large Language Models Simplify Causal Maps?
by Tyler J. Gandee and Philippe J. Giabbanelli
Mach. Learn. Knowl. Extr. 2025, 7(4), 116; https://doi.org/10.3390/make7040116 - 7 Oct 2025
Viewed by 176
Abstract
(1) Background: Comprehensive conceptual models can result in complex artifacts, consisting of many concepts that interact through multiple mechanisms. This complexity can be acceptable and even expected when generating rich models, for instance to support ensuing analyses that find central concepts or decompose [...] Read more.
(1) Background: Comprehensive conceptual models can result in complex artifacts, consisting of many concepts that interact through multiple mechanisms. This complexity can be acceptable and even expected when generating rich models, for instance to support ensuing analyses that find central concepts or decompose models into parts that can be managed by different actors. However, complexity can become a barrier when the conceptual model is used directly by individuals. A ‘transparent’ model can support learning among stakeholders (e.g., in group model building) and it can motivate the adoption of specific interventions (i.e., using a model as evidence base). Although advances in graph-to-text generation with Large Language Models (LLMs) have made it possible to transform conceptual models into textual reports consisting of coherent and faithful paragraphs, turning a large conceptual model into a very lengthy report would only displace the challenge. (2) Methods: We experimentally examine the implications of two possible approaches: asking the text generator to simplify the model, either via abstractive (LLMs) or extractive summarization, or simplifying the model through graph algorithms and then generating the complete text. (3) Results: We find that the two approaches have similar scores on text-based evaluation metrics including readability and overlap scores (ROUGE, BLEU, Meteor), but faithfulness can be lower when the text generator decides on what is an interesting fact and is tasked with creating a story. These automated metrics capture textual properties, but they do not assess actual user comprehension, which would require an experimental study with human readers. (4) Conclusions: Our results suggest that graph algorithms may be preferable to support modelers in scientific translations from models to text while minimizing hallucinations. Full article
Show Figures

Figure 1

23 pages, 11972 KB  
Article
The Variability in the Thermophysical Properties of Soils for Sustainability of the Industrial-Affected Zone of the Siberian Arctic
by Tatiana V. Ponomareva, Kirill Yu. Litvintsev, Konstantin A. Finnikov, Nikita D. Yakimov, Georgii E. Ponomarev and Evgenii I. Ponomarev
Sustainability 2025, 17(19), 8892; https://doi.org/10.3390/su17198892 - 6 Oct 2025
Viewed by 324
Abstract
The sustainability of Arctic ecosystems that are extremely vulnerable is contingent upon the state of cryosoils. Understanding the principles of ecosystem stability in permafrost conditions, particularly under external natural or human-induced influences, necessitates an examination of the thermal and moisture regimes of the [...] Read more.
The sustainability of Arctic ecosystems that are extremely vulnerable is contingent upon the state of cryosoils. Understanding the principles of ecosystem stability in permafrost conditions, particularly under external natural or human-induced influences, necessitates an examination of the thermal and moisture regimes of the seasonally thawed soil layer. The study concentrated on the variability in the soil’s thermophysical properties in Central Siberia’s permafrost zone (the northern part of Krasnoyarsk Region, Taimyr, Russia). In the industrially affected area of interest, we evaluated and contrasted the differences in the thermophysical properties of soils between two opposing types of landscapes. On the one hand, these are soils that are characteristic of the natural landscape of flat shrub tundra, with a well-developed moss–lichen cover. An alternative is the soils in the landscape, which have exhibited significant degradation in the vegetation cover due to both natural and human-induced factors. The heat-insulating properties of background areas are controlled by the layer of moss and shrubs, while its disturbance determines the excessive heating of the soil at depth. In comparison to the background soil characteristics, degradation of on-ground vegetation causes the active layer depth of the soils to double and the temperature gradient to decrease. With respect to depth, we examine the changes in soil temperature and heat flow dynamics (q, W/m2). The ranges of thermal conductivity (λ, W/(m∙K)) were assessed using field-measured temperature profiles and heat flux values in the soil layers. The background soil was discovered to have lower thermal conductivity values, which are typical of organic matter, in comparison to the soil of the transformed landscape. Thermal diffusivity coefficients for soil layers were calculated using long-term temperature monitoring data. It is shown that it is possible to use an adjusted model of the thermal conductivity coefficient to reconstruct the dynamics of moisture content from temperature dynamics data. A satisfactory agreement is shown when the estimated (Wcalc, %) and observed (Wexp, %) moisture content values in the soil layer are compared. The findings will be employed to regulate the effects on landscapes in order to implement sustainable nature management in the region, thereby preventing the significant degradation of ecosystems and the concomitant risks to human well-being. Full article
(This article belongs to the Special Issue Land Use Strategies for Sustainable Development)
Show Figures

Figure 1

12 pages, 1690 KB  
Article
Analysis of Thymoquinone Content in Black Cumin Seeds Using Near-Infrared Reflectance Spectroscopy
by Óscar Ballesteros and Leonardo Velasco
Molecules 2025, 30(19), 3985; https://doi.org/10.3390/molecules30193985 - 4 Oct 2025
Viewed by 146
Abstract
Thymoquinone (TMQ) is the main therapeutic constituent in black cumin (Nigella sativa L.) seeds. Conventional quantification by high-performance liquid chromatography (HPLC) is accurate but unsuitable for large-scale screening. This study evaluated the potential of near-infrared reflectance spectroscopy (NIRS) as a rapid and [...] Read more.
Thymoquinone (TMQ) is the main therapeutic constituent in black cumin (Nigella sativa L.) seeds. Conventional quantification by high-performance liquid chromatography (HPLC) is accurate but unsuitable for large-scale screening. This study evaluated the potential of near-infrared reflectance spectroscopy (NIRS) as a rapid and non-destructive alternative. A multi-year dataset of 780 seed samples was analyzed, and robust calibration models were developed using modified partial least squares regression. Independent validation of a two-year calibration equation using samples from a third year yielded a high predictive performance (r2 = 0.85; SEP = 1.18 mg g−1). Adding part of the samples from the third year to the calibration contributed to further improvement in the prediction of the remaining samples, demonstrating the benefits of continuous equation updates. The calibration equation proved effective for selecting genotypes with high TMQ content, particularly when expanded with samples from the third year. Spectral analysis identified key wavelengths associated with TMQ content, with wavelengths around 2106 nm and 2254 nm being the most relevant. This work demonstrates the applicability of NIRS for rapid phenotyping of TMQ content in black cumin seeds. Full article
(This article belongs to the Topic Research on Natural Products of Medical Plants)
Show Figures

Figure 1

13 pages, 222 KB  
Review
Implementing Integrative Psychosocial Care for Siblings and Caregivers of Youth with Cancer
by Joanna Patten, Helena Hillinga Haas, Riley Coyle and David Knott
Children 2025, 12(10), 1335; https://doi.org/10.3390/children12101335 - 4 Oct 2025
Viewed by 195
Abstract
Background/Objectives: Psychosocial care for siblings and caregivers of youth with cancer (SCYC) is a critical yet under-implemented component of comprehensive pediatric oncology care, as outlined by the Standards for Psychosocial Care for Children with Cancer and Their Families. Despite evidence supporting psychosocial interventions, [...] Read more.
Background/Objectives: Psychosocial care for siblings and caregivers of youth with cancer (SCYC) is a critical yet under-implemented component of comprehensive pediatric oncology care, as outlined by the Standards for Psychosocial Care for Children with Cancer and Their Families. Despite evidence supporting psychosocial interventions, such as integrative care interventions, as effective for stress mitigation and coping, barriers to implementation include revenue-generating funding models and siloed psychosocial disciplines, which hinder accessibility for adult caregivers within pediatric institutions and geographically dispersed families. This manuscript describes the relevant extant literature as well as a model for leveraging short-term funding opportunities and interdisciplinary collaboration to develop integrative care programs for these underserved groups. Methods: Philanthropic funding supported part-time child life specialist and creative arts therapist deployment to develop and implement integrative virtual group programs, as well as interdisciplinary integrative programs, to serve SCYC. Attendance, engagement, and qualitative feedback were used for program iteration and supported the transition to institutional funding. Results: Integrative programs provided 331 caregiver and sibling encounters during the two-year pilot. Qualitative feedback from caregivers highlighted the value of virtual services in reaching geographically dispersed families and addressing feelings of isolation among SCYC at the universal and targeted levels of care. Communication about these key outcomes led to operational funding and sustained integrated care programs. Conclusions: This manuscript illustrates a successful model of leveraging philanthropic funding to support the development of integrative care programs to serve SCYC. Future research should focus on refining the clinical and financial feasibility of such models and assessing their impact on family well-being. Full article
21 pages, 2866 KB  
Article
Evaluation of the Adaptive Behavior of a Shell-Type Elastic Element of a Drilling Shock Absorber with Increasing External Load Amplitude
by Andrii Velychkovych, Vasyl Mykhailiuk and Andriy Andrusyak
Vibration 2025, 8(4), 60; https://doi.org/10.3390/vibration8040060 - 2 Oct 2025
Viewed by 218
Abstract
Vibration loads during deep drilling are one of the main causes of reduced service life of drilling tools and emergency failure of downhole motors. This work investigates the adaptive operation of an original elastic element based on an open cylindrical shell used as [...] Read more.
Vibration loads during deep drilling are one of the main causes of reduced service life of drilling tools and emergency failure of downhole motors. This work investigates the adaptive operation of an original elastic element based on an open cylindrical shell used as part of a drilling shock absorber. The vibration protection device contains an adjustable radial clearance between the load-bearing shell and the rigid housing, which provides the effect of structural nonlinearity. This allows effective combination of two operating modes of the drilling shock absorber: normal mode, when the clearance does not close and the elastic element operates with increased compliance; and emergency mode, when the clearance closes and gradual load redistribution and increase in device stiffness occur. A nonconservative problem concerning the contact interaction of an elastic filler with a coaxially installed shaft and an open shell is formulated, and as the load increases, contact between the shell and the housing, installed with a radial clearance, is taken into account. Numerical finite element modeling is performed considering dry friction in contact pairs. The distributions of radial displacements, contact stresses, and equivalent stresses are examined, and deformation diagrams are presented for two loading modes. The influence of different cycle asymmetry coefficients on the formation of hysteresis loops and energy dissipation is analyzed. It is shown that with increasing load, clearance closure begins from local sectors and gradually covers almost the entire outer surface of the shell. This results in deconcentration of contact pressure between the shell and housing and reduction of peak concentrations of equivalent stresses in the open shell. The results confirm the effectiveness of the adaptive approach to designing shell shock absorbers capable of reliably withstanding emergency overloads, which is important for deep drilling where the exact range of external impacts is difficult to predict. Full article
(This article belongs to the Special Issue Vibration Damping)
Show Figures

Figure 1

19 pages, 1654 KB  
Article
Integration of the PortionSize Ed App into SNAP-Ed for Improving Diet Quality Among Adolescents in Hawaiʻi: A Randomized Pilot Study
by Emerald S. Proctor, Kiari H. L. Aveiro, Ian Pagano, Lynne R. Wilkens, Leihua Park, Leilani Spencer, Jeannie Butel, Corby K. Martin, John W. Apolzan, Rachel Novotny, John Kearney and Chloe P. Lozano
Nutrients 2025, 17(19), 3145; https://doi.org/10.3390/nu17193145 - 1 Oct 2025
Viewed by 277
Abstract
Background/Objectives: Coupling mobile health (mHealth) technology with community-based nutrition programs may enhance diet quality in adolescents. This pilot study evaluated the feasibility, acceptability, and preliminary efficacy of integrating PortionSize Ed (PSEd), an image-assisted dietary assessment and education app, into the six-week Hawaiʻi Food [...] Read more.
Background/Objectives: Coupling mobile health (mHealth) technology with community-based nutrition programs may enhance diet quality in adolescents. This pilot study evaluated the feasibility, acceptability, and preliminary efficacy of integrating PortionSize Ed (PSEd), an image-assisted dietary assessment and education app, into the six-week Hawaiʻi Food and Lifeskills for Youth (HI-FLY) curriculum delivered via Supplemental Nutrition Assistance Program Education (SNAP-Ed). Methods: Adolescents (grades 6–8) from two classrooms were cluster-randomized into HI-FLY or HI-FLY + PSEd. Both groups received HI-FLY and completed Youth Questionnaires (YQ) and food records (written or app-based) at Weeks 0 and 7. Feasibility and acceptability were assessed via enrollment, attrition, and User Satisfaction Surveys (USS). Diet quality was measured using Healthy Eating Index-2020 (HEI-2020) scores and analyzed via mixed-effects models. Results: Of 50 students, 42 (84%) enrolled and attrition was minimal (2.4%). The sample was 49% female and 85% at least part Native Hawaiian or Pacific Islander (NHPI). PSEd was acceptable, with average USS scores above the scale midpoint. No significant HEI-2020 changes were observed, though YQ responses indicated improvements in sugary drink intake (p = 0.03) and use of nutrition labels in HI-FLY + PSEd (p = 0.0007). Conclusions: Integrating PSEd into SNAP-Ed was feasible, acceptable, and demonstrated potential healthy behavior change among predominantly NHPI youth in Hawaiʻi. Full article
Show Figures

Figure 1

21 pages, 8188 KB  
Article
Experimental Study of the Actual Structural Behaviour of CLT and CLT–Concrete Composite Panels with Embedded Moment-Resisting Joint
by Matúš Farbák, Jozef Gocál and Peter Koteš
Buildings 2025, 15(19), 3534; https://doi.org/10.3390/buildings15193534 - 1 Oct 2025
Viewed by 351
Abstract
Timber structures and structural members have undergone rapid development in recent decades and are now fully competitive with traditional structures made of reinforced concrete or structural steel in many areas. Low self-weight, high durability, rapid construction assembly, and a favourable environmental footprint predispose [...] Read more.
Timber structures and structural members have undergone rapid development in recent decades and are now fully competitive with traditional structures made of reinforced concrete or structural steel in many areas. Low self-weight, high durability, rapid construction assembly, and a favourable environmental footprint predispose timber structures for wider future use. A persisting drawback is the often-complicated joining of individual elements, especially when moment resistance is required. For CLT panels, this issue is more urgent due to their relatively small thickness and cross-laminated lay-up. This paper presents experimental research investigating parameters related to the actual behaviour of a moment-resisting embedded joint of CLT panels. The test programme consisted of four series (12 specimens) loaded in four-point bending to failure. The proposed and tested joint consists of high-strength steel rods glued into the two connected parts of the CLT panel. In addition to a detailed investigation of the resistance and stiffness of the joint, this research evaluates the effect of composite action with a reinforced-concrete slab on the performance of this type of joint. The experimental results and their detailed analysis are also extended to propose a framework concept for creating a theoretical (mechanical) model based on the component method. Full article
(This article belongs to the Special Issue Advances and Applications in Timber Structures)
Show Figures

Figure 1

5 pages, 1449 KB  
Proceeding Paper
Deep 3D Scattering of Solar Radiation in the Atmosphere Due to Clouds-D3D
by Andreas Kazantzidis, Stavros-Andreas Logothetis, Panagiotis Tzoumanikas, Orestis Panagopoulos and Georgios Kosmopoulos
Environ. Earth Sci. Proc. 2025, 35(1), 59; https://doi.org/10.3390/eesp2025035059 - 1 Oct 2025
Viewed by 210
Abstract
The three-dimensional (3D) structure of clouds is a key factor in atmospheric processes, profoundly influencing solar radiation transfer, weather patterns, and climate dynamics. However, accurately representing this complex structure in radiative transfer models remains a significant challenge. As part of the Deep 3D [...] Read more.
The three-dimensional (3D) structure of clouds is a key factor in atmospheric processes, profoundly influencing solar radiation transfer, weather patterns, and climate dynamics. However, accurately representing this complex structure in radiative transfer models remains a significant challenge. As part of the Deep 3D Scattering of Solar Radiation in the Atmosphere due to Clouds (D3D) project, we conducted a comprehensive study on the role of all-sky imagers (ASIs) in reconstructing observational 3D cloud fields and integrating them into advanced 3D cloud modeling. Since November 2022, a network of four ASIs has been operating across the broader Patras region in Greece, continuously capturing atmospheric measurements over an area of approximately 50 km2. Using simultaneously captured images from the ASIs within the network, a 3D cloud reconstruction was performed utilizing advanced image processing techniques, with a primary focus on cumulus cloud scenarios. The Structure from Motion (SfM) technique was employed to reconstruct the 3D structural characteristics of clouds from two-dimensional images. The resulting 3D cloud fields were then integrated into the MYSTIC three-dimensional radiative transfer model to simulate and reconstruct solar irradiance fields. Full article
Show Figures

Figure 1

27 pages, 6300 KB  
Article
From Trends to Drivers: Vegetation Degradation and Land-Use Change in Babil and Al-Qadisiyah, Iraq (2000–2023)
by Nawar Al-Tameemi, Zhang Xuexia, Fahad Shahzad, Kaleem Mehmood, Xiao Linying and Jinxing Zhou
Remote Sens. 2025, 17(19), 3343; https://doi.org/10.3390/rs17193343 - 1 Oct 2025
Viewed by 444
Abstract
Land degradation in Iraq’s Mesopotamian plain threatens food security and rural livelihoods, yet the relative roles of climatic water deficits versus anthropogenic pressures remain poorly attributed in space. We test the hypothesis that multi-timescale climatic water deficits (SPEI-03/-06/-12) exert a stronger effect on [...] Read more.
Land degradation in Iraq’s Mesopotamian plain threatens food security and rural livelihoods, yet the relative roles of climatic water deficits versus anthropogenic pressures remain poorly attributed in space. We test the hypothesis that multi-timescale climatic water deficits (SPEI-03/-06/-12) exert a stronger effect on vegetation degradation risk than anthropogenic pressures, conditional on hydrological connectivity and irrigation. Using Babil and Al-Qadisiyah (2000–2023) as a case, we implement a four-part pipeline: (i) Fractional Vegetation Cover with Mann–Kendall/Sen’s slope to quantify greening/browning trends; (ii) LandTrendr to extract disturbance timing and magnitude; (iii) annual LULC maps from a Random Forest classifier to resolve transitions; and (iv) an XGBoost classifier to map degradation risk and attribute climate vs. anthropogenic influence via drop-group permutation (ΔAUC), grouped SHAP shares, and leave-group-out ablation, all under spatial block cross-validation. Driver attribution shows mid-term and short-term drought (SPEI-06, SPEI-03) as the strongest predictors, and conditional permutation yields a larger average AUC loss for the climate block than for the anthropogenic block, while grouped SHAP shares are comparable between the two, and ablation suggests a neutral to weak anthropogenic edge. The XGBoost model attains AUC = 0.884 (test) and maps 9.7% of the area as high risk (>0.70), concentrated away from perennial water bodies. Over 2000–2023, LULC change indicates CA +515 km2, HO +129 km2, UL +70 km2, BL −697 km2, WB −16.7 km2. Trend analysis shows recovery across 51.5% of the landscape (+29.6% dec−1 median) and severe decline over 2.5% (−22.0% dec−1). The integrated design couples trend mapping with driver attribution, clarifying how compounded climatic stress and intensive land use shape contemporary desertification risk and providing spatial priorities for restoration and adaptive water management. Full article
Show Figures

Graphical abstract

21 pages, 4707 KB  
Article
Layout Optimization of Hybrid Pseudolite Systems Based on an Incremental GDOP Model
by Zhaoyi Guo, Baoguo Li and Yifan Wu
Aerospace 2025, 12(10), 889; https://doi.org/10.3390/aerospace12100889 - 30 Sep 2025
Viewed by 146
Abstract
Global Navigation Satellite Systems (GNSSs) are widely used in many applications but can be out of use in some critical conditions. Hybrid pseudolite systems utilize ground and aero stations as pseudolites to provide positioning signals for users within the covered area. The positioning [...] Read more.
Global Navigation Satellite Systems (GNSSs) are widely used in many applications but can be out of use in some critical conditions. Hybrid pseudolite systems utilize ground and aero stations as pseudolites to provide positioning signals for users within the covered area. The positioning accuracy is an important performance parameter for the pseudolite system and is decided by the layout of the pseudolites. This paper proposes a layout optimization method based on an Incremental Geometric Dilution of Precision (IGDOP) model. The IGDOP considers the GDOP value into two parts. One is the fixed part corresponding to the ground stations, and the other is the varying part related to the movable aero pseudolite stations. Thus, when the aero pseudolites’ position changes, the new GDOP value could be obtained only by calculating the varying part. Then, a Monte-Carlo Genetic Algorithm (MC-GA) is proposed for the IGDOP calculation for a minimum value. This algorithm comprises two main components: first, it leverages the random sampling capability of the Monte-Carlo Algorithm to provide sample points that satisfy the sample space for the subsequent Genetic Algorithm, which serve as individuals of the initial population; subsequently, it searches for the minimum value of IGDOP via the Genetic Algorithm and determines the optimized layout of the hybrid pseudolite system. Simulations are carried out using a hybrid pseudolite system with four fixed stations and n movable stations. The results validate the developed IGDOP model and show that the approach enables scalable optimization of n − 1 movable stations via four fixed stations, providing an efficient, low-complexity solution to the system layout optimization. Full article
(This article belongs to the Section Astronautics & Space Science)
Show Figures

Figure 1

23 pages, 9896 KB  
Article
An Approach for Designing 3D-Printed Assembled Rotational Joints and Assemblies for Mechanisms and Robot Models
by Ivan Chavdarov, Bozhidar Naydenov and Stanislav Yochev
Technologies 2025, 13(10), 436; https://doi.org/10.3390/technologies13100436 - 28 Sep 2025
Viewed by 314
Abstract
Three-dimensional printing has enabled the production of complex parts that are difficult to create with conventional manufacturing methods. Its additive nature has made it possible to create interconnected (assembled) parts in a single manufacturing step. This requires the development of new ways of [...] Read more.
Three-dimensional printing has enabled the production of complex parts that are difficult to create with conventional manufacturing methods. Its additive nature has made it possible to create interconnected (assembled) parts in a single manufacturing step. This requires the development of new ways of designing, manufacturing, and testing mechanisms that do not require assembly after their creation, called non-assembly mechanisms. An approach is proposed for the design and experimental study of the properties of rotational joints created already assembled using FFF technology for 3D printing. The advantages and disadvantages of different 3D printing methods that can be used to obtain such assemblies are discussed. Basic principles for the design of assembled rotational joints, built without support structures, are introduced. Two examples of their application in creating functional robot models are presented. The features during production, and the advantages and disadvantages of the models are discussed. Models of directly assembled rotational joints with different clearances are studied, and an experiment is conducted based on measuring the magnitude of the current during the rotation of a link. This provides indirect results for the rolling resistance, on the basis of which the qualities of the joint are judged. The results from the experiments show that rotational joints with a diameter d = 10 [mm], created using FFF technology and PLA material, have the lowest resistance at a clearance in the range t = 0.15–0.25 [mm]. Full article
(This article belongs to the Section Manufacturing Technology)
Show Figures

Figure 1

31 pages, 5176 KB  
Article
Leveraging Machine Learning for Porosity Prediction in AM Using FDM for Pretrained Models and Process Development
by Khadija Ouajjani, James E. Steck and Gerardo Olivares
Materials 2025, 18(19), 4499; https://doi.org/10.3390/ma18194499 - 27 Sep 2025
Viewed by 366
Abstract
Additive manufacturing involves numerous independent parameters, often leading to inconsistent print quality and necessitating costly trial-and-error approaches to optimize input variables. Machine learning offers a solution to this non-linear problem by predicting optimal printing parameters from a minimal set of experiments. Using Fused [...] Read more.
Additive manufacturing involves numerous independent parameters, often leading to inconsistent print quality and necessitating costly trial-and-error approaches to optimize input variables. Machine learning offers a solution to this non-linear problem by predicting optimal printing parameters from a minimal set of experiments. Using Fused Deposition Modeling (FDM) as a case study, this work develops a machine learning-powered process to predict porosity defects. Specimens in two geometrical scales were 3D-printed and CT-scanned, yielding raw datasets of grayscale images. A machine learning image classifier was trained on the small-cube dataset (~2200 images) to distinguish exploitable images from defective ones, averaging over 97% accuracy and correctly classifying more than 90% of the large-cube exploitable images. The developed preprocessing scripts extracted porosity features from the exploitable images. A repeatability study analyzed three replicate specimens printed under identical conditions, and quantified the intrinsic process variability, showing an average porosity standard deviation of 0.47% and defining an uncertainty zone for quality control. A multi-layer perceptron (MLP) was independently trained on 1709 data points derived from the small-cube dataset and 3746 data points derived from the large-cube dataset. Its accuracy was 54.4% for the small cube and increased to 77.6% with the large-cube dataset, due to the larger sample size. A rigorous grouped k-fold cross-validation protocol, relying on splitting data per cube, strengthened the ML algorithms against data leakage and overfitting. Finally, a dimensional scalability study further assessed the use of the pipeline for the large-cube dataset and established the impact of geometrical scaling on defect formation and prediction in 3D-printed parts. Full article
Show Figures

Figure 1

Back to TopTop