Sign in to use this feature.

Years

Between: -

Subjects

remove_circle_outline
remove_circle_outline
remove_circle_outline
remove_circle_outline
remove_circle_outline
remove_circle_outline
remove_circle_outline
remove_circle_outline

Journals

Article Types

Countries / Regions

Search Results (17)

Search Parameters:
Keywords = tapered column

Order results
Result details
Results per page
Select all
Export citation of selected articles as:
22 pages, 6820 KB  
Article
Bathymetric Profile and Sediment Composition of a Dynamic Subtidal Bedform Habitat for Pacific Sand Lance
by Matthew R. Baker, H. G. Greene, John Aschoff, Michelle Hoge, Elisa Aitoro, Shaila Childers, Junzhe Liu and Jan A. Newton
J. Mar. Sci. Eng. 2025, 13(8), 1469; https://doi.org/10.3390/jmse13081469 - 31 Jul 2025
Cited by 1 | Viewed by 1311
Abstract
The eastern North Pacific Ocean coastline (from the Salish Sea to the western Aleutian Islands) is highly glaciated with relic sediment deposits scattered throughout a highly contoured and variable bathymetry. Oceanographic conditions feature strong currents and tidal exchange. Sand wave fields are prominent [...] Read more.
The eastern North Pacific Ocean coastline (from the Salish Sea to the western Aleutian Islands) is highly glaciated with relic sediment deposits scattered throughout a highly contoured and variable bathymetry. Oceanographic conditions feature strong currents and tidal exchange. Sand wave fields are prominent features within these glaciated shorelines and provide critical habitat to sand lance (Ammodytes spp.). Despite an awareness of the importance of these benthic habitats, attributes related to their structure and characteristics remain undocumented. We explored the micro-bathymetric morphology of a subtidal sand wave field known to be a consistent habitat for sand lance. We calculated geomorphic attributes of the bedform habitat, analyzed sediment composition, and measured oceanographic properties of the associated water column. This feature has a streamlined teardrop form, tapered in the direction of the predominant tidal current. Consistent flow paths along the long axis contribute to well-defined and maintained bedform morphology and margin. Distinct patterns in amplitude and period of sand waves were documented. Strong tidal exchange has resulted in well-sorted medium-to-coarse-grained sediments with coarser sediments, including gravel and cobble, within wave troughs. Extensive mixing related to tidal currents results in a highly oxygenated water column, even to depths of 80 m. Our analysis provides unique insights into the physical characteristics that define high-quality habitat for these fish. Further work is needed to identify, enumerate, and map the presence and relative quality of these benthic habitats and to characterize the oceanographic properties that maintain these benthic habitats over time. Full article
(This article belongs to the Special Issue Dynamics of Marine Sedimentary Basin)
Show Figures

Figure 1

14 pages, 4660 KB  
Article
Research on Sealing Premium Connections in Corrosive CO2 Environments
by Yinping Cao, Pengsheng Gu, Yang Yu and Yihua Dou
Processes 2024, 12(12), 2680; https://doi.org/10.3390/pr12122680 - 28 Nov 2024
Viewed by 1045
Abstract
To investigate corrosion and resulting changes in the sealing performance of premium connections in corrosive CO2 environments, we carried out a simulation analysis of their secondary current distribution and structural mechanics based on multi-physics field coupling. A finite element calculation model of [...] Read more.
To investigate corrosion and resulting changes in the sealing performance of premium connections in corrosive CO2 environments, we carried out a simulation analysis of their secondary current distribution and structural mechanics based on multi-physics field coupling. A finite element calculation model of Ф88.9 mm × 6.45 mm taper–taper premium connections (steel grade P110) was established using COMSOL6.0 general software. By analyzing corrosion laws under different environmental parameters, five internal pressures and tensile displacements were set. We simulated premium connections under different operating conditions using a secondary current distribution module. To investigate the distribution of the corrosion current density in premium connections under different operating conditions, the sealing performance before and after corrosion was quantitatively evaluated using a seal strength index. The results show that the current density is higher at the torque shoulder of the premium connections, which is more susceptible to damage. As the internal pressure increases, the current density in the inner wall of the column increases, and on the threads, the current density is highest at the rounded corners of the root of the thread, which is also more likely to be damaged. Under different internal pressures, although the sealing strength of the premium connections meets the sealing criterion, the corroded ones show a significant reduction in sealing performance. The results of this study provide a reliable theoretical basis for research on sealing premium connections in corrosive environments. Full article
(This article belongs to the Section Materials Processes)
Show Figures

Figure 1

15 pages, 5692 KB  
Article
Parameter Identification and Energy Dissipation Analysis of Premium Connections Based on the Iwan Model
by Yang Yu, Yimeng Chen, Yihua Dou, Qingying Yuan, Jiarui Tang and Yinping Cao
Processes 2024, 12(11), 2382; https://doi.org/10.3390/pr12112382 - 29 Oct 2024
Cited by 1 | Viewed by 1435
Abstract
The premium connection is an important section of the tubing column. Under intricate downhole conditions, axial vibration generates alternating loads that cause energy dissipation between the sealing surfaces of the premium connection, reducing sealing performance. To investigate this issue, the mutual conversion process [...] Read more.
The premium connection is an important section of the tubing column. Under intricate downhole conditions, axial vibration generates alternating loads that cause energy dissipation between the sealing surfaces of the premium connection, reducing sealing performance. To investigate this issue, the mutual conversion process of sticking, slipping, and macroscopic slipping stages between the sealing surfaces of the premium connection under axial loads must be assessed. In this study, a finite element analysis model of a taper–taper Φ88.9 mm × 6.45 mm P110 premium connection is developed based on the discrete Iwan model’s ontological relationship, and the sealing surface’s force–displacement hysteresis curve is obtained. The equivalent Iwan model for this particular premium connection is constructed by discretizing the hysteresis curve and identifying the model’s four sets of parameters. The correctness of the parameter identification method of the equivalent Iwan model is verified by comparing and analyzing the similarity of the two models. The energy dissipation in the sealing surfaces of the premium connection for different working conditions under dynamic loading is analyzed. This study reveals that the area similarity of the hysteresis curves of the two models is more than 92%, while the positional error is less than 2%. The sealing surface displacement amplitude of the premium connection is between 0.04 mm and 0.07 mm, while the sealing surface energy dissipation increases linearly, which may lead to a decline in sealing performance. Full article
(This article belongs to the Section Energy Systems)
Show Figures

Figure 1

26 pages, 11687 KB  
Article
Investigation of a Modified Wells Turbine for Wave Energy Extraction
by Mohammad Nasim Uddin, Frimpong Opoku and Michael Atkinson
Energies 2024, 17(15), 3638; https://doi.org/10.3390/en17153638 - 24 Jul 2024
Cited by 3 | Viewed by 2443
Abstract
The Oscillating Water Column (OWC) is the most promising self-rectifying device for power generation from ocean waves; over the past decade, its importance has been rekindled. The bidirectional airflow inside the OWC drives the Wells turbine connected to a generator to harness energy. [...] Read more.
The Oscillating Water Column (OWC) is the most promising self-rectifying device for power generation from ocean waves; over the past decade, its importance has been rekindled. The bidirectional airflow inside the OWC drives the Wells turbine connected to a generator to harness energy. This study evaluated the aerodynamic performance of two hybrid airfoil (NACA0015 and NACA0025) blade designs with variable chord distribution along the span of a Wells turbine. The present work examines the aerodynamic impact of the variable chord turbine and compares it with one with a constant chord. Ideally, Wells rotor blades with variable chords perform better since they have an even axial velocity distribution on their leading edge. The variable chord rotor blade configurations differ from hub to tip with taper ratios (Chord at Tip/Chord at Hub) of 1.58 and 0.63. The computation is performed in ANSYS™ CFX 2023 R2 by solving three-dimensional, steady-state, incompressible Reynolds Averaged Navier–Stokes (RANS) equations coupled with a k-ω Shear Stress Transport (SST) turbulence model in a non-inertial reference frame rotating with the turbine. The accuracy of the numerical results was achieved by performing a grid independence study. A refined mesh showed good agreement with the available experimental and numerical data in terms of efficiency, torque, and pressure drop at different flow coefficients. A variable chord Wells turbine with a taper ratio of 1.58 had a peak efficiency of 59.6%, as opposed to the one with a taper ratio of 0.63, which had a peak efficiency of 58.2%; the constant chord Wells turbine only had a peak efficiency of 58.5%. Furthermore, the variable chord rotor with the higher taper ratio had a larger operating range than others. There are significant improvements in the aerodynamic performance of the modified Wells turbine, compared to the conventional Wells turbine, which makes it suitable for wave energy harvesting. The flow field investigation around the turbine blades was conducted and analyzed. Full article
(This article belongs to the Section A3: Wind, Wave and Tidal Energy)
Show Figures

Figure 1

20 pages, 1215 KB  
Article
Multi-Criteria Assessment of Timber-Based Structural Systems for a Grocery Store
by Tomas Gecys, Laura Tupenaite, Loreta Kanapeckiene and Jurga Naimaviciene
Buildings 2024, 14(5), 1335; https://doi.org/10.3390/buildings14051335 - 8 May 2024
Viewed by 1639
Abstract
To reduce the negative impact on the environment, architects, designers, and construction companies need to find and apply eco-friendly and sustainable building solutions. Due to its renewable nature and numerous advantages, timber has become an attractive substitute for steel and concrete in both [...] Read more.
To reduce the negative impact on the environment, architects, designers, and construction companies need to find and apply eco-friendly and sustainable building solutions. Due to its renewable nature and numerous advantages, timber has become an attractive substitute for steel and concrete in both residential and non-residential construction projects. However, timber application in the construction of grocery stores is a relatively new concept. The purpose of this research is to propose three alternative timber-based structural systems for a grocery store in Lithuania and to select the most efficient option based on multi-criteria decision-making methods. Three alternative glued laminated timber (glulam) structural systems—the glulam column and truss system, the glulam three-hinge frame system, and the glulam column and double-tapered beam system—were designed. The systems were evaluated against ten criteria, reflecting structural properties, cost efficiency, assembling complexity, and aesthetics. Multiple-criteria assessments by the COmplex PRoportional ASsessment (COPRAS) method and simple additive weighting (SAW) method revealed that the best-performing alternative is the glulam column and double-tapered beam system due to the lower cost of load-bearing structures, the smaller quantity of required steel details and fittings, and the highest maximum utility ratio according to serviceability limit states compared to other alternatives. Full article
(This article belongs to the Section Building Structures)
Show Figures

Figure 1

29 pages, 5291 KB  
Article
Buckling Resistance of Tapered Steel Columns
by Tihomir Dokšanović, Ivan Radić and Bojan Biserčić
Appl. Sci. 2023, 13(20), 11498; https://doi.org/10.3390/app132011498 - 20 Oct 2023
Cited by 1 | Viewed by 4292
Abstract
Tapered steel members are widely used in structural and architectural engineering for their efficiency and adaptability, allowing for optimal material usage tailored to specific load levels. However, their complex stability characteristics have hindered their representation in modern design standards like EN 1993 and [...] Read more.
Tapered steel members are widely used in structural and architectural engineering for their efficiency and adaptability, allowing for optimal material usage tailored to specific load levels. However, their complex stability characteristics have hindered their representation in modern design standards like EN 1993 and AISC 360. Existing buckling solutions are limited, and practical research is lacking. This paper comprehensively examines the buckling resistance calculation methodologies for members with variable cross-sections, addressing discrepancies across the methodologies, particularly regarding the tapering ratio. A parametric analysis and numerical simulations were conducted to evaluate each methodology’s applicability, emphasizing the need to balance computational simplicity and accuracy. The study primarily focused on tapered steel beams, considering the different tapering ratios and loading conditions. The findings provide valuable insights into the buckling behavior in tapered members and the practical implications for real-world structural designs. By examining the available analytical methods for calculating the buckling resistance of tapered elements, a better understanding of how to accommodate the non-uniformity of a member was gained, enabling an overview of the variance in the determined resistances and an assessment of the method’s applicability. Moreover, specific calculation methodologies were found to have shortcomings that require modifications for a more accurate parametric analysis. This research contributes to the field by bridging the gaps in modern design standards and enhancing the understanding of buckling in tapered steel members. Full article
(This article belongs to the Special Issue Mechanical Behavior of Steels)
Show Figures

Figure 1

19 pages, 3068 KB  
Article
Structural Analysis of Self-Weight Loading Standing Trees to Determine Its Critical Buckling Height
by Lina Karlinasari, Effendi Tri Bahtiar, Adhelya Suci Apriyanti Kadir, Ulfa Adzkia, Naresworo Nugroho and Iskandar Z. Siregar
Sustainability 2023, 15(7), 6075; https://doi.org/10.3390/su15076075 - 31 Mar 2023
Cited by 9 | Viewed by 4513
Abstract
A tree may receive compression and flexure combination, and the structural analysis governed by the building code may be capable of estimating the tree’s safety in the built environment. This study proposed to refer to the building code to check the tree dimension [...] Read more.
A tree may receive compression and flexure combination, and the structural analysis governed by the building code may be capable of estimating the tree’s safety in the built environment. This study proposed to refer to the building code to check the tree dimension adequacy resisting the load. This study simplified the case by focusing only on the self-weight and ignoring the external loads; therefore, the buckling analysis of a slender tapered round column subjected to compression is advocated. Buckling occurs when the tree’s structure can no longer maintain its original shape. Euler and Ylinen’s buckling stress analysis (Method 1) calculated tree safety with a 95% confidence level. This study also applied the Greenhill formula (Method 2) to determine the critical height of a tree receiving the stem weight, then modified it to include the crown weight (Method 3). The three methods calculated the critical height to determine the safety factor (Sf), that is, the ratio of the actual tree height (H) to the 95% confidence level estimated critical height (Hcr). The safety factors were then categorized as unsafe (Sf < 1.00), safe (1.00 < Sf < 1.645), and very safe (1.645 < Sf). This study demonstrated that Method 1 is the most reliable and applicable among other methods. Method 1 resulted in no unsafe trees, 10 safe trees, and 13 very safe trees among the observed excurrent agathis (Agathis dammara). Meanwhile, among the decurrent rain trees (Samanea saman (Jacq.) Merr), 5, 31, and 14 were unsafe, safe, and very safe, respectively. Full article
Show Figures

Figure 1

19 pages, 9374 KB  
Article
Cyclic Behavior of Gabled Frames with Web-Tapered Columns and Rafters
by Haisheng Yang, Mingzhou Su, Yong Xiao and Dan Gan
Materials 2023, 16(1), 307; https://doi.org/10.3390/ma16010307 - 28 Dec 2022
Cited by 2 | Viewed by 3120
Abstract
Cyclic loading tests were conducted on three 1/2-scale, half-bay steel gabled frames (SGFs) to investigate their seismic performance. The three specimens with reduced joint stiffness were designed based on the prototype drawing shown in China design guideline 02SG518—1: specimen SV1 with a reduced [...] Read more.
Cyclic loading tests were conducted on three 1/2-scale, half-bay steel gabled frames (SGFs) to investigate their seismic performance. The three specimens with reduced joint stiffness were designed based on the prototype drawing shown in China design guideline 02SG518—1: specimen SV1 with a reduced thickness of the joint end-plate and bolt diameter, specimen SV2 with a reduced number of bolts, and specimen SV3 with a reduced bolt diameter. The load capacity, rotational stiffness, rotational capacity, and ultimate failure mode of specimens SV1, SV2, and SV3 were investigated. The experimental results showed that specimen SV1 failed due to the local buckling of the lower flange of the rafter, and specimens SV2 and SV3 due to the local buckling of upper flange of the rafter. The joint zone of all specimens kept well, indicating that the prototype joint had a large margin of safety. The hysteresis curves of all specimens were not full, and the ductility and energy dissipation capacity were limited. The end-plate thickness, bolt diameter, and steel grade affected the hysteresis performance of the SGF little. A refined finite element model was established, and the predicted results compared well with the test results. The test and analysis results demonstrated that there was slight utilization and distribution of post-buckling strength. Full article
Show Figures

Figure 1

18 pages, 10215 KB  
Article
Mechanical Properties of Parallel TDG Bamboo Laminated Columns with Tough and Grove Joints
by Krittapat Kitiyanun, Waranon Kongsong, Seree Tuprakay, Sirawan Ruangchuay Tuprakay, Boontham Harnphanich, Chaiwat Poowarakulchai and Chaleeporn Thammapornram
Designs 2022, 6(6), 107; https://doi.org/10.3390/designs6060107 - 1 Nov 2022
Cited by 3 | Viewed by 2363
Abstract
The problem of bamboo’s strength depends on the length used. From past experiments, it was found that the physical properties of bamboo have thickness at the bottom and a tapered end, resulting in the strength of the bamboo in each part being different. [...] Read more.
The problem of bamboo’s strength depends on the length used. From past experiments, it was found that the physical properties of bamboo have thickness at the bottom and a tapered end, resulting in the strength of the bamboo in each part being different. The bottom part can resist more compression than the tip, which corresponds to the physical characteristics of bamboo. To use bamboo for main construction, such as columns, many select raw bamboo that measures approximately 3 m from the ground and is considered the strongest part. The present bamboo laminated products are limited to 2.4 m in length due to the capabilities of today’s compression machines and the factor of length as mentioned above. The column is an important infrastructure, which must have sufficient strength and capacity to solve the problem of high space. However, based on the above limitations, it is particularly important to study the connectivity of increasing column length. A wood joint is a traditional method to secure two pieces of wood together. Tongue and groove joints are most common in floorings, such as wood flooring, laminate flooring, and flooring. One of the hardest methods of securing wood is end to end of edge to edge. In order to further develop green building materials, TDG bamboo is processed into laminated columns (TDGLC). It is considered important because, in addition to increasing income for farmers, it will also enable the development of building materials to replace wood in the future. Therefore, this research demonstrates the benefits of developing locally available materials such as bamboo. To develop laminated bamboo columns for use in a structure, we chose 3–4-year-old TDG bamboo and glued it to obtain a 100 mm cross-section column in order to maximize the benefits of using TDG bamboo for real use. Test specimens are joined by tongue-groove joints to a column length of 1 m, 2 m, and 3 m by joining joints in four different areas: Top (T), middle (M), top-bottom (TB), and bottom (B), to test for compressive strength. The test results showed that TDGLC + TG at the top specimens 4L01 T–4L03 T can resist a load range of 100–65%, and for the middle specimen 4L01 M–4L03 M, the load is between 88 and 57%. At the top-bottom 4L01 TB–4L03 TB, the load is between 30 and 20%. At the bottom 4L01 B–4L03 B, the load is between 28 and 18%. Full article
Show Figures

Figure 1

15 pages, 5452 KB  
Article
Penetration Efficiency and Concentration Distribution of Nanoparticles in a Hollow Tapered Cylinder
by Cheng-Hsiung Huang, Yu-Chih Lin and Chung-Liang Chang
Appl. Sci. 2022, 12(16), 8025; https://doi.org/10.3390/app12168025 - 10 Aug 2022
Cited by 1 | Viewed by 1968
Abstract
Knowing particle penetration efficiencies and concentration distributions in an inlet channel of a sampling device is beneficial for the robust assessment, attribution and quantification of nanoparticles produced by various activities. The aim of this research is to evaluate the effect of the presence [...] Read more.
Knowing particle penetration efficiencies and concentration distributions in an inlet channel of a sampling device is beneficial for the robust assessment, attribution and quantification of nanoparticles produced by various activities. The aim of this research is to evaluate the effect of the presence or absence of a conical column inside a hollow tapered cylinder on the nanoparticle penetration efficiency and its outlet concentration profile for different flow rates. The particle penetration characteristics of various sizes from 3 nm to 20 nm were numerically investigated by using the flow field and convection diffusion equations within the hollow tapered cylinder. Firstly, the proposed model of the nanoparticle penetration efficiency for the hollow tapered cylinder with the conical column is validated with the experimental data in the literature. Then, the results indicate that the concentration at the outlet of the hollow tapered cylinder with the conical column exhibits annular profiles for 3 nm and 5 nm nanoparticles at a flow rate of 2.0 L/min, which is found to avoid centralizing the particles in the exit area. In addition, the penetration efficiency of nanoparticles can be improved by increasing flow rates or removing the conical column inside the hollow tapered cylinder. Finally, the ring-shaped concentration profile of the 10 nm nanoparticles at the outlet of the hollow conical cylinder with the conical column becomes more obvious as the flow rate decreases. This study interprets and quantitatively decides the nanoparticle penetration efficiency and its exit concentration profile for the hollow tapered cylinder with or without the conical column. Therefore, the results can provide some useful design references for the transport of nanoparticles in the hollow tapered cylinder. Full article
Show Figures

Figure 1

24 pages, 23802 KB  
Article
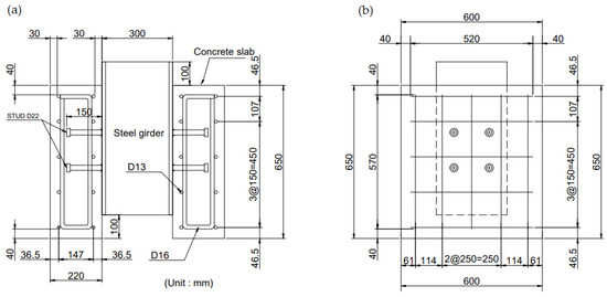
Demountable Bolted Shear Connector for Easy Deconstruction and Reconstruction of Concrete Slabs in Steel–Concrete Bridges
by Dae-Sung Jung, Se-Hyun Park, Tae-Hyeong Kim, Jong-Wook Han and Chul-Young Kim
Appl. Sci. 2022, 12(3), 1508; https://doi.org/10.3390/app12031508 - 30 Jan 2022
Cited by 18 | Viewed by 5901
Abstract
Welded headed studs are used to connect steel girders and concrete slabs in steel composite bridges. However, environmental problems related to welded shear connectors have been reported, including noise and dust generation during the replacement and demolition of damaged or worn concrete slabs. [...] Read more.
Welded headed studs are used to connect steel girders and concrete slabs in steel composite bridges. However, environmental problems related to welded shear connectors have been reported, including noise and dust generation during the replacement and demolition of damaged or worn concrete slabs. To overcome these issues, demountable shear connectors that enable easy replacement of damaged or worn concrete slabs must be developed. However, conventional bolted shear connectors mainly use embedded nuts, which cannot be used in structures such as bridges because initial slip occurs and the stiffness and shear resistance strength are relatively low. To address these issues, this paper proposes a bolted shear connector that integrates the embedded nut part into the stud bolt and has a tapered shape at the bottom of the expansion column. For performance verification in regard to static shear strength and slip displacement, push-out tests were performed according to Eurocode-4, and the performance of the proposed stud bolt was compared to those of conventional welded headed studs and embedded nut-style bolted shear connectors. In addition, an analytical review was performed using the ABAQUS program for the 1/4 axisymmetric model of the push-out test. As a result of applying the material nonlinear model and the surface contact analysis, the load-slip displacement of each analysis model showed a tendency extremely similar to the experimental results. The proposed demountable bolted shear connector exhibited excellent shear performance and can be used as a satisfactory replacement for conventional welded studs because it meets slip displacement and ductility standards. Full article
(This article belongs to the Section Civil Engineering)
Show Figures

Figure 1

17 pages, 6214 KB  
Article
Experimental Investigation and Design of Hollow Section, Centrifugal Concrete-Filled GFRP Tube Columns
by Bing Feng, Ya-Hui Zhu, Fang Xie, Ju Chen and Cheng-Bin Liu
Buildings 2021, 11(12), 598; https://doi.org/10.3390/buildings11120598 - 30 Nov 2021
Cited by 22 | Viewed by 3264
Abstract
The compressive response of hollow section, centrifugal concrete-filled GFRP tube (HS-CFGT) members is examined experimentally and reported analytically in this paper. A total of 17 specimens separated into two groups were tested; the specimens in each group were of four different lengths and [...] Read more.
The compressive response of hollow section, centrifugal concrete-filled GFRP tube (HS-CFGT) members is examined experimentally and reported analytically in this paper. A total of 17 specimens separated into two groups were tested; the specimens in each group were of four different lengths and included thirteen straight columns and four tapered columns. The details of the test rigs, procedures as well as key test observations composed of ultimate-moment capacities, load-displacement curves, and failure modes were truthfully reported. The test results were analyzed to evaluate the influence of initial eccentricity on the structural performance. Therefore, the aim of this paper is: (1) to propose a proper coefficient, φe, reflecting the effect of initial eccentricity based on the Chinese design code; and (2) to determine a new confinement coefficient, kcc = 1.10, for centrifugal concrete confined by GFRP tubes. Comparisons of the present design codes and specifications of confined concrete members with test results on 17 full-scale tube columns are also presented. Accordingly, new design equations, whose predictions generally agree well with the test results, are recommended to estimate the compressive capacity of the proposed HS-CFGT columns. Full article
(This article belongs to the Section Building Structures)
Show Figures

Figure 1

28 pages, 6746 KB  
Article
Nonlocal Analysis of the Flexural–Torsional Stability for FG Tapered Thin-Walled Beam-Columns
by Masoumeh Soltani, Farzaneh Atoufi, Foudil Mohri, Rossana Dimitri and Francesco Tornabene
Nanomaterials 2021, 11(8), 1936; https://doi.org/10.3390/nano11081936 - 27 Jul 2021
Cited by 12 | Viewed by 3392
Abstract
This paper addresses the flexural–torsional stability of functionally graded (FG) nonlocal thin-walled beam-columns with a tapered I-section. The material composition is assumed to vary continuously in the longitudinal direction based on a power-law distribution. Possible small-scale effects are included within the formulation according [...] Read more.
This paper addresses the flexural–torsional stability of functionally graded (FG) nonlocal thin-walled beam-columns with a tapered I-section. The material composition is assumed to vary continuously in the longitudinal direction based on a power-law distribution. Possible small-scale effects are included within the formulation according to the Eringen nonlocal elasticity assumptions. The stability equations of the problem and the associated boundary conditions are derived based on the Vlasov thin-walled beam theory and energy method, accounting for the coupled interaction between axial and bending forces. The coupled equilibrium equations are solved numerically by means of the differential quadrature method (DQM) to determine the flexural–torsional buckling loads associated to the selected structural system. A parametric study is performed to check for the influence of some meaningful input parameters, such as the power-law index, the nonlocal parameter, the axial load eccentricity, the mode number and the tapering ratio, on the flexural–torsional buckling load of tapered thin-walled FG nanobeam-columns, whose results could be used as valid benchmarks for further computational validations of similar nanosystems. Full article
(This article belongs to the Special Issue Advanced Mechanical Modeling of Nanomaterials and Nanostructures)
Show Figures

Figure 1

14 pages, 2034 KB  
Article
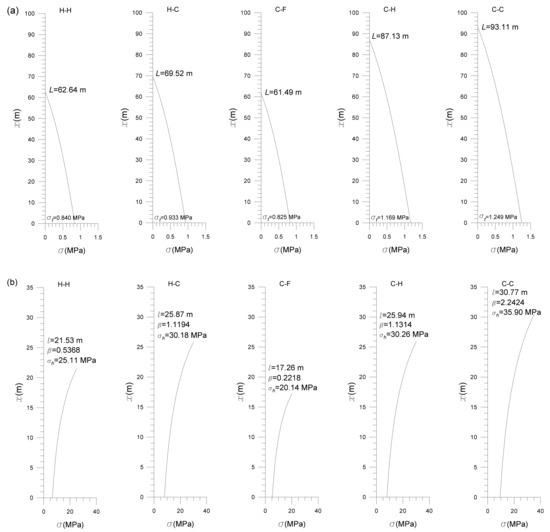
Buckling of Tapered Heavy Columns with Constant Volume
by Byoung Koo Lee and Joon Kyu Lee
Mathematics 2021, 9(6), 657; https://doi.org/10.3390/math9060657 - 19 Mar 2021
Cited by 8 | Viewed by 3909
Abstract
This paper studies the buckling of standing columns under self-weight and tip load. An emphasis is placed on linearly tapered columns with regular polygons cross-section whose volume is constant. Five end conditions for columns are considered. The differential equation governing the buckling shapes [...] Read more.
This paper studies the buckling of standing columns under self-weight and tip load. An emphasis is placed on linearly tapered columns with regular polygons cross-section whose volume is constant. Five end conditions for columns are considered. The differential equation governing the buckling shapes of the column is derived based on the equilibrium equations of the buckled column elements. The governing equation is numerically integrated using the direct integration method, and the eigenvalue is obtained using the determinant search method. The accuracy of the method is verified against the existing solutions for particular cases. The effects of side number, taper ratio, self-weight, and end condition on the buckling load and mode shape are investigated. The contribution of self-weight acting alone to the buckling response is also explored. For a given column volume, especially, the buckling length and its stress distribution of the columns with different geometries and end conditions are estimated. Full article
Show Figures

Figure 1

10 pages, 3370 KB  
Article
Thermal Performances Investigation of Anti-Gravity Heat Pipe with Tapering Phase-Change Chamber
by Jianhua Xiang, Xi-bo Chen, Jiale Huang, Chunliang Zhang, Chao Zhou and Haoxing Zheng
Energies 2020, 13(19), 5036; https://doi.org/10.3390/en13195036 - 24 Sep 2020
Cited by 2 | Viewed by 4604
Abstract
The objective of this study was to fabricate anti-gravity heat pipes with a tapering column phase-change chamber and changeable cross-sectional wick structure. The thermal performances of the anti-gravity heat pipes were experimentally investigated. Results show that the thermal resistances of the different heat [...] Read more.
The objective of this study was to fabricate anti-gravity heat pipes with a tapering column phase-change chamber and changeable cross-sectional wick structure. The thermal performances of the anti-gravity heat pipes were experimentally investigated. Results show that the thermal resistances of the different heat pipes are less than 0.03 °C/W, except for the sharp conical chamber heat pipe under anti-gravity heating conditions (0.121 °C/W). Start-up times of different types of heat pipes are similar and the temperatures are steady within 3 to 5 min. The heat transfer ability of a conical chamber is always better than that of a cylindrical one. The performance of the sharp conical chamber heat pipe is the best under gravity assistance heating conditions. Contrarily, the blunt conical chamber heat pipe has the best heat transfer ability under anti-gravity heating conditions. Moreover, the heat transfer capability of the blunt conical chamber heat pipe is unaffected by the relative position of the heat and cold sources, which is suitable for constant temperature cooling applications with frequent switching of the heat and cold sources. Full article
(This article belongs to the Section J: Thermal Management)
Show Figures

Graphical abstract

Back to TopTop