Demountable Bolted Shear Connector for Easy Deconstruction and Reconstruction of Concrete Slabs in Steel–Concrete Bridges
Abstract
:1. Introduction
2. Review of Previous Studies of Steel Composite Bridge Shear Connectors
3. Push-Out Tests and Analysis of Results
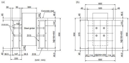
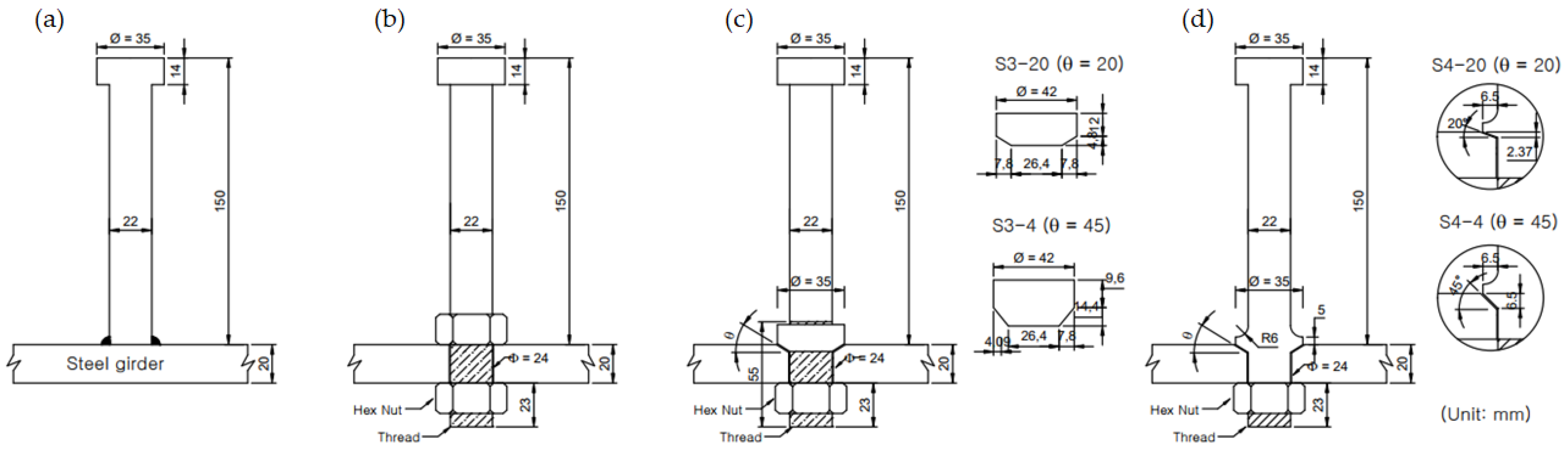
3.1. Shear Specimen Fabrication and Material Properties
3.2. Experimental Method and Measurement Conditions
3.3. Experimental Results and Analysis
4. FE Analysis and Result
4.1. Analysis Method and Modeling
4.2. Material Model
4.2.1. Structural Steel, Rebar, and Shear Connectors
4.2.2. Concrete
4.3. Load, Boundary Conditions, Interactions, and Constraint Conditions
4.4. Comparison of Analysis Results and Experimental Values
5. Conclusions
- (1)
- Welded headed studs (model S1) are superior to conventional bolted shear connectors in terms of ductile deformation and shear strength.
- (2)
- In the conventional bolted shear connectors, fracturing occurred in both the nut that was embedded in the concrete slab and the stud bolt threads, which are located at the upper flange interface, and the fracture load was very low, at 47.8% of the fracture load of model S1. In addition, the failure slip deformation was 50.8% of the failure slip deformation of model S1 at 6.03 mm.
- (3)
- Looking at the Y-shaped embedded nut shear connectors (model S3), the failure load of the model with a Y-shape angle of 20° was larger than that of model S2, but the slip deformation during failure was very small at 4.27 mm. On the other hand, the failure load of the model with a 45° angle was lower than that of the welded stud and higher than that of the embedded nut model (model S2).
- (4)
- The ultimate load of the Y-shaped integrated demountable stud bolt (model S4) was 196% (20°)–219% (45°) of the ultimate load of the conventional bolted shear connector (model S2), and it was higher than that of the welded stud (model S1) at 93.9% (20°)–104.6% (45°). The amount of slip deformation during failure was 6.91 mm (20°) and 7.76 mm (45°), exceeding the design standard of 6 mm and showing ductile behavior. However, the stud bolt experienced fracturing at the threads of the nut fastening part, and it is thought that additional research on this aspect is needed.
- (5)
- The South Korean bridge design standard for shear connector ductile deformation, which is 6 mm, was satisfied by all models except for model S3–20.
- (6)
- The FE analysis results obtained using the concrete CDP models matched the experimental load–slip behaviors well overall. In particular, it was possible to confirm the failure mode of the shear connectors adequately in an analytical manner.
- (7)
- Model S4, which was ultimately proposed in this paper, could prevent initial slip and increases in the initial stiffness and failure strength by not using an embedded nut and by introducing a bolt load to remove the tolerance caused by the wedging effect. Therefore, the use of Y-shaped demountable stud bolt shear connecters can resolve the problems of increased initial slip, decreased stiffness, and reduced ultimate failure strength caused by the hole tolerance that mainly occurs in conventional embedded nuts.
Author Contributions
Funding
Acknowledgments
Conflicts of Interest
References
- Lee, P.G.; Shim, C.S.; Yoon, T.Y. Static behavior of large stud shear connectors. J. Korean Soc. Steel Construct. 2003, 15, 611–620. (In Korean) [Google Scholar]
- Shim, C.S. Experiments on limits state design of large stud shear connectors. KSCE J. Civil Eng. 2004, 8, 313–318. [Google Scholar] [CrossRef]
- Nguyen, H.T.; Kim, S.E. Finite element modeling of push-out tests for large stud shear connectors. J. Construct. Steel Res. 2009, 65, 1909–1920. [Google Scholar] [CrossRef]
- Maleki, S.; Bagheri, S. Behaviour of channel shear connectors, Part I, Experimental study. J. Construct. Steel Res. 2008, 64, 1333–1340. [Google Scholar] [CrossRef]
- Ahn, J.H.; Lee, C.G.; Won, J.H.; Kim, S.H. Shear resistance of the Perfobond shear connector depending on concrete strength and rib arrangement. J. Construct. Steel Res. 2010, 66, 1295–1307. [Google Scholar] [CrossRef]
- Kim, S.H.; Choi, K.T.; Park, S.J.; Park, S.M.; Yung, C.Y. Experimental shear resistance evaluation of Y-type Perfobond rib shear connector. J. Construct. Steel Res. 2013, 82, 1–18. [Google Scholar] [CrossRef]
- AASHTO LRFD Bridge Design Specifications, 4th ed.; AASHTO: Washington, DC, USA, 2007.
- Gattesco, N.; Giuriani, E. Experimental study on stud shear connectors subjected to cyclic loading. J. Construct. Steel Res. 1996, 38, 1–21. [Google Scholar] [CrossRef]
- Lee, P.G.; Shim, C.S.; Chang, S.P. Static and fatigue behavior of large stud shear connectors for steel–concrete composite bridges. J. Construct. Steel Res. 2005, 61, 1270–1285. [Google Scholar] [CrossRef]
- Chung, C.H.; Lee, H.S. Evaluation of shear strength of the type Perfobond rib shear connectors. J. Korean Soc. Civ. Eng. 2005, 25, 879–888. (In Korean) [Google Scholar]
- Chung, C.H.; Lee, H.S.; You, S.K.; Choi, W.H. Experimental analysis of type Perfobond rib shear connection between steel tubes and concrete deck. J. Korean Soc. Civ. Eng. 2005, 25, 201–212. (In Korean) [Google Scholar]
- Kim, H.Y.; Koo, H.B. Composite behavior of Perfobond rib shear connector for steel-concrete decks. J. Korean Soc. Civ. Eng. 2006, 26, 91–97. (In Korean) [Google Scholar]
- Ahn, J.H.; Choi, K.T.; Kim, S.H.; Kim, S.H. Shear capacity of corrugated rib shear connector. J. Korean Soc. Civ. Eng. 2008, 28, 375–381. (In Korean) [Google Scholar]
- Kyung, K.S.; Lee, S.Y.; Jeong, Y.J.; Kwon, S.C. Fatigue behavior of steel-concrete composite bridge deck with Perfobond rib shear connector. J. Korean Soc. Civ. Eng. 2010, 30, 71–80. (In Korean) [Google Scholar]
- Cho, S.K.; Lee, J.M.; Youn, S.G.; Choi, Y.W. Behavior of stud shear connectors in precast deck using lightweight concrete. J. Korean Soc. Steel Construct. 2008, 20, 227–236. (In Korean) [Google Scholar]
- Lee, K.C.; Yoon, K.Y. Assessment and recommendation of fatigue design codes for stud shear connectors in composite bridge. J. Korean Soc. Hazard Mitig. 2009, 9, 15–21. (In Korean) [Google Scholar]
- Slutter, R.G.; Fisher, J.W. Fatigue Strength of Shear Connectors; Highway Research Record No. 147; National Research Council: Washington, DC, USA, 1966. [Google Scholar]
- Prakash, A.; Anandavalli, N.; Madheswaran, C.K.; Rajasankar, J.; Lakshmanan, N. Three dimensional FE model of stud connected steel-concrete composite girders subjected to monotonic loading. Int. J. Mech. Appl. 2011, 1, 1–11. [Google Scholar]
- Chaudhari, S.V.; Chakrabarti, M.A. Modeling of concrete for nonlinear analysis using finite element code ABAQUS. Int. J. Comput. Appl. 2012, 44, 14–18. [Google Scholar]
- Yan, J.B.; Li, Z.X.; Xie, J. Numerical and parametric studies on steel-elastic concrete composite structures. J. Construct. Steel Res. 2017, 133, 84–96. [Google Scholar] [CrossRef]
- Pavlović, M.S. Resistance of Bolted Shear Connectors in Prefabricated Steel-Concrete Composite Decks. PhD Thesis, University of Belgrade, Republic of Serbia, 2013. [Google Scholar]
- Suwaed, A.S.H.; Karavasilis, T.L. Novel Demountable Shear Connector for Accelerated Disassembly, Repair, or Replacement of Precast Steel-Concrete Composite Bridges. J. Bridge Eng. 2017, 22, 04017052. [Google Scholar] [CrossRef] [Green Version]
- Yang, F.; Liu, Y.; Jiang, Z.; Xin, H. Shear performance of a novel demountable steel-concrete bolted connector under static push-out tests. Eng. Struct. 2018, 160, 133–146. [Google Scholar] [CrossRef]
- He, J.; Suwaed, A.S.H.; Vasdravellis, G. Horizontal pushout tests and parametric analyses of a locking-bolt demountable shear connector. Structures 2022, 35, 667–683. [Google Scholar] [CrossRef]
- Marshall, W.T.; Nelson, H.M.; Banarjee, H.K. An experimental study of the use of high strength friction-grip bolts as shear connectors in composite beams. Struct. Eng. 1971, 49, 171–178. [Google Scholar]
- Hawkins, N. Strength in shear and tension of cast-in-place anchor bolts. Anchorage Concr. SP-103 1987, 103, 233–255. [Google Scholar]
- Kwon, G. Strengthening Existing Steel Bridge Girders by the Use of Postinstalled Shear Connectors. Ph.D. Thesis, The University of Texas, Austin, TX, USA, 2008. [Google Scholar]
- Loqman, N.; Safiee, N.A.; Bakar, N.A.; Nasir, N.A.M. Structural behavior of steel-concrete composite beam using bolted shear connectors: A review. MATEC Web Conf. 2018, 203, 06010. [Google Scholar] [CrossRef] [Green Version]
- Chung, C.H.; Kim, J.S.; Park, H.S.; Joo, B.C. Strength of bolt type shear connector in precast deck composite bridges. J. Korean Soc. Civ. Eng. 2005, 25, 787–800. (In Korean) [Google Scholar]
- Lee, M.; Bradford, M.A. Sustainable composite beam behaviour with deconstructable bolted shear connectors. In Proceedings of the 2013 Composite Construction in Steel and Concrete VII, Palm Cove, North Queensland, Australia, 28–31 July 2013. [Google Scholar]
- Lam, D.; Dai, X.; Saveri, E. Behaviour of demountable shear connectors in steel-concrete composite beams. In Proceedings of the 2013 Composite Construction in Steel and Concrete VII, Palm Cove, North Queensland, Australia, 28–31 July 2013. [Google Scholar]
- Csillag, F.; Pavlović, M.S. Push-out behaviour of demountable injected vs. blind-bolted connectors in FRP decks. Compos. Struct. 2021, 270, 114043. [Google Scholar] [CrossRef]
- Kozma, A.; Odenbreit, C.; Braun, M.V.; Veljkovic, M.; Nijgh, M.P. Push-out tests on demountable shear connectors of steel-concrete composite structures. Structures 2019, 21, 45–54. [Google Scholar] [CrossRef] [Green Version]
- EN 1994-1-1; Eurocode-4: Design of Composite Steel and Concrete Structures, Part 1-1: General Rules and Rules for Buildings. European Committee for Standardization (CEN): Brussels, Belgium, 2004.
- KDS 24-14-20:2016; Korean Design Standard. Korea Construction Standards Center: Goyang-si, Korea, 2016.
- ABAQUS; Dassault Systèmes Simulia Corp.: Johnston, RI, USA, 2020.
- KDS 24-14-30:2016; Korean Design Standard. Korea Construction Standards Center: Goyang-si, Korea, 2016.
- EN 1992-1-1; Eurocode-2: Design of Concrete Structures, Part 1-1: General Rules and Rules for Building. European Committee for Standardization (CEN): Brussels, Belgium, 2004.
- Ellobody, E.; Young, B.; Lam, D. Behaviour of normal and high strength concrete-filled compact steel tube circular stub columns. J. Construct. Steel Res. 2006, 62, 70615. [Google Scholar] [CrossRef]
- BS 8110, Parts 1, 2. Code of Practice for Design and Construction; British Standards Institution: London, UK, 1997.

















| Case | Specimen Name 1 | Slab Design Strength (MPa) | Stud Diameter (mm) | Stud Height (mm) | Y-Shape Angle (Embedded Nut) | Quantity |
|---|---|---|---|---|---|---|
| S1 | S1-#1-3 | 30 | 22 | 150 | - | 3 |
| S2 | S2-#1-3 | 30 | 22 | 150 | - | 3 |
| S3–20 | S3–20-#1-3 | 30 | 22 | 150 | 20 | 3 |
| S3–45 | S3–45-#1-3 | 30 | 22 | 150 | 45 | 3 |
| S4–20 | S4–20-#1-3 | 30 | 22 | 150 | 20 | 3 |
| S4–45 | S4–45-#1-3 | 30 | 22 | 150 | 45 | 3 |
| Specimen (Eight Bolts) | Ultimate | Slip (mm) | Average Value | Diff. (S#/S1) | ||||
|---|---|---|---|---|---|---|---|---|
| Total, | Initial, | Total Force (kN) | Force (%) | Slip (%) | ||||
| S1 | #1 | 1644.3 | 12.94 | 0.80 | 1653.4 | 11.87 | 100 | 100 |
| #2 | 1644.2 | 11.40 | ||||||
| #3 | 1671.8 | 13.66 | ||||||
| S2 | #1 | 808.2 | 7.34 | 0.96 | 789.6 | 6.03 | 47.8 | 50.8 |
| #2 | 745.8 | 6.99 | ||||||
| #3 | 814.9 | 6.65 | ||||||
| S3-20 | #1 | 932.3 | 5.34 | 0.73 | 904.0 | 4.27 | 54.7 | 36.0 |
| #2 | 882.9 | 4.64 | ||||||
| #3 | 896.9 | 5.03 | ||||||
| S3-45 | #1 | 1365.5 | 9.39 | 0.79 | 1418.0 | 9.53 | 85.8 | 80.3 |
| #2 | 1398.9 | 11.07 | ||||||
| #3 | 1489.6 | 10.50 | ||||||
| S4-20 | #1 | 1549.6 | 7.86 | 1.01 | 1552.4 | 6.91 | 93.9 | 58.2 |
| #2 | 1491.1 | 6.95 | ||||||
| #3 | 1616.6 | 8.95 | ||||||
| S4-45 | #1 | 1,830.8 | 9.28 | 1.00 | 1730.0 | 7.76 | 104.6 | 65.4 |
| #2 | 1779.3 | 8.98 | ||||||
| #3 | 1579.9 | 8.02 | ||||||
| Model | Fracture Mode | Concrete Slab | Steel Girder | |
|---|---|---|---|---|
| S1 | ![]() | Stud shank–welding bead interface (ductile fracture) | ![]() | ![]() |
| S2 | ![]() | Top flange–embedded nut interface (ductile fracture) | ![]() | ![]() |
| S3-20 | ![]() | Tapered flange–nut interface (ductile fracture) | ![]() | ![]() |
| S3-45 | ![]() | Embedded nut–concrete interface (ductile fracture) | ![]() | ![]() |
| S4-20 | ![]() | Flange (lower surf.)–nut interface (brittle fracture) | ![]() | ![]() |
| S4-45 | ![]() | Flange (lower surf.)–nut interface (brittle fracture) | ![]() | ![]() |
| Steel Component | Density | Young’s Modulus, | Yield Stress, | Elastic Strain, | Plastic Strain, | Ultimate Strain, | ||
|---|---|---|---|---|---|---|---|---|
| Welded stud (S1–S3) | 7.8 × 10−6 | 205.51 | 0.3 | 248.81 | 429.59 | 0.0012 | 0.011 | 0.3966 |
| Stud bolt (S4) | 7.8 × 10−6 | 210.00 | 0.3 | 330.00 | 540.00 | 0.0016 | 0.035 | 0.2500 |
| Rebar | 7.8 × 10−6 | 192.76 | 0.3 | 542.57 | 578.46 | 0.0024 | 0.011 | 0.1811 |
| H beam | 7.8 × 10−6 | 210.00 | 0.3 | 316.53 | 479.17 | 0.0015 | 0.011 | 0.3077 |
| Parameter | Dilation Angle | Eccentricity | Viscosity | ||
|---|---|---|---|---|---|
| Value | 36 | 0.1 | 1.16 | 0.59 | 0 |
| FE Model | Interactions (Master–Slave Surface) | Contact Properties | |||
|---|---|---|---|---|---|
| Tangent Behavior | Normal Behavior | ||||
| Friction Formulation | Friction Coefficient | Pressure-Overclosure | Separation After Contact | ||
| S1 | Stud–Conc | Penalty | 0.30 | Hard | Allow |
| HBeam–Conc | Penalty | 0.14 | |||
| S2–S4 | Hbeam–Nut/Stud–Nut | Penalty | 0.30 | Hard | Allow |
| HBeam–Conc/Stud–Conc | Penalty | 0.14 | |||
| Emb.nut–Conc/Hbeam–stud | Penalty | 0.14 | |||
| Model | Concrete Damage Parameter | Shear Connector (von Mises Stress) | |
|---|---|---|---|
| Compression | Tension | ||
| S1 | ![]() | ![]() | ![]() |
| S2 | ![]() | ![]() | ![]() |
| S3-20 | ![]() | ![]() | ![]() |
| S3-45 | ![]() | ![]() | ![]() |
| S4-20 | ![]() | ![]() | ![]() |
| S4-45 | ![]() | ![]() | ![]() |
| Specimen | Experimental Results (A) | FE Analytical Results (B) | Diff. (B/A, %) | |||
|---|---|---|---|---|---|---|
| Ultimate Force (kN) | Failure Slip (mm) | Ultimate Force (kN) | Failure Slip (mm) | Ultimate Force | Failure Slip | |
| S1 | 1653.4 | 11.87 | 1668.5 | 12.0 | 100.9 | 101.1 |
| S2 | 789.6 | 6.03 | 910.4 | 6.0 | 115.3 | 99.5 |
| S3-20 | 904.0 | 4.27 | 1168.6 | 5.0 | 129.3 | 117.1 |
| S3-45 | 1418.0 | 9.53 | 1584.5 | 8.0 | 111.7 | 83.9 |
| S4-20 | 1552.4 | 6.91 | 1620.9 | 8.0 | 104.4 | 115.8 |
| S4-45 | 1730.0 | 7.76 | 1773.2 | 8.0 | 102.5 | 103.1 |
Publisher’s Note: MDPI stays neutral with regard to jurisdictional claims in published maps and institutional affiliations. |
© 2022 by the authors. Licensee MDPI, Basel, Switzerland. This article is an open access article distributed under the terms and conditions of the Creative Commons Attribution (CC BY) license (https://creativecommons.org/licenses/by/4.0/).
Share and Cite
Jung, D.-S.; Park, S.-H.; Kim, T.-H.; Han, J.-W.; Kim, C.-Y. Demountable Bolted Shear Connector for Easy Deconstruction and Reconstruction of Concrete Slabs in Steel–Concrete Bridges. Appl. Sci. 2022, 12, 1508. https://doi.org/10.3390/app12031508
Jung D-S, Park S-H, Kim T-H, Han J-W, Kim C-Y. Demountable Bolted Shear Connector for Easy Deconstruction and Reconstruction of Concrete Slabs in Steel–Concrete Bridges. Applied Sciences. 2022; 12(3):1508. https://doi.org/10.3390/app12031508
Chicago/Turabian StyleJung, Dae-Sung, Se-Hyun Park, Tae-Hyeong Kim, Jong-Wook Han, and Chul-Young Kim. 2022. "Demountable Bolted Shear Connector for Easy Deconstruction and Reconstruction of Concrete Slabs in Steel–Concrete Bridges" Applied Sciences 12, no. 3: 1508. https://doi.org/10.3390/app12031508
APA StyleJung, D.-S., Park, S.-H., Kim, T.-H., Han, J.-W., & Kim, C.-Y. (2022). Demountable Bolted Shear Connector for Easy Deconstruction and Reconstruction of Concrete Slabs in Steel–Concrete Bridges. Applied Sciences, 12(3), 1508. https://doi.org/10.3390/app12031508





































