Sign in to use this feature.

Years

Between: -

Subjects

remove_circle_outline
remove_circle_outline
remove_circle_outline
remove_circle_outline
remove_circle_outline
remove_circle_outline
remove_circle_outline
remove_circle_outline
remove_circle_outline

Journals

remove_circle_outline
remove_circle_outline
remove_circle_outline
remove_circle_outline
remove_circle_outline
remove_circle_outline
remove_circle_outline
remove_circle_outline
remove_circle_outline
remove_circle_outline
remove_circle_outline
remove_circle_outline
remove_circle_outline
remove_circle_outline
remove_circle_outline
remove_circle_outline
remove_circle_outline
remove_circle_outline

Article Types

Countries / Regions

remove_circle_outline
remove_circle_outline
remove_circle_outline
remove_circle_outline
remove_circle_outline
remove_circle_outline
remove_circle_outline
remove_circle_outline
remove_circle_outline
remove_circle_outline

Search Results (6,280)

Search Parameters:
Keywords = solar photovoltaic

Order results
Result details
Results per page
Select all
Export citation of selected articles as:
14 pages, 2474 KB  
Article
Simulation-Based Analysis of the Heating Behavior of Failed Bypass Diodes in Photovoltaic-Module Strings
by Ibuki Kitamura, Ikuo Nanno, Norio Ishikura, Masayuki Fujii, Shinichiro Oke and Toshiyuki Hamada
Energies 2026, 19(2), 472; https://doi.org/10.3390/en19020472 (registering DOI) - 17 Jan 2026
Abstract
With the expansion of photovoltaic (PV) systems, failures of bypass diodes (BPDs) embedded in PV modules can degrade the power-generation performance and pose safety risks. When a BPD fails, current circulates within the module, leading to overheating and eventual burnout of the failed [...] Read more.
With the expansion of photovoltaic (PV) systems, failures of bypass diodes (BPDs) embedded in PV modules can degrade the power-generation performance and pose safety risks. When a BPD fails, current circulates within the module, leading to overheating and eventual burnout of the failed BPD. The heating characteristics of a BPD depend on its fault resistance, and although many modules are connected in series in actual PV systems, the heating risk at the module-string level has not been sufficiently evaluated to date. In this study, a numerical simulation model is constructed to reproduce the operation of PV modules and module strings containing failed BPDs, and its validity is verified through experiments. The validated numerical simulation results quantitatively illustrate how series-connected PV modules modify the fault-resistance dependence of BPD heating under maximum power-point operation. The results show that, under maximum power-point operation, the fault resistance at which BPD heating becomes critical shifts depending on the number of series-connected modules examined, while the magnitude of the maximum heating decreases as the string length increases. The heat generated in a BPD at the maximum power point decreases as the number of series-connected modules increases for the representative string configurations analyzed. However, under open-circuit conditions due to power-conditioner abnormalities, the power dissipated in the failed BPD increases significantly, posing a very high risk of burnout. Considering that lightning strikes are one of the major causes of BPD failure, adopting diodes with higher voltage and current ratings and improving the thermal design of junction boxes are effective measures to reduce BPD failures. The simulation model constructed in this study, which was experimentally validated for short PV strings, can reproduce the electrical characteristics and heating behaviors of PV modules and strings with BPD failures with accuracy sufficient for comparative and parametric trend analysis, and serves as a practical tool for system-level safety assessment, design considerations, and maintenance planning within the representative configurations analyzed. Full article
Show Figures

Figure 1

23 pages, 1741 KB  
Article
Building-Integrated Solar Delivery Strategies for Algae Photobioreactors in Cold Climates
by Neda Ghaeili Ardabili, Mohammad Elmi and Julian Wang
Buildings 2026, 16(2), 391; https://doi.org/10.3390/buildings16020391 (registering DOI) - 17 Jan 2026
Abstract
Microalgae photobioreactors (PBRs) are promising building-integrated biotechnologies for carbon capture and biomass production; however, their high energy requirements for artificial lighting remain a significant energy barrier in cold climates. This study developed an integrated spectral–optical energy modeling framework to evaluate two PBR deployment [...] Read more.
Microalgae photobioreactors (PBRs) are promising building-integrated biotechnologies for carbon capture and biomass production; however, their high energy requirements for artificial lighting remain a significant energy barrier in cold climates. This study developed an integrated spectral–optical energy modeling framework to evaluate two PBR deployment strategies in State College, PA: rooftop daylight-exposed integration and basement installation with solar-assisted lighting. Results show that fiber-optic daylighting can supply a substantial fraction of photosynthetically useful light without introducing additional internal heat loads, while photovoltaics sized at approximately 0.40–0.55 kWDC per reactor can offset the annual PBR lighting energy use when sufficient roof area is available. Whole-building energy simulations further reveal that rooftop PBR integration reduces total annual space energy consumption by ~21% relative to basement placement due to lower artificial lighting and cooling loads. When combined, PV and fiber systems can fully meet basement PBR lighting demand, whereas rooftop configurations may rely more on grid electricity. Economically, fiber-optic daylighting achieves comparable lighting offsets at roughly half the annualized cost of PV-based systems, subject to surface-area and routing constraints. Overall, solar-assisted lighting strategies markedly improve the operational sustainability of building-integrated PBRs in cold climates, with fiber-optic daylighting offering substantial spectral and thermal advantages, subject to surface-area availability and routing-related design constraints. Full article
(This article belongs to the Collection Buildings for the 21st Century)
25 pages, 6292 KB  
Article
Solar Photovoltaic System Fault Classification via Hierarchical Deep Learning with Imbalanced Multi-Class Thermal Dataset
by Hrach Ayunts, Sos S. Agaian and Artyom M. Grigoryan
Energies 2026, 19(2), 462; https://doi.org/10.3390/en19020462 (registering DOI) - 17 Jan 2026
Abstract
The growing global reliance on solar photovoltaic (PV) systems requires robust, automated inspection techniques to ensure reliability and efficiency. Thermal infrared (IR) imaging is widely used for detecting PV faults; however, accurate classification remains challenging due to severe class imbalance, low thermal contrast, [...] Read more.
The growing global reliance on solar photovoltaic (PV) systems requires robust, automated inspection techniques to ensure reliability and efficiency. Thermal infrared (IR) imaging is widely used for detecting PV faults; however, accurate classification remains challenging due to severe class imbalance, low thermal contrast, and high inter-class visual similarity among fault types. This study proposes a hierarchical deep learning framework for thermal PV fault classification, integrating a multi-class dataset-balancing strategy to enhance representational efficiency. The proposed framework consists of two major components: (i) a hierarchical two-stage classification scheme that mitigates data imbalance and leverages limited labeled data for improved fault discrimination; and (ii) a contrast-preserving MixUp augmentation technique designed explicitly for low-contrast thermal imagery, improving minority fault class recognition and overall robustness. Comprehensive experiments were conducted on benchmark 8-class thermal PV datasets using nine deep network architectures. Dataset refactoring decisions are validated through quantitative inter-class distance analysis using multiple complementary metrics. Results demonstrate that the proposed hierarchical SlantNet model achieves the best trade-off between accuracy and computational efficiency, achieving an F1-Efficiency Index of 337.6 and processing 42,072 images per second on a GPU, over twice the efficiency of conventional approaches. Comparatively, the Swin-T Transformer attained the highest classification accuracy of 89.48% and F1 score of 80.50%, while SlantNet achieved 86.15% accuracy and 73.03% F1 score with substantially higher inference speed, highlighting its real-time potential. Ablation studies on augmentation and regularization strategies confirm that the proposed techniques significantly improve minority class detection without compromising overall performance, with detailed per-class precision, recall, and F1 analysis. The proposed framework delivers a high-accuracy, low-latency, and edge-deployable solution for automated PV inspection, facilitating seamless integration into operational PV plants for real-time fault diagnosis. Full article
26 pages, 544 KB  
Article
Physics-Aware Deep Learning Framework for Solar Irradiance Forecasting Using Fourier-Based Signal Decomposition
by Murad A. Yaghi and Huthaifa Al-Omari
Algorithms 2026, 19(1), 81; https://doi.org/10.3390/a19010081 (registering DOI) - 17 Jan 2026
Abstract
Photovoltaic Systems have been a long-standing challenge to integrate with electrical Power Grids due to the randomness of solar irradiance. Deep Learning (DL) has potential to forecast solar irradiance; however, black-box DL models typically do not offer interpretation, nor can they easily distinguish [...] Read more.
Photovoltaic Systems have been a long-standing challenge to integrate with electrical Power Grids due to the randomness of solar irradiance. Deep Learning (DL) has potential to forecast solar irradiance; however, black-box DL models typically do not offer interpretation, nor can they easily distinguish between deterministic astronomical cycles, and random meteorological variability. The objective of this study was to develop and apply a new Physics-Aware Deep Learning Framework that identifies and utilizes physical attributes of solar irradiance via Fourier-based signal decomposition. The proposed method decomposes the time-series into polynomial trend, Fourier-based seasonal component and stochastic residual, each of which are processed within different neural network paths. A wide variety of architectures were tested (Recurrent Neural Network (RNN), Long Short-Term Memory (LSTM), Gated Recurrent Unit (GRU), Convolutional Neural Network (CNN)), at multiple historical window sizes and forecast horizons on a diverse dataset from a three-year span. All of the architectures tested demonstrated improved accuracy and robustness when using the physics aware decomposition as opposed to all other methods. Of the architectures tested, the GRU architecture was the most accurate and performed well in terms of overall evaluation. The GRU model had an RMSE of 78.63 W/m2 and an R2 value of 0.9281 for 15 min ahead forecasting. Additionally, the Fourier-based methodology was able to reduce the maximum absolute error by approximately 15% to 20%, depending upon the architecture used, and therefore it provided a way to reduce the impact of the larger errors in forecasting during periods of unstable weather. Overall, this framework represents a viable option for both physically interpretive and computationally efficient real-time solar forecasting that provides a bridge between Physical Modeling and Data-Driven Intelligence. Full article
(This article belongs to the Special Issue Artificial Intelligence in Sustainable Development)
Show Figures

Figure 1

22 pages, 8827 KB  
Article
Assessment of Offshore Solar Photovoltaic and Wind Energy Resources in the Sea Area of China
by Yanan Wu, Yang Bai, Qingwei Zhou and He Wu
Energies 2026, 19(2), 458; https://doi.org/10.3390/en19020458 (registering DOI) - 16 Jan 2026
Abstract
Against the backdrop of China’s “dual carbon” targets, the energy transition is accelerating. However, the expansion of onshore renewables is often constrained by land scarcity. Offshore areas thus present a promising alternative. In this study, high-resolution wind field data from 1995 to 2024 [...] Read more.
Against the backdrop of China’s “dual carbon” targets, the energy transition is accelerating. However, the expansion of onshore renewables is often constrained by land scarcity. Offshore areas thus present a promising alternative. In this study, high-resolution wind field data from 1995 to 2024 were generated using the WRF model driven by ERA5 reanalysis, enabling a 30-year spatiotemporal assessment of offshore wind power density (at 160 m hub height) and photovoltaic potential (PVP) across China’s four major seas—the Bohai Sea, Yellow Sea, East China Sea, and South China Sea. The results show clear spatial and seasonal patterns: solar PV potential decreases from south to north, with the South China Sea exhibiting the highest and most stable annual average PVP (16–18%) and summer peaks exceeding 25%. Wind energy resources are spatially heterogeneous; the East China Sea and Taiwan Strait are identified as the richest zones, where wind power density frequently reaches 800–1800 W/m2 during autumn and winter. Importantly, a pronounced seasonal complementarity is observed: wind peaks in autumn/winter while solar peaks in spring/summer at representative coastal sites. This study provides, for the first time, a long-term, integrated assessment of both offshore wind and solar resources over all four Chinese seas, offering quantitative data and a scientific basis for differentiated marine energy planning, optimized siting, and the design of wind–solar hybrid systems. Full article
Show Figures

Figure 1

30 pages, 4248 KB  
Article
Advanced MPPT Strategy for PV Microinverters: A Dragonfly Algorithm Approach Integrated with Wireless Sensor Networks Under Partial Shading
by Mahir Dursun and Alper Görgün
Electronics 2026, 15(2), 413; https://doi.org/10.3390/electronics15020413 (registering DOI) - 16 Jan 2026
Abstract
The integration of solar energy into smart grids requires high-efficiency power conversion to support grid stability. However, Partial Shading Conditions (PSCs) remain a primary obstacle by inducing multiple local maxima on P–V characteristic curves. This paper presents a hardware-aware and memory-enhanced Maximum Power [...] Read more.
The integration of solar energy into smart grids requires high-efficiency power conversion to support grid stability. However, Partial Shading Conditions (PSCs) remain a primary obstacle by inducing multiple local maxima on P–V characteristic curves. This paper presents a hardware-aware and memory-enhanced Maximum Power Point Tracking (MPPT) approach based on a modified Dragonfly Algorithm (DA) for grid-connected microinverter-based photovoltaic (PV) systems. The proposed method utilizes a quasi-switched Boost-Switched Capacitor (qSB-SC) topology, where the DA is specifically tailored by combining Lévy-flight exploration with a dynamic damping factor to suppress steady-state oscillations within the qSB-SC ripple constraints. Coupling the MPPT stage to a seven-level Packed-U-Cell (PUC) microinverter ensures that each PV module operates at its independent Global Maximum Power Point (GMPP). A ZigBee-based Wireless Sensor Network (WSN) facilitates rapid data exchange and supports ‘swarm-memory’ initialization, matching current shading patterns with historical data to seed the population near the most probable GMPP region. This integration reduces the overall response time to 0.026 s. Hardware-in-the-loop experiments validated the approach, attaining a tracking accuracy of 99.32%. Compared to current state-of-the-art benchmarks, the proposed model demonstrated a significant improvement in tracking speed, outperforming the most recent 2025 GWO implementation (0.0603 s) by approximately 56% and conventional metaheuristic variants such as GWO-Beta (0.46 s) by over 94%.These results confirmed that the modified DA-based MPPT substantially enhanced the microinverter efficiency under PSC through cross-layer parameter adaptation. Full article
26 pages, 16624 KB  
Article
Multi-Scale Photovoltaic Power Forecasting with WDT–CRMABIL–Fusion: A Two-Stage Hybrid Deep Learning Framework
by Reza Khodabakhshi Palandi, Loredana Cristaldi and Luca Martiri
Energies 2026, 19(2), 455; https://doi.org/10.3390/en19020455 (registering DOI) - 16 Jan 2026
Abstract
Ultra-short-term photovoltaic (PV) power forecasts are vital for secure grid operation as solar penetration rises. We propose a two-stage hybrid framework, WDT–CRMABIL–Fusion. In Stage 1, we apply a three-level discrete wavelet transform to PV power and key meteorological series (shortwave radiation and panel [...] Read more.
Ultra-short-term photovoltaic (PV) power forecasts are vital for secure grid operation as solar penetration rises. We propose a two-stage hybrid framework, WDT–CRMABIL–Fusion. In Stage 1, we apply a three-level discrete wavelet transform to PV power and key meteorological series (shortwave radiation and panel irradiance). We then forecast the approximation and detail sub-series using specialized component predictors: a 1D-CNN with dual residual multi-head attention (feature-wise and time-wise) together with a BiLSTM. In Stage 2, a compact dense fusion network recombines the component forecasts into the final PV power trajectory. We use 5-minute data from a PV plant in Milan and evaluate 5-, 10-, and 15-minute horizons. The proposed approach outperforms strong baselines (DCC+LSTM, CNN+LSTM, CNN+BiLSTM, CRMABIL direct, and WDT+CRMABIL direct). For the 5-minute horizon, it achieves MAE = 1.60 W and RMSE = 4.21 W with R2 = 0.943 and CORR = 0.973, compared with the best benchmark (MAE = 3.87 W; RMSE = 7.89 W). The gains persist across K-means++ weather clusters (rainy/sunny/cloudy) and across seasons. By combining explicit multi-scale decomposition, attention-based sequence learning, and learned fusion, WDT–CRMABIL–Fusion provides accurate and robust ultra-short-term PV forecasts suitable for storage dispatch and reserve scheduling. Full article
32 pages, 22265 KB  
Article
A Hybrid Ensemble Learning Framework for Accurate Photovoltaic Power Prediction
by Wajid Ali, Farhan Akhtar, Asad Ullah and Woo Young Kim
Energies 2026, 19(2), 453; https://doi.org/10.3390/en19020453 (registering DOI) - 16 Jan 2026
Abstract
Accurate short-term forecasting of solar photovoltaic (PV) power output is essential for efficient grid integration and energy management, especially given the widespread global adoption of PV systems. To address this research gap, the present study introduces a scalable, interpretable ensemble learning model of [...] Read more.
Accurate short-term forecasting of solar photovoltaic (PV) power output is essential for efficient grid integration and energy management, especially given the widespread global adoption of PV systems. To address this research gap, the present study introduces a scalable, interpretable ensemble learning model of PV power prediction with respect to a large PVOD v1.0 dataset, which encompasses more than 270,000 points representing ten PV stations. The proposed methodology involves data preprocessing, feature engineering, and a hybrid ensemble model consisting of Random Forest, XGBoost, and CatBoost. Temporal features, which included hour, day, and month, were created to reflect the diurnal and seasonal characteristics, whereas feature importance analysis identified global irradiance, temperature, and temporal indices as key indicators. The hybrid ensemble model presented has a high predictive power, with an R2 = 0.993, a Mean Absolute Error (MAE) = 0.227 kW, and a Root Mean Squared Error (RMSE) = 0.628 kW when applied to the PVOD v1.0 dataset to predict short-term PV power. These findings were achieved on standardized, multi-station, open access data and thus are not in an entirely rigorous sense comparable to previous studies that may have used other datasets, forecasting horizons, or feature sets. Rather than asserting numerical dominance over other approaches, this paper focuses on the real utility of integrating well-known tree-based ensemble techniques with time-related feature engineering to derive real, interpretable, and computationally efficient PV power prediction models that can be used in smart grid applications. This paper shows that a mixture of conventional ensemble methods and extensive temporal feature engineering is effective in producing consistent accuracy in PV forecasting. The framework can be reproduced and run efficiently, which makes it applicable in the integration of smart grid applications. Full article
(This article belongs to the Special Issue Advanced Control Strategies for Photovoltaic Energy Systems)
39 pages, 5114 KB  
Article
Optimal Sizing of Electrical and Hydrogen Generation Feeding Electrical and Thermal Load in an Isolated Village in Egypt Using Different Optimization Technique
by Mohammed Sayed, Mohamed A. Nayel, Mohamed Abdelrahem and Alaa Farah
Energies 2026, 19(2), 452; https://doi.org/10.3390/en19020452 (registering DOI) - 16 Jan 2026
Abstract
This paper analyzes the functional feasibility and strategic value of hybrid hydrogen storage and photovoltaic (PV) energy systems at isolated areas, specifically at Egypt’s Shalateen station. The paper is significant as it formulates a solution to the energy independence coupled with economic feasibility [...] Read more.
This paper analyzes the functional feasibility and strategic value of hybrid hydrogen storage and photovoltaic (PV) energy systems at isolated areas, specifically at Egypt’s Shalateen station. The paper is significant as it formulates a solution to the energy independence coupled with economic feasibility issue in regions where the basic energy infrastructure is non-existent or limited. Through the integration of a portfolio of advanced optimization algorithms—Differential Evolution (DE), Genetic Algorithm (GA), Particle Swarm Optimization (PSO), Grey Wolf Optimizer (GWO), Multi-Objective Genetic Algorithm (MOGA), Pattern Search, Sequential Quadratic Programming (SQP), and Simulated Annealing—the paper evaluates the performance of two scenarios. The first evaluates the PV system in the absence of hydrogen production to demonstrate how system parameters are optimized by Pattern Search and PSO to achieve a minimum Cost of Energy (COE) of 0.544 USD/kWh. The second extends the system to include hydrogen production, which becomes important to ensure energy continuity during solar irradiation-free months like those during winter months. In this scenario, the same methods of optimization enhance the COE to 0.317 USD/kWh, signifying the economic value of integrating hydrogen storage. The findings underscore the central role played by hybrid renewable energy systems in ensuring high resilience and sustainability of supplies in far-flung districts, where continued enhancement by means of optimization is needed to realize maximum environmental and technological gains. The paper offers a futuristic model towards sustainable, dependable energy solutions key to the energy independence of the future in such challenging environments. Full article
(This article belongs to the Section A2: Solar Energy and Photovoltaic Systems)
Show Figures

Figure 1

21 pages, 4676 KB  
Article
Investigation of the Influence Mechanism and Analysis of Engineering Application of the Solar PVT Heat Pump Cogeneration System
by Yujia Wu, Zihua Li, Yixian Zhang, Gang Chen, Gang Zhang, Xiaolan Wang, Xuanyue Zhang and Zhiyan Li
Energies 2026, 19(2), 450; https://doi.org/10.3390/en19020450 (registering DOI) - 16 Jan 2026
Abstract
Amidst the ongoing global energy crisis, environmental deterioration, and the exacerbation of climate change, the development of renewable energy, particularly solar energy, has become a central topic in the global energy transition. This study investigates a solar photovoltaic thermal (PVT) heat pump system [...] Read more.
Amidst the ongoing global energy crisis, environmental deterioration, and the exacerbation of climate change, the development of renewable energy, particularly solar energy, has become a central topic in the global energy transition. This study investigates a solar photovoltaic thermal (PVT) heat pump system that utilizes an expanded honeycomb-channel PVT module to enhance the comprehensive utilization efficiency of solar energy. A simulation platform for the solar PVT heat pump system was established using Aspen Plus software (V12), and the system’s performance impact mechanisms and engineering applications were researched. The results indicate that solar irradiance and the circulating water temperature within the PVT module are the primary factors affecting system performance: for every 100 W/m2 increase in solar irradiance, the coefficient of performance for heating (COPh) increases by 13.7%, the thermoelectric comprehensive performance coefficient (COPco) increases by 14.9%, and the electrical efficiency of the PVT array decreases by 0.05%; for every 1 °C increase in circulating water temperature, the COPh and COPco increase by 11.8% and 12.3%, respectively, and the electrical efficiency of the PVT array decreases by 0.03%. In practical application, the system achieves an annual heating capacity of 24,000 GJ and electricity generation of 1.1 million kWh, with average annual COPh and COPco values of 5.30 and 7.60, respectively. The Life Cycle Cost (LCC) is 13.2% lower than that of the air-source heat pump system, the dynamic investment payback period is 4–6 years, and the annual carbon emissions are reduced by 94.6%, demonstrating significant economic and environmental benefits. This research provides an effective solution for the efficient and comprehensive utilization of solar energy, utilizing the low-global-warming-potential refrigerant R290, and is particularly suitable for combined heat and power applications in regions with high solar irradiance. Full article
Show Figures

Figure 1

37 pages, 19894 KB  
Article
Sustainable Interpretation Center for Conservation and Environmental Education in Ecologically Sensitive Areas of the Tumbes Mangrove, Peru, 2025
by Doris Esenarro, Miller Garcia, Yerika Calampa, Patricia Vasquez, Duilio Aguilar Vizcarra, Carlos Vargas, Vicenta Irene Tafur Anzualdo, Jesica Vilchez Cairo and Pablo Cobeñas
Urban Sci. 2026, 10(1), 57; https://doi.org/10.3390/urbansci10010057 - 16 Jan 2026
Abstract
The continuous degradation of mangrove ecosystems, considered among the most vulnerable worldwide, reveals multiple threats driven by human activities and climate change. In the Peruvian context, particularly in the Tumbes Mangrove ecosystem, these pressures are intensified by the absence of integrated spatial and [...] Read more.
The continuous degradation of mangrove ecosystems, considered among the most vulnerable worldwide, reveals multiple threats driven by human activities and climate change. In the Peruvian context, particularly in the Tumbes Mangrove ecosystem, these pressures are intensified by the absence of integrated spatial and educational infrastructures capable of supporting conservation efforts while engaging local communities. In response, this research proposes a Sustainable Interpretation Center for Conservation and Environmental Education in Ecologically Sensitive Areas of the Tumbes Mangrove, Peru. The methodology includes climate data analysis, identification of local flora and fauna, and site topography characterization, supported by digital tools such as Google Earth, AutoCAD 2025, Revit 2025, and 3D Sun Path. The results are reflected in an architectural proposal that incorporates sustainable materials compatible with sensitive ecosystems, including eco-friendly structural solutions based on algarrobo timber, together with resilient strategies addressing climatic variability, such as lightweight structures, elevated platforms, and passive environmental solutions that minimize impact on the mangrove. Furthermore, the proposal integrates a photovoltaic energy system consisting of 12 solar panels with a unit capacity of 450 W, providing a total installed capacity of 5.4 kWp, complemented by a 48 V LiFePO4 battery storage system designed to ensure energy autonomy during periods of low solar availability. In conclusion, the proposal adheres to principles of sustainability and energy efficiency and aligns with the Sustainable Development Goals (SDGs) 7, 8, 12, 14, and 15, reinforcing the use of clean energy, responsible tourism, sustainable resource management, and the conservation of marine and terrestrial ecosystems. Full article
23 pages, 3747 KB  
Article
Integrated Triple-Diode Modeling and Hydrogen Turbine Power for Green Hydrogen Production
by Abdullah Alrasheedi, Mousa Marzband and Abdullah Abusorrah
Energies 2026, 19(2), 435; https://doi.org/10.3390/en19020435 - 15 Jan 2026
Viewed by 21
Abstract
The study establishes a comprehensive mathematical modeling framework for solar-driven hydrogen production by integrating a triple-diode photovoltaic (PV) model, an alkaline electrolyzer, and a hydrogen turbine (H2T), subsequently using hybrid power utilization to optimize hydrogen output. The Triple-Diode Model (TDM) accurately [...] Read more.
The study establishes a comprehensive mathematical modeling framework for solar-driven hydrogen production by integrating a triple-diode photovoltaic (PV) model, an alkaline electrolyzer, and a hydrogen turbine (H2T), subsequently using hybrid power utilization to optimize hydrogen output. The Triple-Diode Model (TDM) accurately reproduces the electrical performance of a 144-cell photovoltaic module under standard test conditions (STC), enabling precise calculations of hourly maximum power point outputs based on real-world conditions of global horizontal irradiance and ambient temperature. The photovoltaic system produced 1.07 MWh during the summer months (May to September 2025), which was sent straight to the alkaline electrolyzer. The electrolyzer, using Specific Energy Consumption (SEC)-based formulations and Faraday’s law, produced 22.6 kg of green hydrogen and used around 203 L of water. The generated hydrogen was later utilized to power a hydrogen turbine (H2T), producing 414.6 kWh, which was then integrated with photovoltaic power to create a hybrid renewable energy source. This hybrid design increased hydrogen production to 31.4 kg, indicating a substantial improvement in renewable hydrogen output. All photovoltaic, electrolyzer, and turbine models were integrated into a cohesive MATLAB R2024b framework, allowing for an exhaustive depiction of system dynamics. The findings validate that the amalgamation of H2T with photovoltaic-driven electrolysis may significantly improve both renewable energy and hydrogen production. This research aligns with Saudi Vision 2030 and global clean-energy initiatives, including the Paris Agreement, to tackle climate change and its negative impacts. An integrated green hydrogen system, informed by this study’s findings, could significantly improve energy sustainability, strengthen production reliability, and augment hydrogen output, fully aligning with economical, technical, and environmental objectives. Full article
(This article belongs to the Special Issue Advances in Hydrogen Production in Renewable Energy Systems)
Show Figures

Figure 1

32 pages, 8181 KB  
Article
Advanced Energy Management and Dynamic Stability Assessment of a Utility-Scale Grid-Connected Hybrid PV–PSH–BES System
by Sharaf K. Magableh, Mohammad Adnan Magableh, Oraib M Dawaghreh and Caisheng Wang
Electronics 2026, 15(2), 384; https://doi.org/10.3390/electronics15020384 - 15 Jan 2026
Viewed by 24
Abstract
Despite the growing adoption of hybrid energy systems integrating solar photovoltaic (PV), pumped storage hydropower (PSH), and battery energy storage (BES), comprehensive studies on their dynamic stability and interaction mechanisms remain limited, particularly under weak grid conditions. Due to the high impedance of [...] Read more.
Despite the growing adoption of hybrid energy systems integrating solar photovoltaic (PV), pumped storage hydropower (PSH), and battery energy storage (BES), comprehensive studies on their dynamic stability and interaction mechanisms remain limited, particularly under weak grid conditions. Due to the high impedance of weak grids, ensuring stability across varied operating scenarios is crucial for advancing grid resilience and energy reliability. This paper addresses these research gaps by examining the interaction dynamics between PV, PSH, and BES on the DC side and the utility grid on the AC side. The study identifies operating-region-dependent instability mechanisms arising from negative incremental resistance behavior and weak grid interactions and proposes a virtual-impedance-based active damping control strategy to suppress poorly damped oscillatory modes. The proposed controller effectively reshapes the converter output impedance, shifts unstable eigenmodes into the left-half plane, and improves phase margins without requiring additional hardware components or introducing steady-state power losses. System stability is analytically assessed using root-locus, Bode, and Nyquist criteria within a developed small-signal state-space model, and further validated through large-signal real-time simulations on an OPAL-RT platform. The main contributions of this study are threefold: (i) a comprehensive stability analysis of a utility-scale grid-connected hybrid PV–PSH–BES system under weak grid conditions, (ii) identification of operating-region-dependent instability mechanisms associated with DC–link interactions, and (iii) development and real-time validation of a practical virtual-impedance-based active damping strategy for enhancing system stability and grid integration reliability. Full article
(This article belongs to the Special Issue Advances in Power Electronics Converters for Modern Power Systems)
10 pages, 2382 KB  
Proceeding Paper
Integrated Potential for Wind and Solar Energy in the Context of Sustainable Development of the Coastal Regions of Bulgaria
by Rositsa Velichkova, Iskra Simova, Elitsa Gieva, Angel Aleksandrov and Aleksandar Stanilov
Eng. Proc. 2026, 122(1), 4; https://doi.org/10.3390/engproc2026122004 - 14 Jan 2026
Abstract
This study presents a comparative analysis of the potential for combined use of wind and solar energy in nine key coastal settlements on the Bulgarian Black Sea coast—Shabla, Balchik, Varna, Byala, Obzor, Nesebar, Burgas, Primorsko, and Tsarevo—selected for their diverse geographical and meteorological [...] Read more.
This study presents a comparative analysis of the potential for combined use of wind and solar energy in nine key coastal settlements on the Bulgarian Black Sea coast—Shabla, Balchik, Varna, Byala, Obzor, Nesebar, Burgas, Primorsko, and Tsarevo—selected for their diverse geographical and meteorological characteristics. The study evaluates the feasibility of implementing hybrid renewable energy systems by analyzing the average annual solar radiation and wind velocity for each location. A methodology based on physical and technical parameters is applied to determine the required installed capacity of photovoltaic systems to meet the average annual household electricity consumption of 6000 kWh. Concurrently, wind energy potential is assessed through theoretical and practical models using two turbine sizes (3 m and 6 m in diameter), which represent small-scale residential wind applications. Full article
Show Figures

Figure 1

24 pages, 4506 KB  
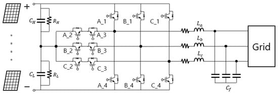
Article
Deadbeat Control for a Three-Phase Solar T-Type Inverter and Comparison with PI Control
by HanJoon Jang and Il Song Kim
Energies 2026, 19(2), 417; https://doi.org/10.3390/en19020417 - 14 Jan 2026
Viewed by 60
Abstract
This paper proposes a deadbeat-based current control method for a three-phase T-type solar inverter to improve transient performance and harmonic immunity compared with conventional PI control. The control framework adopts a double-loop structure, in which the photovoltaic (PV) voltage is regulated by a [...] Read more.
This paper proposes a deadbeat-based current control method for a three-phase T-type solar inverter to improve transient performance and harmonic immunity compared with conventional PI control. The control framework adopts a double-loop structure, in which the photovoltaic (PV) voltage is regulated by a perturb-and-observe (P&O)-based maximum power point tracking (MPPT) algorithm in the outer loop, while d–q axis currents are controlled in the inner loop. A performance comparison between the PI control and the proposed deadbeat control was conducted using an ESS T-type inverter with an inner current control loop, and the results were validated through combined simulation and experimental investigations. Under experimental conditions, when the d-axis reference current was stepped from 5.2 A to 9.2 A, the deadbeat controller achieved a transient settling time of approximately 1.89 ms, representing a 47.5% reduction compared to the 3.6 ms observed with the PI control. Furthermore, under 7th harmonic injection (0.225), the total harmonic distortion (THD) was reduced from 12.9% to 4.3%. These results demonstrate that the proposed deadbeat control strategy provides faster transient response and enhanced robustness against harmonic disturbances in three-phase T-type inverter applications. Full article
Show Figures

Figure 1

Back to TopTop